Wednesday, January 28th, 2015 AT 10:55 AM
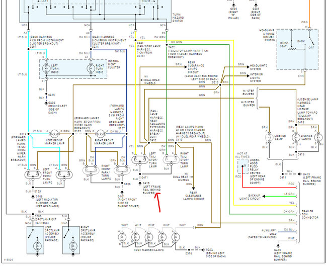
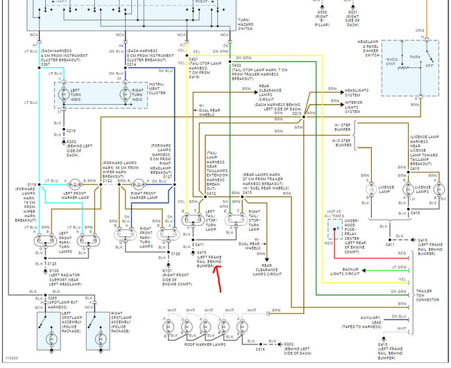
I replace the bulbs and the whole tail light assembly and the same problem came back but now the light will not work at all so I have no rear left turn signal or brake light on the left.




