Air conditioner compressor is not turning on relay?

Tiny
ACEHEARTS
  • MEMBER
  • 2005 CHEVROLET SILVERADO
I have searched all over the truck cant find it?
Thursday, July 16th, 2009 AT 11:54 AM

53 Replies

Tiny
BLUELIGHTNIN6
  • MECHANIC
  • 16,542 POSTS
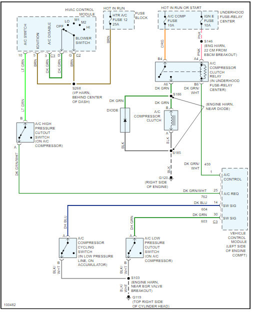
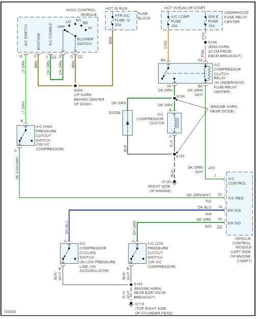
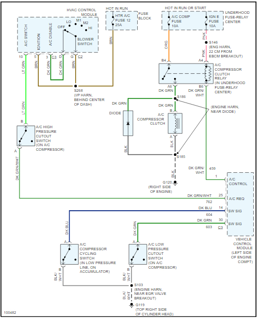
It is in the underhood fuse block..Check out the diagrams (Below). Please let us know if you need anything else to get the problem fixed.


https://www.2carpros.com/forum/automotive_pictures/261618_Noname_688.jpg

Was this
answer
helpful?
Yes
No
+5
Thursday, July 16th, 2009 AT 12:14 PM
Tiny
11JIMBO
  • MEMBER
  • 10 POSTS
  • 2000 CHEVROLET SILVERADO
  • 6.0L
  • V8
  • 2WD
  • AUTOMATIC
  • 200,000 MILES
I have replaced the compressor, , the relay, and all switches. The pressure is right all was charged when I replaced compressor. I can jump the relay the compressor will come on. But what's keeping it from working? I've got 5 volts at the low and hi pressure switches. I'm lost.
Was this
answer
helpful?
Yes
No
+4
Friday, April 30th, 2021 AT 4:33 PM (Merged)
Tiny
ASEMASTER6371
  • MECHANIC
  • 52,796 POSTS
Good afternoon,

I attached a wiring diagram. Please check for 2 powers to the AC relay with the key on.

https://www.2carpros.com/articles/how-to-check-wiring

Let us make sure there is voltage at the relay.

https://www.2carpros.com/articles/how-to-check-an-electrical-relay-and-wiring-control-circuit

Roy
Was this
answer
helpful?
Yes
No
+3
Friday, April 30th, 2021 AT 4:33 PM (Merged)
Tiny
11JIMBO
  • MEMBER
  • 10 POSTS
Yes, I have 12 volts at terminal 87. And with the key on terminal 85 is hot. Like I said I can jump the relay at 87 and 30 the compressor comes on. Unless the wire from the compressor is broke.
Was this
answer
helpful?
Yes
No
+1
Friday, April 30th, 2021 AT 4:33 PM (Merged)
Tiny
ASEMASTER6371
  • MECHANIC
  • 52,796 POSTS
Okay, you have power at 30. 87 goes to the compressor.

The ECM grounds the control side of the relay or terminal 86. It will ground it and activate the compressor once it sees the correct signal from the sensor for high and low sides.

Did you try jumping the low side pressure sensor and see if the compressor comes on?

Roy
Was this
answer
helpful?
Yes
No
+2
Friday, April 30th, 2021 AT 4:33 PM (Merged)
Tiny
11JIMBO
  • MEMBER
  • 10 POSTS
Yes sir, I have jumped the low side and the hi side I even jumped them both at the same time. I gave terminal 86 a ground and the compressor comes on but is not cycling. Well, maybe i'm wrong here I put my gauges back on the truck and it's reading low side 65 psi and hi side reads 75 psi but it is 48 degrees here.
Was this
answer
helpful?
Yes
No
+1
Friday, April 30th, 2021 AT 4:33 PM (Merged)
Tiny
ASEMASTER6371
  • MECHANIC
  • 52,796 POSTS
The ECM is not grounding it.

Do you have a scan tool that can monitor the AC switches?

We are getting close to the ECM being the issue.

Pin 86 goes to the ECM. You need to see if the ECM is seeing the proper signals before condemning the ECM.

You need to check for voltage at the wires I circled on the red connector at the ECM for power.

Roy
Was this
answer
helpful?
Yes
No
Friday, April 30th, 2021 AT 4:33 PM (Merged)
Tiny
FXLRDAVE
  • MEMBER
  • 1 POST
  • 1998 CHEVROLET SILVERADO
  • 5.7L
  • V8
  • 4WD
  • AUTOMATIC
  • 240,000 MILES
All is good except A/C button light comes on but does run ground to A/C relay pin #87 and I cannot find a wiring diagram that shows the button circuit.
Was this
answer
helpful?
Yes
No
Friday, April 30th, 2021 AT 4:33 PM (Merged)
Tiny
DANNY L
  • MECHANIC
  • 5,648 POSTS
Hello, I'm Danny.

Here is a tutorial on how to test wiring:

https://www.2carpros.com/articles/how-to-check-wiring

I've attached the wiring diagram you requested below.Hope this helps and thanks for using 2CarPros.

Danny-
Was this
answer
helpful?
Yes
No
Friday, April 30th, 2021 AT 4:33 PM (Merged)
Tiny
11JIMBO
  • MEMBER
  • 10 POSTS
Okay, I have checked the power at the pins on the PCM. 11 pin has 9 volts, 17 pin has 5 volts, 43 has 12 volts and 55 has 9 volts. This with the key on and A/C on.
Was this
answer
helpful?
Yes
No
Friday, April 30th, 2021 AT 4:33 PM (Merged)
Tiny
ASEMASTER6371
  • MECHANIC
  • 52,796 POSTS
Okay, those are signals and they are getting there. The ECM is not grounding the relay even with the signals.

Looks like you need an ECM.

Roy
Was this
answer
helpful?
Yes
No
Friday, April 30th, 2021 AT 4:33 PM (Merged)
Tiny
11JIMBO
  • MEMBER
  • 10 POSTS
Thanks for the info. I have changed the ECM this mourning. Same thing. So now what?
Was this
answer
helpful?
Yes
No
Friday, April 30th, 2021 AT 4:33 PM (Merged)
Tiny
ASEMASTER6371
  • MECHANIC
  • 52,796 POSTS
Did you check the dark green/white wire for power. That is from the relay and what needs to be grounded.

Roy
Was this
answer
helpful?
Yes
No
Friday, April 30th, 2021 AT 4:33 PM (Merged)
Tiny
11JIMBO
  • MEMBER
  • 10 POSTS
Yes sir with the key on it has power but when I give it a ground the compressor comes on but does not cycle.
Was this
answer
helpful?
Yes
No
Friday, April 30th, 2021 AT 4:33 PM (Merged)
Tiny
CEEANDREW MURRY
  • MEMBER
  • 2 POSTS
  • 1996 CHEVROLET SILVERADO
  • 5.7L
  • 2WD
  • AUTOMATIC
  • 210,000 MILES
Inside control panel only works on high setting, but when I turn on A/C compressor doesn't come on at all. Only tried jumping compressor with hot wire clutch engages. Checked plugs from clutch, low pressure switch with test light an got nothing. #12 fuse good. Would the resistor keep compressor from getting power? What's wrong and how to fix?
Was this
answer
helpful?
Yes
No
Friday, April 30th, 2021 AT 4:33 PM (Merged)
Tiny
ASEMASTER6371
  • MECHANIC
  • 52,796 POSTS
Good evening,

I attached a wiring diagram for you to view. Make sure you test all the fuses in the diagram for power on both sides. This is a power test, not a visual test.

https://www.2carpros.com/articles/how-to-check-a-car-fuse

The ECM supplies power to the low and high pressure switches as shown in the diagram.

Recheck the voltage with the key on and the A/C request on.

Roy
Was this
answer
helpful?
Yes
No
+1
Friday, April 30th, 2021 AT 4:33 PM (Merged)
Tiny
ASEMASTER6371
  • MECHANIC
  • 52,796 POSTS
I am not worried about cycling.

For some reason, the ECM is seeing the signals but not commanding the compressor on by grounding that wire.

How much voltage is at that wire?

Roy
Was this
answer
helpful?
Yes
No
Friday, April 30th, 2021 AT 4:33 PM (Merged)
Tiny
CEEANDREW MURRY
  • MEMBER
  • 2 POSTS
That is, will let you know the outcome.
Was this
answer
helpful?
Yes
No
Friday, April 30th, 2021 AT 4:33 PM (Merged)
Tiny
11JIMBO
  • MEMBER
  • 10 POSTS
Okay, with the key on A/C on the green and white wire to pin 86 has 13 volts on it, but when I give it a ground the compressor kicks on.
Was this
answer
helpful?
Yes
No
Friday, April 30th, 2021 AT 4:33 PM (Merged)
Tiny
ASEMASTER6371
  • MECHANIC
  • 52,796 POSTS
Okay, good.

Keep me updated.

Roy
Was this
answer
helpful?
Yes
No
Friday, April 30th, 2021 AT 4:33 PM (Merged)

Please login or register to post a reply.