Anti theft system light on at odd times wont let my car start?

Tiny
JROLEMAN
  • MEMBER
  • 2004 CHEVROLET CAVALIER
The anti theft system on my cavalier at odd times wont let my car start then for no apparent reason it will start, only warning is dash warning light for it comes on when trying to start the vehicle and stays on during cranking, anyway this system can be reset?
Wednesday, September 8th, 2010 AT 11:31 AM

40 Replies

Tiny
KEN L
  • MASTER CERTIFIED MECHANIC
  • 55,291 POSTS
Hey JROLEMAN,

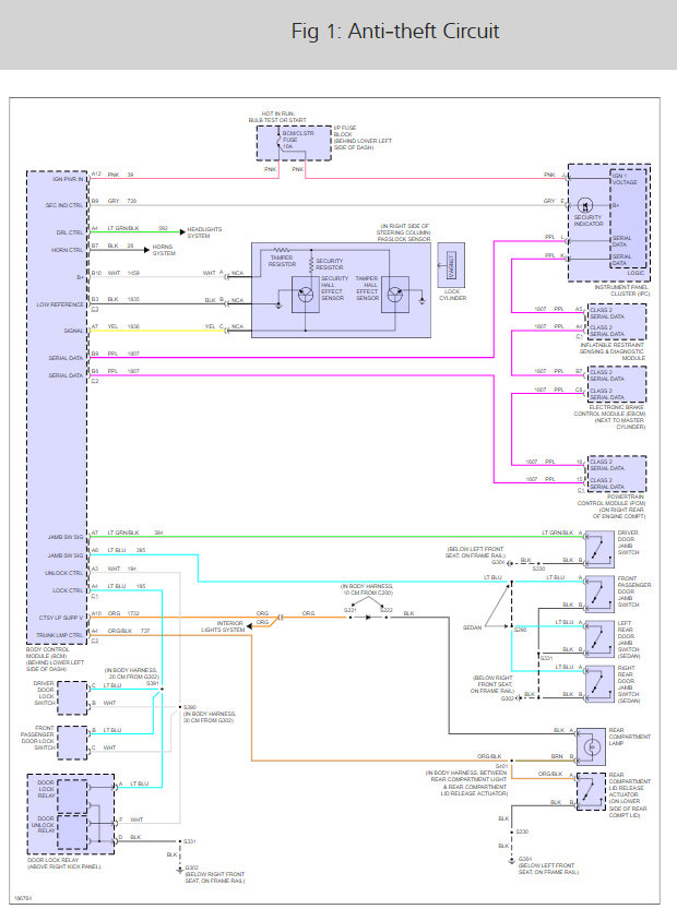
This system cannot be bypassed. The #1 reason for a security problem is the drivers door latch. What happens is the switch inside wears out causing the alarm to think the car is being stolen. Replace it with a new one and the problem should be fixed.

Here are some guides on how to check it.

https://www.2carpros.com/articles/how-to-reset-a-security-system

and

https://www.2carpros.com/articles/how-to-check-wiring

Also there are two small wires up by the ignition switch that break causing the alarm not to reset.

Please let me know what happens so it will help others.

Best, Ken
Was this
answer
helpful?
Yes
No
+8
Wednesday, January 18th, 2017 AT 12:12 AM
Tiny
RICH 80
  • MEMBER
  • 1 POST
  • 2004 CHEVROLET CAVALIER
  • 4 CYL
  • FWD
  • AUTOMATIC
  • 73,000 MILES
This cavalier has been running great now it cranks over but wont start while the engine is turning over the anti theft light comes on can I reset this thank you
Was this
answer
helpful?
Yes
No
-1
Thursday, July 1st, 2021 AT 10:18 AM (Merged)
Tiny
DAVE H
  • MECHANIC
  • 13,384 POSTS
30 Minute Learn Procedure
Tools Required: None
Turn ON the ignition, with the engine OFF.
Attempt to start the engine, then release the key to ON. The vehicle will not start.
Observe the SECURITY telltale, after approximately 10 minutes the telltale will turn OFF.
Turn OFF the ignition, and wait 5 seconds.
Repeat steps 1 through 4 two more times for a total of 3 cycles/30 minutes. The vehicle is now ready to relearn the Passlock(tm) Sensor Data Code and/or passwords on the next ignition switch transition from OFF to CRANK.
IMPORTANT:The vehicle learns the Passlock(tm) Sensor Data Code and/or password on the next ignition switch transition from OFF to CRANK. You must turn the ignition OFF before attempting to start the vehicle.

Start the engine. The vehicle has now learned the Passlock(tm) Sensor Data Code and/or password.
With a scan tool, clear any DTCs if needed. History DTCs will self clear after 100 ignition cycles.
Was this
answer
helpful?
Yes
No
+2
Thursday, July 1st, 2021 AT 10:18 AM (Merged)
Tiny
ALYDASILVA
  • MEMBER
  • 1 POST
  • 2004 CHEVROLET CAVALIER
I recently bought a 2004 Cavalier. The theft system had acted up on it when I picked the car up from the dealer but they turned it off and said it would be fine. A couple days after I got stuck at work because the theft system would not shut off. Eventually I got it started. Through out the week after the theft light along with the service engine light would pop on while I was driving the car down the road. But the car had no problem starting up. And now once again the theft system will not shut off so I cant start the car. There is a theft system in the car itself, and there is also a theft system with the remote car starter. What could be going wrong?
Was this
answer
helpful?
Yes
No
+1
Thursday, July 1st, 2021 AT 10:18 AM (Merged)
Tiny
MMPRINCE4000
  • MECHANIC
  • 8,548 POSTS
The dealer should not have disabled the theft system. If car was stolen due to a disabled theft system, the dealer would be responsible. I doubt insurance would pay if the security system was intentionally disabled.

Take it back to dealer and have them repair it.

There is a procedure for reseting the system:

Turn key on
security light flashing
try to start and let go leave key on
security light flasher for about 10 min
when it stops
turn key off and start car
key needed to be reprogrammed
happy driving after that
in some rare cases you may have to do that 3 times total of 30 min.

However if an aftermarket remote start, then that could also be the problem.
Was this
answer
helpful?
Yes
No
+2
Thursday, July 1st, 2021 AT 10:18 AM (Merged)
Tiny
QTBABYBLUE707
  • MEMBER
  • 1 POST
  • 2004 CHEVROLET CAVALIER
  • 180,000 MILES
My anti theft needs to be reset. I can't start my car. How do you reset it? I think it came on because I backed into a pole. I'm not sure why it's on, but since then it wouldn't start and the light is on.
Was this
answer
helpful?
Yes
No
+1
Thursday, July 1st, 2021 AT 10:18 AM (Merged)
Tiny
DOCFIXIT
  • MECHANIC
  • 18,828 POSTS
TRy this turn key to start let go then turn to ACC position THEFT light should be on and start to flash. it takes 10 mins. light will stop go off then start car.

This guides show how

https://www.2carpros.com/articles/how-to-reset-a-security-system
Was this
answer
helpful?
Yes
No
+13
Thursday, July 1st, 2021 AT 10:18 AM (Merged)
Tiny
MOMTO41960
  • MEMBER
  • 3 POSTS
  • 2004 CHEVROLET CAVALIER
  • 4 CYL
  • AWD
  • AUTOMATIC
  • 152,000 MILES
My cd player has been broken. My daughter and her friend had the car and wanted to see if they could try to fix it. Plug it in so they tried to take it out. Then after that all of my lights came on. Anti theft. I can start it but then it dies out. I wonder if maybe the system thought it was being stolen? If it should be reset? Can I take the battery cable off and reattach it? Is there a way to reset it? If they hadn't messed with the battery I would think it was something else like a starter, alternator etc. What do you suggest. I am very poor and don't have neans
Was this
answer
helpful?
Yes
No
+1
Thursday, July 1st, 2021 AT 10:19 AM (Merged)
Tiny
HMAC300
  • MECHANIC
  • 48,601 POSTS
Try resetting anti theft. If it doesn't turn off the drivers side door latch needs to be replaced in most cases.
Was this
answer
helpful?
Yes
No
+5
Thursday, July 1st, 2021 AT 10:19 AM (Merged)
Tiny
MOMTO41960
  • MEMBER
  • 3 POSTS
Thank you. I did this and it did start and I let it run for about twenty five mins and then turned it off. It started doing the same thing again. It appears that the anti theft is off now but it won't stay started. We used electrical tape to wires that were open in the stereo and left the face off. Its frustrating. Sounds like the fuel filter but not sure because of the radio situation.
Was this
answer
helpful?
Yes
No
+7
Thursday, July 1st, 2021 AT 10:19 AM (Merged)
Tiny
HMAC300
  • MECHANIC
  • 48,601 POSTS
It can be a module going bad for the anti theft.
Was this
answer
helpful?
Yes
No
-1
Thursday, July 1st, 2021 AT 10:19 AM (Merged)
Tiny
MOMTO41960
  • MEMBER
  • 3 POSTS
It worked. The light went off. I did it myself with your help. Our friend is a mechanic, installed many radios and he knew how to hook up the stereo properly. It started and stayed started. I'm now back on the road. Thank you so much. I could not have done that part without you. I'm proud of myself for this. But all that was needed after that was to fix what caused the anti theft to react in the first place ! Thank you again. God bless. You are awesome !?
Was this
answer
helpful?
Yes
No
+3
Thursday, July 1st, 2021 AT 10:19 AM (Merged)
Tiny
LEONARD JERRY NAGENGAST
  • MEMBER
  • 11 POSTS
  • 2004 CHEVROLET CAVALIER
  • 2.4L
  • 4 CYL
  • 2WD
  • AUTOMATIC
  • 200 MILES
The battery was allowed to go low. Charged battery. When I recoonect batter anti theft goes off and wont try to start.
Was this
answer
helpful?
Yes
No
Thursday, July 1st, 2021 AT 10:19 AM (Merged)
Tiny
STEVE W.
  • MECHANIC
  • 15,671 POSTS
Do you have a crank but no start or it doesn't turn over at all? Is the antitheft light on solid or flashing? I ask because the low battery on that car shouldn't trigger the anti-theft.
Was this
answer
helpful?
Yes
No
+2
Thursday, July 1st, 2021 AT 10:19 AM (Merged)
Tiny
LEONARD JERRY NAGENGAST
  • MEMBER
  • 11 POSTS
No turnover. No anti theft light visible.
Was this
answer
helpful?
Yes
No
+1
Thursday, July 1st, 2021 AT 10:19 AM (Merged)
Tiny
DANNY L
  • MECHANIC
  • 5,648 POSTS
Hello, I'm Danny.

Lets try an anti-theft, security system reset first. Here is a link to the tutorial:

https://www.2carpros.com/articles/how-to-reset-a-security-system

After reading, Scroll the page to find Chevrolet. Get back to us after performing this and we'll go from there. Hope this helps and thanks for using 2CarPros. Happy Holidays.
Was this
answer
helpful?
Yes
No
Thursday, July 1st, 2021 AT 10:19 AM (Merged)
Tiny
STEVE W.
  • MECHANIC
  • 15,671 POSTS
With no anti-theft and no crank it's not the anti-theft system. On that GM the anti-theft turns off the fuel pump and will let the engine turn over and start but it would run for about 2 seconds the shut off. From then it would still crank but won't run. In this case I suspect that one of the battery cables is corroded and the power isn't getting through. When you turn on the lights do they come on? When you try to start it do you get a click or nothing? I would start by having the battery tested, if they go dead for long they can short internally and will not provide power enough to start the car. Many parts stores will do that for you for free. Then I would check the cables over for corrosion, The GM side terminal batteries tend to seep acid that goes into the cable connector and eats the internal metal until they stop working, but because it's all under the insulation you cannot easily see it without digging into it.

https://www.2carpros.com/articles/everything-goes-dead-when-engine-is-cranked
https://www.2carpros.com/articles/symptoms-of-a-bad-car-battery
Was this
answer
helpful?
Yes
No
+1
Thursday, July 1st, 2021 AT 10:19 AM (Merged)
Tiny
LEONARD JERRY NAGENGAST
  • MEMBER
  • 11 POSTS
I see. I will switch out battery. I kind of suspected it or the alternator was bad.
Was this
answer
helpful?
Yes
No
-1
Thursday, July 1st, 2021 AT 10:19 AM (Merged)
Tiny
STEVE W.
  • MECHANIC
  • 15,671 POSTS
If you have a spare it's a place to start, but I would also check those cables, the side terminals are very good at failing.
Was this
answer
helpful?
Yes
No
+1
Thursday, July 1st, 2021 AT 10:19 AM (Merged)
Tiny
LEONARD JERRY NAGENGAST
  • MEMBER
  • 11 POSTS
Okay. I will do both and let you know. Thanks
Was this
answer
helpful?
Yes
No
+1
Thursday, July 1st, 2021 AT 10:19 AM (Merged)

Please login or register to post a reply.