Anti theft system light on at odd times wont let my car start?

Tiny
STEVE W.
  • MECHANIC
  • 15,671 POSTS
You're welcome. Those terminals seem like a good idea, but they cause a lot of problems. Let us know what you find or if you still have issues.
Was this
answer
helpful?
Yes
No
Thursday, July 1st, 2021 AT 10:19 AM (Merged)
Tiny
LEONARD JERRY NAGENGAST
  • MEMBER
  • 11 POSTS
Terminals and cables corrosion free. Switched batteries. Bells and whistles come on as soon as I connect ground cable to battery. I need ideas on how to stop this?
Was this
answer
helpful?
Yes
No
Thursday, July 1st, 2021 AT 10:19 AM (Merged)
Tiny
STEVE W.
  • MECHANIC
  • 15,671 POSTS
Which items come on? Does the car have anything like aftermarket remote start or alarm on it?
Was this
answer
helpful?
Yes
No
Thursday, July 1st, 2021 AT 10:19 AM (Merged)
Tiny
LEONARD JERRY NAGENGAST
  • MEMBER
  • 11 POSTS
I checked with local dealer. What I have is definitely after market. I intend to unplug the brain somehow.
Was this
answer
helpful?
Yes
No
Thursday, July 1st, 2021 AT 10:19 AM (Merged)
Tiny
STEVE W.
  • MECHANIC
  • 15,671 POSTS
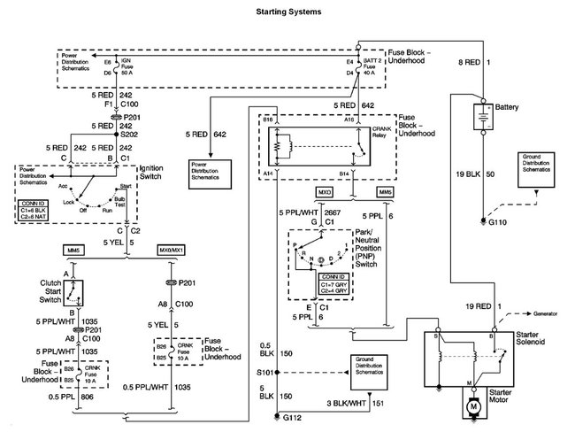
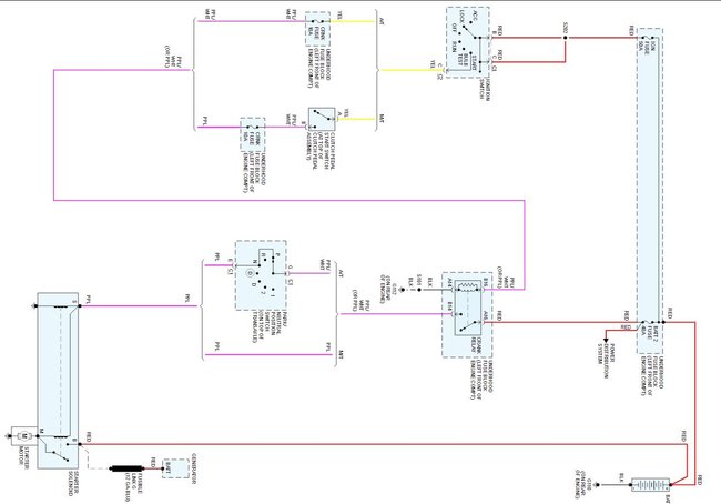
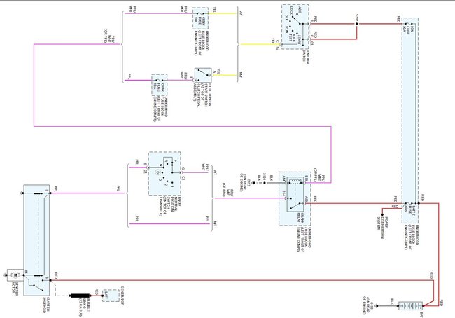
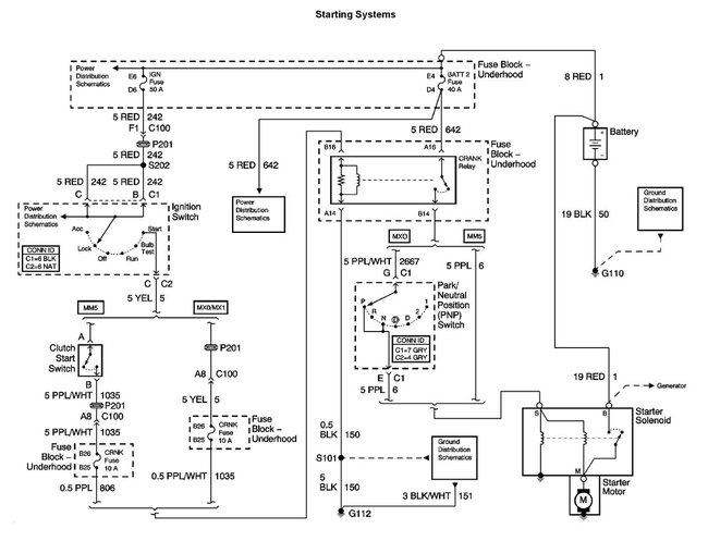
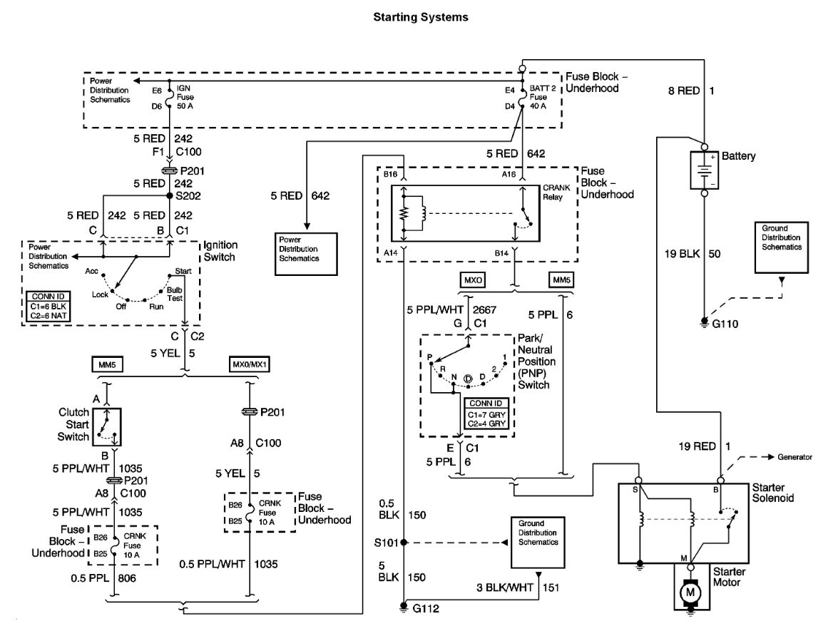
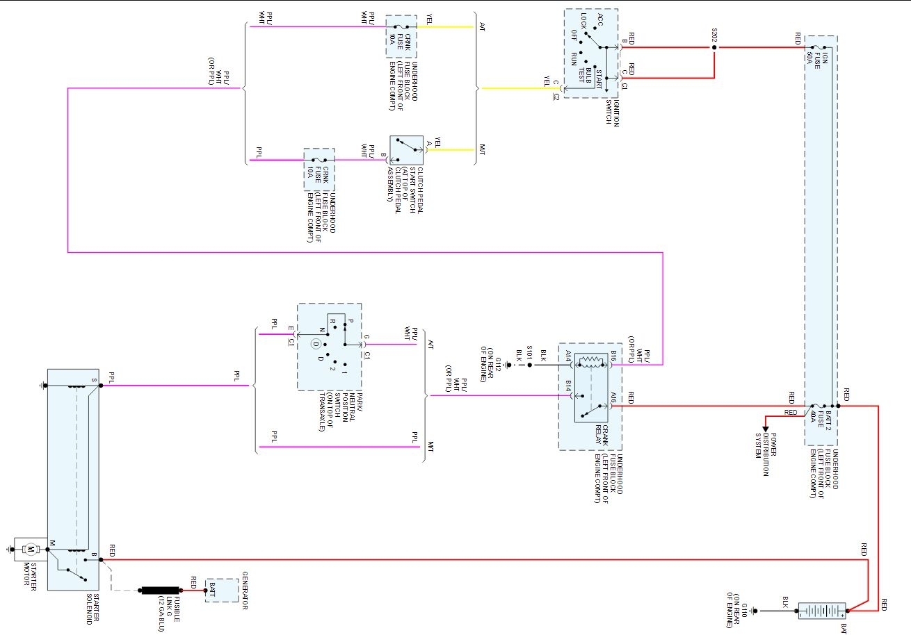
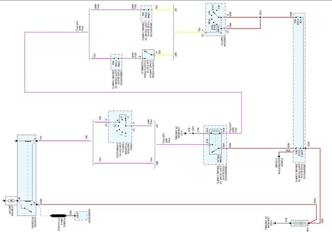
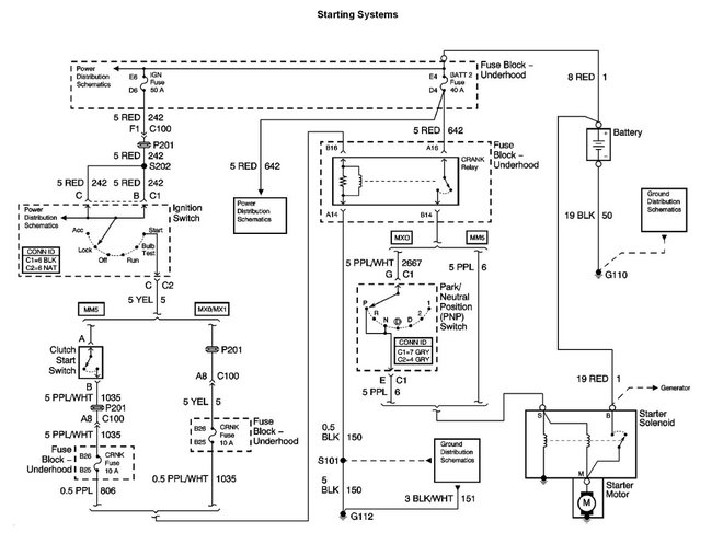
That makes it a lot of fun as they have a bad habit of tossing them in and then when you have problems you get to sort out what they really did. I've seen them installed where the wires were just twisted together, no solder no crimps, just twisted and tape. Others were oddball units that were the cheapest for that time and were the 99 dollar Christmas gift of choice. If you can find the make and model of the unit you could look that up and see what the install is supposed to be and use the wiring diagram to help sort it out. Some hook into the starter, door locks, lights, horn, and even the fuel system or ignition. My general policy on them is to remove them and return things to stock, then you at least have a base to start from. Let us know if you need anything else like the cars wiring diagrams or if you can find it the make and model of the system you have. I like to collect them and add the wiring and install info onto my shop machine if I can, that way if I run into that unit I already have an idea of what it is and does. Here are the diagrams for the starting side at least.
Was this
answer
helpful?
Yes
No
Thursday, July 1st, 2021 AT 10:19 AM (Merged)
Tiny
LEONARD JERRY NAGENGAST
  • MEMBER
  • 11 POSTS
I will first attempt to id the unit. Then unplug the brain.
Was this
answer
helpful?
Yes
No
Thursday, July 1st, 2021 AT 10:19 AM (Merged)
Tiny
STEVE W.
  • MECHANIC
  • 15,671 POSTS
The problem with just unplugging it is that they like to route things like the starter or power to other items through the units, you unplug it and now even less of the car works. I would ID the unit and find out anything about it, or even the other units that company sells may provide a clue about the wiring, Or start tracing the cars wiring and find any connectors they used, then look at the wire colors they have connected to. Many times the other piece is right nearby.
Was this
answer
helpful?
Yes
No
+1
Thursday, July 1st, 2021 AT 10:19 AM (Merged)
Tiny
LEONARD JERRY NAGENGAST
  • MEMBER
  • 11 POSTS
Will do, thanks.
Was this
answer
helpful?
Yes
No
Thursday, July 1st, 2021 AT 10:19 AM (Merged)
Tiny
KEN L
  • MASTER CERTIFIED MECHANIC
  • 55,291 POSTS
STEVE W is one of our best! Let us know what happens and please upload pictures or videos of the problem.
Was this
answer
helpful?
Yes
No
Thursday, July 1st, 2021 AT 10:19 AM (Merged)
Tiny
LEONARD JERRY NAGENGAST
  • MEMBER
  • 11 POSTS
Hi Steve. I disconnected the alarm. Cut the wires to inside firewall. Just by chance and for no reason, I separated female/male connector. Noticed one connector had over heated melting plastic. I cleaned both parts. Put together, car starts and of course no alarm without horn present. Am I done or do I need to still find brain of aftermarket anti theft and disconnect?
Was this
answer
helpful?
Yes
No
Thursday, July 1st, 2021 AT 10:19 AM (Merged)
Tiny
STEVE W.
  • MECHANIC
  • 15,671 POSTS
I would still find it and be sure what is and isn't connected. Don't want to be out in the middle of a storm and have a loose wire or some odd thing happen because the module suddenly decides to short out. As for the melted connection, was it the large block connector? If so those cause issues like that when they melt.
Was this
answer
helpful?
Yes
No
Thursday, July 1st, 2021 AT 10:19 AM (Merged)
Tiny
LEONARD JERRY NAGENGAST
  • MEMBER
  • 11 POSTS
I believe the anti theft system was added because of the custom radio installed. I'm having trouble finding the "brain" of system location. Ideas where to look?
Was this
answer
helpful?
Yes
No
Thursday, July 1st, 2021 AT 10:19 AM (Merged)
Tiny
LEONARD JERRY NAGENGAST
  • MEMBER
  • 11 POSTS
Also, attached is picture of connector that had single wire melt down in it. This connector located in lower left front corner below dash. Close to floor in proximity.
Was this
answer
helpful?
Yes
No
Thursday, July 1st, 2021 AT 10:19 AM (Merged)
Tiny
STEVE W.
  • MECHANIC
  • 15,671 POSTS
Depending on the system they used it could be almost anywhere, the common locations are up under the drivers side dash or some were under the hood. Really depends on the installers desire. However if it's running OK it's not a huge priority. If it acts up then dig it out. Probably the easiest way to find it would be to pick a couple of the wires from say the ignition switch or power feeds and then trace them, look for any splices or connectors to different colored wires and follow them. For that vintage the control box is likely about the size of a VHS tape, but if it's newer it could go down to a deck of cards sized box, usually they have one or two connectors on them.
Was this
answer
helpful?
Yes
No
Thursday, July 1st, 2021 AT 10:19 AM (Merged)
Tiny
MICHELE BALTIERRA
  • MEMBER
  • 1 POST
  • 2002 CHEVROLET CAVALIER
  • 189,000 MILES
Car will not start. Checked pump with a battery it started to run then started car will jacked up with its battery still in it. It ran before the anti theft came on then car would not turn over until I did the battery thing to check the pump. How do I dis arm anti theft problem?
Was this
answer
helpful?
Yes
No
Thursday, July 1st, 2021 AT 10:20 AM (Merged)
Tiny
WRENCHTECH
  • MECHANIC
  • 20,761 POSTS
You can try the relearn procedure.

Pass-lock ten minute relearn

Auto relearn
Time required, approximately ten minutes:

1. Insure that the battery is fully charged.
2. Use the scan tool in order to clear the DTCs.
3. Turn the ignition switch from the "off" position to the "crank" position attempting to start the vehicle. The vehicle will start and then stall.
4. Leave the ignition switch in the "on" position while observing the security indicator.
5. When the security indicator turns off, which can take up to ten minutes, turn the ignition switch off. Wait ten seconds.
6. The BCM and the PCM will learn the new code on the next start attempt.

In some cases this procedure has to be repeated three times in a row without interruption.
Was this
answer
helpful?
Yes
No
+1
Thursday, July 1st, 2021 AT 10:20 AM (Merged)
Tiny
DAVE222
  • MEMBER
  • 1 POST
  • 2002 CHEVROLET CAVALIER
  • 4 CYL
  • FWD
  • AUTOMATIC
  • 115,000 MILES
My car got broken into and somebody tore out the ignition tumbler which activated the anti theft that came with the car. So I went to the gm dealer, the one I had bought the car from, and bought a new tumbler and key.I installed the tumbler and it seem to click into the ign. Housing even though because of the damage it fits a little loose, plugged it in and it turned over fine but wouldnt start. The anti-theft was blinking. Before I installed the tumbler I had the battry diconnected for 24 hr, s I have work monday and no way to get the car anywhere is there anyway to bypass that anti theft system so I can start my car.I have no way to send a donation over the computer. But I do need the help.
Was this
answer
helpful?
Yes
No
Thursday, July 1st, 2021 AT 10:21 AM (Merged)
Tiny
MMPRINCE4000
  • MECHANIC
  • 8,548 POSTS
Check your owners manual for anti-theft reset but generally:

GM PASS LOCK RELEARN- Ignition to "run" position, try to start and let key return to "run" position
Approx ten minutes security light will go off
Turn key "off" and wait 5 seconds
Repeat 2 more times for a total of 3 relearns.
Turn key off, then start it
Was this
answer
helpful?
Yes
No
Thursday, July 1st, 2021 AT 10:21 AM (Merged)
Tiny
DEAN2MERCER
  • MEMBER
  • 1 POST
  • 2002 CHEVROLET CAVALIER
  • 4 CYL
  • FWD
  • AUTOMATIC
  • 114,000 MILES
My theft system and service lights come on every other time I start the car. My ignition switch is hard to work sometimes and I suspect this is causing the problem. How do you replace the ignition switch? Thank you in addvance dean
Was this
answer
helpful?
Yes
No
Thursday, July 1st, 2021 AT 10:22 AM (Merged)
Tiny
WRENCHTECH
  • MECHANIC
  • 20,761 POSTS
This article has been updated with bulletin, 01-02-35-010

Ignition Lock Cylinder Replacement -On Vehicle (With Key)

Removal Procedure

Caution: Refer to Battery Disconnect Caution in Service Precautions.

1. Disconnect the negative battery cable.

Caution: Refer to SIR Caution in Service Precautions.

2. Disable the Supplemental Inflatable Restraint (SIR) system.
3. Remove the steering column trim covers.

4. Turn the ignition lock cylinder (1) to the RUN position.

5. Push the locking button (2) on the rear of the housing assembly (1).
6. Remove the ignition lock cylinder by pulling outward from the steering column.

7. Disconnect the electrical connector (3) from the ignition lock cylinder (1).

Installation Procedure

1. Connect the electrical connector (3) to the ignition lock cylinder (1).

2. Insert the ignition lock cylinder into the housing assembly (1) while rotating the key approximately 5 degrees counter - clockwise.
3. Install the steering column trim covers.
4. Enable the SIR system.
5. Connect the negative battery cable.
6. Perform the Passlock Learn Procedure.

IMPORTANT: Due to component variability, the vehicle theft deterrent (VTD) system must have the learn procedure performed regardless, even if the vehicle starts on the first ignition cycle after a VTD repair. All codes in the theft deterrent module must be cleared for a relearn.

If you replace the ignition lock cylinder, the system will enter the long tamper mode. If the system enters the long tamper mode, ensure that the system completes a long tamper mode cycle. During the long tamper mode cycle, the THEFT indicator will flash for the full 10 minutes. The instrument cluster and the PCM require the full 10 minutes in order to complete the learn cycle. Ensure that the ignition switch remains in RUN until the indicator stops flashing. If you turn the ignition switch before the indicator stops flashing, ensure that you repeat the long tamper cycle from the beginning.
Was this
answer
helpful?
Yes
No
Thursday, July 1st, 2021 AT 10:22 AM (Merged)

Please login or register to post a reply.