Air Conditioner not working?

Tiny
MICKER11
  • MEMBER
  • 8 POSTS
The a/c is automatic I will have to reconnect the gauges to give exact pressure readings but the compressor is not disengaging at high rpms it is running full time even when I am driving down the road( I suspect that it has something to do with the door that switches from heat to cool maybe?) Thanks
Was this
answer
helpful?
Yes
No
Thursday, July 16th, 2020 AT 10:07 AM (Merged)
Tiny
RACEFAN966
  • MECHANIC
  • 5,029 POSTS
I suspect one of the ambient temp sensors but before we go to checking that I would like the A/C guage readings on the high and low side. Provide the outside air temp at the time you check it ok. Thanks.
Was this
answer
helpful?
Yes
No
Thursday, July 16th, 2020 AT 10:07 AM (Merged)
Tiny
MICKER11
  • MEMBER
  • 8 POSTS
Ambient temp is 93f gauge pressures are 240 high side 47 low side
Was this
answer
helpful?
Yes
No
Thursday, July 16th, 2020 AT 10:07 AM (Merged)
Tiny
RACEFAN966
  • MECHANIC
  • 5,029 POSTS
Ok first thing is the pressure is not correct at that temp. At 93 deg it should be low 29-37 and high 337 to 374. So I would say you are low on freon so lets get it full first and then go from there. I would say maybe one can.
Was this
answer
helpful?
Yes
No
Thursday, July 16th, 2020 AT 10:07 AM (Merged)
Tiny
MICKER11
  • MEMBER
  • 8 POSTS
Ok I added about 1/2 to 3/4 can low side 37 high side 350 I checked 1 more thing. The temp of the air at the panel inside is 70 degrees at idle. When I rev the engine and hold it at 3000 rpm for a couple of minutes the air temp is 134 f. The receiver dryer is cold and dripping condensation
Was this
answer
helpful?
Yes
No
Thursday, July 16th, 2020 AT 10:07 AM (Merged)
Tiny
RACEFAN966
  • MECHANIC
  • 5,029 POSTS
Ok so do you have a digital multi meter? I would like to check a couple of temp sensors.
Was this
answer
helpful?
Yes
No
Thursday, July 16th, 2020 AT 10:07 AM (Merged)
Tiny
MICKER11
  • MEMBER
  • 8 POSTS
Sorry for the delay in the response. My meter seemed to be broken. I went into town and bought another one. Ready for the next tests thanks
Was this
answer
helpful?
Yes
No
Thursday, July 16th, 2020 AT 10:07 AM (Merged)
Tiny
RACEFAN966
  • MECHANIC
  • 5,029 POSTS
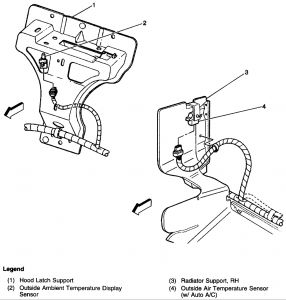
On the right side (passenger) of the radiator support there is the outside ambient temp sensor. You need to look for two wires DK Green with a white stripe and a black wire. Now with you meter simply unplug it and ohm the sensor. Now get back to me with the ohms and the air temp at the time you check it ok. We will go from there.
Was this
answer
helpful?
Yes
No
Thursday, July 16th, 2020 AT 10:07 AM (Merged)
Tiny
MICKER11
  • MEMBER
  • 8 POSTS
I located a small black box looking item mounted to the bottom of the radiator support 2 wires to it I assume that I found the right part. Has a yellow and black wire running to it (maybe the wire is faded?) The reading to it is 998 with the ohm meter set at 2000 ohm setting. The outside temp is 80 degrees thanks
Was this
answer
helpful?
Yes
No
Thursday, July 16th, 2020 AT 10:07 AM (Merged)
Tiny
RACEFAN966
  • MECHANIC
  • 5,029 POSTS
Ok if that was the ambient temp sensor then it way out of spec. Now I have included a pic of where it is and what it should look like just to be sure.

Location


https://www.2carpros.com/forum/automotive_pictures/249564_Outside_Temp_Sensors_2.jpg



Sensor


https://www.2carpros.com/forum/automotive_pictures/249564_276571_1.jpg

Was this
answer
helpful?
Yes
No
Thursday, July 16th, 2020 AT 10:07 AM (Merged)
Tiny
MICKER11
  • MEMBER
  • 8 POSTS
Thanks for the pic I had tested the wrong part. The sensor gave no reading on the 200 or 2k settings. On the 20k setting it gave a reading of 7.36 at 90 degrees im sure I tested the right part this time (green and black wire running to it) thanks
Was this
answer
helpful?
Yes
No
Thursday, July 16th, 2020 AT 10:07 AM (Merged)
Tiny
RACEFAN966
  • MECHANIC
  • 5,029 POSTS
Ok at that temp it should read about 3900 ohms so it looks like that sensor is no good. When you tested it you just unplugged it and ohmed the sensor not the wire harness? If that is correct then it is bad. These are available at you local parts stores so there is no need to go to the dealer unless there price is better. Let me know how it goes.
Was this
answer
helpful?
Yes
No
Thursday, July 16th, 2020 AT 10:07 AM (Merged)
Tiny
MICKER11
  • MEMBER
  • 8 POSTS
Sorry for the delay in getting back to you I live 30 miles out of town went in to order the part they sent the wrong one. I have the right one now installed it. Same problem. I ohmed the sensor and it reads the same as the old one (within a few ohms ) I noticed that it also senses for the outside temp reading on the mirror ( when I unplug it and turn on the key the thermometer doesnt work. It is reading the correct outside temp (presently 93 degrees). Thanks
Was this
answer
helpful?
Yes
No
Thursday, July 16th, 2020 AT 10:07 AM (Merged)
Tiny
RACEFAN966
  • MECHANIC
  • 5,029 POSTS
Ok do you know where any of the inside temp sensors are? This is crazy according to the readings you gave that should have been it. Anyway lets move on and see what we can find.
Was this
answer
helpful?
Yes
No
Thursday, July 16th, 2020 AT 10:07 AM (Merged)
Tiny
DOCFIXIT
  • MECHANIC
  • 18,828 POSTS
Have you tried using in manual mode? Does A/C stay cool
Was this
answer
helpful?
Yes
No
Thursday, July 16th, 2020 AT 10:07 AM (Merged)

Please login or register to post a reply.