Thursday, January 6th, 2022 AT 9:54 PM
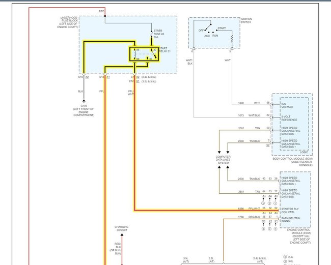
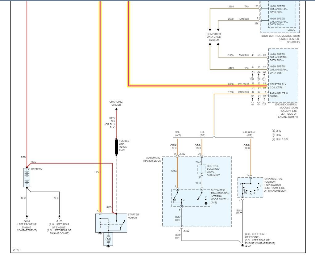
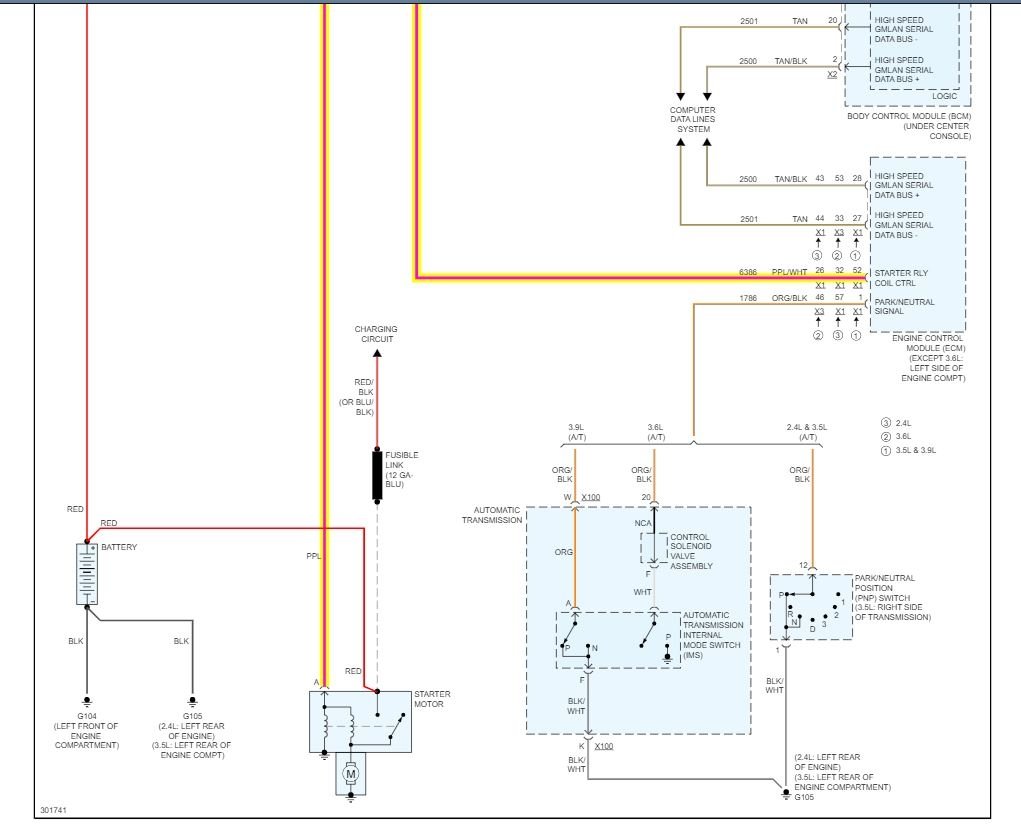
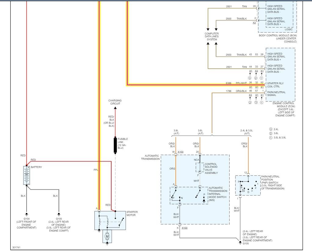
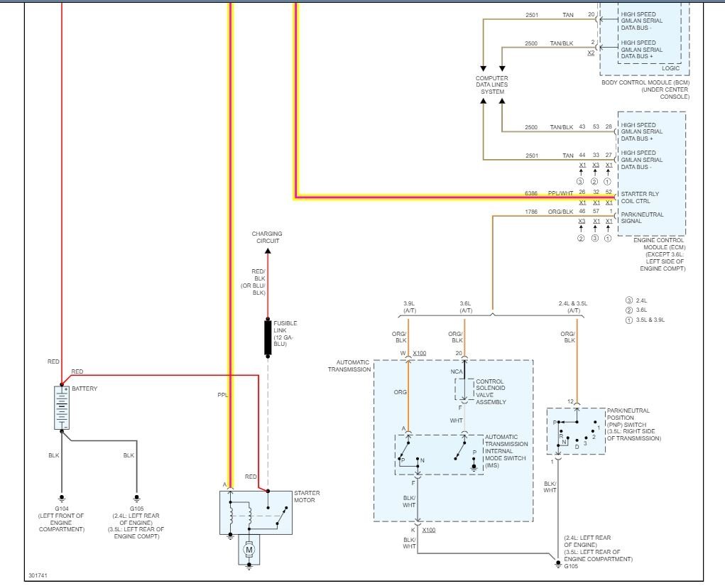
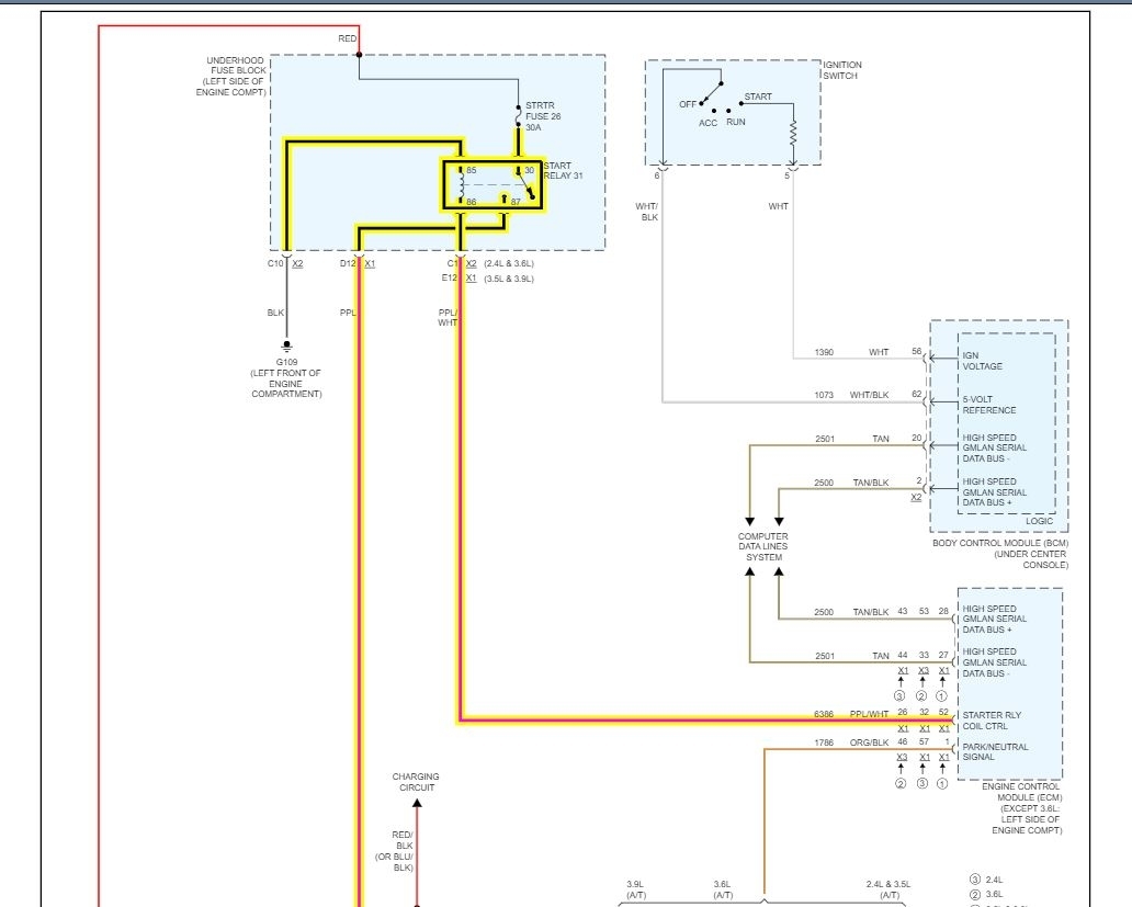
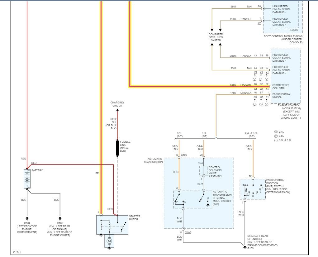
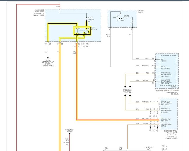
Every time I want to start my car, I have to disconnect the negative terminal and reconnect it. Otherwise, all of the lights will turn on, but the car will not start. I've recently had the starter replaced and everything was working fine up until this point. Any way I can fix the issue, so I don't have to keep disconnecting and reconnecting my battery just to start my car?



