**The car did have an alarm (Python650) installed when the problem occurred. The alarm was working fine but several people pointed to it being an issue, so it has since been removed. All associated wires, relays, triggers, sensors and modules have been removed. The factory harness has been restored to the original connections-however the same problem persists.
The problem: the car will crank quite strongly, but the fuel pump is not priming. (The pump works when jumped via +12v test)
Battery is on a tender and healthy, but just in case I brought it to AutoZone for a load test, which it passed.
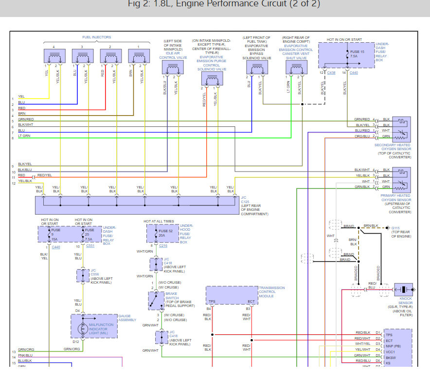
The main relay (PGM-FI) is not clicking in any position on the key/ignition switch however the main relay is working outside of the car when bench tested. (I have since replaced it with two new main relays but neither worked)
All related fuses have been checked for continuity (and all visible fuses in general) Fuse under hood -FI E/M 15A, not blown, has continuity. Fuse drivers kick panel - FUEL PUMP (SRS UNIT) 15A, not blown, has continuity.
Plugged in laptop to the ECU via USB (hondata) and it reads driver offline so its not working or seeing the ECU/ECM.
Next, I removed the Hondata OB1ECU (P30) w/conversion harness and plugged in the OBD2A ECU (P73) from the original B18C(motor) swap. The same issue still persists, car cranks - won't start - no fuel pressure.
Next, I checked the Clutch Interlock switch. When the clutch is pressed and the key is switched, the car will try to start it, it cranks quite well, but it won't start. When the clutch is let out and key is switched on, the car goes limp. The switch works and I don't think it's related to this issue.
Test fuel pump with (+) jump on yellow green wire at fuel pump. - Good pressure builds to 57PSI.
Test fuel pump with (+) jump on yellow green wire at main relay. - Good pressure builds to 57PSI.
Test ECM (PIn 11 +25 yellow/black wires, IGP1 + IGP2. No power to either)
Main relay still does not click on ACI and ACII positions.
Check Ignition Switch
white wire = 12v+ constant
white/black wire =12v+ accessory switch to position 1
yellow wire = 12v+ accessory switch to position 2
black/yellow wire = 12v+ accessory switch to position 2
When trying to start the car the check engine light illuminates but does not go out.
I have a multimeter and the tools, but I'm not sure how to diagnose from here.
Sunday, October 9th, 2022 AT 3:46 AM









