Car will not start

Tiny
FLO WHEELER
  • MEMBER
  • 2012 KIA OPTIMA
  • 2.4L
  • 4 CYL
  • AUTOMATIC
  • 98,000 MILES
I replaced my starter and the battery, and my car still won’t start. It’s not making any noise. The lights are working fine.
Thursday, June 23rd, 2022 AT 11:49 AM

1 Reply

Tiny
JACOBANDNICKOLAS
  • MECHANIC
  • 110,192 POSTS
Hi,

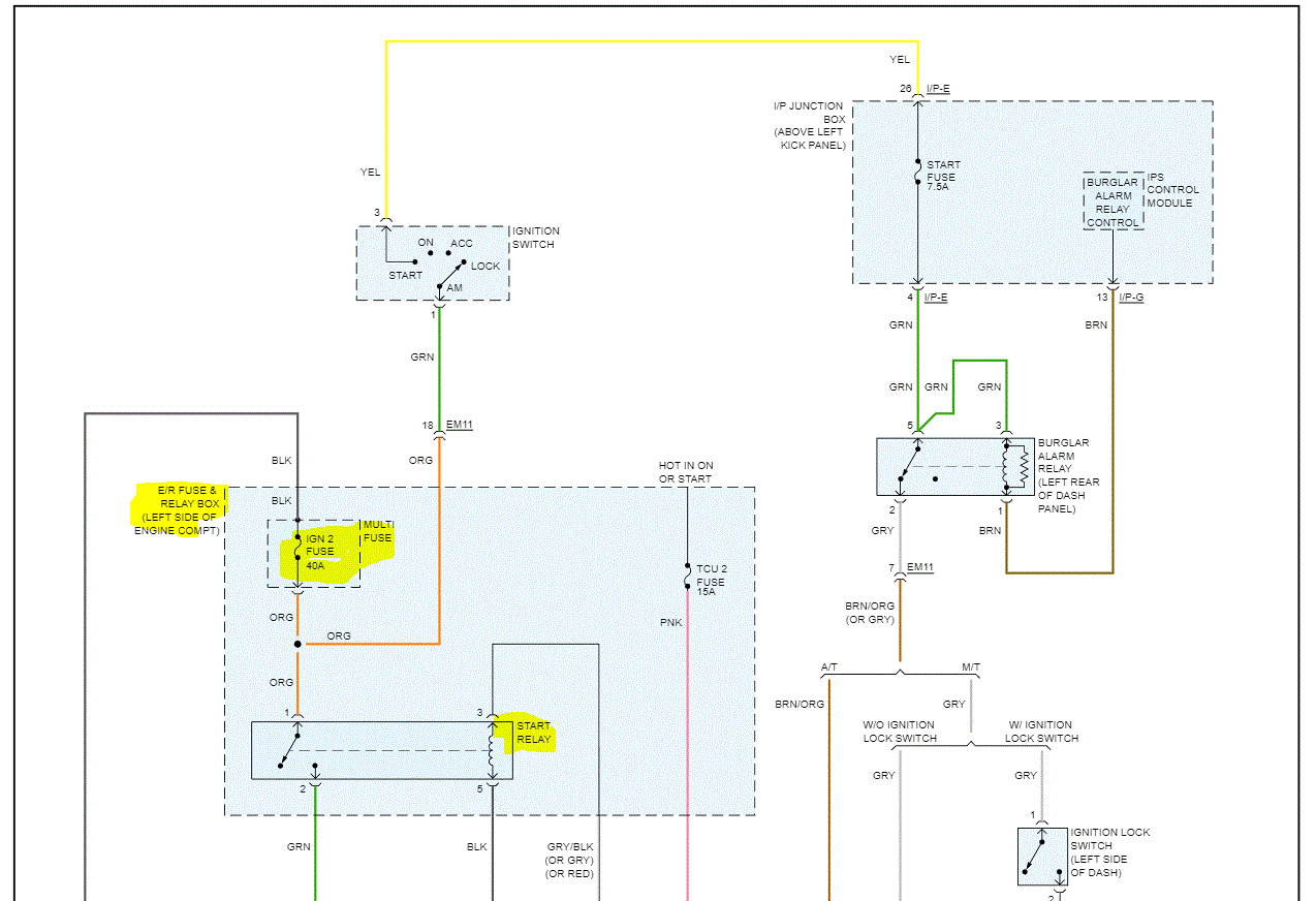
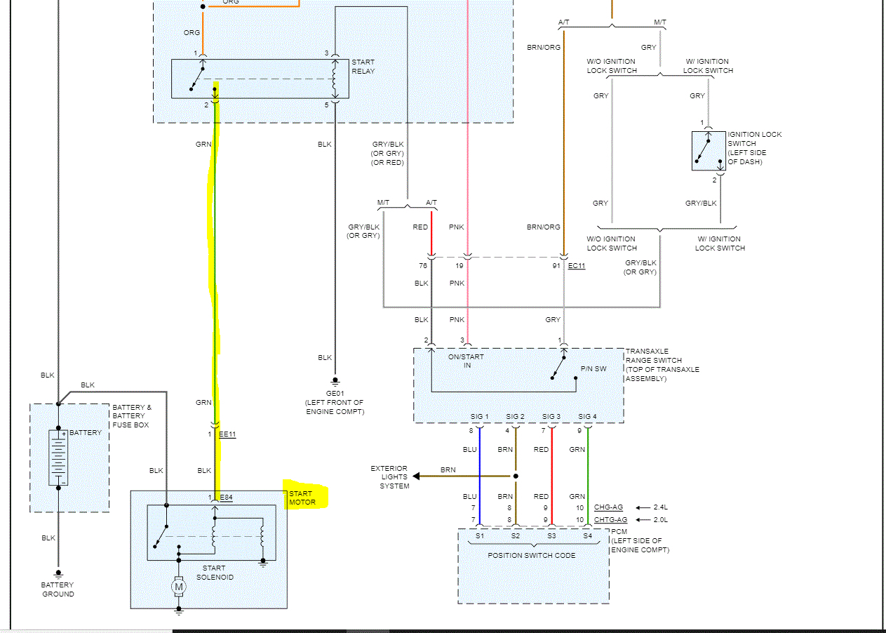
When you turn the key to start and nothing happens, the first thing we need to do is check for power at the starter motor. But before that, see if it starts after shifting the transmission into neutral.

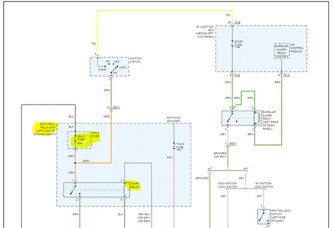
First, check the ignition 2 fuse in the under-hood fuse box. When you check this, first make sure it is good. Then, it is important to confirm it has power to and from it. Here is a link to help:

https://www.2carpros.com/articles/how-to-check-a-car-fuse

If the fuse is good, I need you to check the start fuse in the instrument panel fuse box. Do the same when checking.

If both fuses are good and have power, I need you to locate the starter relay in the under-hood fuse box. Switch it with another relay having the same part number. If there isn't one, here is a link that explains how to test one:

https://www.2carpros.com/articles/how-to-check-an-electrical-relay-and-wiring-control-circuit

I attached the wiring schematic for the starting circuit for your reference. The last two pics show the fuse locations and the starter relay.

Let me know what you find or if you have other questions.

Take care,

Joe

See pics below.
Was this
answer
helpful?
Yes
No
Thursday, June 23rd, 2022 AT 10:09 PM

Please login or register to post a reply.