My engine will not crank over why?

Tiny
KATHY
  • MEMBER
  • 2008 SATURN VUE
  • 6.5L
  • 6 CYL
  • FWD
  • AUTOMATIC
  • 120,000 MILES
Tried to start my car and got nothing, no click, nothing. Night before I had trouble starting it, it was I guess sluggish but finally caught and ran fine. I put a new battery in still same nothing. Interior lights, radio, etc come on. I can hear a low sort of whining sound when I turn the key but nothing else. Any ideas?
Tuesday, August 15th, 2017 AT 4:10 PM

44 Replies

Tiny
STEVE W.
  • MECHANIC
  • 15,676 POSTS
This sounds like the starter is having problems or the battery needs to be load tested these guides can help us fix it.

https://www.2carpros.com/articles/starter-not-working-repair

and

https://www.2carpros.com/articles/car-battery-load-test

Please run down these guides and report back. My first thought is a failed starter or you have a bad battery cable that feeds the starter. Both would exhibit those symptoms and still leave the interior alone as they are fed from a different circuit. I would start by cleaning the battery connections on the cables at both ends. Pay close attention to the cables where the terminals attach, I have had more than a few that looked fine but the cables were corroded inside.
Was this
answer
helpful?
Yes
No
-1
Tuesday, August 15th, 2017 AT 4:29 PM
Tiny
RUBBER999
  • MEMBER
  • 2 POSTS
  • 2007 SATURN VUE
  • 3.5L
  • AWD
  • AUTOMATIC
  • 193,063 MILES
I went to start after sitting for 2 weeks car turned over about half a turn or less. It seemed like a low battery I changed battery and starter car still does the same. I, m at a loss trying to figure out what is wrong with it I tried to read computer input but when I changed the battery I lost all info. Please help if you have any idea what is wrong. Thanks Ray
Was this
answer
helpful?
Yes
No
Tuesday, February 9th, 2021 AT 10:35 AM (Merged)
Tiny
CARADIODOC
  • MECHANIC
  • 34,463 POSTS
First, you must be aware that in the '90s, the industry standard was that a good, fully-charged battery would be able to crank the engine fast enough to start after sitting for three weeks. That was due to the drain from the numerous computer memory circuits. Since then, cars have had many more computers hung onto every concealable part of our cars, so it's unlikely that three weeks is still relevant. What you should have started with was charging the battery at a slow rate for at least an hour. Now that you have a different battery installed, (and you didn't say it was a new one), it sounds like it too is not fully-charged.

Measure the battery's voltage. If it's good and fully-charged, it will be 12.6 volts. If it's good but totally discharged, it will read close to 12.2 volts.
Was this
answer
helpful?
Yes
No
Tuesday, February 9th, 2021 AT 10:35 AM (Merged)
Tiny
RUBBER999
  • MEMBER
  • 2 POSTS
I had the battery fully charged that
I put in. And the battery that was in it
before had good readings. I have ruled the battery out.
Was this
answer
helpful?
Yes
No
Tuesday, February 9th, 2021 AT 10:35 AM (Merged)
Tiny
CARADIODOC
  • MECHANIC
  • 34,463 POSTS
Next, turn on the head lights so current is trying to flow, then measure the battery's voltage again, right on the posts if you have top posts, otherwise, you'll have to skip right to the side post bolt heads. Please tell me what you find for voltage. If you have top posts, now move the meter probes to the cable clamps and measure again. You should find exactly the same voltage.

If you have side posts, we'll have to skip over part of the tests and go right to the starter. Put one meter probe right on the large stud on the starter that the battery cable is bolted to, and the other meter probe on an unpainted surface on the engine block. You'll find full battery voltage at first, but I'm interested in the voltage you find when a helper tries to crank the engine. During normal cranking, that voltage must stay above 9.6 volts. When you have a cable or connection problem, you're going to find considerably lower voltage.

Another clue to a bad cable or connection is the head lights or interior lights will get real dim during cranking.
Was this
answer
helpful?
Yes
No
Tuesday, February 9th, 2021 AT 10:35 AM (Merged)
Tiny
CHEEKS
  • MEMBER
  • 14 POSTS
  • 2007 SATURN VUE
  • 78,000 MILES
Hi I have a 2007 saturm VUE my problem is if I dont start it up within 12 to 18 hrs it wouldn"t start something drain my car battery so that I got to get a jump but as long as I start it up and drive it within 12 hrs its ok but anything longer then 12 hrs without start it & drive it it wouldn"t start what cause this problem
Was this
answer
helpful?
Yes
No
Tuesday, February 9th, 2021 AT 10:35 AM (Merged)
Tiny
RASMATAZ
  • MECHANIC
  • 75,992 POSTS
Get a battery drain test-sounds like something is draining the battery overnite
Was this
answer
helpful?
Yes
No
Tuesday, February 9th, 2021 AT 10:35 AM (Merged)
Tiny
CHEEKS
  • MEMBER
  • 14 POSTS
Yes I done put in three different brand new battery went to three different place had my altornator starter evrything check and everthing comes up perfert buy what can b drain the battery
Was this
answer
helpful?
Yes
No
Tuesday, February 9th, 2021 AT 10:35 AM (Merged)
Tiny
SATURNTECH9
  • MECHANIC
  • 30,869 POSTS
Just to add to this one you have to get whats called a parstic draw test it will see what the draw on the battery is with everything turned off. Then you have to start pulling fuses to narrow down what circuit the draw is on.I have seen dome lights map lights cargo lights even window switches causing drained batterys. First you have to find the circuit its on then start unplugging things on the circuit to find the drain. Sometimes the drains are easy to find other times there very hard to find.
Was this
answer
helpful?
Yes
No
Tuesday, February 9th, 2021 AT 10:35 AM (Merged)
Tiny
LEONSBE
  • MEMBER
  • 1 POST
  • 2007 SATURN VUE
  • 2.2L
  • 4 CYL
  • AUTOMATIC
  • 17,000 MILES
I thought my battery was bad because it barely turned over then clicked and then nothing. So I put a brand new battery in yesterday and the same thing happened all lights are bright but just wont turn over.
Was this
answer
helpful?
Yes
No
Tuesday, February 9th, 2021 AT 10:35 AM (Merged)
Tiny
KEN L
  • MASTER CERTIFIED MECHANIC
  • 55,291 POSTS
It sounds like the starter motor has gone bad. I would go over this guide to be sure and if so get a AC Delco unit. Check for power at the trigger wire.

https://www.2carpros.com/articles/starter-not-working-repair

Here is a guide to help you step by step with instructions in the diagrams below to show you how on your car:

https://www.2carpros.com/articles/how-to-replace-a-starter-motor

Check out the diagrams (below). Let us know what happens and please upload pictures or videos of the problem.
Was this
answer
helpful?
Yes
No
Tuesday, February 9th, 2021 AT 10:35 AM (Merged)
Tiny
MIKEFRESH911
  • MEMBER
  • 1 POST
  • 2006 SATURN VUE
  • 3.5L
  • V6
  • 2WD
  • AUTOMATIC
  • 135,000 MILES
I first thought it was alternator and replaced it but it was not the problem. A wire from starter to alternator burnt so replace wire but after doing so battery will not charge car and jumping it only revs it. It wont turn over.
Was this
answer
helpful?
Yes
No
Tuesday, February 9th, 2021 AT 10:35 AM (Merged)
Tiny
KEN L
  • MASTER CERTIFIED MECHANIC
  • 55,291 POSTS
Hello,

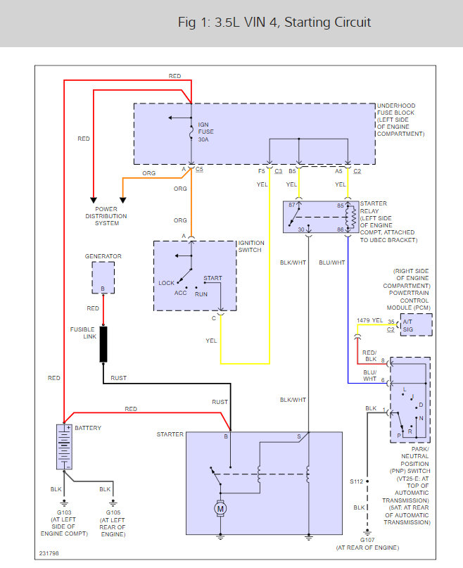
There is a starter relay that needs to be checked. Here is a guide to help and the location of the relay as well as the starter wiring diagrams so you can see how the system works:

https://www.2carpros.com/articles/how-to-check-an-electrical-relay-and-wiring-control-circuit

Starter relay - left side of engine compartment, attached to UBEC bracket.

This guide can help as well:

https://www.2carpros.com/articles/starter-not-working-repair

Check out the diagrams (below). Please run some tests and get back to us.

Cheers, Ken
Was this
answer
helpful?
Yes
No
Tuesday, February 9th, 2021 AT 10:35 AM (Merged)
Tiny
CLINTCOSTON
  • MEMBER
  • 32 POSTS
  • 2005 SATURN VUE
  • 160,000 MILES
The engine turns over but will not crank. Was riding down the road and lost all power. I can hear the fuel pump engage and I have pressure at the fuel tray I pulled one of the spark plugs out with the coil pack and I am getting fire at the plug. Im at wits end lol
Was this
answer
helpful?
Yes
No
Tuesday, February 9th, 2021 AT 10:36 AM (Merged)
Tiny
SATURNTECH9
  • MECHANIC
  • 30,869 POSTS
Did you lose all power or did the engine just shut off and won't start?Any codes in the computer?
Was this
answer
helpful?
Yes
No
+8
Tuesday, February 9th, 2021 AT 10:36 AM (Merged)
Tiny
CLINTCOSTON
  • MEMBER
  • 32 POSTS
My wife was driving. She said it was like it lost all power. I don't have a diagnostic machine and it won't crank so I can't take it to someone. When I spray a little starting fluid in the throttle body it will crank for a second then shut off
Was this
answer
helpful?
Yes
No
+3
Tuesday, February 9th, 2021 AT 10:36 AM (Merged)
Tiny
SATURNTECH9
  • MECHANIC
  • 30,869 POSTS
Is the security light on solid or flashing when trying to start it or with the key in the run position?
Was this
answer
helpful?
Yes
No
+7
Tuesday, February 9th, 2021 AT 10:36 AM (Merged)
Tiny
CLINTCOSTON
  • MEMBER
  • 32 POSTS
It comes on solid and then goes off. Like it always has
Was this
answer
helpful?
Yes
No
+1
Tuesday, February 9th, 2021 AT 10:36 AM (Merged)
Tiny
SATURNTECH9
  • MECHANIC
  • 30,869 POSTS
What is the actual fuel pressure at the fuel rail?
Was this
answer
helpful?
Yes
No
-1
Tuesday, February 9th, 2021 AT 10:36 AM (Merged)
Tiny
CLINTCOSTON
  • MEMBER
  • 32 POSTS
I am having to back yard it and not having a fuel pressure gauge on hand I can tell you that when I press the shrader valve on the fuel tray I'm get a two to three inch spray
Was this
answer
helpful?
Yes
No
Tuesday, February 9th, 2021 AT 10:36 AM (Merged)

Please login or register to post a reply.