Will not start

2008 MINI COOPER
102,000 MILES • 1.6L • 4 CYL • 2WD • MANUAL
Avatar
MIKE FITZGERALD4
  • MEMBER
  • 3 POSTS
I was given this car because it stopped running and the previous owner didn’t want to mess with it. Prior to not starting, he said it was running well. The car cranks but doesn’t start. I sent the DME to G7 computers and the y said I had a software problem and they reprogrammed. Upon placing the DME back in the vehicle, I have no voltage to the ignition coils, whereas I did prior to reprogramming the DME. I have power to the fuse and the relay before the ignition coil and it’s grounded. Any help is much appreciated.
Aug 16, 2021 at 5:35 PM
Advertisement
Repair Safety Notice: This information is for general instructional purposes only. Vehicle repair can be dangerous. Verify all information, follow manufacturer service procedures, use proper tools and safety equipment, and consult a qualified repair shop when needed.
Avatar
JACOBANDNICKOLAS
  • AUTOMOTIVE REPAIR CONTRIBUTOR
  • 110,190 POSTS
Hi,

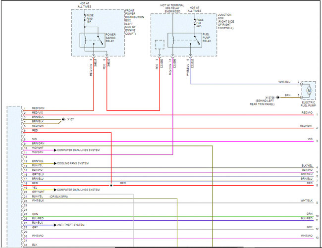
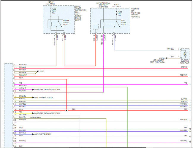
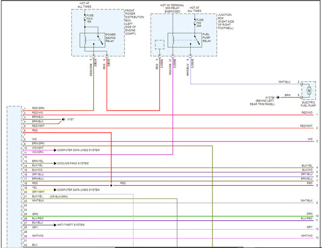
I attached the wiring schematic for the powertrain management system. I highlighted all wires going to the coils. Before you start checking the wiring between the coils and DME, have you checked the overload protection relay? See pic 1 below.

If you haven't, switch it with a different relay having the same part number or here is a link showing how to test one:

https://www.2carpros.com/articles/how-to-check-an-electrical-relay-and-wiring-control-circuit

Next, using a live data scan tool, see if there is an RPM signal when cranking. If there isn't, check the crankshaft position sensor connector.

If everything checks good, go to the DME and check the terminal connector for pushed-in pins, bent ones, or anything that could prevent a good connection. If that checks good, you need to go to the DME and check for a signal to the coils right at the connector. If you don't have one, I suspect the repair/reprogramming that was done is the problem.

When checking the wiring, here is a link you may find helpful:

https://www.2carpros.com/articles/how-to-check-wiring

Let me know what you find or if you have other questions.

Take care,

Joe

See pics below. Note: I had to cut each page of the wiring schematics in half to make them readable. I did overlap them so you can follow from one to the next.
Aug 17, 2021 at 8:55 PM
Avatar
MIKE FITZGERALD4
  • MEMBER
  • 3 POSTS
Wow! Thank you for the detailed reply. I’m going to get started now and I’ll let you know what I find. Thanks again!
Aug 18, 2021 at 6:21 AM
Advertisement
Avatar
JACOBANDNICKOLAS
  • AUTOMOTIVE REPAIR CONTRIBUTOR
  • 110,190 POSTS
Hi, Mike. First, you are very welcome. I have a feeling that if this wasn't an issue prior to the DEM repair, that is going to be where the problem is coming from. However, we need to check the things I suggested first.

Please let me know if there is anything I can do to help. Also, if you have the chance, let me know what you find.

Take care,

Joe
Aug 18, 2021 at 1:27 PM
Avatar
MIKE FITZGERALD4
  • MEMBER
  • 3 POSTS
Joe,

I checked everything you told me to, it all checked out ok but today I got a new OBD2 reader that is specific to bmw/mini/rr and it shows that I have tons of codes in pretty much all systems. I’m wondering if that might be part of the problem from before the reprogramming and if I need to clear them for the car to start. I’ll try to upload some pictures of the codes later this evening.
Aug 20, 2021 at 3:29 PM
Advertisement
Avatar
JACOBANDNICKOLAS
  • AUTOMOTIVE REPAIR CONTRIBUTOR
  • 110,190 POSTS
Hi,

If it was just reprogrammed, there shouldn't be any codes. Before you try deleting them, take a pic of the codes so you have them. If deleting them makes no difference, I would contact the place that did the repair to see what they say.

Let me know.

Joe
Aug 20, 2021 at 7:37 PM