Car will not crank over

Tiny
CHOWDER63
  • MEMBER
  • 2005 NISSAN SENTRA
  • 0.8L
  • 4 CYL
  • 2WD
  • AUTOMATIC
  • 135,000 MILES
Car started acting weird about two weeks ago, turning over but you could tell it was having a hard time. So I replaced the battery and it seemed fine for a week or so. Still not great turning over with power that you would think you would get with new battery. Well, yesterday it seemed like the cranking power was at it last leg. Brought it to AutoZone and they tested the battery, alternator and starter and said all looked great and passed. I went out this morning and no cranking at all. No codes. Headlights are bright not even a click. Any ideas? Car runs great when it was running.
Wednesday, February 20th, 2019 AT 4:53 AM

1 Reply

Tiny
JACOBANDNICKOLAS
  • MECHANIC
  • 110,194 POSTS
Welcome to 2CarPros.

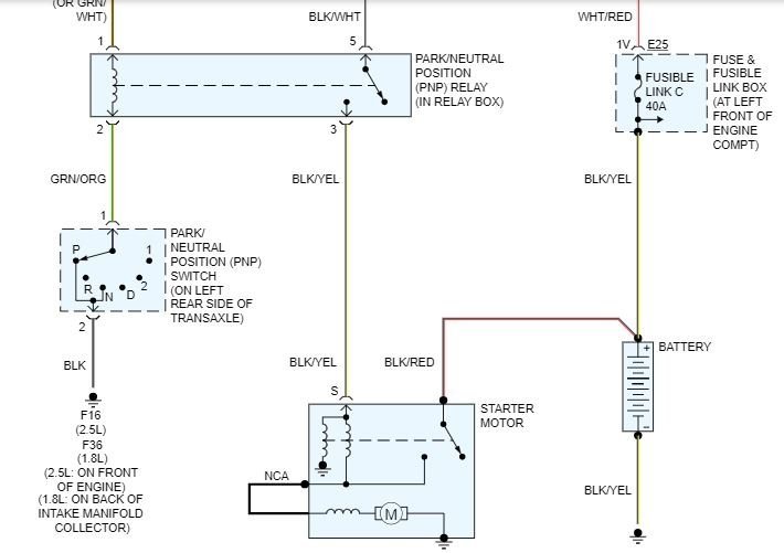
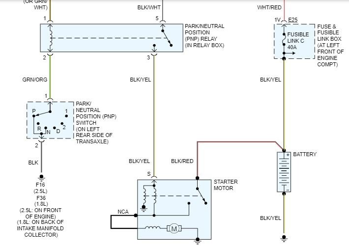
I have a feeling the starter is going bad. If it wasn't turning fast originally, it may be drawing too many amps and have finally failed. They really can't check that at AutoZone. Regardless, to eliminate a possible issue with the neutral safety switch, see if the car starts with the shifter in neutral. Also, switch the PNP relay with another one with the same part number in the relay box. See Pics 6, 7 and 8. There should be other relays in the box with the same part number, so just switch them. If you find there is no matching relay, here is a link that shows how to test one. That way you don't have to purchase one if yours isn't bad.

https://www.2carpros.com/articles/how-to-check-an-electrical-relay-and-wiring-control-circuit

If it doesn't what I would like you to do next is check a fuse for me. I attached a picture of it and its location. See pic 1. Additionally, here are a few links that may be helpful for you to check things:

https://www.2carpros.com/articles/how-a-car-fuse-works

https://www.2carpros.com/articles/how-to-check-a-car-fuse

https://www.2carpros.com/articles/how-to-use-a-test-light-circuit-tester

https://www.2carpros.com/articles/how-to-use-a-voltmeter

https://www.2carpros.com/articles/how-to-check-wiring

If the fuse is good, and may have blown if the starter is bad, I need you to check if the starter is getting power in the start position to the smaller wire on the solenoid. Here is a link that shows how that is done:

https://www.2carpros.com/articles/starter-not-working-repair

If there is power, the starter needs replaced. Here is a link that shows in general how to replace a starter.

https://www.2carpros.com/articles/how-to-replace-a-starter-motor

Here are the specific directions for replacing the starter on your vehicle. The attached pictures correlate with these directions.

PROCEDURES
Removal and Installation

Removal

Picture 2

1. Disconnect the negative battery terminal.
2. Remove the upper starter mounting bolt.
3. Remove the harness protector from the starter engine room harness.
4. Disconnect the starter harness connectors.
5. Remove the lower starter mounting bolt.
6. Remove the starter.

Picture 3
Installation
To install, reverse the removal procedure.

____________________________________________

Pictures 4 and 5 are the entire starting system schematic. I added them in case you wanted to see them.

Let me know if you have questions or need help.

Take care,

Joe
Was this
answer
helpful?
Yes
No
Wednesday, February 20th, 2019 AT 4:48 PM

Please login or register to post a reply.