Car will not turn over

Tiny
STEPHANIE HILL2
  • MEMBER
  • 1993 OLDSMOBILE ACHIEVA
  • 2.3L
  • 4 CYL
  • 2WD
  • AUTOMATIC
  • 123,467 MILES
Car tries to start but won't fire up.
Thursday, December 17th, 2020 AT 2:46 PM

4 Replies

Tiny
ASEMASTER6371
  • MECHANIC
  • 52,796 POSTS
Good evening,

Does the engine turn when you try to start or does it do nothing?

https://www.2carpros.com/articles/starter-not-working-repair

https://www.2carpros.com/articles/car-cranks-but-wont-start

If it cranks over, you need fuel pressure, compression and spark. I attached some guides for you to follow.

https://www.2carpros.com/articles/how-to-check-fuel-system-pressure-and-regulator

https://www.2carpros.com/articles/how-to-test-an-ignition-system

https://www.2carpros.com/articles/how-to-test-engine-compression

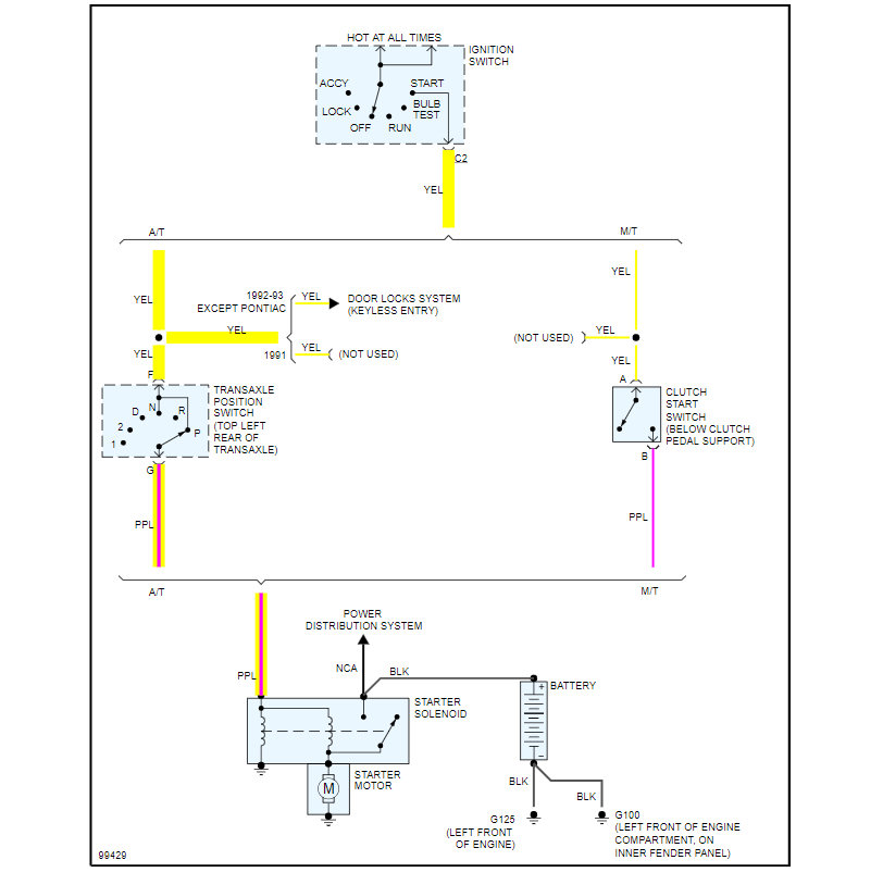
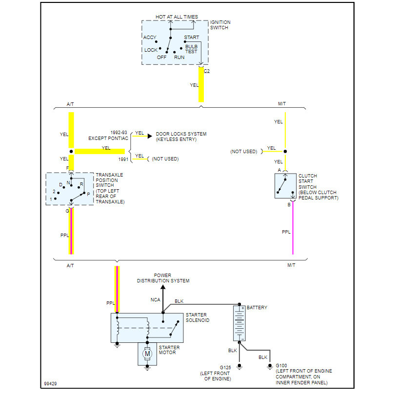
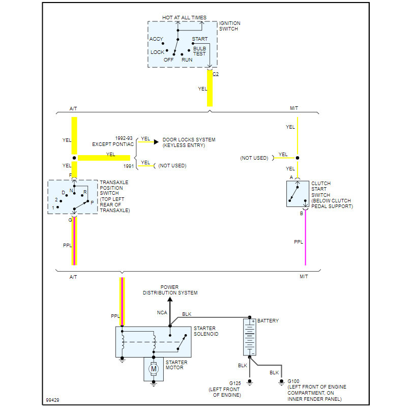
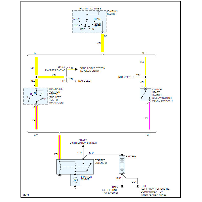
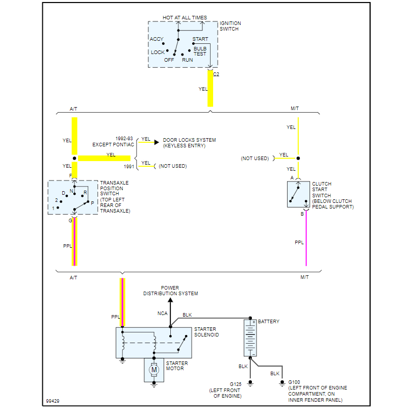
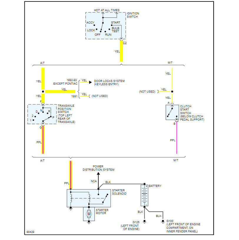
I attached a wiring diagram of the starter system as well.

https://www.2carpros.com/articles/how-to-check-wiring

Roy

REMOVAL

1. Disconnect negative battery cable.
2. Disconnect shift linkage.
3. Disconnect electrical connector.
4. Remove mounting bolts.
5. Remove switch assembly.

INSTALLATION

1. Place shift shaft in "Neutral."
2. Align flats of shift shaft with switch.
3. Install mounting bolts, loosely.
4. Insert gage pin in service adjustment hole and rotate switch until pin drops in to a depth of 9.0 mm (9/64").
5. Tighten bolts to 24 N-m (18 lbs.ft.).
Was this
answer
helpful?
Yes
No
Thursday, December 17th, 2020 AT 6:50 PM
Tiny
STEPHANIE HILL2
  • MEMBER
  • 3 POSTS
Yes it tries to start.
Was this
answer
helpful?
Yes
No
Thursday, December 17th, 2020 AT 7:00 PM
Tiny
STEPHANIE HILL2
  • MEMBER
  • 3 POSTS
It trust to turn over.
Was this
answer
helpful?
Yes
No
Thursday, December 17th, 2020 AT 7:00 PM
Tiny
ASEMASTER6371
  • MECHANIC
  • 52,796 POSTS
Okay, you need to have the fuel pressure tested and see if there is any spark.

You can rent a tester at a parts store for the testing.

FUEL PRESSURE:

Ignition "ON" Engine "OFF". 40.5 to 47.0 psi

With Regulator Vacuum Applied [1]. 3.0 to 10.0 psi Less than Ignition "ON" Engine "OFF"

REMARKS:

[1] May be checked with either of the following methods.

With Pressure Regulator Vacuum Line Attached at normal idle speed.
Ignition "ON" Engine "OFF" with 10 Inches Of Vacuum Applied To The Pressure Regulator.

Roy
Was this
answer
helpful?
Yes
No
+1
Thursday, December 17th, 2020 AT 7:06 PM

Please login or register to post a reply.