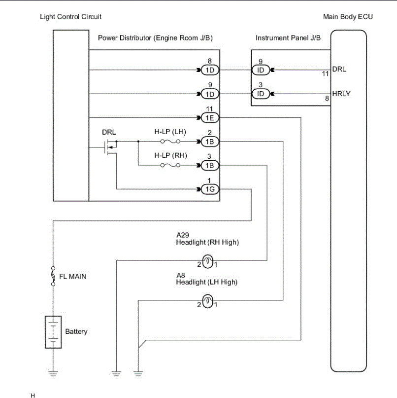
When I turn on the high beams in the car without the battery connected, the car turns off. If I have it connected without load, the voltage is about 13.8 with load and with battery it's 13.4.
So, this is the scenario: I turn on the car using a jumper then disconnect the jumper.
If I wait a minute or however long, if I turn on the high beams, the car shuts off.
Now I was arguing with my dad trying to explain to him that I know that turning on the hi beams will shut it off because I start to see the lights dim on the dashboard when I flick to turn it on.(And when I actually do turn it on, the car shuts off) So in rapid succession I flick the high beams and I un flick it fast enough so that the beams do not fully turn on. But each time I'm seeing the dashboard lights begin to shut down like the car is losing power. To show him that if I let it fully power on, the high beams will shut off the car
My dad kept insisting that the high beams shouldn't turn off the car, so while I'm flicking like four times in a row, (each time the dashboard lights are dimming in response to me flicking the high beams slightly) I gave in, and on the five try I let it fully engage the flick and the high beams came on and the car stayed on. I was so confused.
So, I turned off the beams then proceeded to turn it on, and the car shut off.
And I reproduced it.
So, my question is, why does flicking the hi beams ultimately lead to the car not turning off?
Wednesday, June 15th, 2022 AT 6:04 PM
























