Car overheats when the A/C is off?

Tiny
ROCKA
  • MEMBER
  • 1997 HONDA CRV
  • 4 CYL
  • AUTOMATIC
  • 178,000 MILES
Hello. I have replaced the radiator fan, the hoses, and the temperature coolant sensor and it is still overheating. I also checked the fuses and they all work.

Please advise.
Thank you.
Wednesday, August 9th, 2023 AT 12:23 AM

39 Replies

Tiny
BORIS K
  • MECHANIC
  • 836 POSTS
Hello,

It sounds like only the condenser (AC)fan is running or the fans only run when the A/C is switched on.

Suggest checking cooling fan fuse 57(20A) in under hood fuse block first.
Also check that you have 12V supply to the radiator fan when the AC is switched on.

See good video link below:

https://youtu.be/95CwOqLvuD8

12V should be present at the black/red wire at the 2-pin radiator fan connector.
Also check that you have a good ground connection at the black wire.
This can easily be checked while checking 12V at black/red wire.
First use battery negative to prove that 12V is present, next use the black wire, you should get the same reading on the voltmeter.
See image 1 below.

How to use a voltmeter:
https://www.2carpros.com/articles/how-to-use-a-voltmeter

The other problem might be the radiator fan switch, located at the thermostat housing, lower right rear of engine. See image 2 below.

To test if this circuit is at fault simply disconnect the connector at the fan switch and insert a bridge wire from pin to pin. See if cooling fans run.

Cheers, Boris
Was this
answer
helpful?
Yes
No
Wednesday, August 9th, 2023 AT 1:30 AM
Tiny
ROCKA
  • MEMBER
  • 22 POSTS
Thank you. I replaced a part called the IAT sensor that looks like that part in the image and no change. The car runs okay with the A/C on but when the A/C is off, it overheats.
Was this
answer
helpful?
Yes
No
Thursday, August 10th, 2023 AT 11:54 AM
Tiny
JACOBANDNICKOLAS
  • MECHANIC
  • 110,194 POSTS
Hi,

I noticed we haven't been in touch with you for a few days. Have you been able to make any progress?

I reviewed your original post. The idea that it doesn't overheat with the A/C on leads me to think the fan is running with the A/C on as it should. I have a couple of questions.

With the A/C off, does the cooling fan come on when the engine starts getting hot? Also, does it overheat if you are driving at highway speeds with the A/C off?

Let us know.

Take care,

Joe
Was this
answer
helpful?
Yes
No
Sunday, August 13th, 2023 AT 8:55 PM
Tiny
ROCKA
  • MEMBER
  • 22 POSTS
Hello. Well, none of the fans come on when the engine starts to get hot when the A/C is off. I have replaced the radiator cooling fan and the coolant sensor and still they don’t come on.

Yes, it overheats when driving at highway speed while the A/C is off.

When the A/C is off, the car overheats.

Thank you.
Was this
answer
helpful?
Yes
No
Monday, August 14th, 2023 AT 12:44 PM
Tiny
JACOBANDNICKOLAS
  • MECHANIC
  • 110,194 POSTS
Hi,

That is an odd one. I say that because you should be getting more airflow at highway speed than the fan can do.

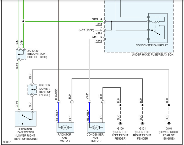
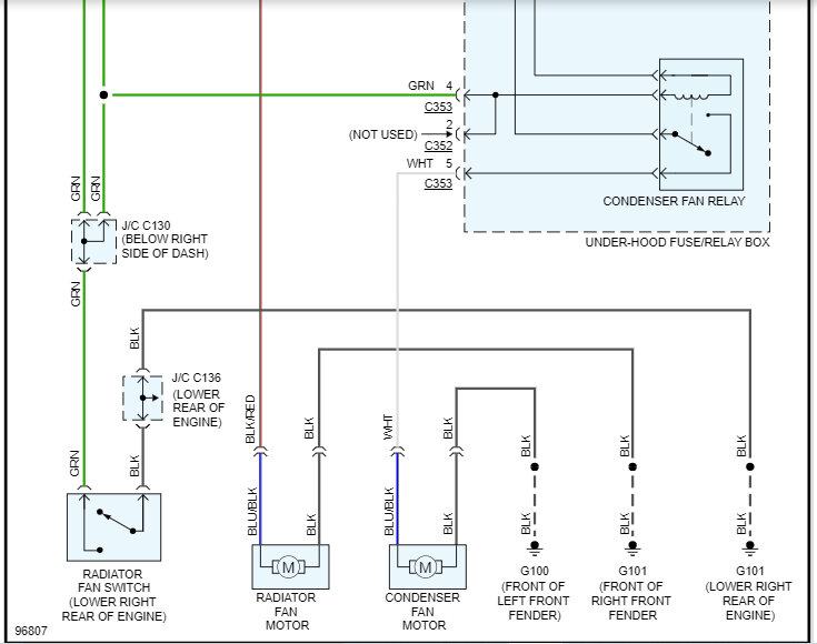
I attached the wiring schematic for the radiator cooling fans. Let me know if you have already checked the fuses and relay, I highlighted. Note: When checking the fuses, confirm there is power to them.

Here is a link you may find helpful:

https://www.2carpros.com/articles/how-to-check-a-car-fuse

Also, let me know how the relay was tested.

Take care,

Joe

See pics below.
Was this
answer
helpful?
Yes
No
Monday, August 14th, 2023 AT 10:43 PM
Tiny
ROCKA
  • MEMBER
  • 22 POSTS
Thank you for your reply. I checked the fuses and relay, and everything worked. Today, I had the car parked and started it after I installed an OBD with Bluetooth. I saw the engine coolant reach 217* degrees and I could see the idle go up but then I heard something in the car, like something started, (not sure how to describe or explain) but dad said it was the fans starting. I noticed the temperature went down. From 217* to 197* to 194*. I decided to drive the car for maybe 5-7 minutes, I still don’t trust it and the temperature did not increase.

I am not sure if the problem is fixed. It went up then down. All of this, including the driving with the A/C off.

See attached image of car temperature.
Was this
answer
helpful?
Yes
No
Thursday, August 17th, 2023 AT 9:23 PM
Tiny
JACOBANDNICKOLAS
  • MECHANIC
  • 110,194 POSTS
Hi,

That sounds like it did exactly what it is designed to do. Drive it and don't be afraid; be aware. Keep an eye on the temperature. If you notice it getting too high, find a safe place to park and allow it to cool. Hopefully, it won't.

If anything changes, let me know. Also, if you have other questions, feel free to ask away.

Take care,

Joe
Was this
answer
helpful?
Yes
No
Friday, August 18th, 2023 AT 9:08 PM
Tiny
ROCKA
  • MEMBER
  • 22 POSTS
Thank you. I have had that car for 10 years now and I have never seen the idle (temperature) go up, the fans start and then go down. That part doesn’t make sense to me. My dad’s car doesn’t do that and that’s the reason I don’t trust it. Or
Maybe I need to drive it more.

Attached is an image from last month. The car “needle” got that high and on Wednesday kind of looked like that and then the fans started. I have never seen my car idle do that and start the fans.

Thanks again Joe.
Was this
answer
helpful?
Yes
No
Saturday, August 19th, 2023 AT 1:13 AM
Tiny
ROCKA
  • MEMBER
  • 22 POSTS
I guess my point was, why the delay? Why does the temperature idle go all the way up and then the fans start? That delay is driving me crazy.
Was this
answer
helpful?
Yes
No
Saturday, August 19th, 2023 AT 4:01 PM
Tiny
JACOBANDNICKOLAS
  • MECHANIC
  • 110,194 POSTS
Hi,

I understand. That is higher on the gauge than I would expect before the fans turn on, but the temp you mentioned (217F) sounds normal. Also, the increase in idle speed is by design. It does that to compensate for the added load when the fans turn on.

Have you driven it since yesterday?

Joe
Was this
answer
helpful?
Yes
No
Saturday, August 19th, 2023 AT 8:16 PM
Tiny
ROCKA
  • MEMBER
  • 22 POSTS
Hello. I drove the car twice today. I am honestly not sure to say that the car is fixed. The first time, the temperature went up somewhat high, and came down as soon it went up. The second time, it went a little up and it took its time to come down.

When can I say that the car is fixed? Do I need to check something else?
Drive it more?

See attached pictures.

Thank you.
Was this
answer
helpful?
Yes
No
Monday, August 21st, 2023 AT 7:17 PM
Tiny
JACOBANDNICKOLAS
  • MECHANIC
  • 110,194 POSTS
Hi,

If that is where the temperature gauges are staying, it should be fine. I'm not sure where you are located, but if the temperatures are extremely high, the engine will likely run a little hotter.

The best thing to do is drive it and simply keep an eye on the gauge.

Let me know.

Joe
Was this
answer
helpful?
Yes
No
Monday, August 21st, 2023 AT 7:49 PM
Tiny
ROCKA
  • MEMBER
  • 22 POSTS
Well, I drove the car today and it did the same thing. I live in TX and the temperature here is crazy but it’s just another day here. Funny thing is that I don’t remember having this issue before. The temperature went up and down. I also drove with the A/C on because it was hot. The temperature gauge stayed in the middle.

Thank you again Joe.
Was this
answer
helpful?
Yes
No
Friday, August 25th, 2023 AT 1:24 AM
Tiny
JACOBANDNICKOLAS
  • MECHANIC
  • 110,194 POSTS
Hi,

Did the gauge get higher than the pics above show? You are certainly in a hot area. However, if the gauge only got as high as shown in the pics, that would be normal considering the conditions.

Let me know.

Joe
Was this
answer
helpful?
Yes
No
Friday, August 25th, 2023 AT 7:33 PM
Tiny
ROCKA
  • MEMBER
  • 22 POSTS
Hello. I drove the car Wed through Sat and yesterday. It did the same thing twice and the rest of the days I used the A/C.
But yesterday, it made a sound in the front part of the car, like something was rubbing a plastic/something. All of this while the temperature gauge was very high, waiting on a drive thru with the AC off. The temperature gauge was higher than the previous pictures. Yes, the temperature started to come down after the car started to “shake”, I guess it was the fans turned on.
Since I replaced the radiator fan only, I ordered the condenser fan. At this point, I think I’m just guessing.

Thank you Joe.
Was this
answer
helpful?
Yes
No
Tuesday, August 29th, 2023 AT 9:16 AM
Tiny
ROCKA
  • MEMBER
  • 22 POSTS
See attached.
Was this
answer
helpful?
Yes
No
Tuesday, August 29th, 2023 AT 2:07 PM
Tiny
JACOBANDNICKOLAS
  • MECHANIC
  • 110,194 POSTS
Hi,

Since it doesn't overheat with the A/C on, the condenser fan is working. I looked at the temperatures you attached above. In all actuality, they are not out of the norm. The fan may start operating when the engine coolant temperature reaches around 210 to 220 degrees Fahrenheit. You are within that range.

I just don't want to see you spend money and nothing change. Remember, when the A/C is on, the condenser fan runs at all times. With it off, the temp has to increase until the radiator fan turns on. If you are in the range I mentioned, I feel you are okay. Also, since you were at idle in a drive through, the under-hood temperature will increase.

Let me know if you have questions.

Take care,

Joe
Was this
answer
helpful?
Yes
No
Tuesday, August 29th, 2023 AT 6:49 PM
Tiny
ROCKA
  • MEMBER
  • 22 POSTS
I actually bought the condenser fan because it is cracking. My dad and I checked it, and we could see some lines in the around the fan and somewhat loose too. It bothers me that mechanic only recommended to buy one fan instead of the two.

Yes, when the temperature reaches 217* the fans start working. I just don’t understand and still freaks me out when I see the gauge go up.

I appreciate your time and help.
Thank you.
Was this
answer
helpful?
Yes
No
Tuesday, August 29th, 2023 AT 11:12 PM
Tiny
JACOBANDNICKOLAS
  • MECHANIC
  • 110,194 POSTS
Hi,

No problem whatsoever. I just hope I'm helping. Do me a favor. When the gauge goes to its highest point, take a pic and upload it for me. I don't feel there is an issue with the fans, but perhaps there is something going on with the gauge. It's unlikely, but anything is possible. And like you, I like to know everything is okay.

Take care,

Joe
Was this
answer
helpful?
Yes
No
Wednesday, August 30th, 2023 AT 6:54 PM
Tiny
ROCKA
  • MEMBER
  • 22 POSTS
Hello. I couldn’t upload the picture properly but that is what it looks like.
Was this
answer
helpful?
Yes
No
Sunday, September 3rd, 2023 AT 3:57 PM

Please login or register to post a reply.