Car not starting

Tiny
A0302
  • MEMBER
  • 62 POSTS
Hey Ken, I am going to say PCM. I checked grounds to block, frame, PCM grounds and body grounds and all good. The volt meter reading at PCM coil signal wires are staying at twelve volts when koeo or cranking, so definitely PCM not switching it to zero volts to coil. When test light on battery positive going to coil positive or coil negative, their is relay clicks and a priming sound/ energized sound that is heard. I thought it was only doing that on coil signal wire originally. It also only for this when coil plug/connector is in. You suspected a ground perhaps. See attachments.
Was this
answer
helpful?
Yes
No
Monday, June 4th, 2018 AT 9:18 PM
Tiny
A0302
  • MEMBER
  • 62 POSTS
Here are pictures from last message. As you can see test light comes on when on battery positive going to coil positive and to coil negative back-probed and no key on get relay clicks and energized sound like a priming sound. Any last ideas as I am going to get a PCM from auto wreckers.
Was this
answer
helpful?
Yes
No
Monday, June 4th, 2018 AT 9:32 PM
Tiny
A0302
  • MEMBER
  • 62 POSTS
Sorry about all spread out pictures but forgot to send this one too. As you can hear the relay clicks and an energized sound from putting test light battery positive to either coil positive or coil negative with no key in. Little hard to hear as there is a highway nearby.
Was this
answer
helpful?
Yes
No
Tuesday, June 5th, 2018 AT 7:48 AM
Tiny
KEN L
  • MASTER CERTIFIED MECHANIC
  • 55,475 POSTS
Yes, the PCM is the only thing left. Lets give it a shot. I would see if you can open the old PCM to check for water damage.
Was this
answer
helpful?
Yes
No
+1
Tuesday, June 5th, 2018 AT 9:28 AM
Tiny
A0302
  • MEMBER
  • 62 POSTS
Yes Ken I can open up PCM with four screws, one on each corner. It is hard to wrap head around this PCM issue as we have five volt reference proper places and have injectors pulsing and should it not be the same pulsing to coils? If injectors pulse is good that should mean coil should pulse on signal wire with test light on battery positive going to coil signal wire but it is not. What controls the switching to coils then? I thought crank sensor? Or is it the cam sensor? But must be a PCM issue cause why the relay clicks etc, when test light on battery positive going to coil negative signal or battery positive? Something else in PCM circuit is shorting with coil signal circuit to get those relay clicks etc. Also, see attachments below as I used 2CarPros posts on internet to test and you guys mention as shown suspect a crank sensor or computer controlled relay. Could it be a relay after all?
Was this
answer
helpful?
Yes
No
Tuesday, June 5th, 2018 AT 10:51 AM
Tiny
A0302
  • MEMBER
  • 62 POSTS
Ken as in last message I just sent, the reason I asked about cam sensor possibly sends information to PCM for coils signal ground as per this attachment I found for 2005 Hyundai accent trouble shooting chart. Have a look. Thanks Ken.
Was this
answer
helpful?
Yes
No
Tuesday, June 5th, 2018 AT 11:27 AM
Tiny
A0302
  • MEMBER
  • 62 POSTS
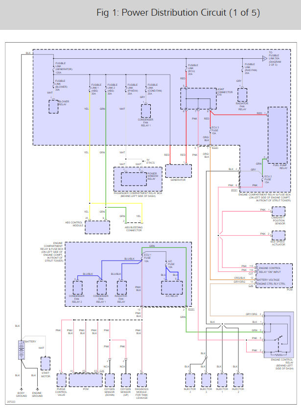
Hey Ken, still going through things before PCM. I can see in diagrams you sent me and see attachment. On right side of page shows the injectors being fired by ground side switched from a relay by the PCM. I do not see coils in this circuit, and trying to get a diagram like this showing camshaft circuit.
Was this
answer
helpful?
Yes
No
Tuesday, June 5th, 2018 AT 2:57 PM
Tiny
A0302
  • MEMBER
  • 62 POSTS
Sorry it never attached to last message.
Was this
answer
helpful?
Yes
No
Tuesday, June 5th, 2018 AT 2:59 PM
Tiny
KEN L
  • MASTER CERTIFIED MECHANIC
  • 55,475 POSTS
Check the second wiring diagram on the first page of this post.
Was this
answer
helpful?
Yes
No
Wednesday, June 6th, 2018 AT 9:54 AM
Tiny
A0302
  • MEMBER
  • 62 POSTS
Yes I see the diagram of it but it is not detailed like the ones you sent me on power distribution circuits. What I am trying to establish is the diagrams you sent on power distribution show injectors in a circuit from ECM and relay and do not include coils so it seems the crank sensor may only be an input for injectors and possibly camshaft for coils.
Was this
answer
helpful?
Yes
No
Wednesday, June 6th, 2018 AT 10:23 AM
Tiny
A0302
  • MEMBER
  • 62 POSTS
Also Ken, I am on another forum and got a reply from someone in the UK and said the Hyundai there has a separate resistor for each paired coils so if it was a burned driver in PCM it would usually take out two cylinders and not all so there should be some spark. But he did say it can happen but very unusual. If you can also confirm in my last message if crank sensor controls both coils and injectors.
Was this
answer
helpful?
Yes
No
Wednesday, June 6th, 2018 AT 10:32 AM
Tiny
A0302
  • MEMBER
  • 62 POSTS
Hi Ken. Sorry about overthinking everything, we have a diagnosis now. I went back and run through more tests and decided to open PCM as you suggested previously. Look at the two chips on top, they are bit burned and have a smell. Probably the drivers that switch. See attachment. Thanks for everything Ken. You guys are awesome. I still have a p0108 code that came up. Getting second hand PCM at auto wreckers for $75.00 or $145.00 new on eBay.
Was this
answer
helpful?
Yes
No
Wednesday, June 6th, 2018 AT 11:51 PM
Tiny
KEN L
  • MASTER CERTIFIED MECHANIC
  • 55,475 POSTS
Yes, you can see the burn marks and the smell is a big give away. Let us know :)
Was this
answer
helpful?
Yes
No
Thursday, June 7th, 2018 AT 5:02 PM
Tiny
A0302
  • MEMBER
  • 62 POSTS
Ken, I am running into a problem with getting a used PCM. Autowreckers had just sold it before I got there to pick up. No one has one here only for a different size motor and automatic. New units are $500.00.
I am attempting to resolder the two burned transistors in PCM instead. The PCM resistors can be bought on eBay from china suppliers. Few weeks for shipping, and need to get this running ASAP. In your travels or career, have you seen this done and know of a supplier around in your area or a manufacture/wholesaler who would sell those surface mount smd RCU driver resistors?
From what I can read of the resistor I assume the #30028 is the model? And under that is 54410.1 Not sure if it is important? And last # is 0430
Possibly a manufacturer date.
Was this
answer
helpful?
Yes
No
Friday, June 8th, 2018 AT 8:58 PM
Tiny
KEN L
  • MASTER CERTIFIED MECHANIC
  • 55,475 POSTS
Hmm, not familiar with anyone that supplies the transistors sorry.
Was this
answer
helpful?
Yes
No
Saturday, June 9th, 2018 AT 10:17 AM

Please login or register to post a reply.