Car not starting

Tiny
A0302
  • MEMBER
  • 62 POSTS
It does not flash like the injectors do. The injectors flash every two seconds roughly and is bright on test light. On coil negative there is no flash when hooked to battery positive or battery ground.
Was this
answer
helpful?
Yes
No
Wednesday, May 30th, 2018 AT 11:32 AM
Tiny
A0302
  • MEMBER
  • 62 POSTS
If the ECM is not closing the circuit, would it be an ECM relay as it looks like ECMsends power to relay to ground it?
Was this
answer
helpful?
Yes
No
Wednesday, May 30th, 2018 AT 3:18 PM
Tiny
A0302
  • MEMBER
  • 62 POSTS
No flashing on coil negative. Would a ECM relay cause this not closing circuit to ground coil? Or possibly still a open wire on coil negative to PCM?
Was this
answer
helpful?
Yes
No
Wednesday, May 30th, 2018 AT 6:15 PM
Tiny
KEN L
  • MASTER CERTIFIED MECHANIC
  • 55,477 POSTS
Okay, all power inputs must be working. Can you confirm power and grounds at the PCM?
Was this
answer
helpful?
Yes
No
+1
Thursday, May 31st, 2018 AT 10:07 AM
Tiny
A0302
  • MEMBER
  • 62 POSTS
Going to check the PCM side today to see if if there is a signal flash of coils. Checking pin 2 and 5 with test light or volt meter for 0 volts when cranking. I found some information on internet showing control testing with a test light. I will do this check as well.
Was this
answer
helpful?
Yes
No
Thursday, May 31st, 2018 AT 11:46 AM
Tiny
KEN L
  • MASTER CERTIFIED MECHANIC
  • 55,477 POSTS
Perfect, let me know.
Was this
answer
helpful?
Yes
No
Thursday, May 31st, 2018 AT 7:14 PM
Tiny
A0302
  • MEMBER
  • 62 POSTS
Okay Ken, things are pretty strange in the diagnosis. I checked for grounds at PCM, all good. I checked both coil signal wires for opens from PCM to coil plugs, all were good. I moved test light to battery positive and probed the signal wire of coil negative when it was unplugged from coil and got no light. This made me suspect a bad coil even though I replaced it at the start. I checked primary coil for resistance and got.90 ohms and spec is.87 plus or minus 10 percent. I measured secondary winding's on both and hot 0 ohms which means internally shorted coil. You were right on last couple replies as you said the PCM is not closing circuit. This explains it. I used the diagram on the attachment for readings.
Was this
answer
helpful?
Yes
No
Friday, June 1st, 2018 AT 12:32 AM
Tiny
A0302
  • MEMBER
  • 62 POSTS
Ken, just sharing information that can help with coil circuits and diagnostic.
Was this
answer
helpful?
Yes
No
Friday, June 1st, 2018 AT 1:14 PM
Tiny
KEN L
  • MASTER CERTIFIED MECHANIC
  • 55,477 POSTS
Great information nice work. Before you try a PCM can you unplug all oxygen sensors and injectors and retest it?
Was this
answer
helpful?
Yes
No
Friday, June 1st, 2018 AT 7:37 PM
Tiny
A0302
  • MEMBER
  • 62 POSTS
Thanks Ken, I am ready to throw in the towel on this one. It turns out my voltmeter/ohm meter read 0 ohms but it did not have an auto range on it? And was not able to read that high. I used another one and got proper readings on secondary. I did a koec test with a test light on battery negative and onto coil negative and got a light but did not notice flashing. See video attachment. I have seen a video on scanner Danner where doing that test there is a distinct flashing you should see and if not it means no control or primary winding shot. Well we know coil is good so must be a resistor in PCM that is bad? I then took the test light still on battery ground and other end to the PCM side on coil signal wire and cranked and got a light but no flickering so means driver (transistor) problem.
Was this
answer
helpful?
Yes
No
Friday, June 1st, 2018 AT 11:05 PM
Tiny
KEN L
  • MASTER CERTIFIED MECHANIC
  • 55,477 POSTS
That is going to be PCM or you have something blocking the signal. We must be missing something. Try a different PCM and recheck the engine wiring loom disconnect oxygen sensors.
Was this
answer
helpful?
Yes
No
+1
Saturday, June 2nd, 2018 AT 12:33 PM
Tiny
A0302
  • MEMBER
  • 62 POSTS
Also ken, a strange thing to mention is I put a test light to battery positive and then to coil negative back probed with t pin and plugged into coil, It turned ignition on and got relay clicks and door chime sounds. Not normal? Since it is a signal wire. Any thoughts?
Was this
answer
helpful?
Yes
No
Saturday, June 2nd, 2018 AT 12:34 PM
Tiny
KEN L
  • MASTER CERTIFIED MECHANIC
  • 55,477 POSTS
It sounds like it could be ground problem. Have you checked the battery ground to frame and engine block? When you crank it is seems slow to me. Battery to frame, body, engine block. Check please.
Was this
answer
helpful?
Yes
No
+1
Saturday, June 2nd, 2018 AT 12:49 PM
Tiny
A0302
  • MEMBER
  • 62 POSTS
I will go over grounds a bit more. I did check a few. Also, does the PCM not send a signal to coil by a relay switch or is the PCM fed by a relay for power? I will let you know bit later as car is at in-laws and been going there back and forth. You are a great source of knowledge Ken really appreciate it. I have been working on cars for twenty years fixing my vehicles but using distributor ignitions and not this PCM and electrical nightmare and waste-spark designs.
Was this
answer
helpful?
Yes
No
Saturday, June 2nd, 2018 AT 1:10 PM
Tiny
KEN L
  • MASTER CERTIFIED MECHANIC
  • 55,477 POSTS
Yes no problem we here to help, The PCM is power by a relay unplug the oxygen sensor and check for power and ground, then replace the PCM. That is where I would go.
Was this
answer
helpful?
Yes
No
+1
Sunday, June 3rd, 2018 AT 11:11 AM
Tiny
A0302
  • MEMBER
  • 62 POSTS
This is the main fuse that was blown right from the start. It is a 100 amp and says alt on fuse box cover. Also, original coil was cooked and melted and replaced. Just given you an idea of how much heat was created when car was jump started with leads crossed. That much heat/voltage power could have possibly done damage elsewhere or ground somewhere could be melted and maybe not come across yet. I have pieced together all wiring diagrams and tracing everything. Also, I am going to confirm coil signal voltage at PCM with a voltmeter and see if I get zero volts or twelve volts. With battery a bit run down from cranking I could have not noticed a proper flickering on test light method on previous test.
Was this
answer
helpful?
Yes
No
Sunday, June 3rd, 2018 AT 2:39 PM
Tiny
KEN L
  • MASTER CERTIFIED MECHANIC
  • 55,477 POSTS
You are getting warmer, when you replace and repair the connection let see what happens if it heats up and blown again we can look further into the system it power up. Let me know if you need wiring diagrams for that fuse.
Was this
answer
helpful?
Yes
No
Monday, June 4th, 2018 AT 10:03 AM
Tiny
A0302
  • MEMBER
  • 62 POSTS
I am going to work on car today and yes will you get the wiring diagrams for that to see what it powers? That way I can follow wires and check them on car. Please and thank you Ken.
Was this
answer
helpful?
Yes
No
Monday, June 4th, 2018 AT 10:18 AM
Tiny
KEN L
  • MASTER CERTIFIED MECHANIC
  • 55,477 POSTS
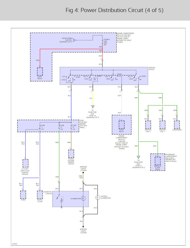
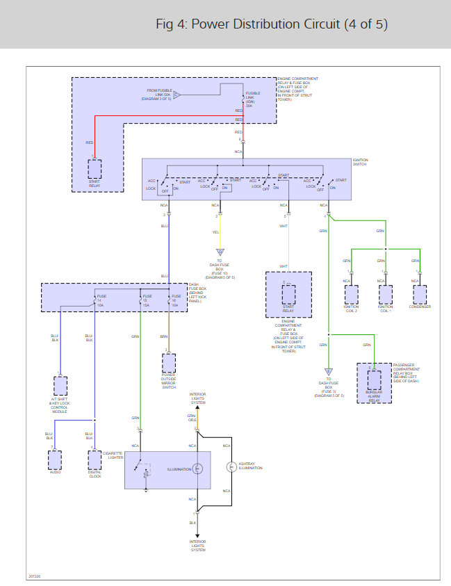
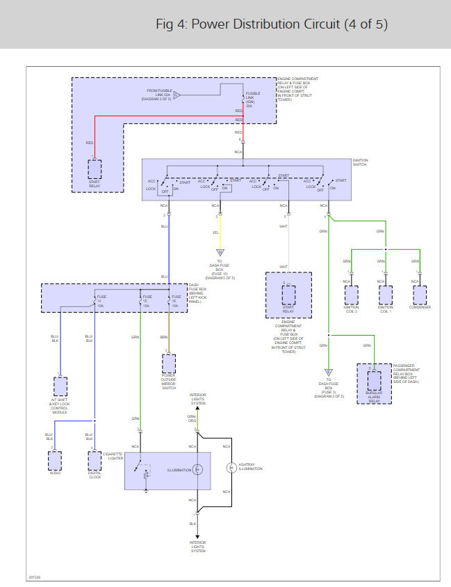
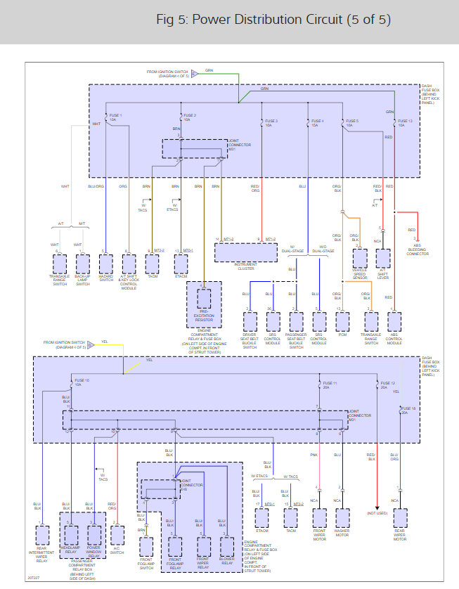
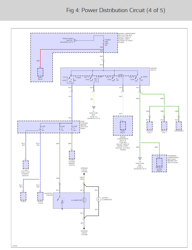
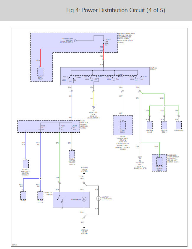
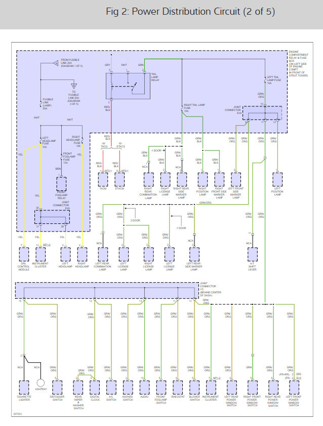
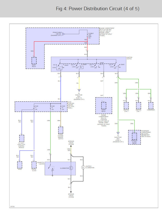
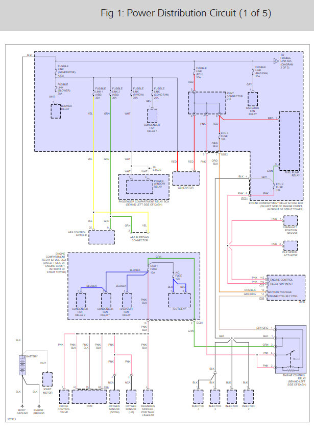
Here are the wiring diagrams for the power distribution.
Was this
answer
helpful?
Yes
No
+1
Monday, June 4th, 2018 AT 10:40 AM
Tiny
A0302
  • MEMBER
  • 62 POSTS
Thanks Ken, I went over diagrams and followed all routes from battery to fusible link 120 amp main fuse. Just from checking these diagrams, I can rule out any wiring damage from fusible link 120 amp fuse and from battery as every component has individual fuses that protect it all, and I have already checked all fuses and everything is good. If fuses are good that means all wiring is intact going to them. The only thing I can see from diagrams on page 1 is the body ground and engine ground, possibly the fault, as I talked to mother in law and she said there was smoke coming from battery area under neath. To get smoke there would be definitely be from wire insulation. Will let you know later today.
Was this
answer
helpful?
Yes
No
Monday, June 4th, 2018 AT 11:28 AM

Please login or register to post a reply.