Engine not cranking or starting

Tiny
AZDANNO04
  • MEMBER
  • 2013 HYUNDAI ELANTRA
  • 1.4L
  • 4 CYL
  • 2WD
  • AUTOMATIC
  • 130,000 MILES
Vehicle driving fine then parked now won't start. Lights are on and everything but no cranking of engine or turn over.
Friday, March 12th, 2021 AT 1:02 AM

11 Replies

Tiny
ASEMASTER6371
  • MECHANIC
  • 52,796 POSTS
Good morning,

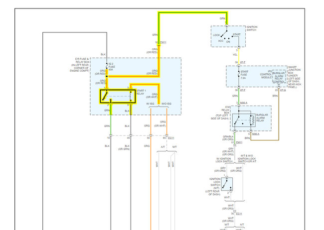
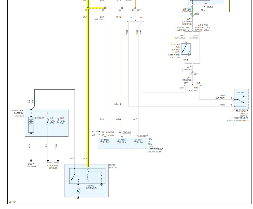
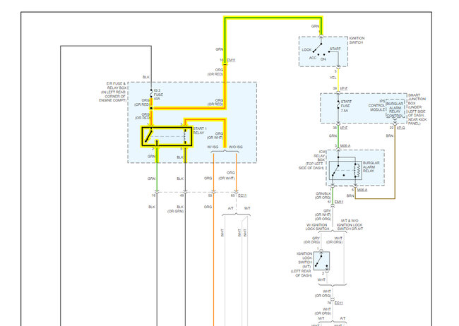
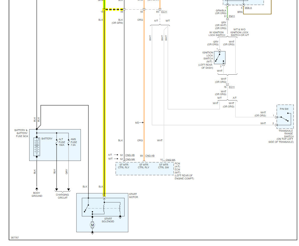
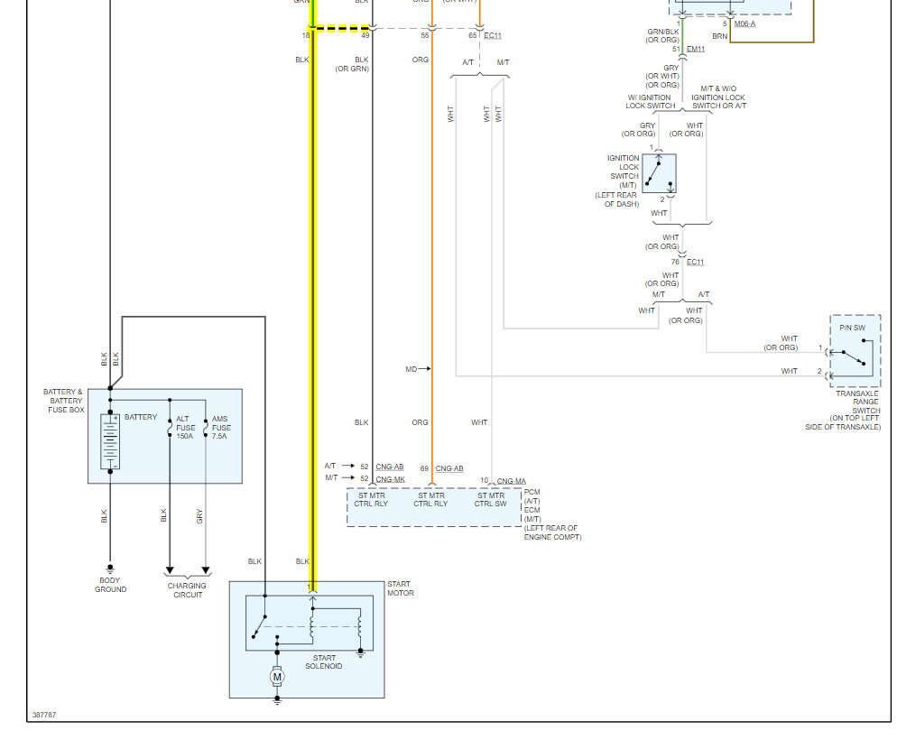
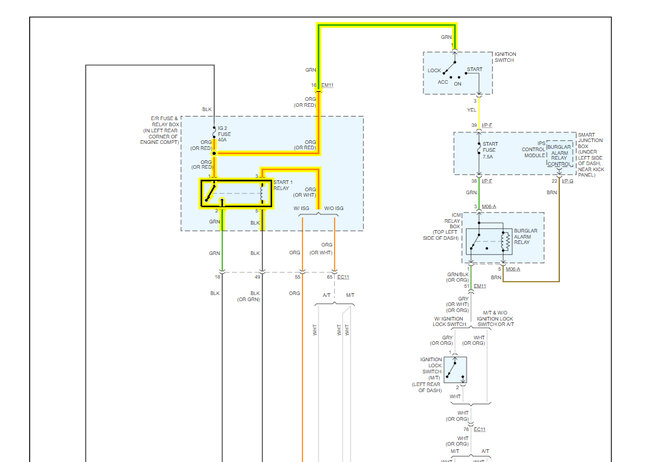
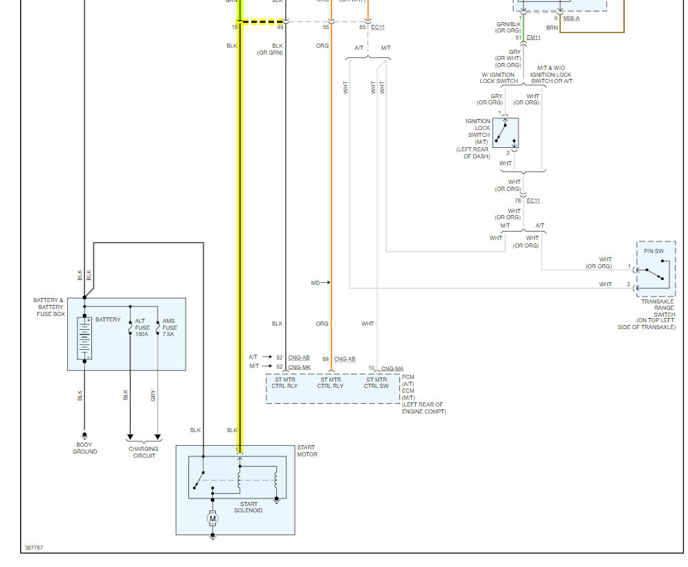
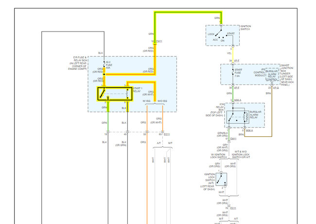
I attached a wiring diagram for you to view. You will need to verify power to the starter solenoid when in the start position.

https://www.2carpros.com/articles/how-to-check-wiring

https://www.2carpros.com/articles/how-to-check-a-car-fuse

https://www.2carpros.com/articles/how-to-check-an-electrical-relay-and-wiring-control-circuit

You will need a voltmeter or test light for the testing.

Roy
Was this
answer
helpful?
Yes
No
Friday, March 12th, 2021 AT 3:38 AM
Tiny
AZDANNO04
  • MEMBER
  • 343 POSTS
So far I checked the fuses and relays there fine. I even replaced the ECM relay and ECM used though and made sure the part number matched. Replaced the crankshaft sensor and whole distributor. But doesn't turn over. The cranking sounds a bit better but no start. I want to make sure I have the spark plug wires correct to the distributor cap. The firing order is 1324 and its counter clockwise on the distributor cap. From bottom right is number 1 spark plug wire starts. But since I can't start the car to use the timing light. How can I set the timing right?
Was this
answer
helpful?
Yes
No
Saturday, March 20th, 2021 AT 6:56 PM
Tiny
ASEMASTER6371
  • MECHANIC
  • 52,796 POSTS
You do not use a timing light at all. You have to remove the front cover and inspect the marks.

You can check easier by doing a compression test. If the compression is low, it could be the timing belt.

https://www.2carpros.com/articles/how-a-timing-belt-works

The firing order is 1-3-4-2

Firing Order

Firing Order .................... 1-3-4-2

I attached pictures of the timing marks for you below.

The ECM, did you have it programmed to your VIN number?

Roy
Was this
answer
helpful?
Yes
No
Sunday, March 21st, 2021 AT 1:15 AM
Tiny
AZDANNO04
  • MEMBER
  • 343 POSTS
I was told that long as the part number matches you can just plug and go. If it does how do I do use my vehicles VIN? I did do a compression test a few years ago. It was the first cylinder that was 20 PSI lower than the remaining 2 through 4 cylinders.
Was this
answer
helpful?
Yes
No
Sunday, March 21st, 2021 AT 7:31 PM
Tiny
ASEMASTER6371
  • MECHANIC
  • 52,796 POSTS
No, the same part number fits many vehicles. The VIN number identifies all the accessories. If there is a mismatch, it will not work. This is not an option.

Roy
Was this
answer
helpful?
Yes
No
+1
Monday, March 22nd, 2021 AT 4:33 AM
Tiny
AZDANNO04
  • MEMBER
  • 343 POSTS
The car almost turned over. I checked the distributor cap and saw the rotor top left and turned the crankshaft clockwise until the rotor pointed bottom right. But that was all. I ordered a fuel pump and strainer along with a pressure regulator.
Was this
answer
helpful?
Yes
No
Monday, March 22nd, 2021 AT 3:19 PM
Tiny
ASEMASTER6371
  • MECHANIC
  • 52,796 POSTS
Did you check the fuel pressure to verify the pump is the failure? I attached a guide for you on checking the pressure.

https://www.2carpros.com/articles/how-to-check-fuel-system-pressure-and-regulator

https://www.2carpros.com/articles/how-to-replace-an-electric-fuel-pump

Also, if you spray some carb cleaner or starting fluid into the air filter, does it start and stall?

Roy

Removal

1. Release the residual pressure in fuel line .
2. Remove the rear seat .
3. Remove the fuel pump service cover (A).

imageOpen In New TabZoom/Print

4. Disconnect the fuel pump connector (A) and the fuel tank pressure sensor connector (B).
5. Disconnect the fuel feed tube quick connector (C) and the vapor tube quick-connector (D).
6. Remove locking ring (E) by using the service tool.

imageOpen In New TabZoom/Print

7. Remove the fuel pump from the fuel tank.

imageOpen In New TabZoom/Print

Installation

1. Installation is reverse of removal.

CAUTION:
Be careful of fuel pump direction when installing.
Fuel pump plate cover installation bolt [2DR LEV2]:
2.0 - 3.0 N.m (0.2 - 0.3 kgf.m, 1.4 - 2.2lb-ft)
Fuel Pump Plate Cover Installation [2DR SULEV]:
78.5 - 98.1 N.m (8.0 - 10.0 kgf.m, 57.9 - 72.4lb-ft)
Was this
answer
helpful?
Yes
No
+1
Monday, March 22nd, 2021 AT 4:48 PM
Tiny
AZDANNO04
  • MEMBER
  • 343 POSTS
I tried spraying carburetor cleaner and starting fluid still wouldn't start. A friend used my test light and checked the wiring harness for the first injector and said it has power but checked for pulsating and said it didn't blink with the test light.
Was this
answer
helpful?
Yes
No
Monday, March 22nd, 2021 AT 7:12 PM
Tiny
ASEMASTER6371
  • MECHANIC
  • 52,796 POSTS
Okay, when you crank the engine, does the tachometer move up a little showing RPM? That will tell me if the crank sensor is working.

https://www.2carpros.com/articles/symptoms-of-a-bad-crankshaft-sensor

https://www.2carpros.com/articles/crankshaft-angle-sensor-replacement

Roy

Inspection

1. Check signal waveform of CKPS and CMPS using a scan tool.

Specification:Refer to "Waveform"

Removal

1. Turn the ignition switch OFF and disconnect the battery negative (-) cable.
2. Disconnect the crankshaft position sensor connector (A) and remove the sensor after removing the installation bolt.

imageOpen In New TabZoom/Print

Installation

CAUTION:
- Install the component with the specified torques.
- Note that internal damage may occur when the component is dropped. If the component has been dropped, inspect before installing.

CAUTION:
- Apply the engine oil to the O-ring.
- Insert the sensor in the installation hole and be careful not to damage.

1. Installation is reverse of removal.

Crankshaft position sensor installation bolt:
9.8 - 11.8 N.m (1.0 - 1.2 kgf.m, 7.2 - 8.7 lb-ft)
Was this
answer
helpful?
Yes
No
Tuesday, March 23rd, 2021 AT 4:23 AM
Tiny
AZDANNO04
  • MEMBER
  • 343 POSTS
This is for the 1998 Nissan Sentra GXE 1.6 liter GA16DE. How do I input my VIN # into the ECM that I purchased used? I do not have a tach for Rpms on my dash. I replaced the crankshaft sensor. I noticed there wasn't an O-ring for it. Not even on the old part.
Was this
answer
helpful?
Yes
No
Tuesday, March 23rd, 2021 AT 10:28 AM
Tiny
ASEMASTER6371
  • MECHANIC
  • 52,796 POSTS
Do you mean the ECM is from the 98 or your current car is a 98?

You need the factory scan tool to program the module to your VIN.

Roy
Was this
answer
helpful?
Yes
No
Tuesday, March 23rd, 2021 AT 11:26 AM

Please login or register to post a reply.