Wednesday, September 23rd, 2020 AT 5:32 AM
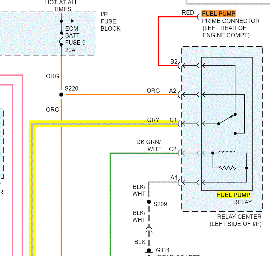
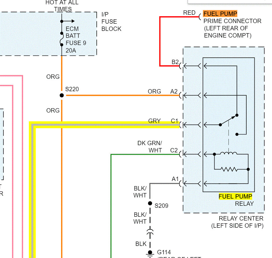
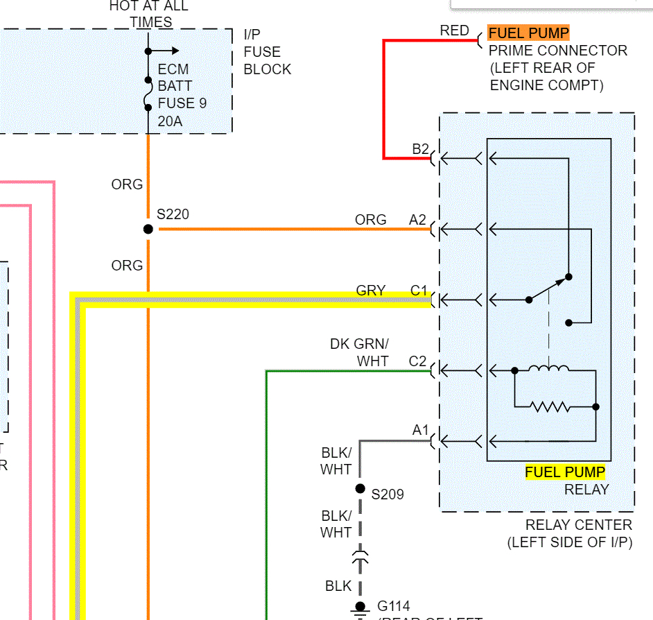
I tried starting up my car one morning and it wouldn't turn over. This had been happening so I charged my battery and tried it and the same thing happened, cranked but didn't turn over. Did basic troubleshooting and replaced my fuel pump thinking that was what was bad. I had to rewire an electrical connector to the fuel pump and I believe wired it correctly and tried to start it and the same thing happened cranks but not turning over. I also noticed that I had no lights on my dash or any gauge sweeps. I tested all relays and fuses and they all seem fine after checking them 3 times over. When in engine bay and made everything was connected and tried again, same thing as before, cranking but no starting up and no dash lights of any kind. I hear my spark plugs firing. I'm stumped any help would be appreciated.










