NO AIR COMING THROUGH VENTS

Tiny
KINGNOAH
  • MEMBER
  • 1999 CADILLAC DEVILLE
  • V8
  • FWD
  • AUTOMATIC
  • 60,500 MILES
I recently bought this car, it was missing the AC Comp Fuse Relay so I put a new one in. The problem I am having is when I turn on the AC, heater, or the defroster, no Air comes through the vents. When I turn on the AC I can hear it come on, but no air comes out. Where should I start?
Monday, March 15th, 2010 AT 10:47 PM

37 Replies

Tiny
FACTORYJACK
  • MECHANIC
  • 4,159 POSTS
It sounds like you have a blend door actuator, blower motor going out or a programmer. Lets start by turning the key to the on position without starting the car. Press off and warmer on the climate panel at the same time. It will then display any codes. The ones that would relate to your concern we will be able to fix it.

In stating that you can hear it come on, is it the compressor you are hearing, or is it the blower motor that you are hearing? Simply stated, is there just no airflow out of the dash vents, or out of any vents(floor, dash, or defrost). If it is no airflow at all, check for power and ground at the blower motor connector big wires with a test light across them and engine running. If you have a light, replace the blower motor.
Was this
answer
helpful?
Yes
No
+4
Monday, March 15th, 2010 AT 11:52 PM
Tiny
KINGNOAH
  • MEMBER
  • 10 POSTS
Thanx, soon as I do I will let you know what's up. Where is the blower motor relay switch?
Was this
answer
helpful?
Yes
No
+3
Wednesday, March 17th, 2010 AT 1:09 AM
Tiny
FACTORYJACK
  • MECHANIC
  • 4,159 POSTS
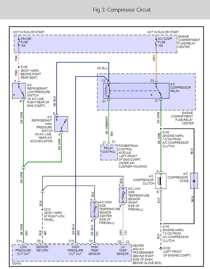
There is no blower motor relay switch, it's speed is controlled by the AC programmer, on bus information from the climate panel.

Here is a diagram and guide to help us do some testing.

https://www.2carpros.com/articles/how-to-use-a-test-light-circuit-tester

Check for power at the programmer.

Please let me know
Was this
answer
helpful?
Yes
No
+1
Thursday, March 25th, 2010 AT 11:30 PM
Tiny
KINGNOAH
  • MEMBER
  • 10 POSTS
I started this thread because No air at all was blowing through the vents. I checked if power was getting to the blower motor with a test light. There was so I replaced the blower motor. Still the new blower motor will not spin.

Although someone just said that there is no blower motor relay, I just went to autozone and bought one for $16, also the dealership sells one for my exact car for $45.
I can not locate the blower motor relay, can anyone help me?

Also on the computer I am getting this code
ACM : B1312 - High Side Temp Sensor Open Circuit

What exactly does that meen, what does it do, and how do I replace it?

I appreciate all the feedback and all the help.
Was this
answer
helpful?
Yes
No
+4
Friday, March 26th, 2010 AT 3:23 PM
Tiny
FACTORYJACK
  • MECHANIC
  • 4,159 POSTS
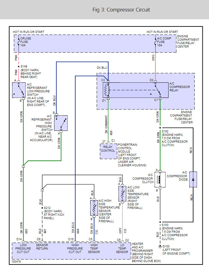
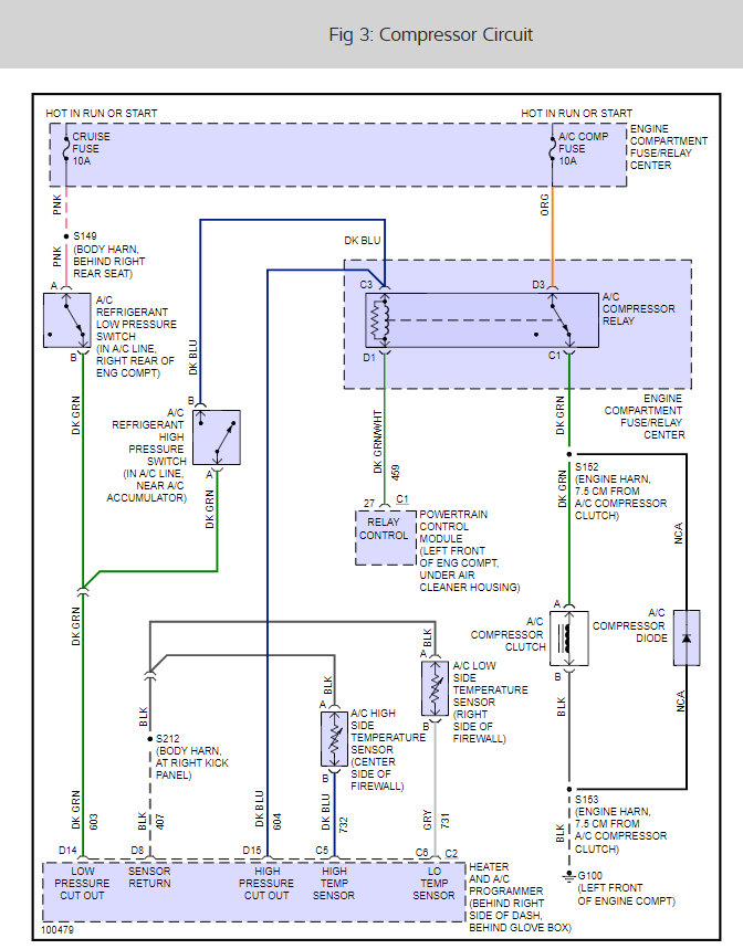
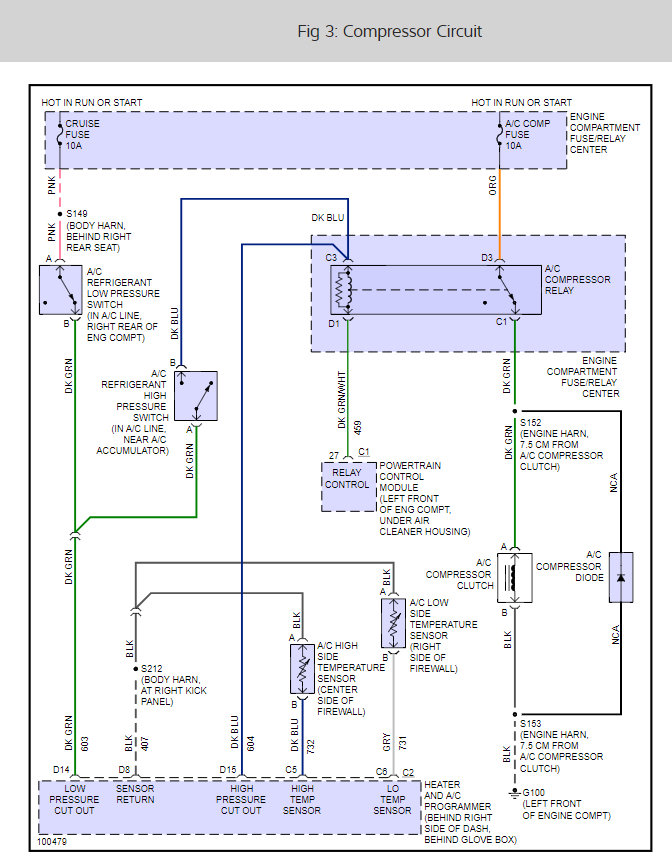
If the car is a 99 deville, there is a compressor relay. No blower motor relay it is all solid state. The red wire that you checked for power, is off of the 50A inadvertent fuse in the left under hood fuse block. The black wire goes to G204, which is down below the instrument panel left side, behind the kick panel. And the gray wire is speed control from the A/C programmer. When you checked for power at the blower motor, did you also use the blower ground wire, or just an engine or battery ground? I don't know which relay you were sold, but there is no blower relay. If you have power and ground at the blower motor, and can verify continuity of the gray wire to the programmer. I would say you need a programmer. To validate what I have said, and to illustrate no reference to blower relay, here is the factory diagnostic chart for no blower. It is in text form, if I uploaded the illustration it would be too small to read.
Blower Motor Inoperative at Any Speed (Front)
Test Description

Performs the Diagnostic System Check before continuing with the diagnosis.

Verifies the blower operation in both normal and overide modes.

The Scan Tool displays the blower speed input voltage from the Heater and A/C Programmer to the Blower Motor Assembly. Checking for the cause in CKT 754 or the Heater and A/C Programmer output.

Repairs the main speed input to the blower motor. Data Line between the IPC and the Heater and A/C Programmer are suspect.

1 Did you perform the diagnostic system check?
--
Go to Step 2
Go to Diagnostic System Check

2 Turn the key to the ON position.
With the engine running, connect the Scan Tool.
Set the blower on high (99%).
Use the Scan Tool to display the function test for the blower.
Change the blower speed. Observe the change in speed as the numbers decrease.
Did you complete the procedure?
--
Go to Step 3
--

3 Is the blower operation non-existent or intermittent?
--
Go to Step 6
Go to Step 4

4 Does the blower speed consistently decrease at a gradual rate from 99 to approximately 30, and then stop?
--
Go to Step 7
Go to Step 5

5 Is the blower speed consistent, then OFF?
--
Go to Step 8
--

6 Use a Scan Tool to view the blower speed.
Command the blower to the HI speed (100%).
Command the blower to the LO speed (42%).
Does the commanded value equal the actual value?
--
Go to Step 10
Go to Step 9

7 The blower is operating properly.

Inspect for improper temperature control.

Did you inspect for improper temperature control?
--
Go to Step 18
--

8 Exit the diagnostic.
Start the engine.
Select the LO blower.
Inspect the voltage at blower connector B.
Is the voltage greater than the specified value?
9 V
Go to Step 17
Go to Step 13

9 Use the Scan Tool to view the blower speed.
Set the A/C system to 75 degrees AUTO MODE.
Increase or decrease the set temperature.
Is the blower speed (%) within the specified value?
40-100%
Go to Step 10
Go to Step 11

10 Inspect the voltage at the blower motor connector B.

Is the voltage greater than the specified value?
4 V
Go to Step 12
Go to Step 13

11 Replace the heater and A/C programmer. Refer to Programmer Replacement

Is the repair complete?

Go to Step 18

12 Disconnect the blower.
Inspect the resistance of connector C to the battery voltage.
Inspect the resistance of connector A to ground.
Is the resistance greater than the specified value?

Go to Step 14
Go to Step 15

13 Inspect CKT 754.
If CKT 754 is OK, replace the heater and A/C programmer. Refer to Programmer Replacement
Is the repair complete?
--
Go to Step 18
--

14 Inspect the fuse.
Repair CKT 50 or CKT 542 as required.
Is the repair complete?
--
Go to Step 18
--

15 Turn the key OFF.
Inspect the resistance of connector B to ground.
Is the resistance less than the specified value?

Go to Step 13
Go to Step 16

16 Replace the blower motor assembly. Refer to Blower Motor and Fan Replacement

Is the repair complete?
--
Go to Step 18
--

17 Set the blower speed to HI.

Does the voltage change to less than the specified value?
4 V
Go to Step 16
Go to Step 13

18 Using the Scan Tool clear the DTCs and verify the operation.

Did you clear the DTCs and verify the operation?
--
Go to Diagnostic System Check
--

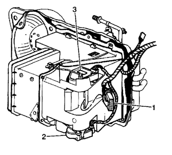
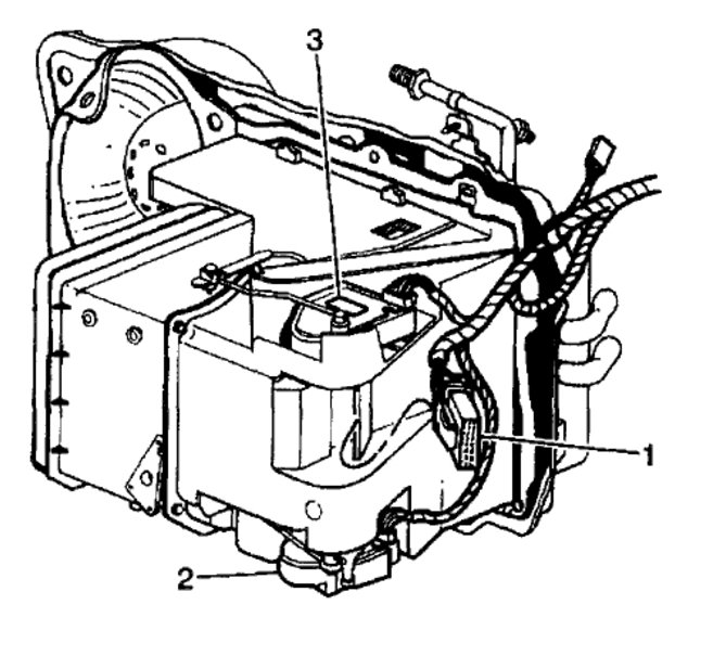
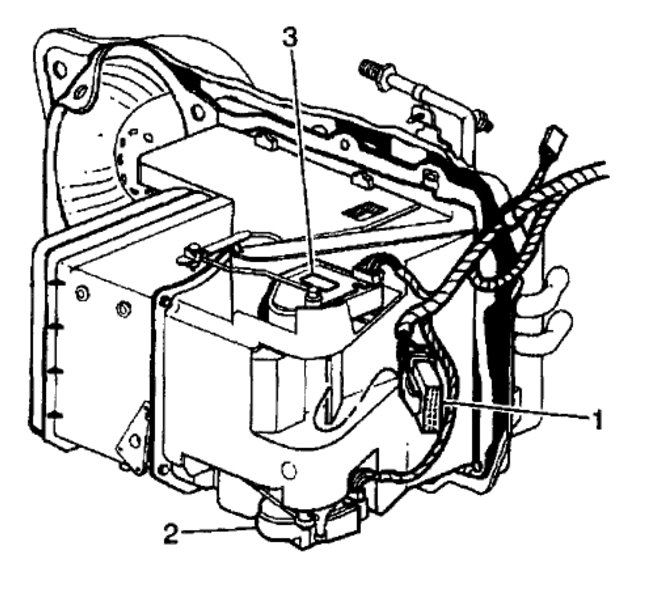
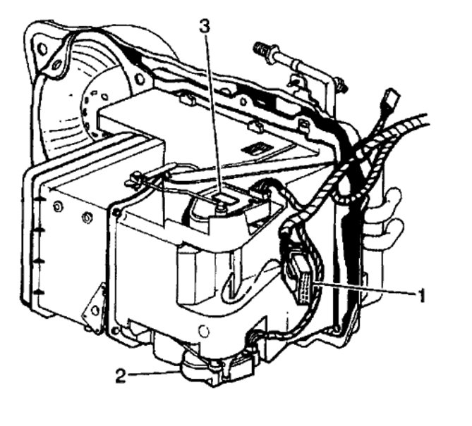
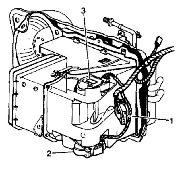
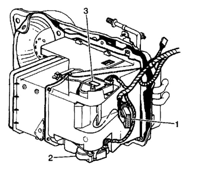
The high side temp sensor is just above the blower connector. Open circuit relates to it being disconnected, faulty sensor, or faulty wiring to the sensor, or a faulty programmer. This was not in your original list of codes you posted, was it possibly disconnected during blower replacement.
Was this
answer
helpful?
Yes
No
+2
Friday, March 26th, 2010 AT 10:56 PM
Tiny
KINGNOAH
  • MEMBER
  • 10 POSTS
Wow! I really appreciate it. Tomorrow morning I will go re-check everything.

When I checked the power going to the Blower motor, I simply used a test light to test the plug. I grounded the test light to a random piece of metal on the car. It lit up on one of the prongs, not sure which one but I figured it was the power.

When checked if the blower motor worked, I hooked it straight to the battery and it spun back n forth. The new one did the same thing.

How would I check the ground? I have been searching for the ground wire and have been unsuccessful in locating it.

I believe I did disconnect the High semp temp sensor, I will reset the Codes and see if it comes up again.

Would it be safe to just replace the ac/heat programmer all together?

When I checked for power at the blower motor, I used the battery.
Was this
answer
helpful?
Yes
No
Saturday, March 27th, 2010 AT 1:23 AM
Tiny
FACTORYJACK
  • MECHANIC
  • 4,159 POSTS
You can check the blower ground using the battery as well, just connect your test light to positive, and touch the ground wire. If it lights, you have ground. If you have ground, check the gray wire for voltage with a voltmeter when the blower is commanded at full power. Check for around 4 volts.
Was this
answer
helpful?
Yes
No
Saturday, March 27th, 2010 AT 12:12 PM
Tiny
KINGNOAH
  • MEMBER
  • 10 POSTS
The ground is ok, and the gray wire is ok.
Was this
answer
helpful?
Yes
No
Saturday, March 27th, 2010 AT 1:18 PM
Tiny
FACTORYJACK
  • MECHANIC
  • 4,159 POSTS
If that is the case, you have power, ground, and a speed output from the programmer, you should have an operable blower motor. When you said you checked the blower, connected it straight to the battery, and it spun back and forth, what did you mean spun back and forth? If you have not mounted the new blower, connect the blower motor connector to it, set it on the engine so the fan is not hitting anything, start the vehicle with the HVAC on to hi fan speed and see what happens. It will take a few minutes, especially if it is stone cold.
Was this
answer
helpful?
Yes
No
+1
Sunday, March 28th, 2010 AT 9:43 PM
Tiny
KINGNOAH
  • MEMBER
  • 10 POSTS
It spun back n forth. It spun forward about 2 circles, and back, My original did it, and also the one I bought did the same exact thing, my neighbor hooked up a blower he had (a blower from the 80s). And it spun like a fan, continously in the same direction. I figured the original was fine because it acted the same way the one I bought did.

When I had hooked it straight to the battery, should it spin continously? Or should it rock back n forth?
Was this
answer
helpful?
Yes
No
Sunday, March 28th, 2010 AT 10:53 PM
Tiny
FACTORYJACK
  • MECHANIC
  • 4,159 POSTS
When you had it hooked to the battery, I am not sure if it should have spun at all, with no speed input that would come on the gray wire. For it to spin back and forth, theoritically would mean it is reversing polarity, and that would be an issue with the circuit board in the blower. I would not think a blower from the 80's would connect, as it would be a two wire blower, and speed would be controlled through the blower power module. If you have power on the red wire, ground on the black wire, and a voltage output on the gray wire, you should have blower operation. Looking toward the first posts, when you checked codes, you said no ACM, was that no ACM data? Have you tried clearing all the codes and seeing if any return. Also, have you tried connecting the replacement blower to the blower connector outside the vehicle and checking it's operation, with the engine running.
Was this
answer
helpful?
Yes
No
Tuesday, March 30th, 2010 AT 11:04 PM
Tiny
KINGNOAH
  • MEMBER
  • 10 POSTS
When I connected it to the battery, I simply took a cord with 2 wires on it, and connected one end to my car battery, and the other end to the blower motor. That is how I was able to test the 80s motor, and that is how I got my original blower motor to spin.

Also, when I tested the new blower, I did not have the car running. All I did was turn the ignition on and set the blower on high (nothing happened).
Was this
answer
helpful?
Yes
No
-1
Wednesday, March 31st, 2010 AT 8:36 PM
Tiny
FACTORYJACK
  • MECHANIC
  • 4,159 POSTS
Have you plugged the replacement in to the vehicle harness, and checked it with the fan selected to high speed, and the engine running? A two wire fan ran to the battery is going to spin at high speed in one direction, you are just powering a motor at this point. I can't explain why the fan spins back and forth when connecting two wires to it, it is not a valid test.
Was this
answer
helpful?
Yes
No
Thursday, April 1st, 2010 AT 12:36 AM
Tiny
KINGNOAH
  • MEMBER
  • 10 POSTS
I plugged the replacement into the harness, put the fan on high, but the engine was not on.
Was this
answer
helpful?
Yes
No
Thursday, April 1st, 2010 AT 7:45 AM
Tiny
FACTORYJACK
  • MECHANIC
  • 4,159 POSTS
If you have power on the red wire, ground on the black, and you say the gray wire is good, you have everything you need to sustain blower operation. If the replacement blower does not work, either it is faulty, or incorrect for the application. There is not much else that can be said, if all wiring is good, then all possibilities of anything other than the blower have been exhausted. The IPc sends speed request via class 2 communications to the programmer, the programmer sends speed outputs to the blower logic, the power and ground run the motor.
Was this
answer
helpful?
Yes
No
Thursday, April 1st, 2010 AT 11:43 PM
Tiny
KINGNOAH
  • MEMBER
  • 10 POSTS
Ok, I went and bought a brand new blower motor and it works great!

I got it from Amazon for $240.00 it came with a new speed controller.

https://www.amazon.com/gp/product/B000C9CCBE/ref=as_li_qf_sp_asin_il_tl?ie=UTF8&tag=2carprcom-20&camp=1789&creative=9325&linkCode=as2&creativeASIN=B000C9CCBE&linkId=955e757fddc357bb9fd8e083a611d696

But now there is no cold air. I went and bought a recharge from auto zone and had them do it for me, but still no cold air, and then when I try to blow hot air, no air comes through the vents.

1. When I put the AC on High/Coldest setting, the air comes out room temperature.

2. When i put the AC on High/Hottest setting, I can hear the air blowing but none comes through the vents.
Was this
answer
helpful?
Yes
No
Sunday, April 25th, 2010 AT 2:06 PM
Tiny
FACTORYJACK
  • MECHANIC
  • 4,159 POSTS
At max heat, the air should come out the floor ducts. If you don't achieve max cooling, is the compressor coming on? If it is coming on, it will need the pressures checked to take the next step. If the compressor is not creating any pressure, or the expansion device(orifice tube) is not creating a pressure differential, you will have no cooling. If the compressor is not coming on, check and clear any ACM, and PCM trouble codes and see if it comes on after that.

It sounds like you have a blend door actuator that is out. Here is a guide and the part so you can get the car fixed.

https://www.2carpros.com/articles/replace-blend-door-motor

The part:

https://www.amazon.com/gp/product/B0012PWSKC/ref=as_li_qf_sp_asin_il_tl?ie=UTF8&tag=2carprcom-20&camp=1789&creative=9325&linkCode=as2&creativeASIN=B0012PWSKC&linkId=66d79ca2683525acab5508b692d09027

Let me know
Was this
answer
helpful?
Yes
No
+3
Monday, April 26th, 2010 AT 11:54 PM
Tiny
EMPTYNEST321
  • MEMBER
  • 1 POST
  • 2000 CADILLAC DEVILLE
2000 Cadillac Deville

Hi:
My brother has a 2000 cadillac deville and has a problem with the front AC vents. They seem to be stuck in a closed position and do not let any AC through those vents. The rear vent gets AC and when in defrost mode cool air comes through the defrost vents. He has taken the dash board apart but has not been able to find any access to the vents. He thinks they may be blocked or that something is preventing them from toggling open and closed for some reason. Is there anywhere to obtain a vent or dashboard diagram as to where components are located under the dash. Or if you have any other suggestions for him that would be greatly appreciated. Any help or direction you could give would be great. Hope I explained this well enough.

Denise
Was this
answer
helpful?
Yes
No
+1
Wednesday, December 7th, 2016 AT 5:25 PM (Merged)
Tiny
CADIEMAN
  • MECHANIC
  • 3,544 POSTS
U have a vacuum condition. Go to l/f fender area and
locate the vacuum canister check for leaks. You may have to replace it. Also check the criuse control for proper oper. If u have low vacume it wont oper. Properly. Check all vacuum sys. For leaks. The emergency brake release also. Check the vacuum at a/c programmer.
Was this
answer
helpful?
Yes
No
+1
Wednesday, December 7th, 2016 AT 5:25 PM (Merged)
Tiny
FACTORYJACK
  • MECHANIC
  • 4,159 POSTS
Does the system change modes, and try to blow out vents. If it only blows out of one mode(defog/floor), there may be an actuator issue at fault. There is no 'vacume' in this system, the park brake release and cruise are electro-mechanical as well.
Was this
answer
helpful?
Yes
No
+2
Wednesday, December 7th, 2016 AT 5:25 PM (Merged)

Please login or register to post a reply.