NO START. ENGINE DOES NOT TURN OVER

Tiny
ZONASTEVE
  • MEMBER
  • 1998 BUICK REGAL
The car has always been starting fine. Went to the store and when I came out, turned on key, all the dash warning lights went on as usual, however when I turned the key to the start position, starter did not spin but all the warning lights did go out while holding the key to the start position and I hear a click under the dash. Starter does not click, no noise at all from the starter. Almost like the power is getting interrupted before it got to the starter. I had to call AAA for a tow. He tried to jump it but I knew the battery was up. Once home I tried to move the shifter to different positions to check for park switch failure. Electrical connections seem all tight, lights are on strong, windows work well with good power. Im going to try to jump the solenoid to see if the starter spins. If I can get in there without arcing out something. PLEASE ADVISE
steve
Tuesday, February 23rd, 2010 AT 12:15 PM

6 Replies

Tiny
LEGITIMATE007
  • MECHANIC
  • 5,121 POSTS
This sounds like the battery is weak or shorted and need to be replaced here are two guide to help you confirm the failure.

https://www.2carpros.com/articles/car-battery-load-test

and

https://www.2carpros.com/articles/how-to-replace-a-car-battery

If the battery checks out the starter would be my next choice here is a guide to help you see what you are in for when doing the job.

https://www.2carpros.com/articles/how-to-replace-a-starter-motor

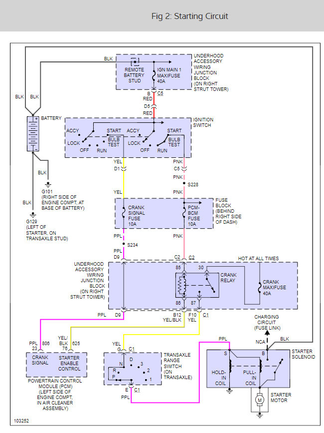
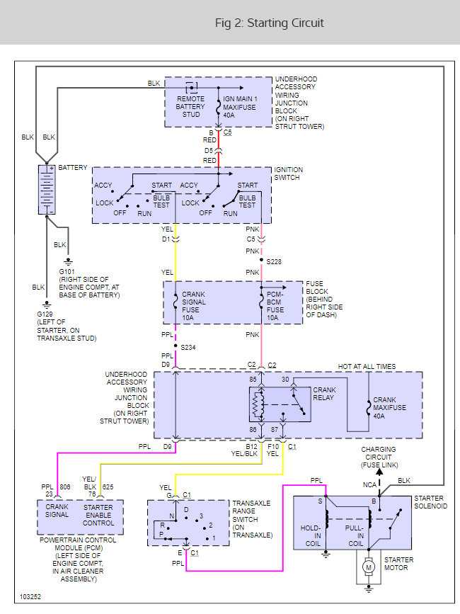
Check out the diagrams (Below). Please let us know if you need anything else to get the problem fixed. Cheers
Was this
answer
helpful?
Yes
No
+2
Tuesday, February 23rd, 2010 AT 12:28 PM
Tiny
ZONASTEVE
  • MEMBER
  • 2 POSTS
I have checked the connections and all seem to be tight. The battery is good. I did not load test it but the lights are strong and the power windows go up and down like the motor is running. Im going to poke around under the hood today. Also I was thinking. This car has VATS system. Could it be a bad VATS module? Is that common?

Steve

what next?
Was this
answer
helpful?
Yes
No
+1
Tuesday, February 23rd, 2010 AT 1:03 PM
Tiny
RASMATAZ
  • MECHANIC
  • 75,992 POSTS
Here is how you reset the VAT system

https://www.2carpros.com/articles/how-to-reset-a-security-system

If this didn't help the crank relay is in the underhood accessory wiring junction block on right strut tower.

Check every fuses below and components in between

https://www.2carpros.com/articles/how-to-check-an-electrical-relay-and-wiring-control-circuit

and

https://www.2carpros.com/articles/how-to-check-an-electrical-relay-and-wiring-control-circuit

Larger diagram below
Was this
answer
helpful?
Yes
No
+2
Wednesday, February 24th, 2010 AT 3:42 PM
Tiny
MIKE H R
  • MECHANIC
  • 3,094 POSTS
You have a clicking sound when you try to start it. Have you checked the voltage going to the starter itself from the other side of the relay? If you are getting voltage I would look further into the starter itself. There are brushes in the starter that sometime get fouled up making a bad conection to the armiture. Try to have someone try to start the car and use a rubber hammer and tap the starter. This happened on a couple of older cars I had. If it works then the starter is bad.
Was this
answer
helpful?
Yes
No
+1
Thursday, February 25th, 2010 AT 10:52 AM
Tiny
MERLIN2021
  • MECHANIC
  • 17,250 POSTS
Could ba the starter, but that usually gives some warning, what does the security light on the das do, try this:
Have you done a relearn on the pass-key?
GM PASS LOCK RELEARN- Ignition to "run" position, try to start and let key return to "run" position
Approx ten minutes security light will go off
Turn key "off" and wait 5 seconds
Repeat 2 more times for a total of 3 relearns.
Turn key off, then start it.
No ASD in yours, it's not a Chrysler product.
Was this
answer
helpful?
Yes
No
Tuesday, March 2nd, 2010 AT 2:55 PM
Tiny
LEGITIMATE007
  • MECHANIC
  • 5,121 POSTS
Thank guys, the user emailed me the starter fixed the problem.
Was this
answer
helpful?
Yes
No
Tuesday, March 2nd, 2010 AT 7:47 PM

Please login or register to post a reply.