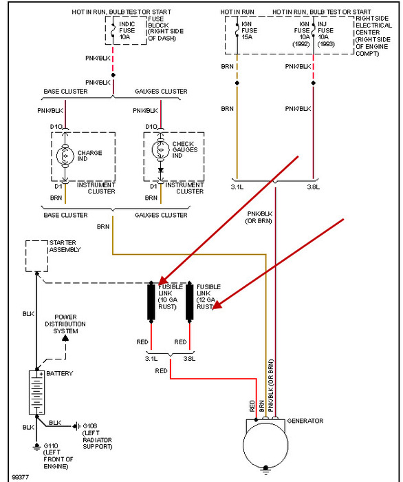
Tuesday, August 28th, 2012 AT 12:43 PM
I have a 93 v6 buick regal and the motor will turn but it want crank the car isnt getting any fire to it all the lights turn on inside and outside but when I turn the key it turns but does not crank I replaced the coil patches but it still didnt crank



