Brake and left rear turn signal not working

Tiny
FRUSTRATED CHEVY
  • MEMBER
  • 2003 CHEVROLET EXPRESS
  • 4.8L
  • V8
  • 2WD
  • AUTOMATIC
  • 230,640 MILES
My left rear brake and turn signal not working. I check all the bulbs. Checked every fuse Left signal flashes fast. Test light flashes fast when I touch in the fuse block. Right flashes normal.
Saturday, May 5th, 2018 AT 1:12 AM

9 Replies

Tiny
KEN L
  • MASTER CERTIFIED MECHANIC
  • 55,090 POSTS
It sounds like you have lost power or ground. I would start by checking the fuses because there are several that run the system.

https://www.2carpros.com/articles/how-to-check-a-car-fuse

Check this guide as well.

https://www.2carpros.com/articles/no-tail-lights-exterior-running-lights-tail-lights-out

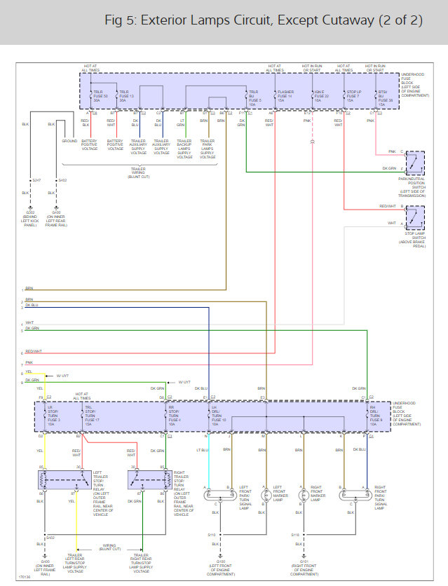
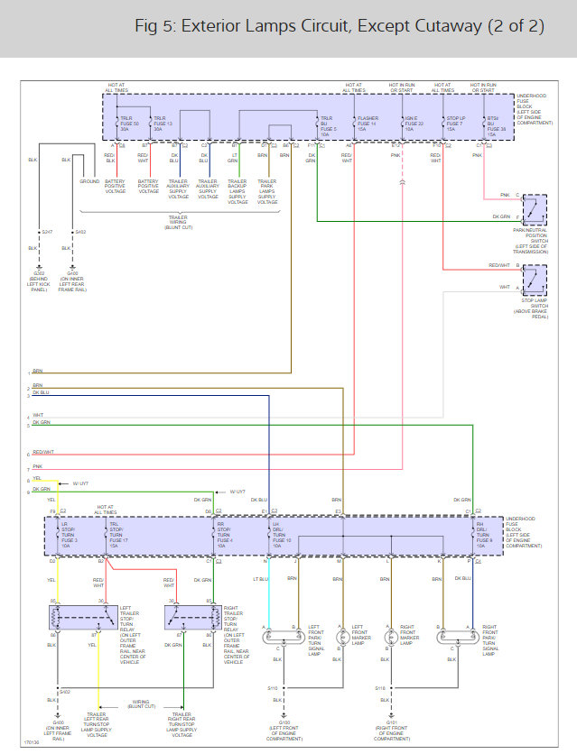
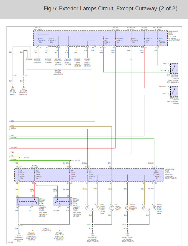
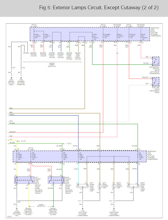
Here is the fuse locations and the brake light wiring diagrams so you can see how the system works.

Check out the diagrams (below). Please let us know what you find. We are interested to see what it is.

Cheers, Ken
Was this
answer
helpful?
Yes
No
Sunday, May 6th, 2018 AT 5:15 PM
Tiny
FRUSTRATED CHEVY
  • MEMBER
  • 2 POSTS
Thanks Ken.
I checked every fuse - okay.
I checked the bulbs- okay.
I check ground at the rear light - okay.
(I used a test light from a known power source or in this case the taillight wire to the ground and it worked)
I searched for diagrams to try and determine where power originated and where it ends in relation to the flasher relay, BCM, fuse block, that I was unsuccessful. I did locate what wire came out of flasher relay, yellow wire.
I exposed the copper wire and ran a new wire from that point to the left rear brake/turn bulb as a test and another ground wire at the rear and turn signal/brake light worked correctly. So I cut the wire at the flasher relay and and ran the new wire to the rear location. At this point all lights are working correctly. Now that I have your post and these images I will look to see if by doing what I did I have bypassed anything.
Was this
answer
helpful?
Yes
No
+5
Monday, May 7th, 2018 AT 2:08 AM
Tiny
KEN L
  • MASTER CERTIFIED MECHANIC
  • 55,090 POSTS
It sounds like you fixed it like you say double check to make sure you did not miss anything. Good job running the new wire, the old wire must have a short.
Was this
answer
helpful?
Yes
No
Monday, May 7th, 2018 AT 11:29 AM
Tiny
MARK JUST MARK
  • MEMBER
  • 3 POSTS
Not sure if it is okay, to hijack someone else's question but I am having a similar issue. Left rear turn and brake not working. So far I have checked bulb, ground etc at bulb, fuses (under seat as well as under hood) - no signal getting to fuse-box under seat, thought it could only be the flasher module, so bought a new one. Same problem with the new one. Isolated the wires coming out of the module, when I touch a tan wire with my test light the flasher relay starts clicking at normal speed but the light in my test light does not flash. Frankly this is where I hit the wall. What could possibly be causing this to happen? If I thought that cutting the wire and running a new wire back there would work I am ready to do that, but I am hesitant to cut a wire, have it still not work and then have to deal with a cut wire and still no turn signal.
Was this
answer
helpful?
Yes
No
+1
Saturday, November 9th, 2019 AT 7:08 AM
Tiny
KEN L
  • MASTER CERTIFIED MECHANIC
  • 55,090 POSTS
Hello,

Yes lets continue this problem until we fix it. It sounds like a bad ground to me lets make sure by checking the connections. here is a guide to help and the updated wiring diagrams so you can see how the system works and which grounds to check. (behind kick panel I would check first.)

https://www.2carpros.com/articles/how-to-check-wiring

Check out the diagrams (below). Please let us know what happens.
Was this
answer
helpful?
Yes
No
+2
Saturday, November 9th, 2019 AT 11:29 AM
Tiny
MARK JUST MARK
  • MEMBER
  • 3 POSTS
I will try to check the grounds. Although I fail to understand how a bad ground would cause the unusual behavior with the test light.
Was this
answer
helpful?
Yes
No
Sunday, November 10th, 2019 AT 3:49 PM
Tiny
KEN L
  • MASTER CERTIFIED MECHANIC
  • 55,090 POSTS
Can you please shoot a quick video with your phone so we can see what's going on, that would be great. You can upload it here with your response.
Was this
answer
helpful?
Yes
No
+1
Monday, November 11th, 2019 AT 11:41 AM
Tiny
MARK JUST MARK
  • MEMBER
  • 3 POSTS
Well, I figure I need to drop in and tell you what happened, First of all. Suggesting I take a video with my phone and upload it says that you certainly have an awfully high opinion of my computer/smartphone skills. Believe me, I did try.
In the end, I decided to just go ahead and splice a new wire. Certainly something I wanted to avoid as it honestly was my "last resort" option. I went in and unplugged every coupling, starting with the bulb and working my way forward. Testing for a signal as I went. I finally found a signal, re-plugged it. Worked my way back to the light, finding a signal each time. Finally got to the bulb, and it was working. So I guess it was a faulty connection in one of the couplers. I don't know if I should be happy that I got it working, or unhappy because I have no idea what I did to fix it other than to unplug and re-plug stuff.
Was this
answer
helpful?
Yes
No
+3
Saturday, December 14th, 2019 AT 9:46 AM
Tiny
KEN L
  • MASTER CERTIFIED MECHANIC
  • 55,090 POSTS
Yep, it sounds like it was a connection issue. Use 2CarPros anytime, we are here to help. Please tell a friend.
Was this
answer
helpful?
Yes
No
Monday, December 16th, 2019 AT 12:17 PM

Please login or register to post a reply.