Brake and turn signal

Tiny
DBELLSR
  • MEMBER
  • 2000 CHEVROLET EXPRESS
  • V8
  • 2WD
  • AUTOMATIC
  • 55,000 MILES
Both brake lite and turn signal works by them self but blinking stops when I press brake pedal. Only the right side dose this. Any advise on what this could be?
Thanks
David
Thursday, September 2nd, 2010 AT 7:14 AM

1 Reply

Tiny
KASEKENNY
  • MECHANIC
  • 18,907 POSTS
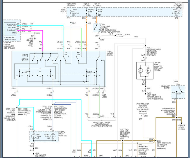
More than likely you have a short to ground in the brake lighting system.

What we need to do is check for a short to ground on the turn signal circuit when the brake is depressed.

https://www.2carpros.com/articles/how-to-check-wiring

If the turn signal does not work when the brake is pressed and there is no short, then the switch is most likely the issue.

Both the turn signals and the brake lights are run through the switch so I suspect it will prove to be shorted internally.

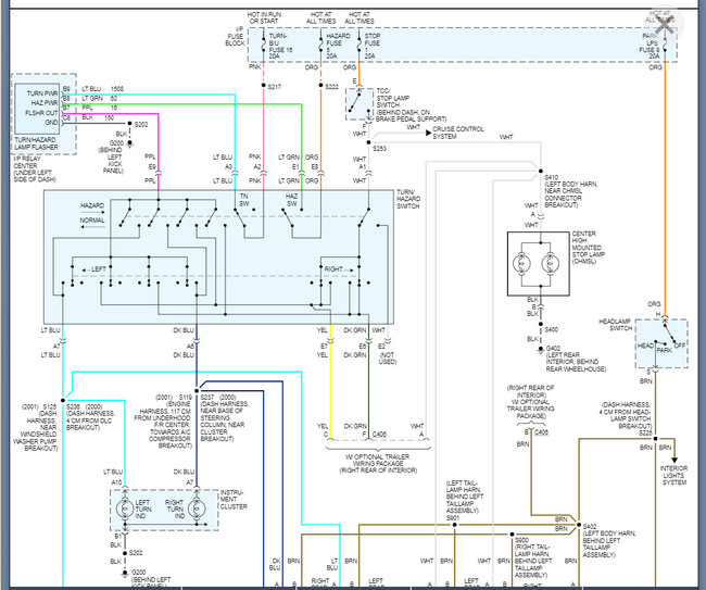
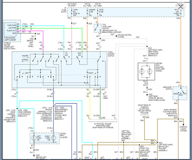
I am attaching the wiring diagram below which will help with this so please run through this and let us know what you find. Thanks
Was this
answer
helpful?
Yes
No
Tuesday, November 2nd, 2021 AT 5:24 PM

Please login or register to post a reply.