My brake lights not working?

Tiny
JBIGELOW007
  • MEMBER
  • 5 POSTS
  • 2001 CHEVROLET SILVERADO
  • V8
  • 4WD
  • AUTOMATIC
  • 54,560 MILES
Trouble with no brake light power at 7 pin connector turn signals work fine as does truck (no bad fuses) 2001 chevy silverado hd 2500 8.1 ltr
Was this
answer
helpful?
Yes
No
Friday, February 26th, 2021 AT 10:10 AM (Merged)
Tiny
DRCRANKNWRENCH
  • MECHANIC
  • 3,380 POSTS
Does your truck have a pushrod that actuates the b rake switch at the pedal?

Check it to make sure the retaining clip is not loose or missing. Also check to see if the electrical connectrions have not come loose and that the switch is getting actuated with th epedal being pressed.

Let me know if that helps.
Was this
answer
helpful?
Yes
No
Friday, February 26th, 2021 AT 10:10 AM (Merged)
Tiny
JBIGELOW007
  • MEMBER
  • 5 POSTS
Truck does have a pushrod, tested brake light switch does function when peddle is pushed "Thanks Jeff"
Was this
answer
helpful?
Yes
No
Friday, February 26th, 2021 AT 10:10 AM (Merged)
Tiny
KHLOW2008
  • MECHANIC
  • 41,814 POSTS
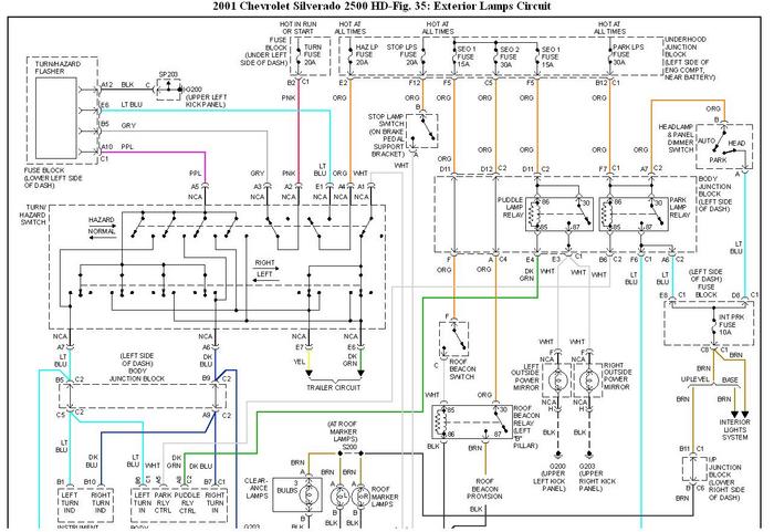
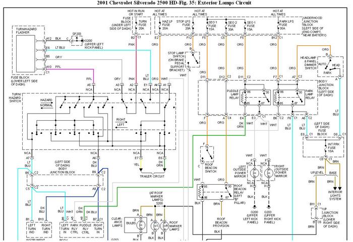
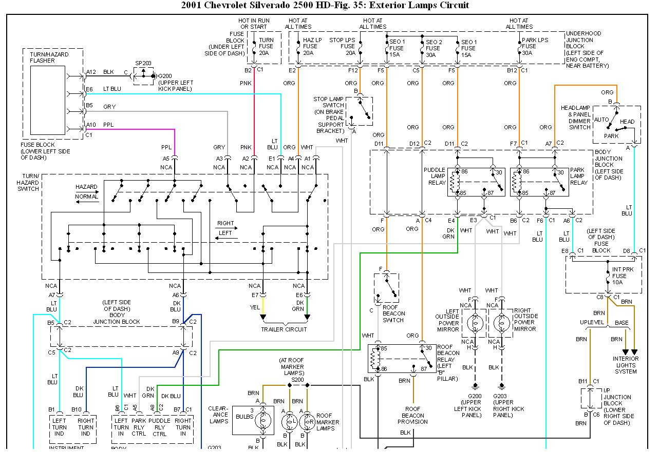
Here is a schematic of the exterior lights.

Check the Orange wire at brake switch, on top of brake pedal for battery voltage. If voltage is available, use a jumper wire to bridge the Orange and White wire. If brake lights come on, the switch is bad or out of adjustment.
Was this
answer
helpful?
Yes
No
Friday, February 26th, 2021 AT 10:11 AM (Merged)
Tiny
JBIGELOW007
  • MEMBER
  • 5 POSTS
The truck has functioning lights, when I plug in 7pin harness to my trailer I have running lights, turning signals, backup lights, power to my electric brakes but no stop lights on trailer> Please help Jeff
Was this
answer
helpful?
Yes
No
Friday, February 26th, 2021 AT 10:11 AM (Merged)
Tiny
KHLOW2008
  • MECHANIC
  • 41,814 POSTS
Do you mean only the trailer stop lights are not working?
Are the brake lights on vehicle body working correctly?

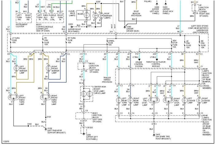
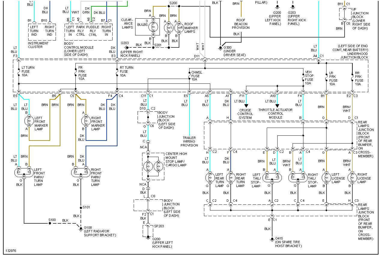
The CHMSL fuse (10A) is for the brake lights. If battery voltage is not available athe trailer connector, check the CHMSL fuse. Use a test lamp to test both ends of the fuse. If voltage is available and none found at trailer connector (Light Blue wire), you have an open circuit between the fuse and trailer connector.
Was this
answer
helpful?
Yes
No
Friday, February 26th, 2021 AT 10:11 AM (Merged)
Tiny
JBIGELOW007
  • MEMBER
  • 5 POSTS
Thank you KHLow2008 will try to test that circuit (fuse is good)will advise thanks again. Jeff
Was this
answer
helpful?
Yes
No
Friday, February 26th, 2021 AT 10:11 AM (Merged)
Tiny
KHLOW2008
  • MECHANIC
  • 41,814 POSTS
You're welcome.

Sorry it took me so long as I misunderstood your question.

Have a nice day.
Was this
answer
helpful?
Yes
No
-1
Friday, February 26th, 2021 AT 10:11 AM (Merged)
Tiny
2CP-ARCHIVES
  • MEMBER
  • 4,540 POSTS
  • 2000 CHEVROLET SILVERADO
  • 141,000 MILES
Why does my back right break light work but my passenger side does not? I all ready replaced the bulb.
Was this
answer
helpful?
Yes
No
Friday, February 26th, 2021 AT 10:11 AM (Merged)
Tiny
JDL
  • MECHANIC
  • 16,098 POSTS
The lite blue wire is voltage for brake lamps. Black wire is ground.
Was this
answer
helpful?
Yes
No
Friday, February 26th, 2021 AT 10:11 AM (Merged)
Tiny
JMHAWK2
  • MEMBER
  • 1 POST
  • 2000 CHEVROLET SILVERADO
  • V8
  • 4WD
  • AUTOMATIC
  • 99,525 MILES
I have a 2000 silverado 2500 4x4 & the 3rd brake light is not working. I've checked with a meter, no power gets to the bulbs also have checked at the plug connection/wires & no power. Have swapped with a known good assy from same model that works & that one did not work however my when my light was put on the other truck it worked OK. So that eliminates the light assy.
Any suggestions and advice Is greatly appreciated.
Was this
answer
helpful?
Yes
No
Friday, February 26th, 2021 AT 10:11 AM (Merged)
Tiny
RASMATAZ
  • MECHANIC
  • 75,992 POSTS
Did you checked the CHMSL fuse 10amp it powers the 3rd light-if okay-inspect and test the light blue wire at the body junction box left side of dash


https://www.2carpros.com/forum/automotive_pictures/12900_brake_light_3.jpg

Was this
answer
helpful?
Yes
No
Friday, February 26th, 2021 AT 10:11 AM (Merged)
Tiny
JESS BARKER
  • MEMBER
  • 1 POST
  • 1999 CHEVROLET SILVERADO
  • 4.8L
  • V8
  • 4WD
  • AUTOMATIC
  • 186,000 MILES
My brake lights work after 8:00 am and stay on at night, the four wheel drive does not work if the brake lights will not turn off. I am thinking it may be the sensor for the automatic lights on/off function. Any ideas?
Was this
answer
helpful?
Yes
No
Friday, February 26th, 2021 AT 10:11 AM (Merged)
Tiny
JACOBANDNICKOLAS
  • MECHANIC
  • 110,192 POSTS
Hi and thanks for using 2CarPros. Com.

It sounds like you have a bad brake light switch. Have you checked it? It is located at the top of the brake pedal. Here are the directions for removal and replacement if you find it is bad. The attached picture shows the switch and correlates with these directions.

CAUTION: Refer to Battery Disconnect Caution in Service Precautions.

1. Disconnect the negative battery cable.
2. Disable the SIR.
3. Remove the pushrod retainer from the brake pedal pin. Use snap ring pliers.
4. Unsnap the stoplamp switch from the pushrod.
5. Disconnect the electrical connector from the stoplamp switch.

INSTALLATION PROCEDURE

1. Connect the electrical connector to the stoplamp switch.
2. Snap the stoplamp switch onto the pushrod.
3. Install a new pushrod retainer on the brake pedal pin. Use an 11 mm (7/16 inch) socket in order to push a new clip onto the pin.
4. Connect the negative battery cable.
5. Enable the SIR.

Let me know if this helps.

Take care,
Joe
Was this
answer
helpful?
Yes
No
Friday, February 26th, 2021 AT 10:11 AM (Merged)
Tiny
GTEDWARDS
  • MEMBER
  • 1 POST
  • 1999 CHEVROLET SILVERADO
  • V8
  • 4WD
  • AUTOMATIC
  • 125,000 MILES
On my pickup, I have no Brake lights or taillights, they seem to work sometimes but are very dim. I was told to try a new circut boards at the tail light assembly, ive tried new bulbs, checked connection under truck and checked ground but cannot figure it out?
Was this
answer
helpful?
Yes
No
Friday, February 26th, 2021 AT 10:12 AM (Merged)
Tiny
JDL
  • MECHANIC
  • 16,098 POSTS
Check the fuses in the diagram, check the actual voltage readings. This is for brake lites. The stop lamp fuse and center high-mount fuse, underhood fuse block. With the brake switch activated, the voltage should be close to battery voltage. Yes, it does sound like it could be a grounD problem?

this guide will help

https://www.2carpros.com/articles/brake-lights-not-working


https://www.2carpros.com/forum/automotive_pictures/170934_silverado_ground_1.jpg




https://www.2carpros.com/forum/automotive_pictures/170934_silverado_brake_lites_1.jpg

Was this
answer
helpful?
Yes
No
Friday, February 26th, 2021 AT 10:12 AM (Merged)
Tiny
NEDDERS
  • MEMBER
  • 1 POST
  • 1998 CHEVROLET SILVERADO
  • 174,000 MILES
No brake light the third brake light works. Everything else works just no brake light.
Was this
answer
helpful?
Yes
No
Friday, February 26th, 2021 AT 10:12 AM (Merged)
Tiny
TOUGHDIVER
  • MECHANIC
  • 224 POSTS
It might be the multi-function switch (turn signal switch) has an open circuit. need to check the bulbs, fuses and relay first. I'm attaching links and diagrams below to help you locate them. If your high mount brake lamp is working because it is on a different circuit than then the rear stop lamps and you can eliminate the brake lamp switch. Let us know if this information was helpful and if you need any more help.

https://www.2carpros.com/articles/how-to-check-a-car-fuse

this guide can help as well

https://www.2carpros.com/articles/brake-lights-not-working

https://www.2carpros.com/articles/turn-signal-switch-replacement

Check out the diagrams (Below). Please let us know what happens.
Was this
answer
helpful?
Yes
No
Friday, February 26th, 2021 AT 10:12 AM (Merged)
Tiny
JASON04
  • MEMBER
  • 1 POST
  • 1997 CHEVROLET SILVERADO
  • V8
  • 2WD
  • AUTOMATIC
  • 100,000 MILES
No brake lights on 1997 Chevy Silverado. I have changed the brake switch, brake light relay, the bulbs, and the tail light assembly. Also checked the fuses. The turn signals, tail lights, hazards all work but still NO brake lights.
Was this
answer
helpful?
Yes
No
Friday, February 26th, 2021 AT 10:16 AM (Merged)
Tiny
JDL
  • MECHANIC
  • 16,098 POSTS
Does the highmount brake lite work? Did you check for voltage going to the brake switch, orange. The lower brake lites are wired through the multifunction switch. At the lower rear, the brake lites and turn signals use the same bulb filament, just not at the same time. Check voltage and ground at the rear.

In the diagram, the brown wire is voltage for tail lamps, the other color wires are for stop/turn. The black wire is ground.
Was this
answer
helpful?
Yes
No
Friday, February 26th, 2021 AT 10:16 AM (Merged)

Please login or register to post a reply.