I have no brake lights I need to fix it

Tiny
TOOLX09
  • MEMBER
  • 1996 CHEVROLET SILVERADO
We have tested fuses and they are good! But we still don't have any brake lights! Have tail lights and back up lights. Is there a brake light switch somewhere? Husband thinks it could be this plug in with 6 wires that goes on the brake rod to the master cylinder. (Hope that's what he told me) Is there anyway to test that part?
Monday, May 18th, 2009 AT 4:49 PM

40 Replies

Tiny
JACOBANDNICKOLAS
  • MECHANIC
  • 110,194 POSTS
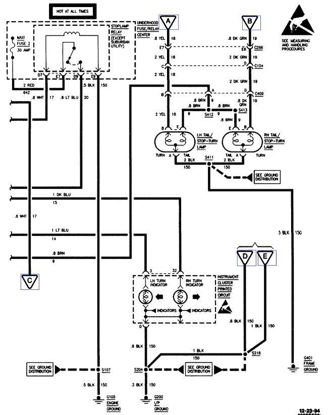
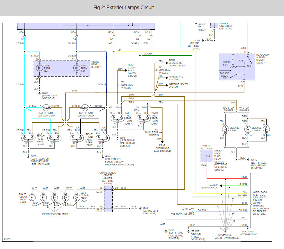
The brake light switch is on the top of the brake pedal. Use a test light to see if you have power on both sides once the pedal is depressed (orange wire)

Here are guides to help you get the job done.

https://www.2carpros.com/articles/brake-lights-not-working

and

https://www.2carpros.com/articles/how-to-use-a-test-light-circuit-tester

There is a tail lamp relay as well

https://www.2carpros.com/articles/how-to-check-an-electrical-relay-and-wiring-control-circuit

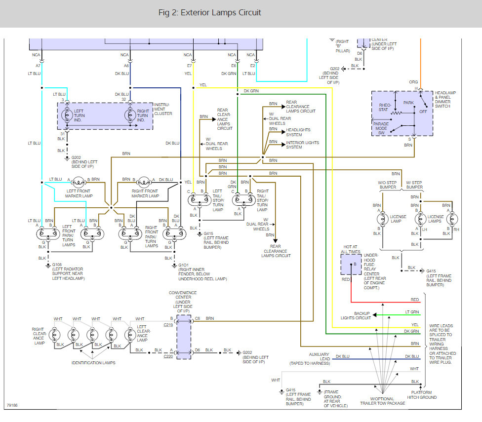
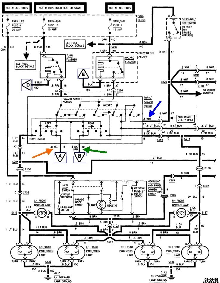
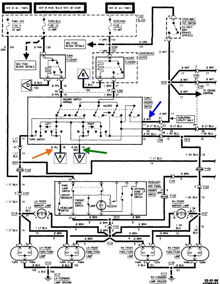
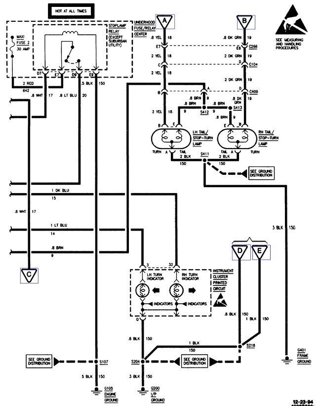
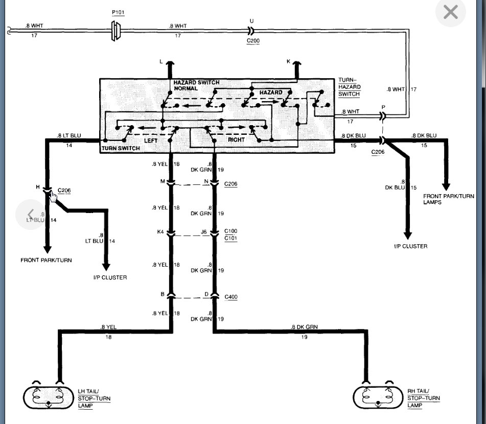
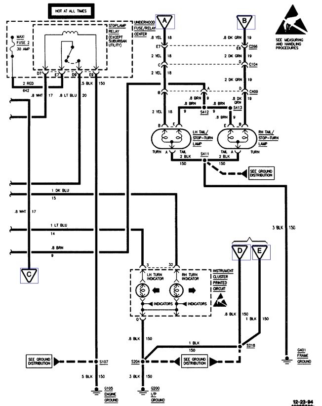
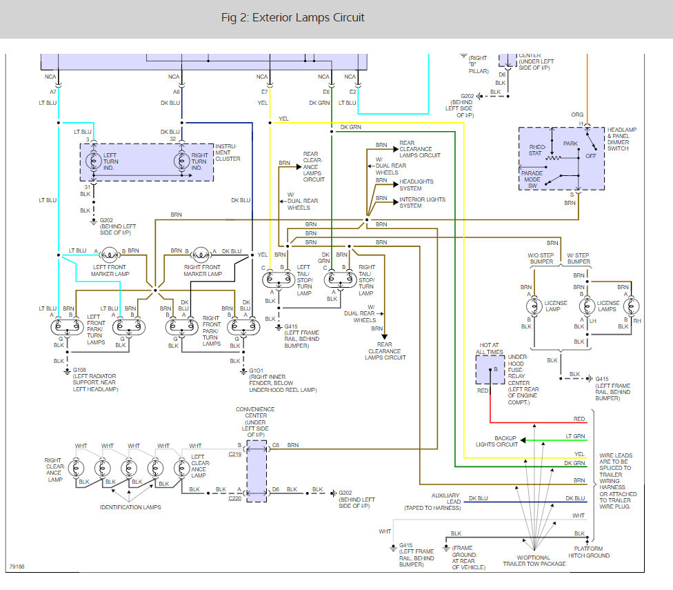
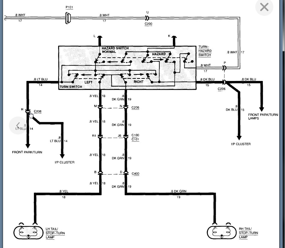
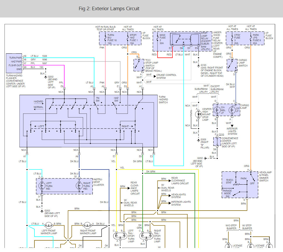
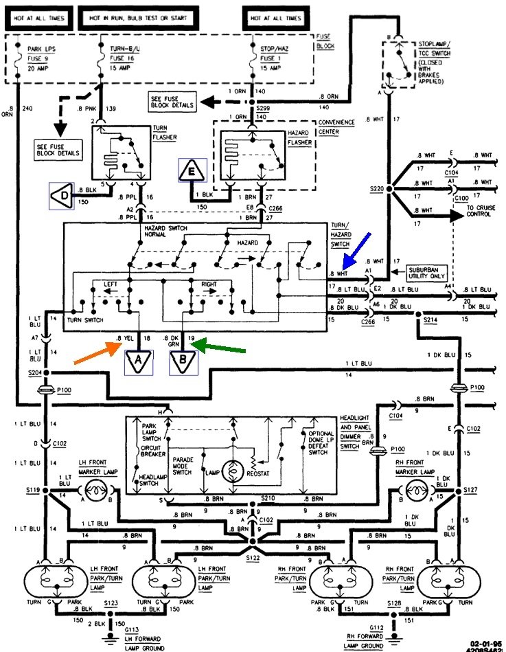
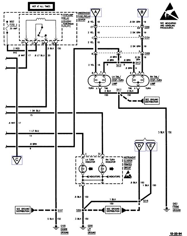
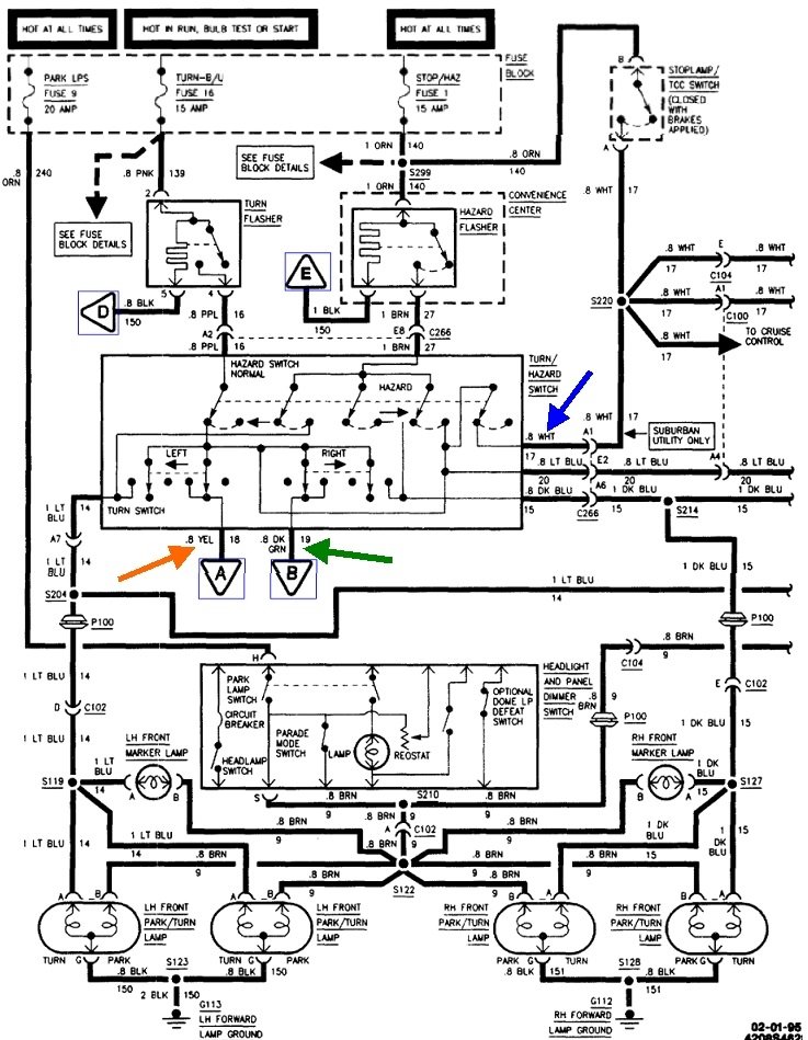
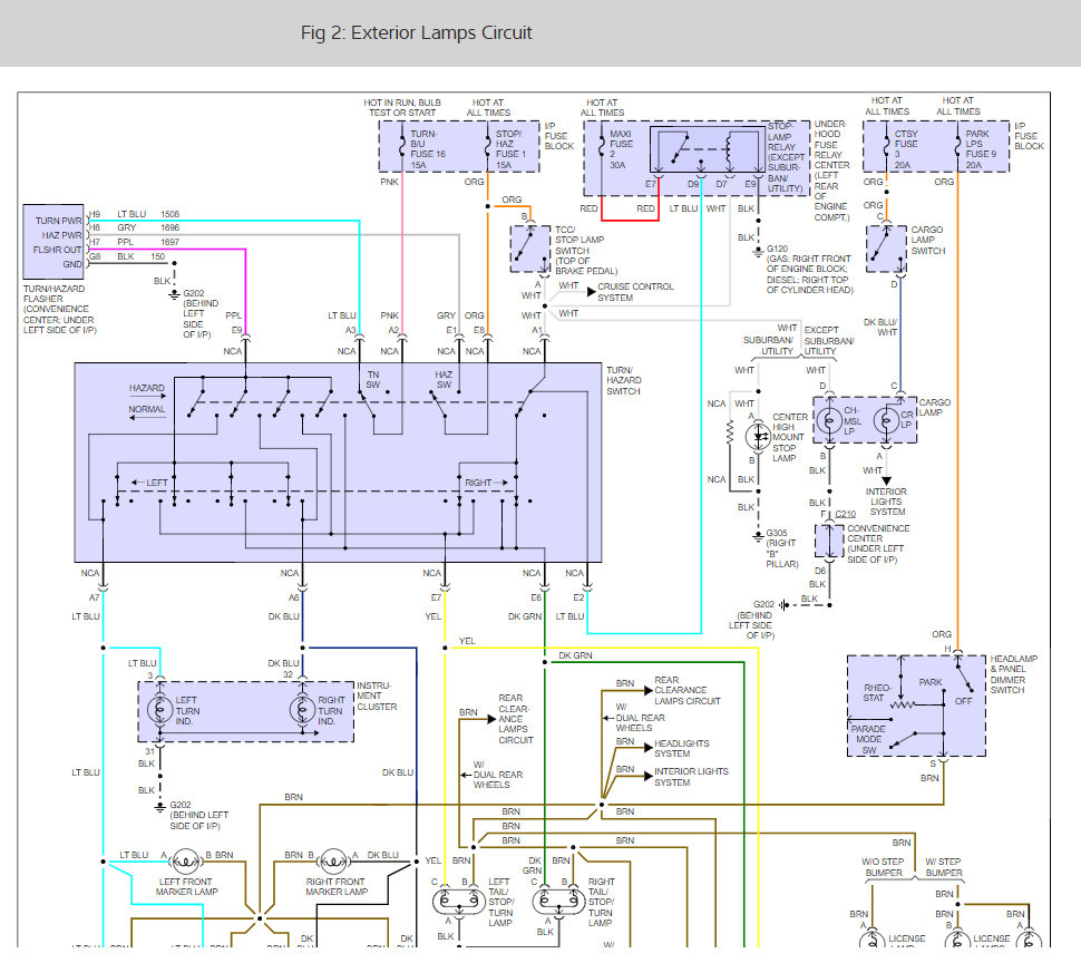
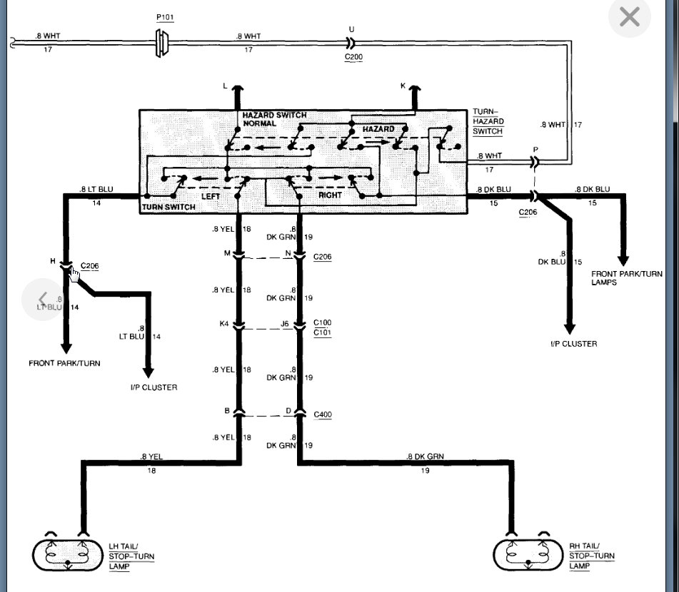
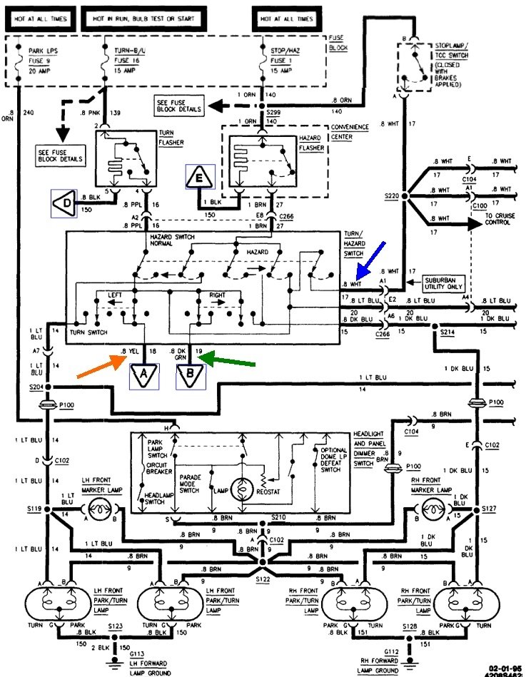
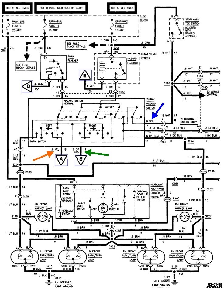
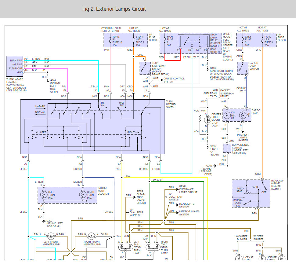
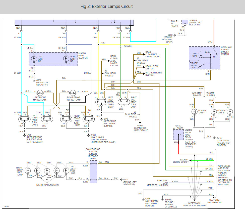
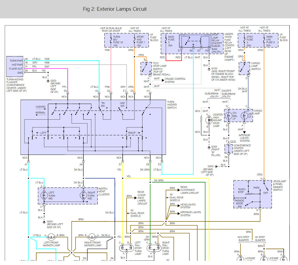
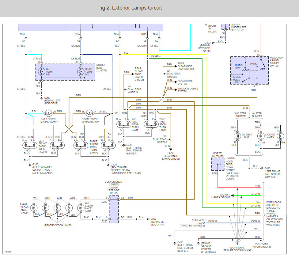
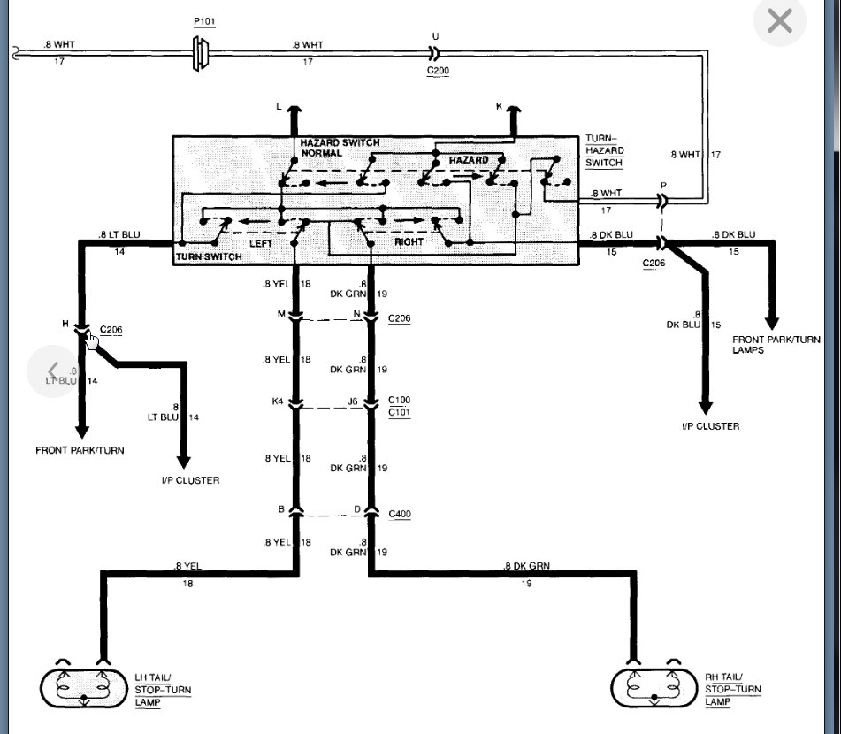
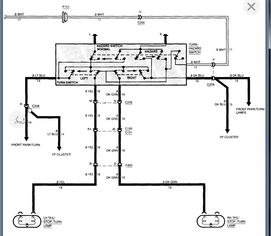
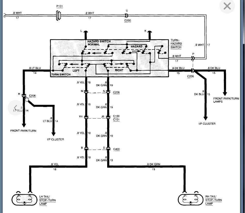
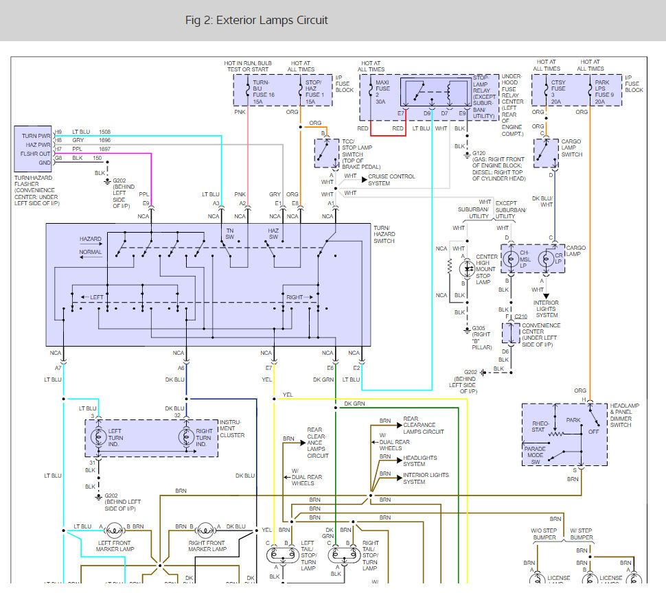
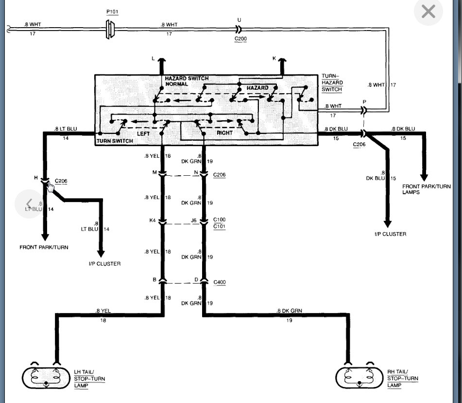
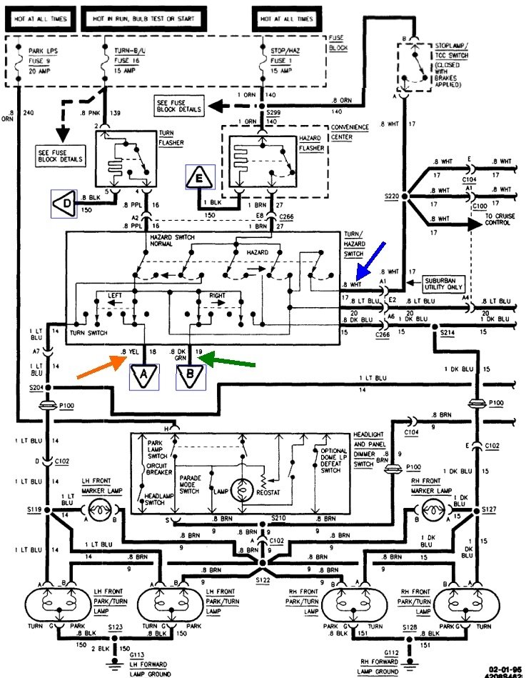
Here is a wiring diagram to help (below) Please let us know what you find.
Was this
answer
helpful?
Yes
No
+1
Saturday, October 27th, 2018 AT 11:03 AM
Tiny
TOOLX09
  • MEMBER
  • 4 POSTS
Yes, my husband said there is a rear tail light circuit board and he will check that.

Will this test tell of the brake light switch is bad?

Thanks for your help I appreciate it.
Was this
answer
helpful?
Yes
No
+1
Saturday, October 27th, 2018 AT 11:03 AM
Tiny
JACOBANDNICKOLAS
  • MECHANIC
  • 110,194 POSTS
Yes it will, you can check for power in to the switch (which is hot all the time) and when you hit the brakes, there should be power coming out from the other wire. If I had to guess.

Let me know what you find.

Joe
Was this
answer
helpful?
Yes
No
Saturday, October 27th, 2018 AT 11:03 AM
Tiny
TOOLX09
  • MEMBER
  • 4 POSTS
Hey guys, finally gave up on trying to solve this mystery. Took it to the pros and found there is a fuse under the hood. Changed the fuse and now it works.

Hope this helps others!

Husband says he didn't know they could be under the hood. Sigh.
Was this
answer
helpful?
Yes
No
+2
Saturday, October 27th, 2018 AT 11:03 AM
Tiny
KEN L
  • MASTER CERTIFIED MECHANIC
  • 55,488 POSTS
Good to hear, please use 2CarPros anytime we are here to help.

Cheers, Ken
Was this
answer
helpful?
Yes
No
+2
Saturday, October 27th, 2018 AT 11:03 AM
Tiny
WEBWATCHER
  • MEMBER
  • 2 POSTS
  • 1996 CHEVROLET SILVERADO
  • 5.7L
  • V8
  • 4WD
  • AUTOMATIC
  • 185,000 MILES
Brake lights on 1996 C1500 stopped working, to include the above cab light as well. Checked and I have no power to the lights (removed left brake light housing and checked continuity). I've checked all the fuses. The #1 location 20amp fuse for aux/haz keeps blowing. If I put in a new fuze and turn on the hazard lights it blows. First guess is a ground wire but its just my guess. It doesn't seem to sound like the brake switch or the turn signal switch. But I don't know so that's why I'm asking you experts. Any suggestions greatly appreciated.
Was this
answer
helpful?
Yes
No
Friday, February 26th, 2021 AT 10:34 AM (Merged)
Tiny
CARADIODOC
  • MECHANIC
  • 34,489 POSTS
It's not a ground wire problem. Those wires already go to ground so if one is bare and touching the body, that's what it's already going to. If it's broken, there is no short so the fuse wouldn't blow.

A simple trick to finding a short is to replace the blown fuse with a pair of spade terminals, then use small jumper wires to connect them to a 12 volt light bulb. A brake light bulb works well. When the circuit is live and the short is present, the bulb will be full brightness and hot so be sure it's not laying on the carpet or against a plastic door panel. Now you can unplug electrical connectors and move things around to see what makes the short go away. When it does, the bulb will get dim or go out.

You can place a stick between the seat and the brake pedal to keep the brake light switch turned on for the tests. Also, try activating the turn signals each way. If turning on the left signals, for example, makes the test bulb light up bright, but it's just dim for the right signal, you'll know to look on the left side for the short. The place to start looking for a grounded wire is at a trailer wiring harness.
Was this
answer
helpful?
Yes
No
Friday, February 26th, 2021 AT 10:34 AM (Merged)
Tiny
WEBWATCHER
  • MEMBER
  • 2 POSTS
Great info and thanks for the reply.

So from the problems I identified, you do not believe it would be the brake light switch or the turn signal switch? Friend of mine thinks it might be one of those two.

I just rechecked and: the taillights work, the turn signals work, the brake lights do not work, the high position brake light does not work.

If I install a fuse, the emergency blinkers and engine compartment light will work for just a moment before the fuse is blown.
Was this
answer
helpful?
Yes
No
Friday, February 26th, 2021 AT 10:34 AM (Merged)
Tiny
CARADIODOC
  • MECHANIC
  • 34,489 POSTS
I don't have all trucks memorized so you'll have to tell me, ... Does yours use separate bulbs in back, one for the signal and another one for the brake light? Most manufacturers have gone to that. It greatly simplifies the turn signal switch but it makes it miserable for connecting the two independent circuits to one circuit on a trailer.

My guess is you have two separate bulbs because you said the turn signals work. If that is correct, the signal switch is not part of the system so we can forget that. Switches won't cause a blowing fuse anyway because there isn't anything in them going to ground, therefore, no matter what would become shorted, it would just make the wrong lights turn on or at the wrong time.

Do my light bulb trick so you don't have to keep wasting fuses. Once the brake pedal is held down and the test bulb is bright, move harnesses around, particularly in back, and remove the rear lamp assemblies to see if disturbing any of those things makes the bulb go dim. When it does, you'll also see the brake lights turn on dimly.

If you have a four-pin trailer connector from U-Haul with three red LEDs on it, those often shorted leading to blowing fuses.
Was this
answer
helpful?
Yes
No
Friday, February 26th, 2021 AT 10:34 AM (Merged)
Tiny
RICKY ROGERS
  • MEMBER
  • 1 POST
  • 1996 CHEVROLET SILVERADO
  • 4.3L
  • V6
  • AUTOMATIC
  • 100,000 MILES
I replaced the switch and the light bulbs I checked the wiring harness under the truck bed and put brake fluid in it still no brake lights. When I started working on it I checked a few things and they started working for a little while then they quite is their a relay because when they were working when I mashed I heard a click under the dash. Can you please help me? I am sorry but something went wrong it is a 1996 s 10 pickup.
Was this
answer
helpful?
Yes
No
+1
Friday, February 26th, 2021 AT 10:34 AM (Merged)
Tiny
CARADIODOC
  • MECHANIC
  • 34,489 POSTS
Not sure what you heard clicking, but the brake light switch would have been the best suspect. Start by measuring the voltage on the orange wire on the brake light switch. If you have that, verify you have twelve volts on the white wire when you press the brake pedal.
Was this
answer
helpful?
Yes
No
+1
Friday, February 26th, 2021 AT 10:34 AM (Merged)
Tiny
JNET62
  • MEMBER
  • 1 POST
  • 1995 CHEVROLET SILVERADO
  • 4.3L
  • V6
  • 2WD
  • AUTOMATIC
  • 183,000 MILES
The brake light on the cab works but the brake lights on the bed do not.
Was this
answer
helpful?
Yes
No
Friday, February 26th, 2021 AT 10:34 AM (Merged)
Tiny
CARADIODOC
  • MECHANIC
  • 34,489 POSTS
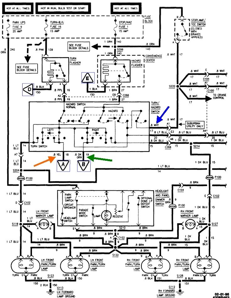
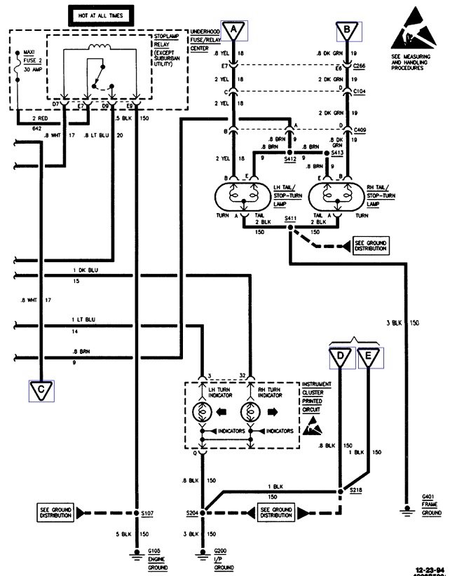
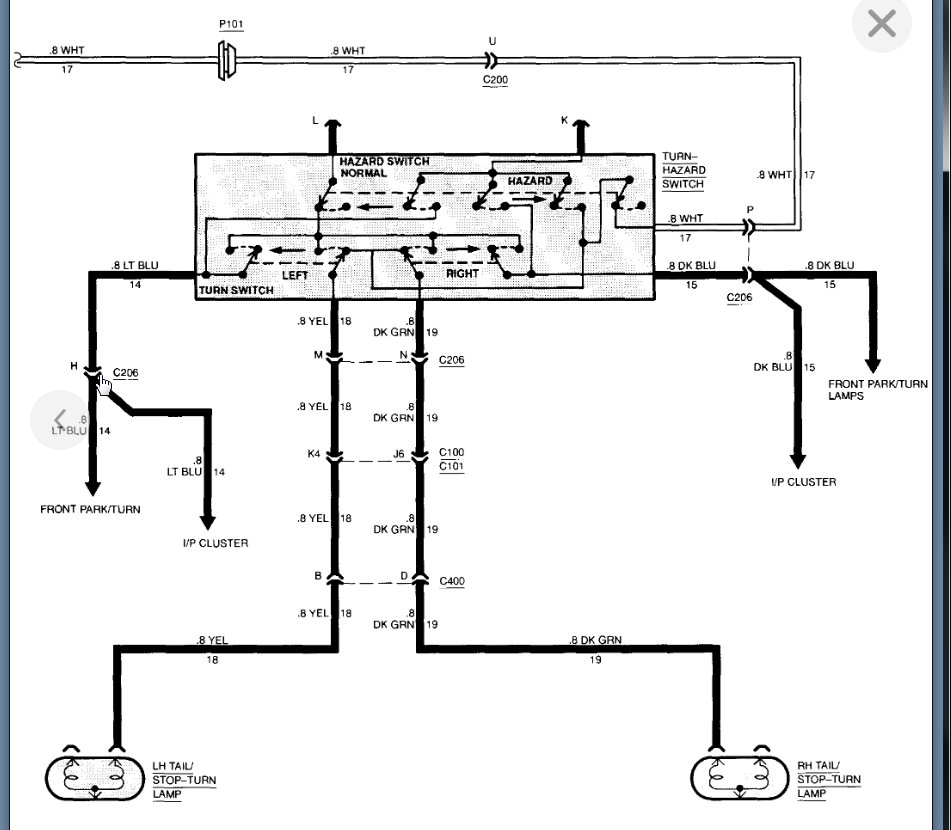
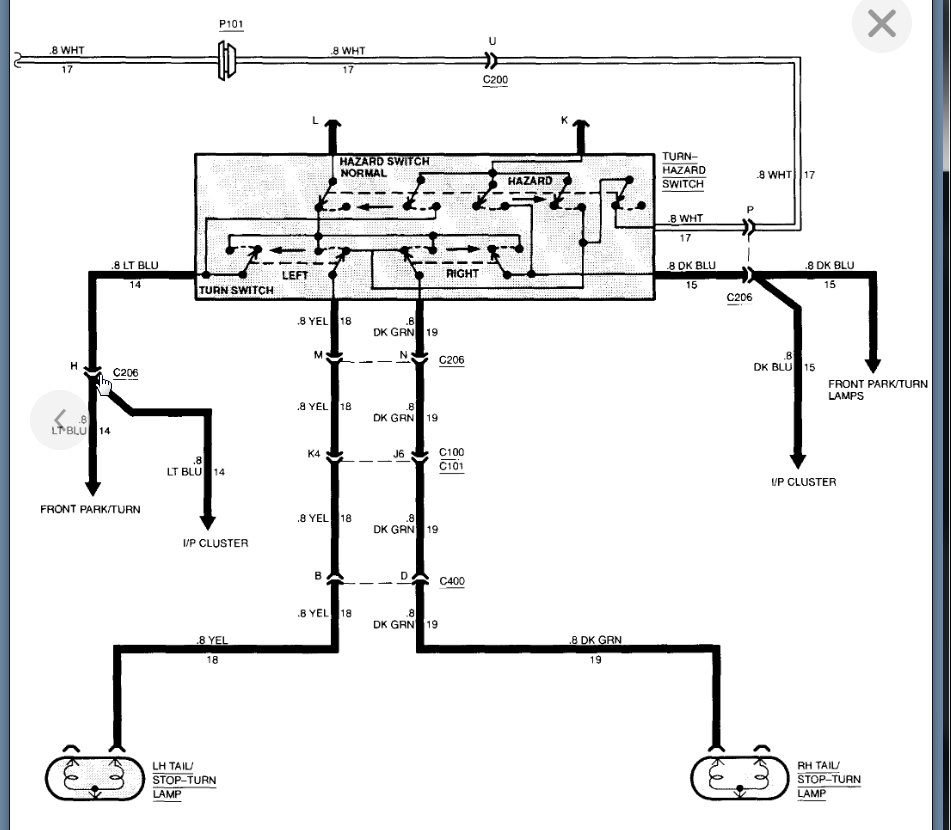
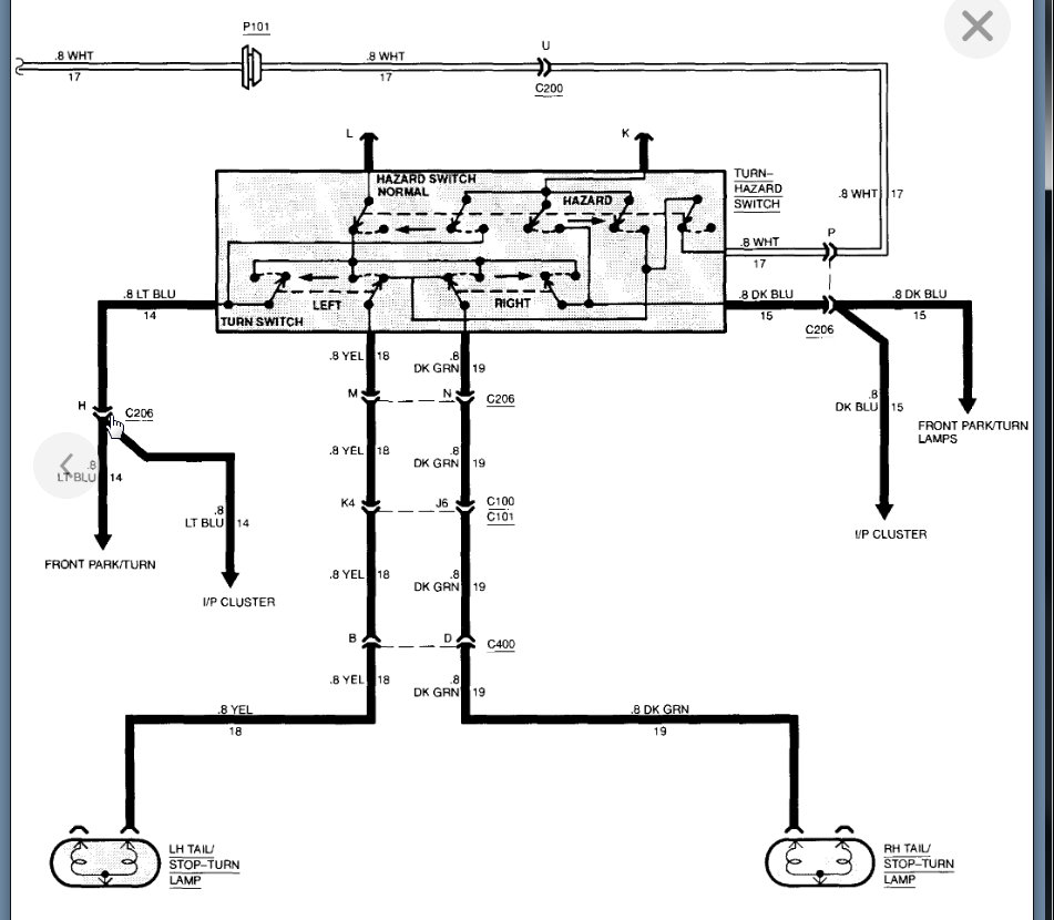
The best suspect is the turn signal switch. The working center high-mount brake light proves the brake light switch and its circuit are working. That brake light doesn't go through the signal switch, but the two rear brake lights do.

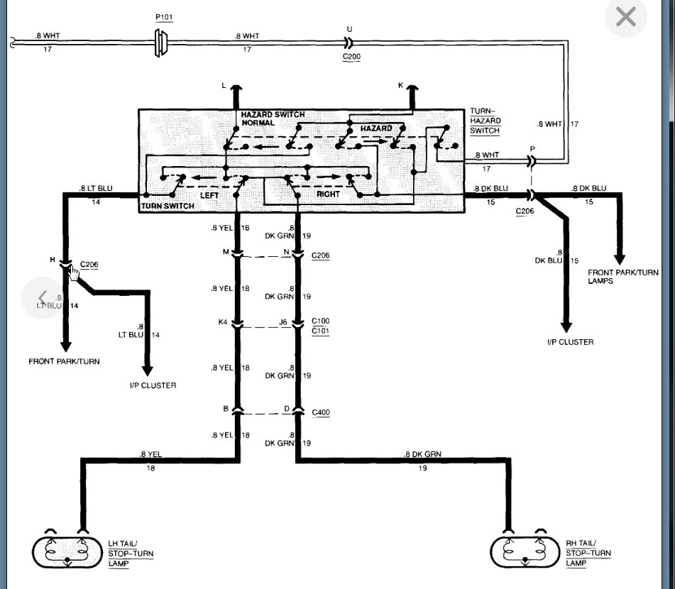
Before you replace the turn signal switch assembly, be sure the hazard switch is fully turned off and is not stuck midway between on and off.

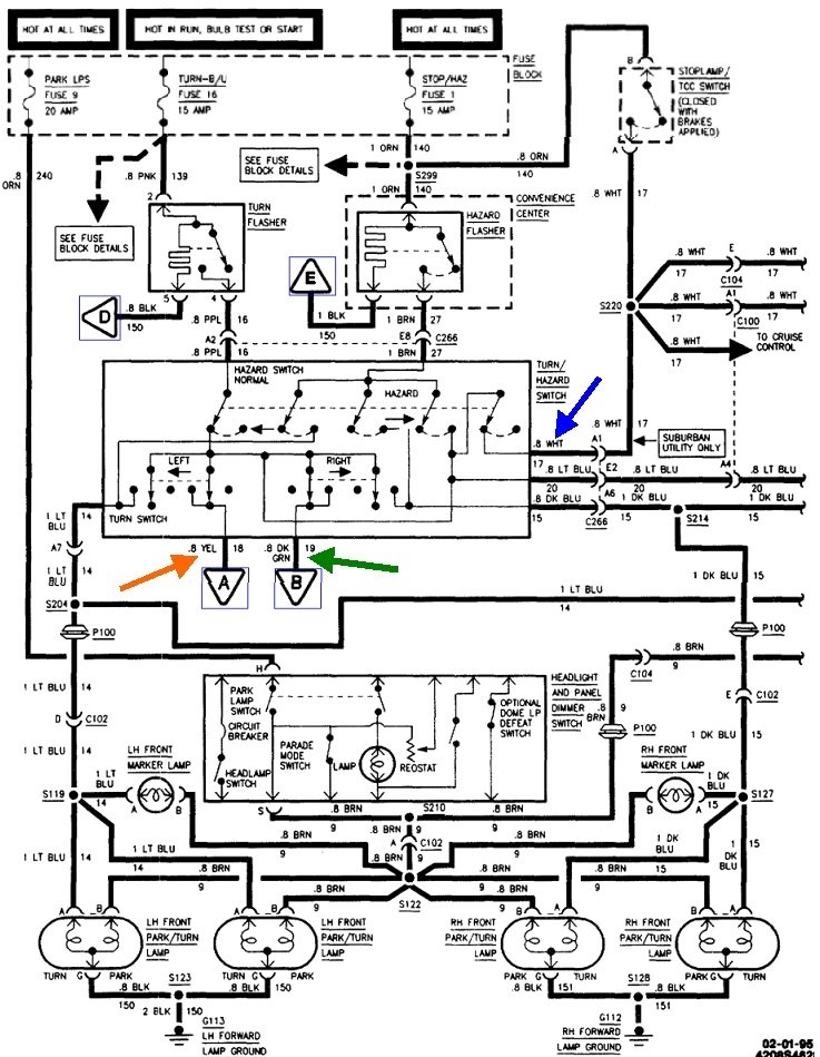
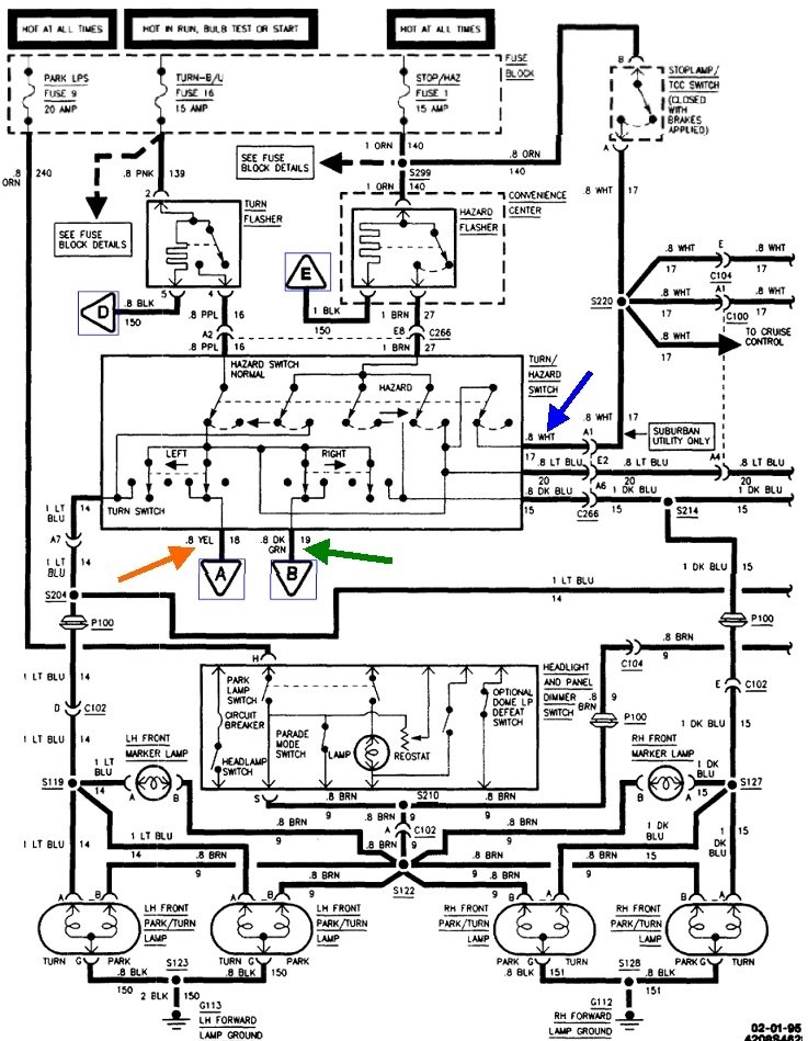
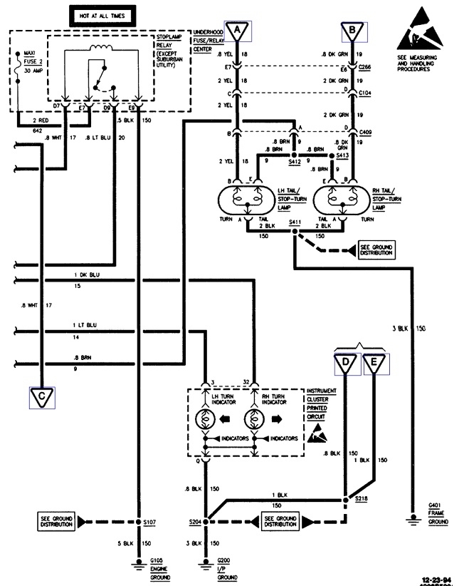
To verify this, check for 12 volts on the white wire, (blue arrow), at the signal switch connector when the brake pedal is pressed. Next, check on the yellow or dark green wires and you'll find it's not there.
Was this
answer
helpful?
Yes
No
+1
Friday, February 26th, 2021 AT 10:34 AM (Merged)
Tiny
IVANBERNAL69
  • MEMBER
  • 2 POSTS
  • 1995 CHEVROLET SILVERADO
  • 5.7L
  • V8
  • 2WD
  • AUTOMATIC
  • 300,000 MILES
I checked everything from fuses to ground wires to bad tail lights. I found out that it was the brake light switch that wasn't working. I found out that the button on it is not getting pressed. When ever I press on the brake pedal the push rod and brake go with it and the switch isn't getting pressed.
Was this
answer
helpful?
Yes
No
Friday, February 26th, 2021 AT 10:36 AM (Merged)
Tiny
ASEMASTER6371
  • MECHANIC
  • 52,796 POSTS
Good evening,

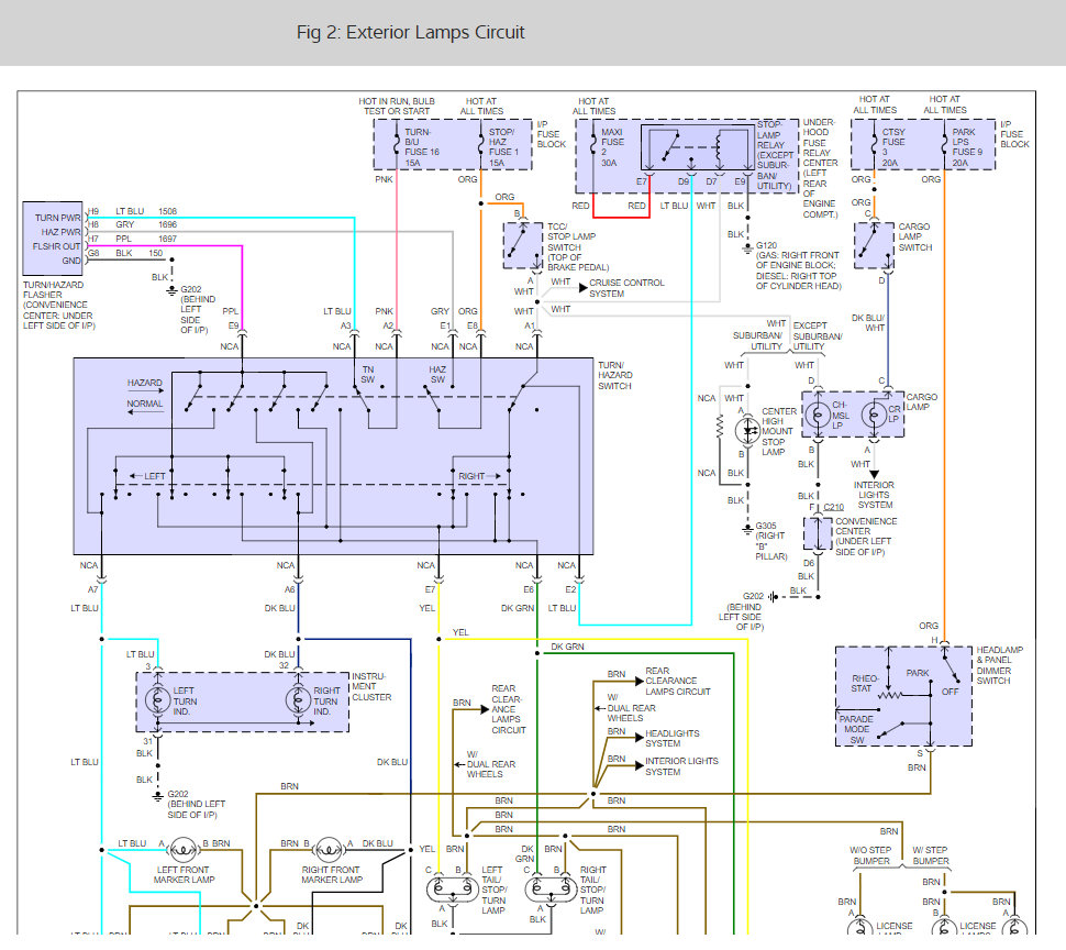
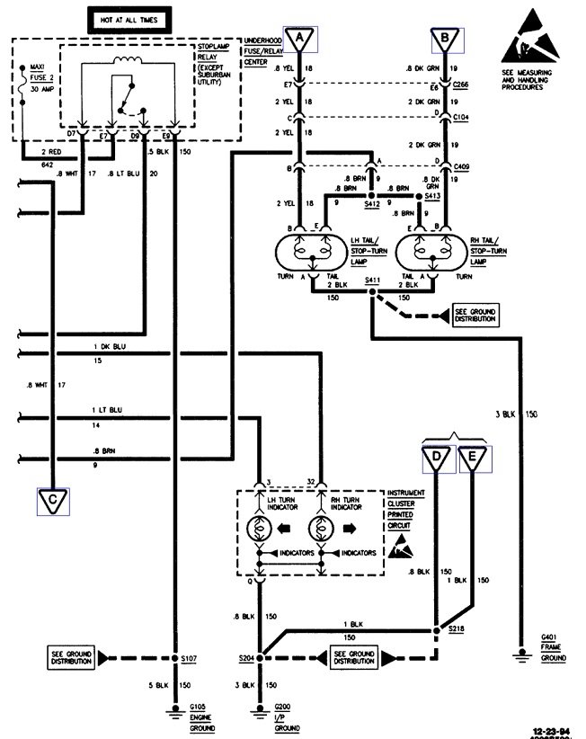
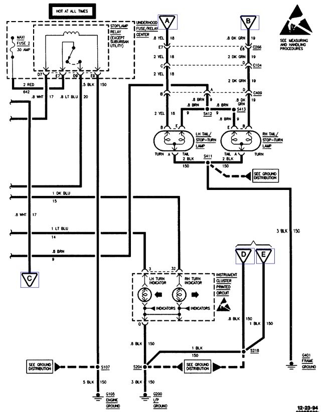
Does the brake pedal feel normal? Here is what the brake light switch should look like. Check out the diagrams (Below). Please let us know what happens.
Was this
answer
helpful?
Yes
No
+1
Friday, February 26th, 2021 AT 10:36 AM (Merged)
Tiny
JACOBANDNICKOLAS
  • MECHANIC
  • 110,194 POSTS
Hi,

The entire switch shouldn't move. Are you sure it hasn't come disconnected? Here are directions for removal and replacement. Take a look through these directions and confirm it is still properly attached. The two attached pictures correlate with the directions.

________________________

1995 Chevy Truck C 1500 Truck 2WD V8-350 5.7L VIN K TBI
Stop Lamp Switch
Vehicle Sensors and Switches Sensors and Switches - Lighting and Horns Brake Light Switch Service and Repair Procedures Stop Lamp Switch
STOP LAMP SWITCH
STOPLAMP SWITCH

Remove or Disconnect

pic 1

1. Negative battery cable.
2. Retainer from brake pedal pin.
3. Switch by unsnapping from pushrod.
4. Electrical connector from switch.

Install or Connect

pic 2

1. Electrical connector into switch.
2. Switch by snapping it onto pushrod.
3. Retainer onto brake pedal pin.
4. Negative battery cable.

______________________

Let me know what you find or if you have other questions.

Take care,
Joe
Was this
answer
helpful?
Yes
No
+1
Friday, February 26th, 2021 AT 10:36 AM (Merged)
Tiny
IVANBERNAL69
  • MEMBER
  • 2 POSTS
Thanks both for answering. The brake switch fix it great site btw :)
Was this
answer
helpful?
Yes
No
Friday, February 26th, 2021 AT 10:36 AM (Merged)
Tiny
ASEMASTER6371
  • MECHANIC
  • 52,796 POSTS
Yep we like it too
Was this
answer
helpful?
Yes
No
Friday, February 26th, 2021 AT 10:36 AM (Merged)
Tiny
94SILVERADO
  • MEMBER
  • 2 POSTS
  • 1994 CHEVROLET SILVERADO
  • 5.7L
  • V8
  • 2WD
  • AUTOMATIC
  • 213,000 MILES
I had problems with the transmission not shifting completely into overdrive. The transmission shop replaced the brake light switch. Transmission shifted properly. However, at the time I didn't think to check the brake lights.
I replaced the brake light switch and the brake lights work for about 3 cycles of pushing on the brake pedal, then there are no brake lights. I have checked the wiring from the brake light switch to the light bulbs, with no breaks in wiring.
Replaced brake light switch again and same sequence and quit.
Was this
answer
helpful?
Yes
No
Friday, February 26th, 2021 AT 10:36 AM (Merged)
Tiny
KASEKENNY
  • MECHANIC
  • 18,907 POSTS
How did you check the wiring? Did you ohm it out to make sure you don't have any shorts? I suspect that is the issue because there isn't anything else in this system other than wiring, the switch and bulbs. If just pressing the pedal makes the switch fail, then I suspect there is a wiring issue.

Let's check for shorts to power, ground and go from there.
Was this
answer
helpful?
Yes
No
Friday, February 26th, 2021 AT 10:36 AM (Merged)

Please login or register to post a reply.