My Brake Light has stopped working on my Silverado?

2014 CHEVROLET SILVERADO
50,000 MILES • 5.3L • V8 • 4WD • AUTOMATIC
Avatar
NORBS87
  • MEMBER
  • 1 POST
My Brake Light has stopped working on my 2014 Silverado. I have a truck topper installed and the center brake light is out on it as well. I checked the CHMSL fuse and it is fine. Any ideas?
Oct 24, 2015 at 4:48 PM
Repair Safety Notice: This information is for general instructional purposes only. Vehicle repair can be dangerous. Verify all information, follow manufacturer service procedures, use proper tools and safety equipment, and consult a qualified repair shop when needed.
Advertisement
Avatar
RIVERMIKERAT
  • CAR REPAIR CONTRIBUTOR
  • 6,110 POSTS
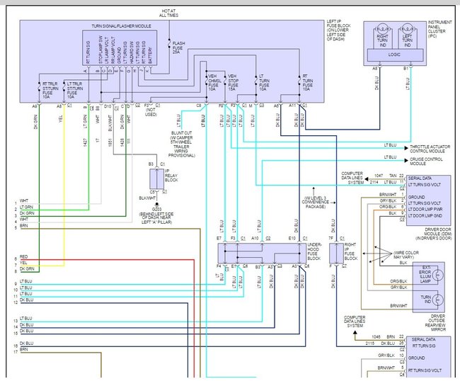
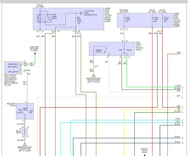
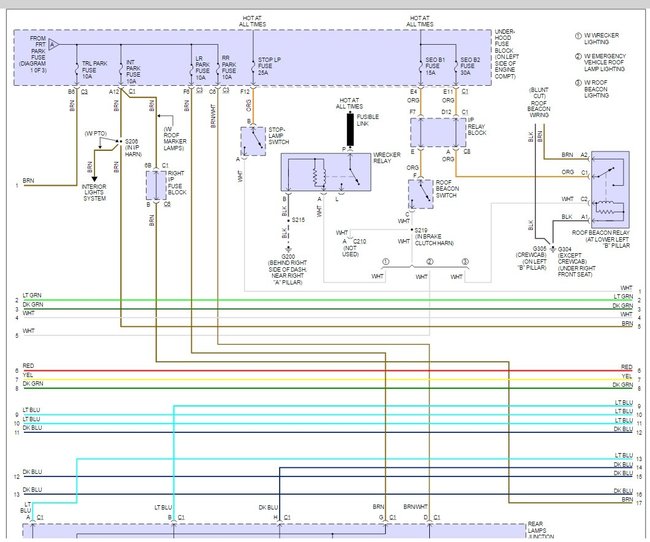
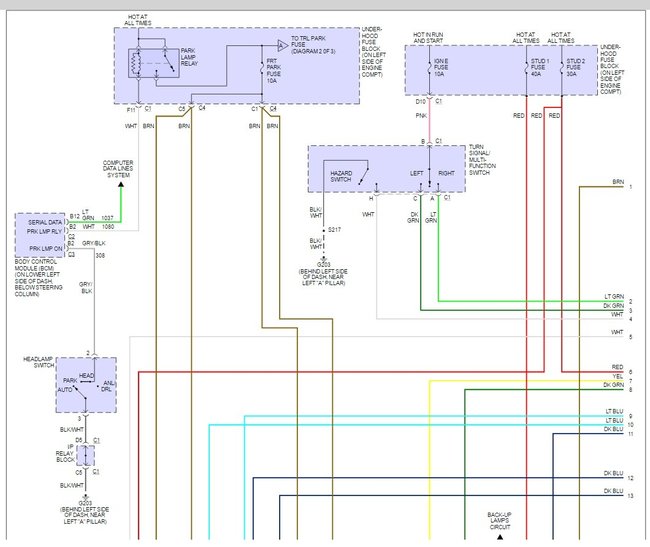
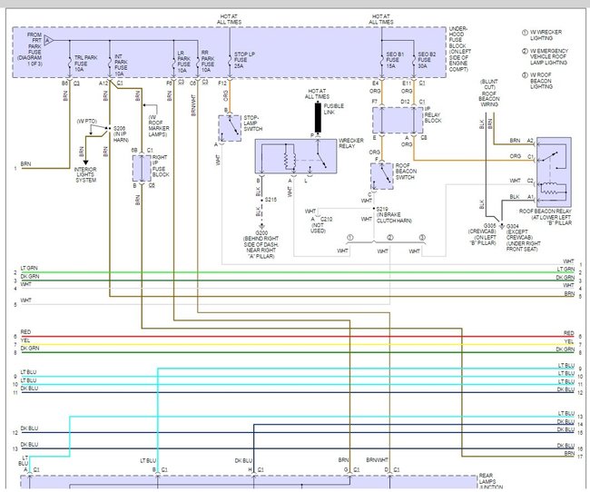
There are many fuses that run the system which need to be checked because the lighting systems are run by the BCM, here is a guide to help and I have included the fuse location as well. If all fuses are good I would check the ground (g400) for the bulb socket. Here is the blinker and brake light wiring diagrams so you can see which fuses to check plus a guide to help check the ground.

https://www.2carpros.com/articles/how-to-check-a-car-fuse

and

https://www.2carpros.com/articles/how-to-use-a-test-light-circuit-tester

If the fuses and grounds are good the BCM could be out but to be sure lets do a CAN scan, you can get a CAN scanner (Controller Area Network) which will work on most cars from Amazon here is a video to show you how.

https://youtu.be/u-4syLc-ifQ

If it comes up with e code for the bcm you can get a preprogrammed unit by searching Google or Ebay. Here is how to change out the BCM as well. Check out the images (Below). Please let us know what happens.
Apr 11, 2019 at 5:13 PM
Advertisement
Avatar
MGWOOD33
  • MEMBER
  • 1 POST
I was messing with my trailer lights and replaced a fuse and it seemed to fix my trailer issue. However right after my tail lights on my truck immediately stopped working, no brake lights or turn signals. The only thing that works is the third brake light. I’ve checked all of my fuses and can’t find any bad ones and I recently replaced my brake light switch. Does anyone have any ideas? I assume it’s a fuse I’m overlooking.
Feb 25, 2021 at 5:48 PM (Merged)
Avatar
JACOBANDNICKOLAS
  • CAR REPAIR CONTRIBUTOR
  • 110,190 POSTS
Hi,

Do the back up lights work? Also, if you disconnect the trailer from the truck, does it make a difference?

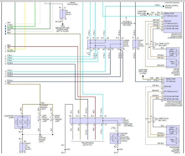
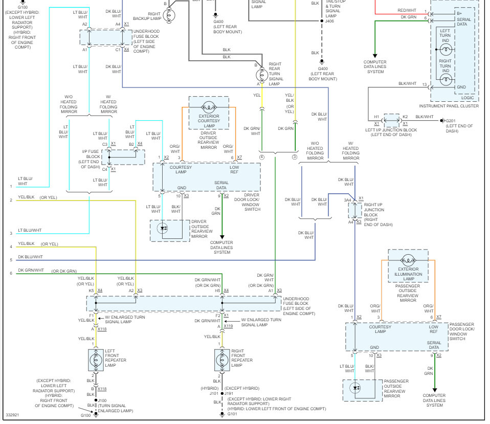
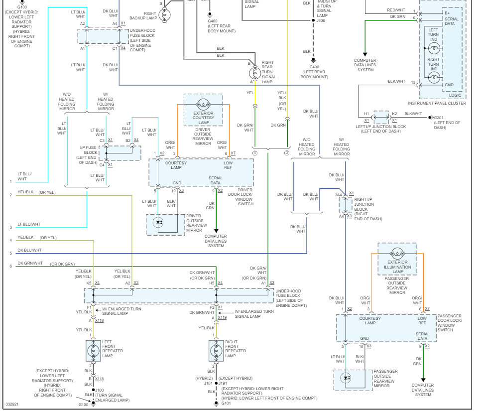
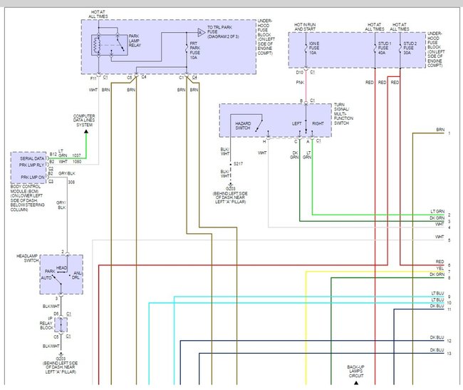
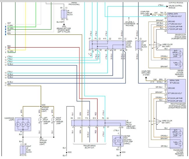
Since the third brake light is working, we know it isn't the switch. Do me a favor. Check the fuse I circled in pic 1.

If the fuse is good, check for power to the dark green wire in pic 2 and confirm continuity to ground as well. In pic 3, check for power to the yellow wire and for continuity to ground.

Let me know what you find. Also, let me know if any of the other tail lights are working.

Take care,
Joe
Feb 25, 2021 at 5:48 PM (Merged)
Avatar
CLAUDEL0007
  • MEMBER
  • 3 POSTS
The brakes lights on my truck will not work when i press my brakes. The tail lights work on the top but the bottom tail lights does not work. The third brake light works, located at the top above the rear glass. I tried checking the fuse under the hood and on side of the door. all seem to be good, I even changed the brake terminal under the brake pedal. The brake light bulbs r good, Cant figure it out.
Feb 25, 2021 at 5:49 PM (Merged)
Avatar
RASMATAZ
  • CAR REPAIR CONTRIBUTOR
  • 75,992 POSTS
Test or replace the turn signal and flasher module all the brake and tail circuits going to the back goes thru here
Feb 25, 2021 at 5:49 PM (Merged)
Avatar
CLAUDEL0007
  • MEMBER
  • 3 POSTS
where are the turn signal and flasher module located.
Feb 25, 2021 at 5:49 PM (Merged)
Avatar
RASMATAZ
  • CAR REPAIR CONTRIBUTOR
  • 75,992 POSTS
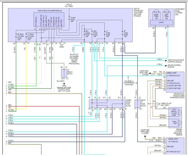
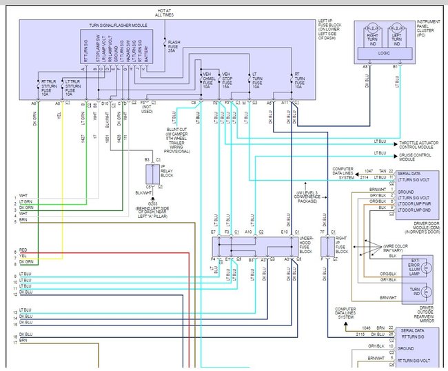
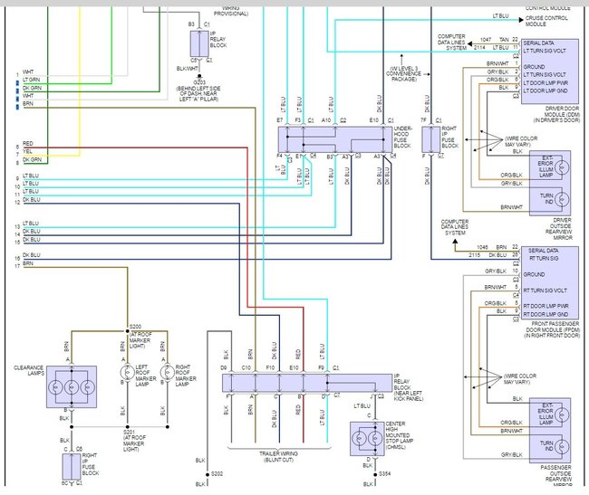
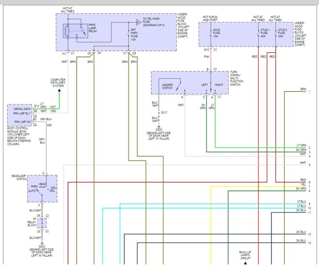
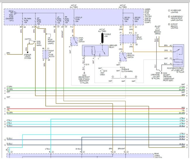
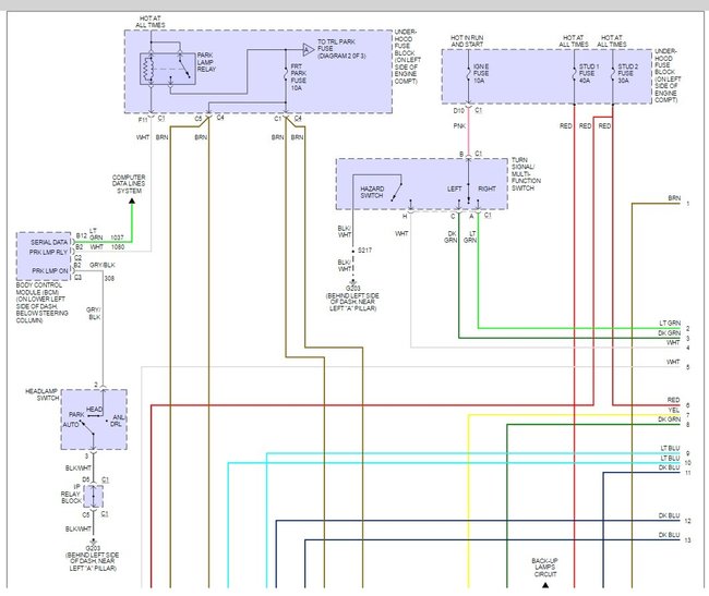
Its in left of instrument panel fuse block on lower left side of dash. Check out the diagrams (Below). Please let us know what you find.
Feb 25, 2021 at 5:49 PM (Merged)
Avatar
CLAUDEL0007
  • MEMBER
  • 3 POSTS
ok, that fixed it thanks for your help. I like this site
Feb 25, 2021 at 5:49 PM (Merged)
Avatar
SSTEVE694
  • MEMBER
  • 1 POST
Electrical problem V8 Two Wheel Drive Automatic 32500 miles
----------------------------------------------------------------
my brake lights do not work, but the cab brake light does. The flashers will work and turn indicators also. so i know its not in the fuse, and changed out both bulbs.

Just found out a few days ago. Brake lights do not work but all other signals and the cab brake light works.

Tested everything, switch is fine, receiving power to the fuse panel under the hood and in the cab fuse. Grounds look good, bulbs good. No visible wiring issues.

What would you recommend as a way to test the switch? I have spend 8 hours testing every wire in/out of the turn switch and the fuse panel to no conclusions. I tried jumping across the switch itself to no success. Tried unplugging it to no success.

The white(brake power) is good coming out of the switch going into the fuse panel and into the turn lever itself. The CM brake light tests good. The rear brake fuse jumps up and drops back down to zero on the multi meter. Testing the backside of the fuse panel blue wire tests good 12v when pressing the brake pedal which is odd. From the wiring diagram all this doesn't make sense. I am looking for a way to make sure its the switch itself before purchasing one. Any ideas would be appreciated.

Anyone figure this out yet?
Feb 25, 2021 at 5:49 PM (Merged)
Avatar
STRAILER
  • CAR REPAIR CONTRIBUTOR
  • 54,189 POSTS
Hey guys,

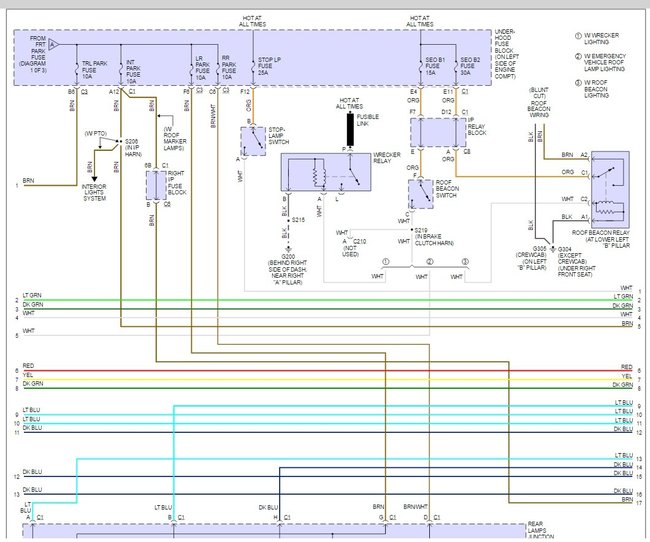
There is a fuse that runs just the lower brake lights, here is a guide and some wiring diagrams to help you trace the problem down. Check to see if there is power at the brake lights to see if the problem is a ground issue. Check the brake light wiring diagrams below so you can see how the system works.

https://www.2carpros.com/articles/how-to-use-a-test-light-circuit-tester

and

https://www.2carpros.com/articles/brake-lights-not-working

Check out the diagrams (Below). Please let us know what you find. We are interested to see what it is.
Feb 25, 2021 at 5:49 PM (Merged)
Avatar
WALKER9797
  • MEMBER
  • 1 POST
Hi everyone..

Here is a new twist.. I have a 2004 silverado with no brake lights or 3rd light.. I have power at the underhood fuse and at the orange and when pedal depressed power in white wire.. However i have no power in 15 amp dash fuse.. What do you suggest?

Jim walker
Feb 25, 2021 at 5:49 PM (Merged)
Avatar
STRAILER
  • CAR REPAIR CONTRIBUTOR
  • 54,189 POSTS
What number is the fuse? here are wiring diagrams so you can see how it works with the flasher module location which sounds like it is out. Check out the diagrams (Below). Please let us know what you find. We are interested to see what it is.

Feb 25, 2021 at 5:49 PM (Merged)
Avatar
VOLLENC
  • MEMBER
  • 3 POSTS
Hi,

New member. Brake lights out except Center High Mount Stop Lamp. Rear Junction Block or Turn Signal Module? Thanks.
Feb 25, 2021 at 5:50 PM (Merged)
Avatar
BLUELIGHTNIN6
  • CAR REPAIR CONTRIBUTOR
  • 16,542 POSTS
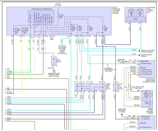
Suspect faulty brake light switch. Switch is located on brake pedal arm ,under driver side dash. Brake light switch controls the two main brake lamps while a separate relay controls the high-mount lamp.
Feb 25, 2021 at 5:50 PM (Merged)
Avatar
VOLLENC
  • MEMBER
  • 3 POSTS
Thanks for your reply. I did check the switch earlier. Unclipped it from pedal/bracket, inspected and re-installed with no luck. I've got 12V at the fuse. Also I have brake lights through my factory trailer harness. I was pulling on the turn signal module because it's mentioned in a thread on this site, and another I saw earlier. The rear junction block is suspect for me only for the fact that I don't think it's just a dumb block, but some type of electronic assy. I don't know. FYI I'm using Alldata electrical schematics.
Feb 25, 2021 at 5:50 PM (Merged)
Avatar
BLUELIGHTNIN6
  • CAR REPAIR CONTRIBUTOR
  • 16,542 POSTS
I believe it's either in the wiring to the switch or wiring to one of the lamp assemblies. Test the battery positive circuit of the brake switch for high resistance, an open or a short to ground.
Feb 25, 2021 at 5:50 PM (Merged)
Avatar
VOLLENC
  • MEMBER
  • 3 POSTS
Will do. Thanks.
Feb 25, 2021 at 5:50 PM (Merged)
Avatar
TRUCKGUY1016
  • MEMBER
  • 1 POST
The Brake lights on the bed dont work, also the trailer connection isnt working. My third brake light works though) I replaced the bulbs in the tail light assembly. and checked the old bulbs but they work fine. I checked the fuses under the hood and in the dash. Dash-good. Underhood-bad. So I replaced the one under the hood. The one in the dash says "VEH STOP" and the one under the hood says "TRL PARK" (the new one hasnt blown) ok,Thinking I had the problem fixed ! but nope! I came on this site and found a trouble shooting guide step by step. Ok thought I had it now. I followed each step and found I had power to both fuses, the brake light switch(on the orange, and the white) I have power all the way through the check list till the last step. When I check I have no voltage coming through the light Blue wire at the tail light. I crawled under the truck and followed the harness back all the way to underneath the cab. I peeled back the plastic protective sleeve, and fanned out the wires. I stripped off a tiny piece of the jacket on that light blue wire, and checked the voltage. ( with the brake off, and with it depressed- nothing. any help would be greatly appreciated ! I fear it is a bad wiring harness, But like I mentioned, I have parking lights, back up lights, turn signals, just no brake lights.
Feb 25, 2021 at 5:50 PM (Merged)
Avatar
INTERNETMECHANIC
  • CAR REPAIR CONTRIBUTOR
  • 700 POSTS
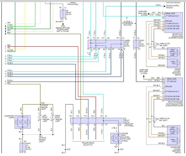
I couldn't do any better than your doing, I'd have to backtrack the circuit. There appears to be a junction for the fuse circuit at the underhood fuse box. Lite blue wire, E7 in the diagram. That circuit comes from the stop fuse.


https://images.2carpros.com/forum/automotive_pictures/512072_silverado_brake_lite_1.jpg

Feb 25, 2021 at 5:50 PM (Merged)
Avatar
02REDCAMARO
  • CAR REPAIR CONTRIBUTOR
  • 65 POSTS
I had a similar problem with a 96 Silverado with a fiberglass topper. Problem I found was a bad ground that someone had done when they wired up the third brake light and interior dome light on the topper. I found the bad ground on the rear frame rail where the topper installer decided to terminate it.
I'd look underneath the box for some non-factory wiring, and check and clean the termination points.
Feb 25, 2021 at 5:50 PM (Merged)
Avatar
JSCHEVY
  • MEMBER
  • 3 POSTS
The brake lights on the bed are not working. However the brake light on the cab is working. I replaced the bulbs and I checked the fuses, but that was not it. Please help me figure out what to do?
Feb 25, 2021 at 5:51 PM (Merged)
Avatar
JAMES W.
  • CAR REPAIR CONTRIBUTOR
  • 2,394 POSTS
First question I always ask is; do you have a trailer connector spliced in behind the bumper? 75% of the time, that's where the problem is. Please advise.
Feb 25, 2021 at 5:51 PM (Merged)
Avatar
JSCHEVY
  • MEMBER
  • 3 POSTS
I believe I have one but it is factory installed. Does that make a difference? And, what in particular would be the problem there, a short or is there a fuse there?
Feb 25, 2021 at 5:51 PM (Merged)
Avatar
JAMES W.
  • CAR REPAIR CONTRIBUTOR
  • 2,394 POSTS
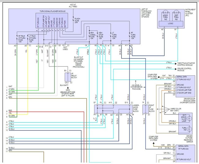
You will want to test your trailer connector to see if you have brake lights there. You're looking for an "open" in the circuit somewhere. The brake light switch has to be functioning or the cab light wouldn't be working. Please look at the wiring diagrams below. Check out the images (Below). Please let us know what happens.
Feb 25, 2021 at 5:51 PM (Merged)
Avatar
JSCHEVY
  • MEMBER
  • 3 POSTS
I tested the harnesses that adjoin on the connection block. I get main power coming in. However, when I test the brake connections, no power. I have power to my tail lights, blinkers and all, which look to be coming from that block as well. A parts guy said that usually those blocks go out on one full side, which sounds to me like if it was the block then I would have either the right or the lefts side lights out. You said that it could be an open, but I don't know where to test it to find out, because I am not getting power to my brake lights from that block. What suggestions do you have?
Feb 25, 2021 at 5:51 PM (Merged)
Avatar
JAMES W.
  • CAR REPAIR CONTRIBUTOR
  • 2,394 POSTS
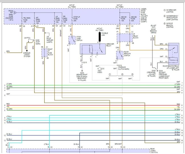
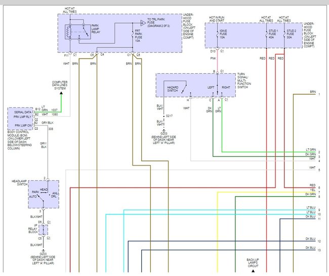
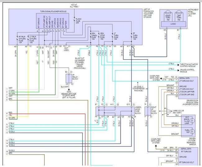
You're right, the chances of both sides going bad are poor to none. Let's start from square 1. We'll be testing at the socket for the "turn signal flasher module", under the left side of the dash. The brake lights go through this module. The brake lights are fused seperately from a 25amp fuse(# unknown) in the underhood fuse block. This fuse should be hot all the time. Fuse good, yes, test the orange wire at brake light switch. Orange hot, yes, push the brake pedal and test the white wire on the BL switch. White hot, yes? Test the white wire at the flasher module, terminal B, with brake pedal pressed. Hot, yes?, check fuse #9 in fuse block by flasher module. Fuse good?, yes, check the junctions and connections on the light blue wires going back to the brake light lamps. Fuse #9 should be hot when the brake pedal is pressed.Let me know what you find.


https://images.2carpros.com/forum/automotive_pictures/248092_05_silverado_flasher_1.jpg

Feb 25, 2021 at 5:51 PM (Merged)
Avatar
ROBERT GLENN FRANCIS
  • MEMBER
  • 1 POST
Well It's now the end of April 2016 and my chevy silverado 3500 has a similar issue. everything works except the bed lamps for the brakes. I hooked up the boat trailer and all checks out perfect. It's the twighlight zone issue. I can not find fuse #9 because the label on the lid does not show numbers for the fuses. I wish I could understand the schematics better but my studied discipline is in another field I can only get close at best. Any help would be most appreciated.
Feb 25, 2021 at 5:51 PM (Merged)
Avatar
SFOX570
  • MEMBER
  • 1 POST
I have no stop light in bed of truck. I've checked fuses and they are good same with bulbs.
changed the circuit board. the cab light works tail lights, reverse lights and turn signals work, but no brake lights.
Feb 25, 2021 at 5:53 PM (Merged)
Avatar
HMAC300
  • CAR REPAIR CONTRIBUTOR
  • 48,601 POSTS
if you aer talking about the circuit board in back of truck that doesn't have anything to do with roof lights. the brake switch wires to the fuse box and fuse then to light. I have pointed out which are which. I tmay be either a bad brake light switch or the fuse isn't making good contact in fuse box. see pic
Feb 25, 2021 at 5:53 PM (Merged)
Avatar
DAVID STRICKLIN
  • MEMBER
  • 2 POSTS
Also cruise control not working. I've changed brake sensor switch on pedal changed all fuses and bulbs and the relay box in rear of truck.
Feb 25, 2021 at 5:53 PM (Merged)
Avatar
JACOBANDNICKOLAS
  • CAR REPAIR CONTRIBUTOR
  • 110,190 POSTS
Hi Dave and welcome to 2CarPros.

You have already done a lot. I have to ask, is there power to the switch at all times? If you take a look at the section of the wiring schematic I attached, you will see power comes from a 25 amp fuse in the under hood fuse box. It then travels to the switch via an orange wire. I need to know if there is power at the switch. Also, I need to know if the turn signals are working properly.

I've noted you indicate little knowledge. Here are a few links that will help you with checking for power, checking the fuse and power to the fuse and so on:


https://www.2carpros.com/articles/how-to-check-a-car-fuse

and

https://www.2carpros.com/articles/how-to-use-a-test-light-circuit-tester


If you find there is power to the switch from the orange wire, actuate the switch and check of power makes it through the switch and into the white wire.

Check out the diagrams (Below). Please let us know what happens.
Feb 25, 2021 at 5:53 PM (Merged)
Avatar
DAVID STRICKLIN
  • MEMBER
  • 2 POSTS
Yes, turn signals work. my cigarette lighter blows fuses from time to time as well. don't know if this helps but when I had my trailer hooked up the left turn signal would blink once and stay on. My low fuel light stopped coming on as well.
Feb 25, 2021 at 5:54 PM (Merged)
Avatar
JACOBANDNICKOLAS
  • CAR REPAIR CONTRIBUTOR
  • 110,190 POSTS
Welcome back:

Often times when the signal stops flashing when you have a trailer connected, you need to replace the flasher with a HD one. Were you able to check for power to the switch?
Feb 25, 2021 at 5:54 PM (Merged)