Blown head gasket

Tiny
PAULAZNYOUNGAZ
  • MEMBER
  • 2002 PONTIAC MONTANA
  • 3.4L
  • 6 CYL
  • 2WD
  • AUTOMATIC
  • 147,000 MILES
Was wondering where I might be able to get detailed repair instructions that are easy to follow so I can repair blown head gasket myself?
Thank you. Your help would be much appreciated.
Sunday, September 10th, 2017 AT 2:32 AM

1 Reply

Tiny
KEN L
  • MASTER CERTIFIED MECHANIC
  • 55,361 POSTS
Start by disconnecting the battery and draining the coolant.

Here are a couple of guides to help you get started:

https://www.2carpros.com/articles/how-to-replace-a-car-battery

and

https://www.2carpros.com/articles/coolant-flush-and-refill-all-cars

and

https://www.2carpros.com/articles/jack-up-and-lift-your-car-safely

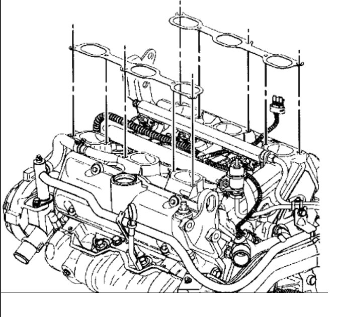
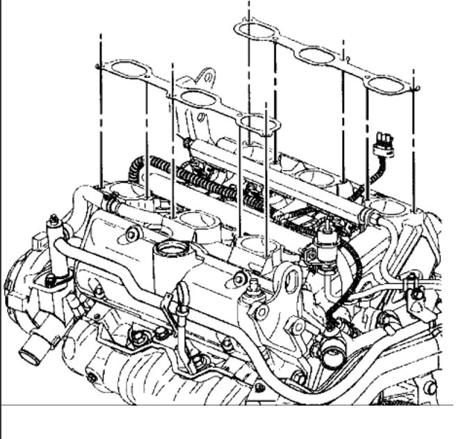
Start by removing the intake manifold.

https://www.2carpros.com/articles/replace-intake-manifold-gasket

and then the exhaust manifolds and valve covers.

https://www.2carpros.com/articles/replace-valve-cover-gasket

Here is a gasket set from Amazon for $70.00 and it has head bolts:

https://www.amazon.com/gp/product/B007P722QQ/ref=as_li_qf_sp_asin_il_tl?ie=UTF8&tag=2carprcom-20&camp=1789&creative=9325&linkCode=as2&creativeASIN=B007P722QQ&linkId=5467da101bc7cb146e490a8269378f2d

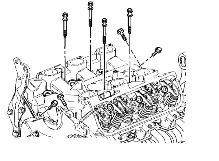
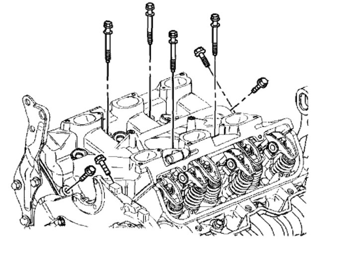
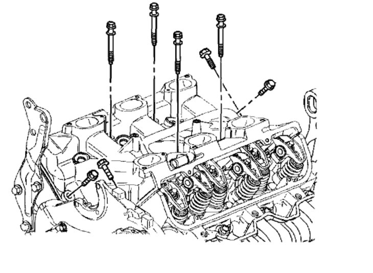
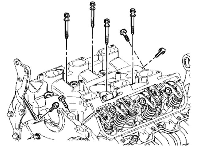
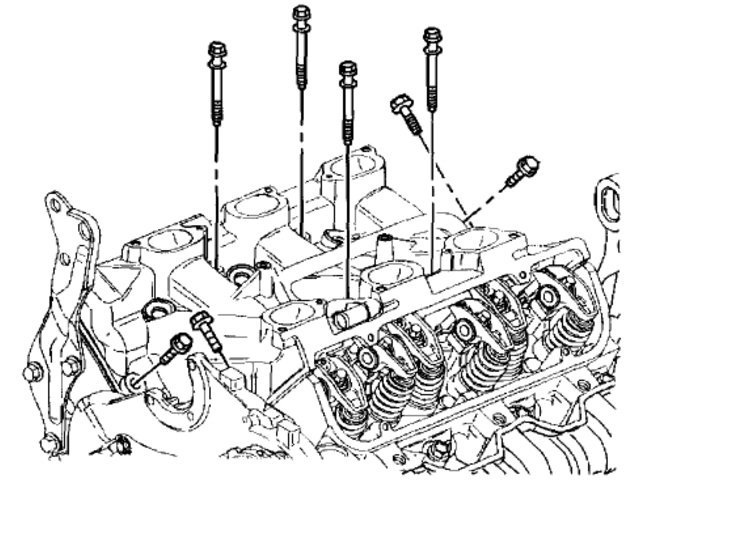
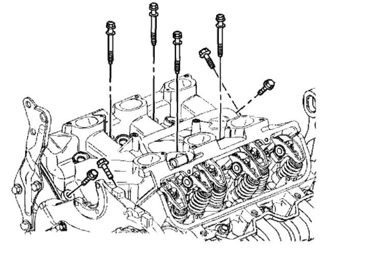
Here are some diagrams to help you see what it will be like on your car (below):

Tighten the new cylinder head bolts to 60 Nm (44 lb ft) in the order shown. Use the J 36660-A torque angle meter in order to rotate the cylinder head bolts an additional 95 degrees.

Change the oil when you are done.

https://www.2carpros.com/articles/how-to-change-engine-oil-and-filter

Please let us know what happens and upload pictures of the problem.

Cheers, Ken
Was this
answer
helpful?
Yes
No
Monday, September 11th, 2017 AT 12:12 PM

Please login or register to post a reply.