Blower not working

Tiny
SHYLA23
  • MEMBER
  • 2006 DODGE DURANGO
  • 5.7L
  • V8
  • 4WD
  • AUTOMATIC
  • 140,000 MILES
The last couple of years my blower started not working when it was cold outside. It would kick on once the vehicle warmed up. Recently it has gotten worse. Replaced the resister, harness, blower motor. With each one of those after I replaced them. The blower would come on. The rear blower works. I'm not getting power to the blower or the switch. I have power at the fuse and relay. I live in North Idaho and have you 2-year-old little girl. So having a working heater is necessary. If there's anyone that could help me out I would really appreciate it!

Thanks, Shyla
Sunday, December 12th, 2021 AT 9:43 AM

16 Replies

Tiny
JACOBANDNICKOLAS
  • MECHANIC
  • 110,194 POSTS
Hi,

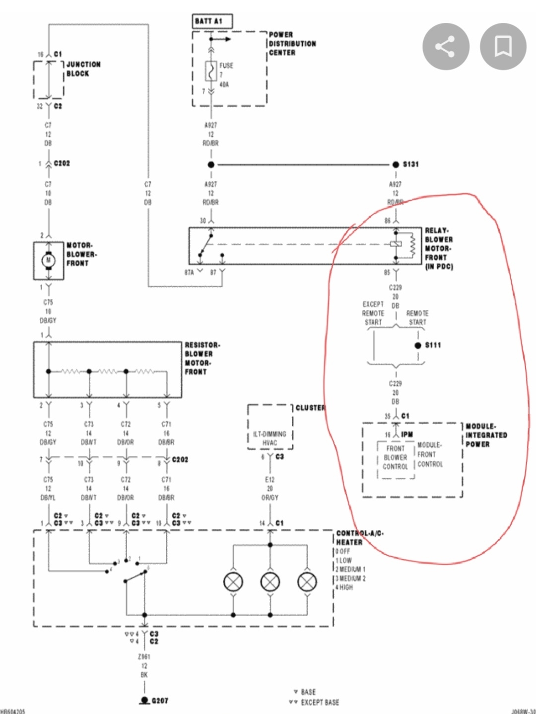
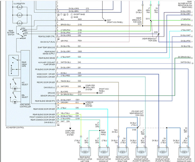
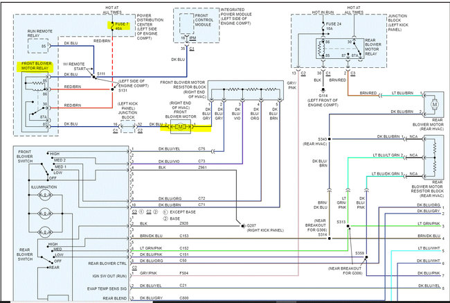
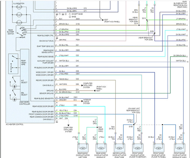
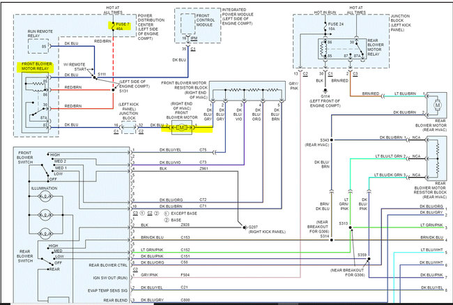
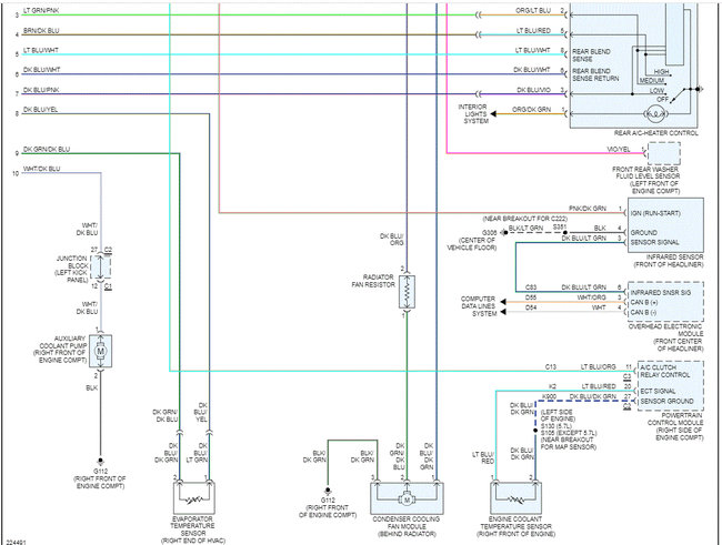
We need to get you heat. If you look below, I attached a wiring schematic of the circuit. It was 2 pages long, but I had to cut it in half to make it readable. I did overlap them and highlight what I need you to check.

First, fuse 7 in the under-hood fuse box I need to be rechecked. First, confirm it is good. Also, it is important to make sure there is power to and from it as well. You could have a good fuse and not power to it. Here is a link that explains how to check:

https://www.2carpros.com/articles/how-to-check-a-car-fuse

If the fuse is good and has power, I need you to locate the blower motor relay and see if it is good. If there is another relay having the same part number, switch them. If there isn't, here is a link that shows how to test a relay.

https://www.2carpros.com/articles/how-to-check-an-electrical-relay-and-wiring-control-circuit

Do this and let me know what you find.

Take care,

Joe

See pics below. The last pic shows the relay and fuse to check.
Was this
answer
helpful?
Yes
No
Sunday, December 12th, 2021 AT 9:55 PM
Tiny
SHYLA23
  • MEMBER
  • 11 POSTS
Okay, I checked all the fuses and switched relays, I was working on it last night in the garage and turned the garage heater on to keep warm and once the garage got to about 45 degrees the blower motor started working. I shut the heater off in the garage and it cooled down and then the blower motor wouldn't work and there was no power to the manual speed switch and no power to the resistor and blower wiring harness. Seems to only come on when it is 45 degrees and above, if the car warms up for a long time it will finally kick on and start blowing air again. When it is cold there is no power at all to the manual switch or the blower motor. But all the fuses and relays check out good even when cold with a test light.
Was this
answer
helpful?
Yes
No
Monday, December 13th, 2021 AT 6:47 AM
Tiny
JACOBANDNICKOLAS
  • MECHANIC
  • 110,194 POSTS
Hi,

The power runs from the fuse to the relay, to the blower motor, then the resister, then the control switch, which provides a ground path, completing the circuit. We need to determine where it is lost when not working.

The one thing that comes to mind is the temperature you mentioned. Keep in mind, the colder it gets, the more metal contracts. As it heats up, it expands. We have a loose or poor connection at some point.

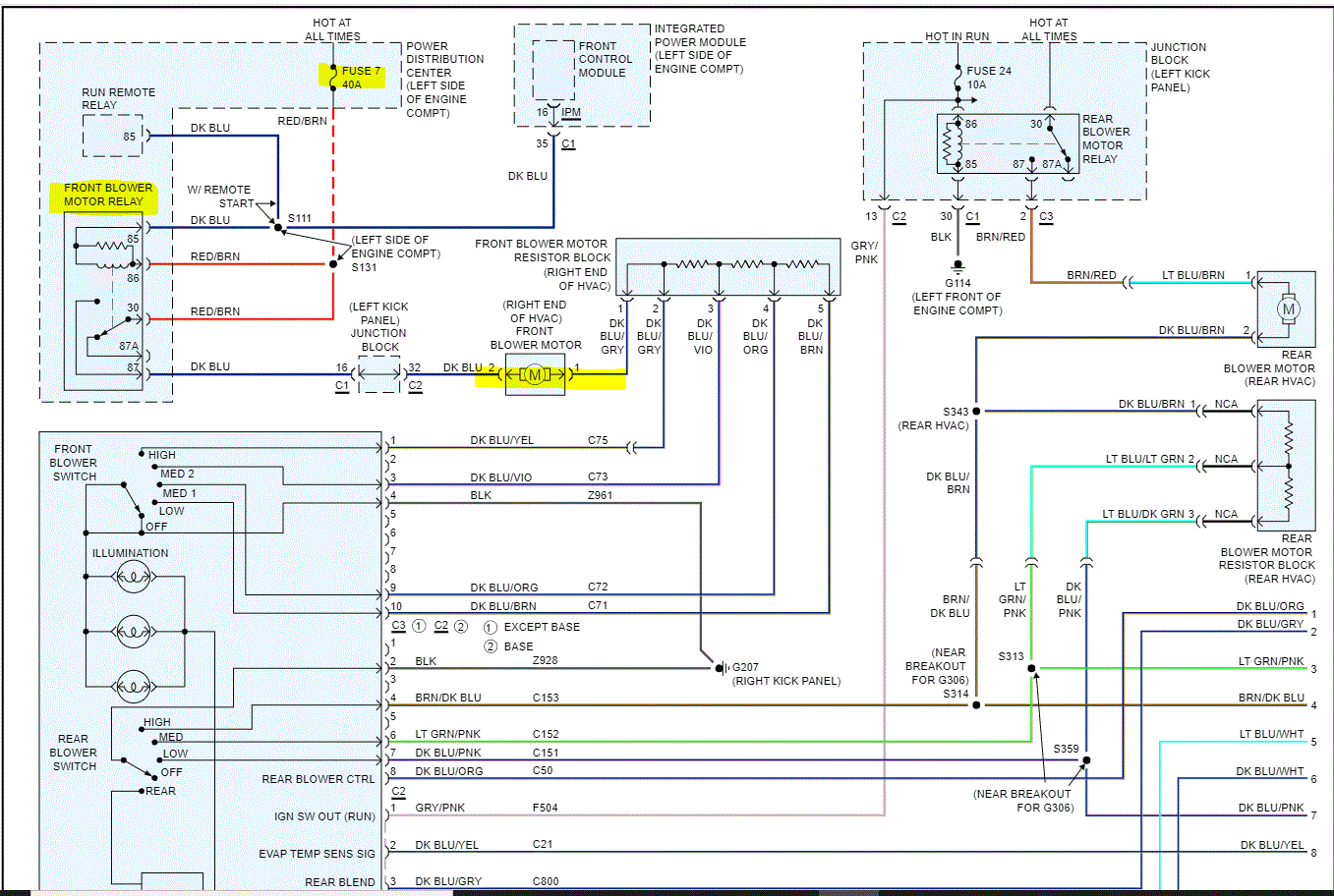
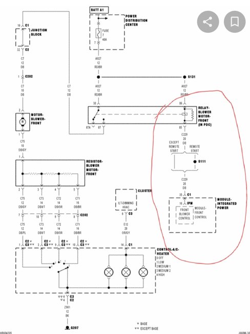
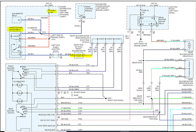
You mentioned there is no power at the blower motor when this happens. If you look below, I circled a connector at the left kick panel fuse box where power from the relay jumps from one connector to another. I need you to locate the dark blue wire that powers the blower motor and trace it to that connector. Check both sides of the connector/wire for power. Or locate the dark blue wire at the relay and see if power is present. Since you have already checked power at the fuse and relay and it was good, I have a feeling you will find the dark blue wire is not making contact at the connectors/fuse box. Chances are at that point, there is either corrosion, a loose contact, or one of the pins has been damaged.

Please keep in mind, this is a theory at this point, but if there is power out from the relay, the first suspect is the connectors at the junction block that is preventing power from making it to the blower motor.

Let me know if this helps and what you find.

Take care,

Joe
Was this
answer
helpful?
Yes
No
Monday, December 13th, 2021 AT 2:24 PM
Tiny
SHYLA23
  • MEMBER
  • 11 POSTS
I took apart the relay box and was testing for power after the relay, there was no power on the big blue wire but as soon as I tested the smaller blue wire I heard the relay click and the blower kicked on basically using the test light as a new ground. The small blue wire must not be grounded very well somewhere, could I just cut the small wire and ground it someone in the engine bay? There is a ground right by the relay box that would work that way I don't have to track down the little blue wire?
Was this
answer
helpful?
Yes
No
Monday, December 13th, 2021 AT 6:18 PM
Tiny
SHYLA23
  • MEMBER
  • 11 POSTS
Or even just wiretap the small blue wire and run a jumper to ground that way it is all still connected to the original circuit?
Was this
answer
helpful?
Yes
No
Monday, December 13th, 2021 AT 7:02 PM
Tiny
JACOBANDNICKOLAS
  • MECHANIC
  • 110,194 POSTS
Hi,

I'm not sure which wire you are referring to. The one that runs from the relay to the motor is grounded via the switch in the vehicle. If you ground it, there will be a short and it will cause fuse 7 (40 amp) to fail in the under-hood fuse box. That needs grounded through the switch. If it is a different wire, let me know which one you are referring to. However, I just looked through the ground distribution schematics and all grounds are either black or have black as a primary color with a tracer color.

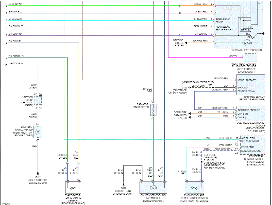
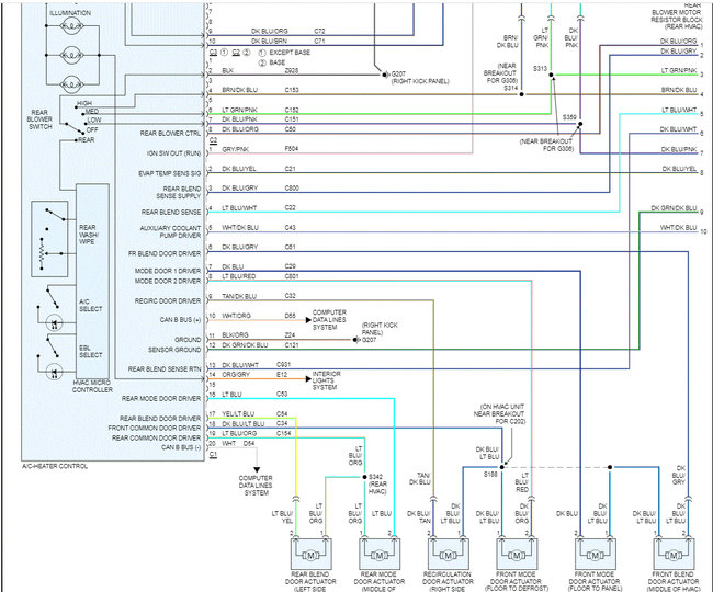
If you look below, it shows the wires I mentioned going through the junction box. Neither runs directly to the ground. Take a look at pic 2 and tell me which wire you are referring to. If you have manual climate control or automatic control.

Also, tell me exactly where the test light was connected in the circuit and what you used as a ground.

You are certainly on the right track. It sounds like a loose/poor connection affected by temperature.

Let me know.

Joe

See pics below.
Was this
answer
helpful?
Yes
No
Monday, December 13th, 2021 AT 7:16 PM
Tiny
SHYLA23
  • MEMBER
  • 11 POSTS
I'm talking about a wire that the relay plugs into, there is a thicker blue wire and a skinny blue wire that comes out of the bottom of the relay, when I tested the skinny blue wire with the test light the blower kicked on.
Was this
answer
helpful?
Yes
No
Monday, December 13th, 2021 AT 7:55 PM
Tiny
SHYLA23
  • MEMBER
  • 11 POSTS
Possibly a bad ground on the manual fan speed switch?
Was this
answer
helpful?
Yes
No
Monday, December 13th, 2021 AT 8:00 PM
Tiny
SHYLA23
  • MEMBER
  • 11 POSTS
This is the wire.
Was this
answer
helpful?
Yes
No
Tuesday, December 14th, 2021 AT 12:25 AM
Tiny
SHYLA23
  • MEMBER
  • 11 POSTS
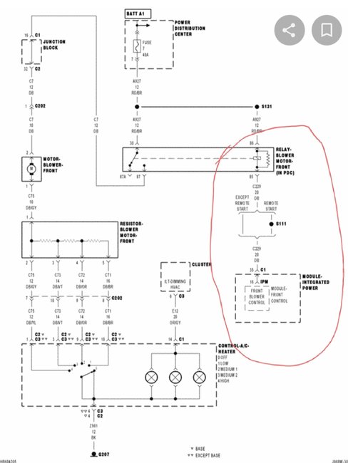
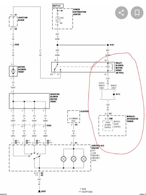
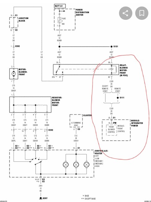
Here's the diagram with what I believe is the problem circled, I can't find a front control module anywhere in the IPM fuse box.
Was this
answer
helpful?
Yes
No
Tuesday, December 14th, 2021 AT 6:39 AM
Tiny
SHYLA23
  • MEMBER
  • 11 POSTS
Unless it is this thing? All the connections look good on mine I cleaned them all as well.
Was this
answer
helpful?
Yes
No
Tuesday, December 14th, 2021 AT 6:46 AM
Tiny
JACOBANDNICKOLAS
  • MECHANIC
  • 110,194 POSTS
Hi,

That is where I'm getting confused. The heavier gauge wire should go to the blower motor and the smaller one to the relay. If you ground the smaller one before the relay, power won't make it where it needs to be.

Could the blower motor have turned on simply because you moved the wire around?

Joe
Was this
answer
helpful?
Yes
No
Tuesday, December 14th, 2021 AT 5:20 PM
Tiny
SHYLA23
  • MEMBER
  • 11 POSTS
According to the diagram the smaller wire should go to the front blower control in the IPM, the picture of the relay isn't a very good representation, there are 2 red wires going into the back of the relay and the thicker blue wire and smaller blue wire come out as well, when I ground the smaller blue wire the relay clicks and the blower starts working, I setup a ground switch off the small wire so I can override the problem for now, as long as I turn the switch off every time I should be fine.
Was this
answer
helpful?
Yes
No
Wednesday, December 15th, 2021 AT 5:45 AM
Tiny
JACOBANDNICKOLAS
  • MECHANIC
  • 110,194 POSTS
Hi,

As long as it's working for you, that's a good thing. LOL Are all speeds working as well? And yes, the smaller blue should go to the front control module. I went through schematics again and now have a better understanding of what you are seeing. The module provides the ground for the relay. Ugh! I wish they would make one schematic for one model of vehicle. LOL

Regardless, the ground is the issue. Either the module is bad or the ground to it is bad. No matter what, you got it working and that's what's important.

Take care of yourself and thanks for the update. Please feel free to come back anytime in the future.

Take care, and I hope you and your daughter have a nice "warm" Christmas.

Joe
Was this
answer
helpful?
Yes
No
Wednesday, December 15th, 2021 AT 5:42 PM
Tiny
SHYLA23
  • MEMBER
  • 11 POSTS
All speeds work, thank you very much for your help! Hopefully this can help someone because I have seen many posts go unanswered or end with no solution, seems to be pretty common for these cars unfortunately.
Was this
answer
helpful?
Yes
No
Wednesday, December 15th, 2021 AT 7:03 PM
Tiny
JACOBANDNICKOLAS
  • MECHANIC
  • 110,194 POSTS
I'm glad to hear it's fully working. Thanks for the update. I know it will help others.

As I mentioned before, please feel free to come back anytime in the future. It was a pleasure working with you.

Take care of yourself,

Joe
Was this
answer
helpful?
Yes
No
Wednesday, December 15th, 2021 AT 8:39 PM

Please login or register to post a reply.