Blower motor doesnt work

Tiny
DJSMX21
  • MEMBER
  • 2002 DODGE DURANGO
  • V8
  • 4WD
  • AUTOMATIC
  • 121,464 MILES
The front ac/heater will not turn on at all. Do you guys know what it is? I tried the blower motor or the resistor, and that is not it. Any suggestions?
Sunday, December 19th, 2010 AT 7:36 PM

34 Replies

Tiny
DOCFIXIT
  • MECHANIC
  • 18,828 POSTS
Do you have a volmeter? If yes need to check for voltage at HVAC select switch. Have checked fuses #13 and K in left fender box?
Was this
answer
helpful?
Yes
No
+1
Sunday, December 19th, 2010 AT 8:09 PM
Tiny
RASMATAZ
  • MECHANIC
  • 75,992 POSTS
Try testing the blower switch-if the AC/Heater fuse is okay
Was this
answer
helpful?
Yes
No
-2
Sunday, December 19th, 2010 AT 8:09 PM
Tiny
DJSMX21
  • MEMBER
  • 3 POSTS
The fuses are all ok just to make sure I bought new ones, where is the HVAC SELECT SWITCH AT? THE blower motor is good, I have no clue what it could be. Im soooo fustrated.
Was this
answer
helpful?
Yes
No
-1
Tuesday, December 21st, 2010 AT 2:22 AM
Tiny
RASMATAZ
  • MECHANIC
  • 75,992 POSTS
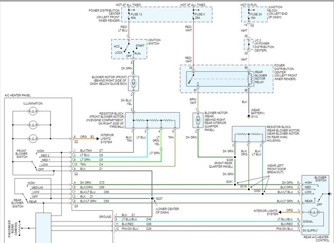
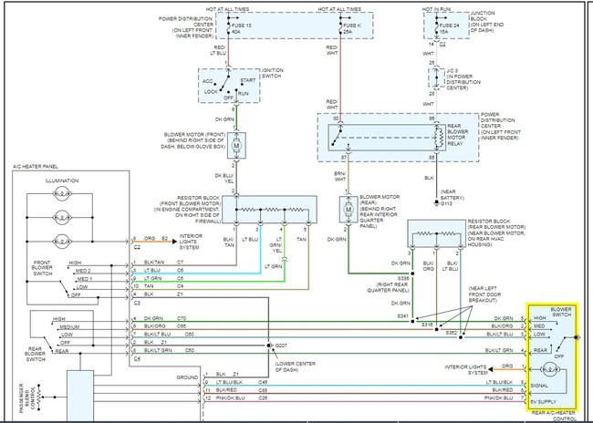
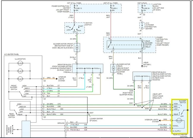
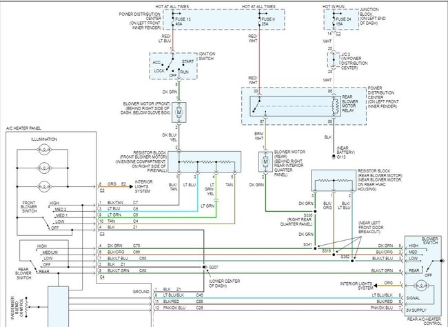
Check the blower motor switch:

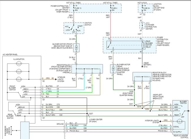
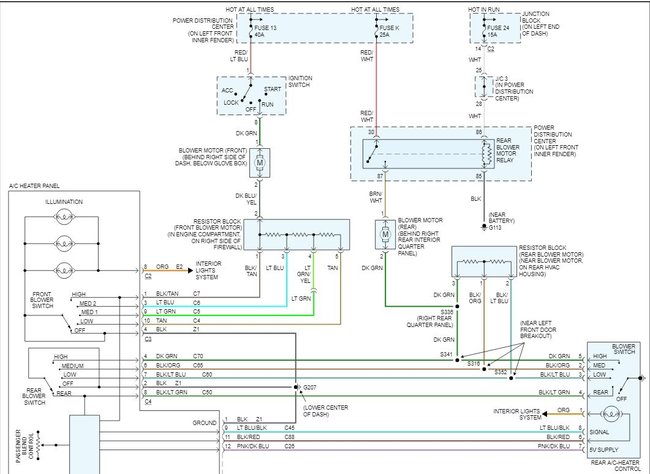
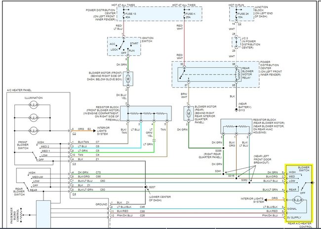
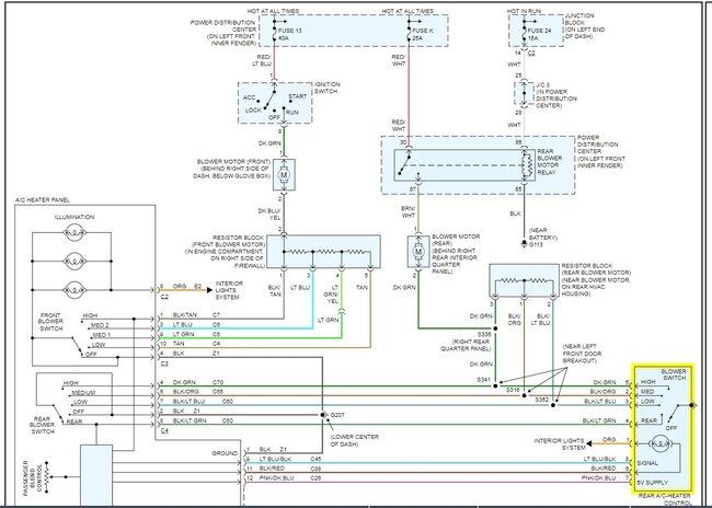
The heater-A/C blower motor is controlled by a five position rotary-type blower motor switch mounted in the heater-A/C control panel The switch allows the selection of one of four blower motor speeds, but can only be turned OFF by selecting the OFF position with the heater-A/C mode control switch ****.

The blower motor switch directs the blower motor ground path through the blower control switch to the blower motor resistor, as required to achieve the selected blower motor speed.

The blower motor switch cannot be repaired and, if faulty or damaged, the entire heater-A/C control unit must be replaced. The blower motor switch isnt serviced separately.

See the diagram below for replacement of the HVAC controller/blower switch and the wiring diagram
Was this
answer
helpful?
Yes
No
+2
Tuesday, December 21st, 2010 AT 4:52 AM
Tiny
DJSMX21
  • MEMBER
  • 3 POSTS
I figured it out, it was the blower motor resistor, it was fried alond with the harness
Was this
answer
helpful?
Yes
No
+3
Wednesday, January 5th, 2011 AT 8:03 PM
Tiny
RASMATAZ
  • MECHANIC
  • 75,992 POSTS
I'm glad that you have located the problem and fixed it -We appreciate your donation and TY for using to 2carpros-Good Luck!
Was this
answer
helpful?
Yes
No
+1
Monday, January 24th, 2011 AT 1:00 AM
Tiny
MICHELE TIMMONS
  • MEMBER
  • 1 POST
  • 2002 DODGE DURANGO
  • 97,676 MILES
Front heater not blowing at all it eventually gets warm but just will not blow.
Was this
answer
helpful?
Yes
No
+1
Thursday, August 6th, 2020 AT 10:49 AM (Merged)
Tiny
JACOBANDNICKOLAS
  • MECHANIC
  • 110,194 POSTS
Hi Michelle and thanks for using 2CarPros.com.

Does the fan blow if you place it on high? If so, the blower motor resister is bad and will need replaced. I will provide the directions later in this post.

If it will not turn on at all, chances are you blew a fuse or a bad relay. First, under the hood, locate the power distribution box near the battery. Locate relay 15 and switch it with another one in the box that has the same part number. (See pictures 1 and 2)

If you would rather check the relay, here are directions for testing:

https://www.2carpros.com/articles/how-to-check-an-electrical-relay-and-wiring-control-circuit

If that does not work, locate fuse "P" in the same box and check it.

https://www.2carpros.com/articles/how-to-check-a-car-fuse

If the fuse and relay are good, we need to check for power to the motor
The blower motor and blower wheel are located in the passenger side end of the heater-A/C housing, below the glove b See pic 3.

Check to see if you get power to the motor when turning the switch on. If there is power, suspect the motor is bad. Here are directions for replacement.

FRONT BLOWER MOTOR
REMOVAL
1. Remove the lower right kick panel.
2. Carefully pull carpeting back from trim panel and front cowl to gain additional clearance for blower motor assembly.
3. Unplug the blower motor electrical connector.
4. Remove the three screws that secure the blower motor and blower wheel assembly to the heater-A/C housing.
5. Pull the blower motor and wheel assembly out of the passenger compartment side of the heater-A/C housing.

INSTALLATION
1. Place the blower motor and wheel assembly inside the heater-A/C housing.
2. Position the blower motor and blower wheel assembly inside the housing.
3. Install the three screws that secure the blower motor and wheel assembly to the heater-A/C housing. Tighten the screws to 2.2 Nm (20 in. lbs.).
4. Plug blower motor electrical connections together.
5. Carefully install passenger side carpet.
6. Install lower right kick panel.
__________________________
If it does work on high, as I mentioned at the start, replace the resister. Here are the directions.

FRONT
REMOVAL
1. Disconnect and isolate the battery negative cable.
2. From the passenger foot well area, remove the two hex screws used to secure the blower motor resistor.
3. Unplug the front blower motor resistor from the wire harness connector.
4. Remove the front blower motor resistor from the HVAC unit.

INSTALLATION
1. Plug the front blower motor resistor into the wire harness connector.
2. Install the front blower motor resistor to the HVAC unit. (orientation required).
3. Install and tighten the two screws that secure the HVAC unit Tighten the mounting screws to 2 2 Nm(20 in. lbs).
4. Connect the battery negative cable.

See pic 4 for resister location.

I hope something here helps. I tried to cover all possible causes. Let me know if you have other questions and if you get it fixed.

Take care,
Joe
Was this
answer
helpful?
Yes
No
+1
Thursday, August 6th, 2020 AT 10:49 AM (Merged)
Tiny
JIMYODER48
  • MEMBER
  • 1 POST
  • 2002 DODGE DURANGO
  • 4.7L
  • V8
  • 4WD
  • AUTOMATIC
  • 20,035 MILES
I am not getting any power to blower motor switch.
Was this
answer
helpful?
Yes
No
Thursday, August 6th, 2020 AT 10:49 AM (Merged)
Tiny
STEVE W.
  • MECHANIC
  • 15,696 POSTS
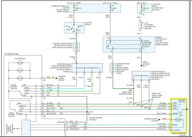
On that truck what you have is normal. The switch doesn't provide power to the system it is the ground. The power is applied to the blower on the dark green wire from the ignition switch. From there it goes through the blower motor and comes out on the dark blue with yellow striped wire. That wire goes to the resistor block and to the switch in the heater panel. The blower switch is grounded through the black wire to a point under the middle of the dash, this ground the entire panel so if the lights and other controls work the ground is good. The switch may be bad though. I would start by testing the blower motor under the dash itself, the easy way is to jump power from the battery to the two terminals for the fan. If it comes on high the motor may be okay. Then take a simple test light and connect it to battery positive. Unplug the blower resister located next to the blower motor and take the test light and use it to touch each of the connector pins. With the blower switch on low the tan wire on pin 5 should light the light, then on med 1 the light green on pin 4, med 2 will be light blue on pin 3 and for high pin one and the black tan wire should be ground. If those all check out but you still don't have a blower then the resistor is likely the culprit.
Was this
answer
helpful?
Yes
No
Thursday, August 6th, 2020 AT 10:49 AM (Merged)
Tiny
TWINS70
  • MEMBER
  • 1 POST
  • 2002 DODGE DURANGO
  • V8
  • 4WD
  • AUTOMATIC
  • 108,000 MILES
I've noticed my blower did not work on 3. Now it does not work when I start the car and it will trickle out after 5 minutes of running then turn off again. Both A/C and heat settings
Was this
answer
helpful?
Yes
No
Thursday, August 6th, 2020 AT 10:49 AM (Merged)
Tiny
RASMATAZ
  • MECHANIC
  • 75,992 POSTS
Inspect and test the blower switch and the blower motor resistor
Was this
answer
helpful?
Yes
No
Thursday, August 6th, 2020 AT 10:49 AM (Merged)
Tiny
FIEROJUNKY73
  • MEMBER
  • 2 POSTS
  • 2002 DODGE DURANGO
Electrical problem
2002 Dodge Durango V8 Four Wheel Drive Automatic

I have a 2002 durango that blower doesnt work. I have replaced the switch, resitor, and have check the blower motor itself and it works, but when hooked up in car I get nothing. Ive checked all fuses and relays underhood and in car nothing blown. Is there an inline fuse somewhere I can check. If so where is it? Thanks for any help.

Mark
Was this
answer
helpful?
Yes
No
Thursday, August 6th, 2020 AT 10:49 AM (Merged)
Tiny
JDL
  • MECHANIC
  • 16,098 POSTS
Did you do any voltage testing? Test voltage at applicable fuse/s, even if fuse is good, if no voltage, the circuit is dead. Get at the blower motor, take connector loose, turn on key and hvac controls. Check for voltage and ground at the blower connector. Maybe you've already done all this?
Was this
answer
helpful?
Yes
No
Thursday, August 6th, 2020 AT 10:49 AM (Merged)
Tiny
FIEROJUNKY73
  • MEMBER
  • 2 POSTS
Will check for voltage at fuse box, didnt think of that. Will post back to let you know.
Was this
answer
helpful?
Yes
No
Thursday, August 6th, 2020 AT 10:49 AM (Merged)
Tiny
RASMATAZ
  • MECHANIC
  • 75,992 POSTS
If there's no power on the dark green wire on the blower motor test fuse no. 13 40 amp and ignition switch
Was this
answer
helpful?
Yes
No
-1
Thursday, August 6th, 2020 AT 10:49 AM (Merged)
Tiny
TERRY54
  • MEMBER
  • 1 POST
  • 2002 DODGE DURANGO
  • V8
  • 4WD
  • AUTOMATIC
  • 104,000 MILES
The blower only works on the highest setting and it does not blow cold air, however the rear controls all work properly and it does blow cold air in the back. Any ideas?
Was this
answer
helpful?
Yes
No
Thursday, August 6th, 2020 AT 10:49 AM (Merged)
Tiny
OBXAUTOMEDIC
  • MECHANIC
  • 3,711 POSTS
It is most likely the Blower Motor Resistor. It is located in the duct work under the passenge dash.
Here is a picture. The cost is under $20


https://www.2carpros.com/forum/automotive_pictures/188069_710211_1.jpg

Was this
answer
helpful?
Yes
No
Thursday, August 6th, 2020 AT 10:49 AM (Merged)
Tiny
JAGAZZ
  • MEMBER
  • 1 POST
  • 2002 DODGE DURANGO
  • 125,000 MILES
I have a 2002 dodge durango 4.7 litre 4x4 and my heater/ac fan wont work in the front. No problems with the rear unit. Fuses are good what else can I check?

I have checked all the fuses not sure about the ac relay, but the fan wont blow on ac or heater.
Was this
answer
helpful?
Yes
No
Thursday, August 6th, 2020 AT 10:49 AM (Merged)
Tiny
ASEMASTER6371
  • MECHANIC
  • 52,796 POSTS
Either a blower resistor or blower motor. You need to check for power to the motor. If there is, then the motor has failed. If not, the resistor most likely has failed.

Roy
Was this
answer
helpful?
Yes
No
+1
Thursday, August 6th, 2020 AT 10:49 AM (Merged)

Please login or register to post a reply.