Blower motor not working?

Tiny
MHB
  • MEMBER
  • 2001 DODGE DURANGO
  • V8
  • 4WD
  • AUTOMATIC
  • 170,000 MILES
Front blower quit? I have checked both fuses for the air conditioner and they are both good?
Saturday, May 29th, 2010 AT 12:23 PM

1 Reply

Tiny
KASEKENNY
  • MECHANIC
  • 18,907 POSTS
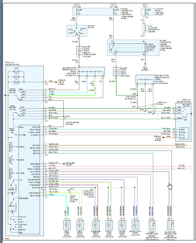
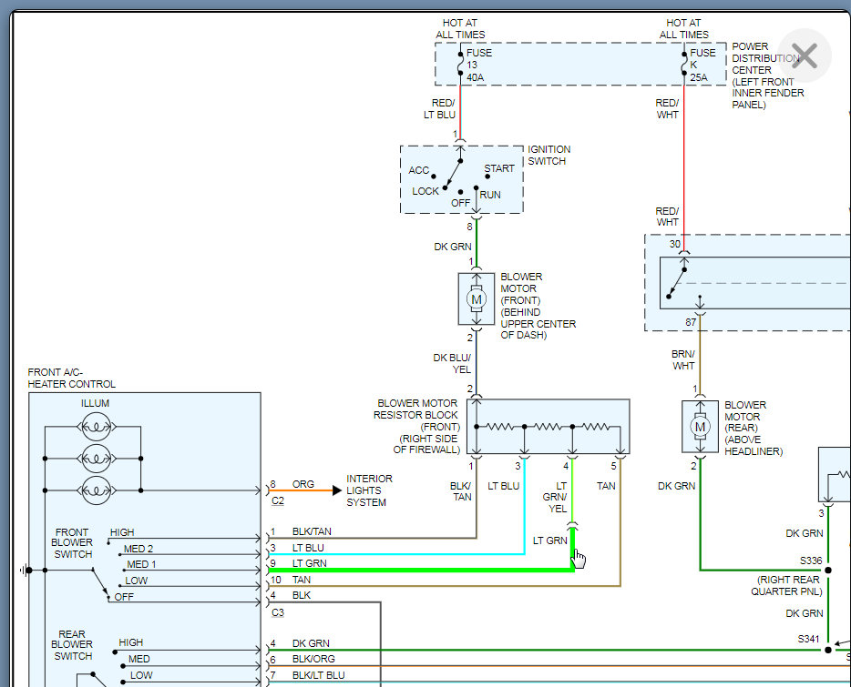
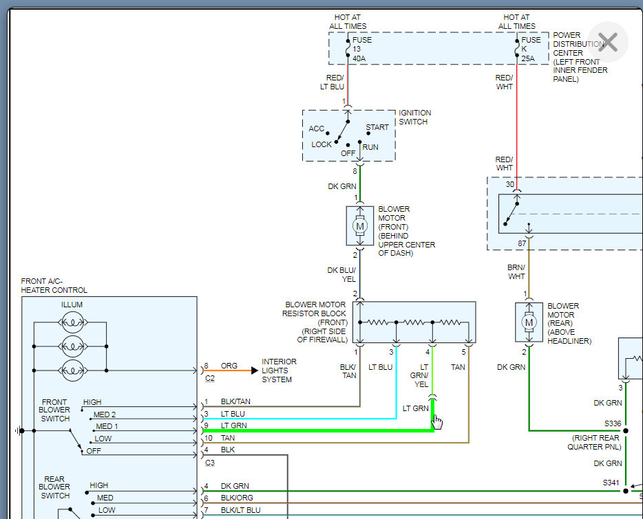
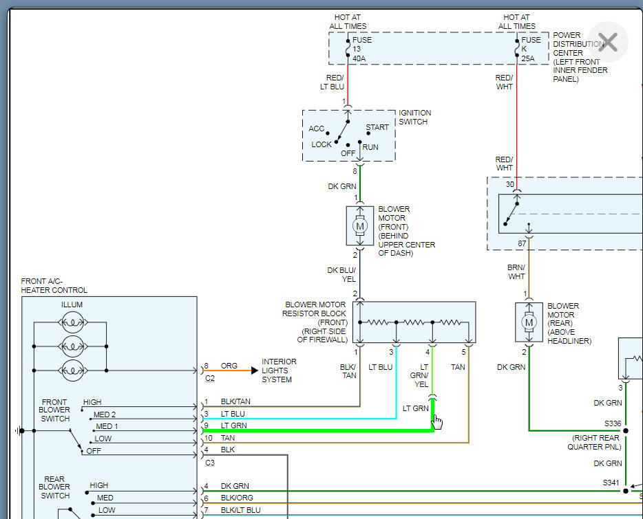
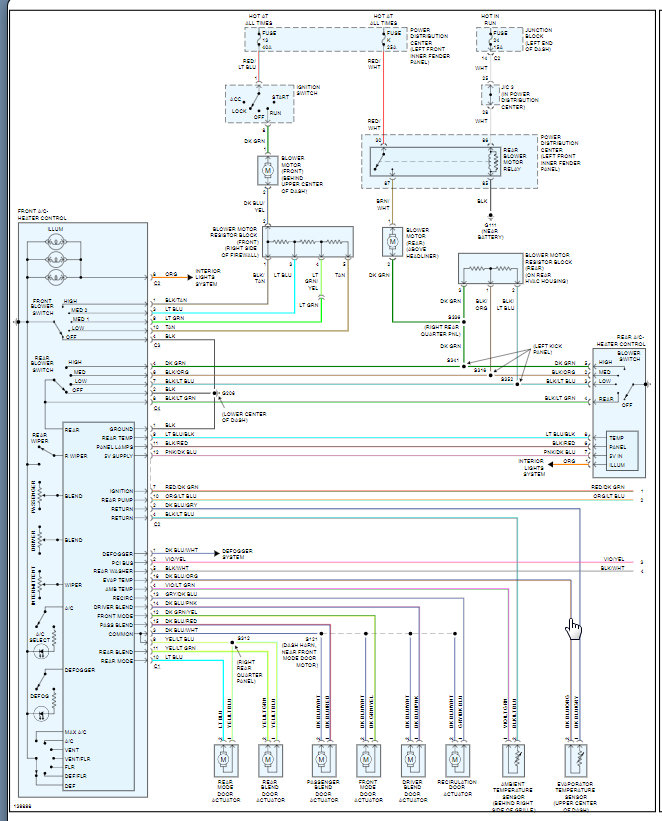
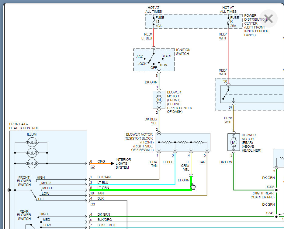
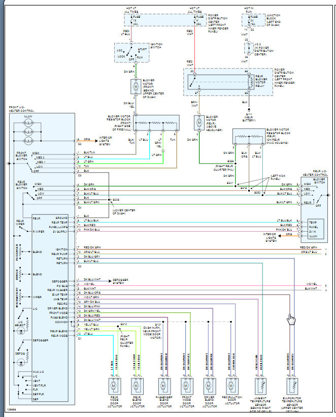
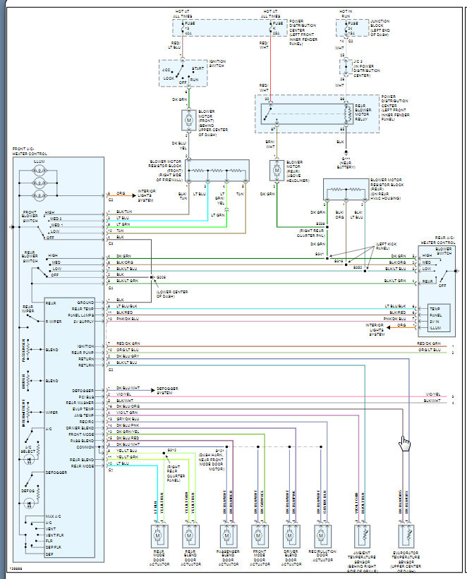
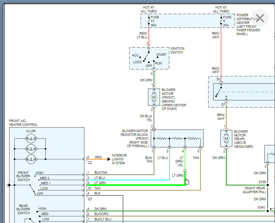
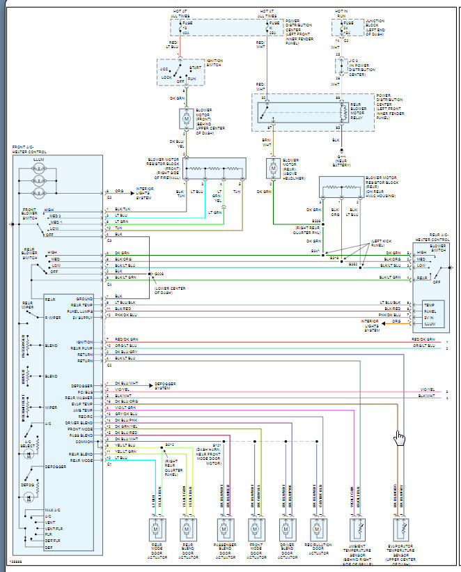
We need to check a couple things in order to figure this out. Here is a guide that will get us started:

https://www.2carpros.com/articles/low-or-no-air-flow-from-vents

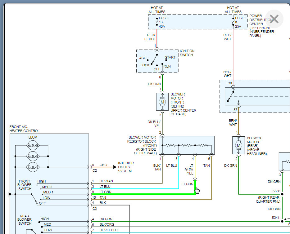
We need to check power at the blower. If you have power, then I suspect the motor is the issue. Jump 12 volts to the motor and see if it comes on.

If it does then we need to check the resistor shown in the wiring diagram.

If the blower motor does not come on when you jump power to it then the motor is the issue. Here is a guide that will help with that:

https://www.2carpros.com/articles/blower-fan-motor-works-on-high-speed-only

Run through all this material and let me know what questions you have. Thanks
Was this
answer
helpful?
Yes
No
Thursday, December 10th, 2020 AT 12:43 PM

Please login or register to post a reply.