Blend door actuator replacement

Tiny
JACOBANDNICKOLAS
  • MECHANIC
  • 110,192 POSTS
Okay. Check to make sure there is power to the actuator first. Make sure the plug is properly connected.
Was this
answer
helpful?
Yes
No
Friday, December 18th, 2020 AT 8:26 AM (Merged)
Tiny
TRUCK000
  • MEMBER
  • 10 POSTS
Yes. With the old actuator the door wud open and shut but it clicked really loud and the heat wudnt work sometimes. With the new one it is completely shut and the heat works but the door doesnt open when changed to a/c. Plugged in and replugged.
Was this
answer
helpful?
Yes
No
Friday, December 18th, 2020 AT 8:26 AM (Merged)
Tiny
JACOBANDNICKOLAS
  • MECHANIC
  • 110,192 POSTS
That is odd. Am I correct in assuming there are two wires to the actuator?
Was this
answer
helpful?
Yes
No
Friday, December 18th, 2020 AT 8:26 AM (Merged)
Tiny
TRUCK000
  • MEMBER
  • 10 POSTS
Yes
Was this
answer
helpful?
Yes
No
Friday, December 18th, 2020 AT 8:26 AM (Merged)
Tiny
TRUCK000
  • MEMBER
  • 10 POSTS
I cud tell the small cylinder that the door hinge slides onto had changed positions too. There r 3 lines above it and a notch in the cylinder, it started in the middle and when we took it back off it was on the line to the left.
Was this
answer
helpful?
Yes
No
Friday, December 18th, 2020 AT 8:26 AM (Merged)
Tiny
JACOBANDNICKOLAS
  • MECHANIC
  • 110,192 POSTS
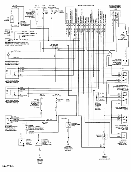
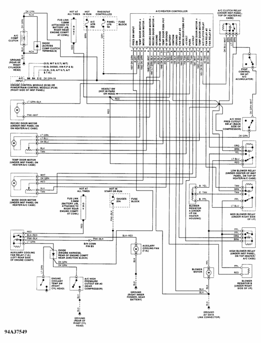
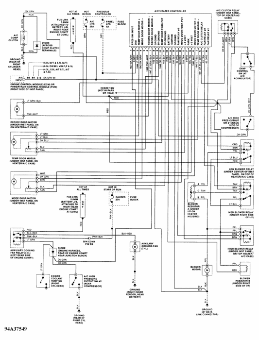
Take a look at the attached wiring schematic. If I recall, the two wires work like this. In one position, power is fed through one wire to direct the door one way. When you switch it, the power goes through the other wire (changes polarity) causing the door to go the other way. Let me know if the schematic helps. To me, it sounds like it is either out of adjustment or the power isn't coming through the opposite wire.
Was this
answer
helpful?
Yes
No
Friday, December 18th, 2020 AT 8:26 AM (Merged)

Please login or register to post a reply.