My engine is not starting up why?

Tiny
PRESTON GRANT
  • MEMBER
  • 2001 DODGE NEON
  • 2.0L
  • 4 CYL
  • 2WD
  • AUTOMATIC
  • 243,000 MILES
Can a bad TCM cause a no start please help me?
Monday, September 3rd, 2018 AT 6:14 PM

44 Replies

Tiny
JACOBANDNICKOLAS
  • MECHANIC
  • 110,194 POSTS
Hi and thanks for using 2CarPros.com.

The TCM should not have any affect on the engine starting. Have you checked to make sure the fuel pressure is within the manufacturer's specs and the engine is getting spark to the plugs?

Here is a link that shows how in general to check fuel pump pressure:
https://www.2carpros.com/articles/how-to-check-fuel-system-pressure-and-regulator

Here is a link that shows how to check for spark:
https://www.2carpros.com/articles/how-to-test-an-ignition-system

Here are the manufacture's specs for fuel pressure:

Fuel System Pressure

Regulated Pressure 400 +/- 34 kpa (58 +/- 5 psi)

Start with this and let me know what you find.

Take care,
Joe
Was this
answer
helpful?
Yes
No
+1
Tuesday, September 4th, 2018 AT 5:53 PM
Tiny
PRESTON GRANT
  • MEMBER
  • 5 POSTS
Fuel just drips from the rails
Was this
answer
helpful?
Yes
No
Tuesday, September 4th, 2018 AT 8:36 PM
Tiny
JACOBANDNICKOLAS
  • MECHANIC
  • 110,194 POSTS
If the pressure is that low, the engine will not run. There is a good chance it's the pump. Here are directions for pump replacement if you decide to do the work.

___________________

FUEL PUMP REPLACEMENT
REMOVAL

Warning: Release fuel system pressure before servicing fuel system components. Service vehicles in well ventilated areas and avoid ignition sources. Never smoke while servicing the vehicle.

1. Drain the fuel.

Warning: the fuel reservoir of the fuel pump module does not empty out when the tank is drained. The fuel in the reservoir will spill out when the module is removed.

Fig. 12 Fuel Pump Module
2. Remove fuel tank.
3. Lower tank (Fig. 12).

Fig. 13 Fuel Tank
4. Use Special Tool 6856 to remove fuel pump module locknut (Fig. 13).
5. Remove fuel pump and O-ring seal from tank. Discard old seal.

INSTALLATION
1. Wipe seal area of tank clean and place a new seal in position in the tank opening.

Fig. 14 Alignment Tab
2. Position fuel pump in the tank. Make sure the alignment tab on the underside of the fuel pump module flange sits in the notch on the fuel tank (Fig. 14).
3. Position the locknut over the fuel pump module.
4. Tighten the locknut using Special Tool 6856 to 55 Nm (40.5 ft. Lbs.) (Fig. 13).

CAUTION: Over tightening the pump lock ring may result in a leak.

5. Install fuel tank, refer to the Fuel Tank removal/installation.
6. Lower vehicle.
7. Fill fuel tank. Check for leaks.

Let me know if this helps.

Take care,
Joe
Was this
answer
helpful?
Yes
No
Wednesday, September 5th, 2018 AT 6:32 PM
Tiny
LMOLINA8488
  • MEMBER
  • 11 POSTS
  • 2001 DODGE NEON
  • 4 CYL
On my 2001 dodge neon se 2.0 when I try to start it it just keeps cranking but wont start it was running pretty good til it started doin what I just said and when its turning over it seems to backfires or like pops from the intake I check for codes and all im getting is P0743 would that have something to do with what's going with it not starting
Was this
answer
helpful?
Yes
No
Thursday, April 1st, 2021 AT 1:49 PM (Merged)
Tiny
RASMATAZ
  • MECHANIC
  • 75,992 POSTS
This sounds like the crankshaft angle sensor or the fuel pump has gone out, when you turn the key to the on position without cranking the engine over can you hear the fuel pump run in the tank for 5 seconds? These guides should help us fix it.

https://youtu.be/dCjmRL3p4Cs

and

https://www.2carpros.com/articles/car-cranks-but-wont-start

Please run down these guides and report back.
Was this
answer
helpful?
Yes
No
Thursday, April 1st, 2021 AT 1:49 PM (Merged)
Tiny
LMOLINA8488
  • MEMBER
  • 11 POSTS
It was the fuel pump thank you this site rocks
Was this
answer
helpful?
Yes
No
Thursday, April 1st, 2021 AT 1:49 PM (Merged)
Tiny
PRESTON GRANT
  • MEMBER
  • 5 POSTS
  • 2001 DODGE NEON
  • 2.0L
  • 4 CYL
  • 2WD
  • AUTOMATIC
  • 243,000 MILES
Is it possible ASD relay bad?
Is it possible that ASD shut down the car?
There was only one code p0353 came up cleared it and it never came back.
Is it possible that the output side is faulty?
Was this
answer
helpful?
Yes
No
Thursday, April 1st, 2021 AT 1:50 PM (Merged)
Tiny
ASEMASTER6371
  • MECHANIC
  • 52,796 POSTS
Good morning.

You need three things for the engine to run, spark, fuel pressure and compression.

Have you checked for spark? Try spraying some starting fluid in the air filter and see if it starts and stalls.

Can you verify the code? I do not see 353. Could it be 335? That would make better sense as it is indicating the crank sensor.

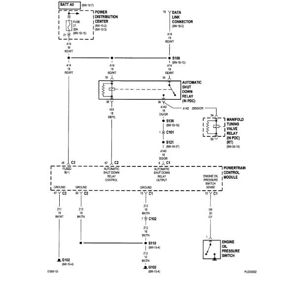
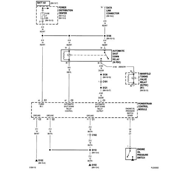
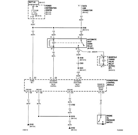
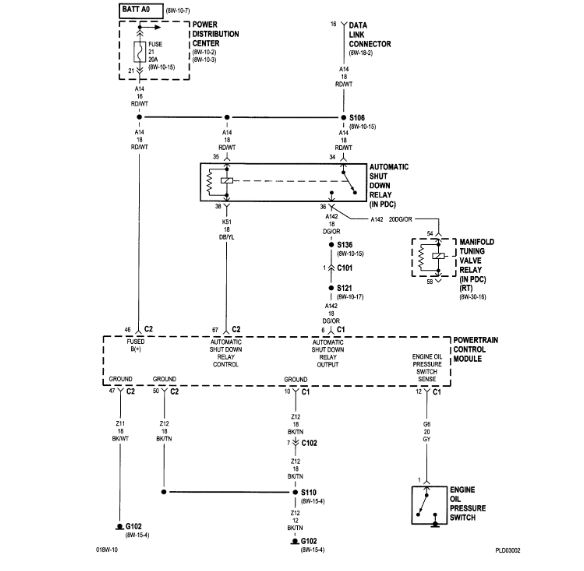
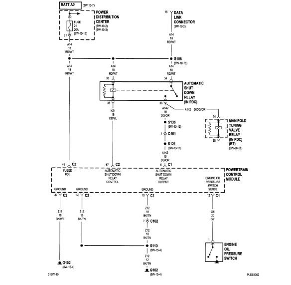
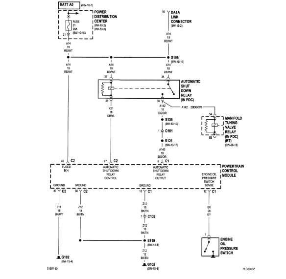
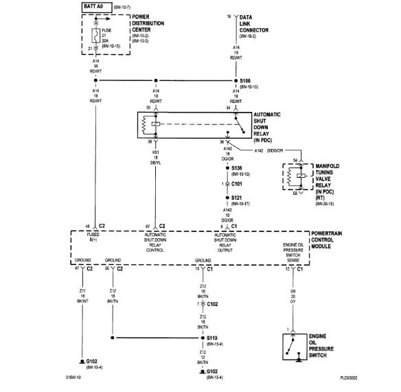
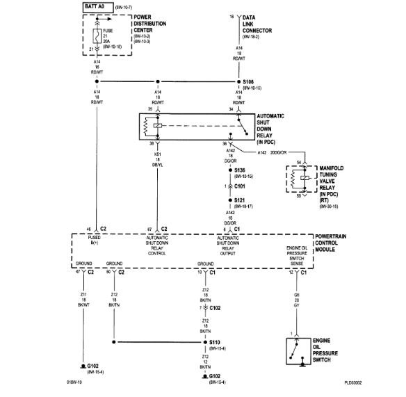
Yes, the ASD relay controls both spark and fuel for the engine. It needs to be checked with a test light or voltmeter. I attached a diagram for you to view. With the key on, you need to check for two powers to the ASD relay. The PCM grounds the control side and activates the load side which turns on spark and fuel pump.

Roy
Was this
answer
helpful?
Yes
No
+1
Thursday, April 1st, 2021 AT 1:50 PM (Merged)
Tiny
TAMMY MAY PERRETT
  • MEMBER
  • 6 POSTS
  • 2000 DODGE NEON
  • 2.0L
  • 4 CYL
  • 2WD
  • AUTOMATIC
  • 156,000 MILES
A couple months ago I had new head/valve cover gaskets done on my car. And the heads were resurfaced. And now the car will not start. It acts like it wants to but does not. Please any suggestions would be appreciated. I love my car and would love to drive it.
Was this
answer
helpful?
Yes
No
Thursday, April 1st, 2021 AT 1:51 PM (Merged)
Tiny
CARADIODOC
  • MECHANIC
  • 34,489 POSTS
Are you saying the engine never started since the cylinder work was done?

Do you know which engine you have? There's a version with a dual camshaft engine and one with the normal single camshaft.

The first thing you need to do is read and record the diagnostic fault codes. Chrysler made doing that yourself much easier than any other manufacturer. Cycle the ignition switch from "off" to "run" three times within five seconds without cranking the engine. Leave it in "run", then watch the code numbers appear in the odometer display. Be aware those codes would have been erased if the battery was recently disconnected, then that valuable information would have been lost.

Once you know the fault codes, you can go here:

https://www.2carpros.com/trouble_codes/obd2/p0400

to see the definitions, or I can interpret them for you. One of the common causes of this crank / no-start only occurs on the single-camshaft engine, which is why I had to ask.

Did the engine ever run right after the cylinder head work was done?
Was this
answer
helpful?
Yes
No
Thursday, April 1st, 2021 AT 1:51 PM (Merged)
Tiny
TAMMY MAY PERRETT
  • MEMBER
  • 6 POSTS
I am sorry should have clarified better. It ran for about a week with no issues then one day it started to shut off while I was driving it. My husband has tried everything he knows to try. It seems like when we move the wire next to the PCM it will start but wont stay running. But he said its not getting a spark. And it wont give a code have tried with code reader.
Was this
answer
helpful?
Yes
No
Thursday, April 1st, 2021 AT 1:51 PM (Merged)
Tiny
TAMMY MAY PERRETT
  • MEMBER
  • 6 POSTS
Sorry it's a 2.0.
Was this
answer
helpful?
Yes
No
Thursday, April 1st, 2021 AT 1:51 PM (Merged)
Tiny
CARADIODOC
  • MECHANIC
  • 34,489 POSTS
There's two version of the 2.0L engine. There is a very elusive problem with the single-camshaft engine that causes intermittent stalling, but it doesn't apply to the dual camshaft engine. Regardless, it sounds like you have something else going on. Looking at the combination of no diagnostic fault codes and wiggling a wire allows the engine to run intermittently, a good suspect is a bad connection in the wire that supplies the constant 12 volts to the Engine Computer to keep its memory alive. That's the red / white wire in the second connector drawing. If that is the case, losing that connection will erase the fault codes, and it will erase everything the computer has in memory. That doesn't cause a problem as far as learned sensor "personalities" or fuel trim data is concerned. That will all be relearned as soon as you start driving, without you even noticing, but there is one thing that won't be relearned until you're out on the highway. That is "minimum throttle". Until that is relearned, idle speed will be too low, often to the point the engine will not start or it will not stay running unless you hold the accelerator pedal down 1/4".

You really need a scanner to be able to see what the Engine Computer is seeing and reacting to. Without that, there's no way to verify one of the 12-volt supply circuits is missing to the computer, or what else is affecting it, but we can do some of the tests manually. You can look at this article:

https://www.2carpros.com/articles/how-to-check-wiring

but for this type of problem it is better to leave the electrical connector plugged in at the computer, and to back-probe through the back of the connector where the wires go in. There may be a cover to remove from each connector to gain access to the wires. A voltmeter's probe can be too fat to squeeze in alongside the wire. Use a sewing needle or a stretched-out paper clip instead. Slide that in next to the wire, then touch the meter's probe to it. You might have to wiggle the needle a little to insure it is touching the terminal.

You should see 12 volts on the red / white wire all the time. It will only be on the dark blue / white wire when the ignition switch is in the "run" position. The third one, the dark green / orange wire is a little tricky. That one is only going to have 12 volts on it for one second when you turn on the ignition switch. Most digital voltmeters don't respond fast enough to catch that. A test light will work much better. In fact, for this type of problem, a test light can be more accurate than the digital meter for all of the tests.

You might be able to hear the hum of the fuel pump for that one second when you turn on the ignition switch. If you can, that proves the automatic shutdown, (ASD) relay is working, but we still need to verify the 12 volts it switches on is making it to the Engine Computer. That's the dark green / orange wire. Besides it getting 12 volts for one second, what is important is if that voltage comes back when you crank the engine. If it does not come back, but it was there for one second, we have to go in a different direction.

Normally there's four 12-volt feed circuits, but I only see these three that I pointed out. The connector views are of the terminals, not the back side where the wires go in, so be sure to get the right wire colors. A break in the ground circuit can cause the engine to not run too, just like a break in a 12-volt feed wire can, but Chrysler has always used pairs of ground wires to insure that doesn't happen. For that reason failure is not likely and we won't worry about checking those at this time.
Was this
answer
helpful?
Yes
No
Thursday, April 1st, 2021 AT 1:51 PM (Merged)
Tiny
TAMMY MAY PERRETT
  • MEMBER
  • 6 POSTS
Thank you will that.
Was this
answer
helpful?
Yes
No
Thursday, April 1st, 2021 AT 1:51 PM (Merged)
Tiny
TAMMY MAY PERRETT
  • MEMBER
  • 6 POSTS
These are the codes P1193 and P0123. We did the tests like you suggested and it has power. When we move the wires it makes a clicking noise and then we try starting it but all it does is cranking but will not run.
Was this
answer
helpful?
Yes
No
Thursday, April 1st, 2021 AT 1:51 PM (Merged)
Tiny
CARADIODOC
  • MECHANIC
  • 34,489 POSTS
P0123 - Throttle/Pedal Position Sensor/Switch A Circuit High Input
P1193 - Post-catalyst Fuel Trim System Bank 2

I just found there was only the single-camshaft engine used in 2000. A good suspect, given the recent repair history, is the timing belt jumped two or more teeth. The Engine Computer will shut the engine down by turning off spark and injector pulses. It does that to protect the valves. With the single-cam engine, when the timing belt jumps three teeth, the pistons will hit the open valves and bend them as the stalled engine coasts to a stop. That damage can also occur later when cranking the engine after the timing belt has jumped. Normally I would say to check the timing belt, but there should have been a fault code related to "cam and crank sync" if the belt had jumped. Checking the timing belt can be a tedious job, so we'll skip that for now since no fault code is set related to that.

Neither of these codes will prevent the engine from running. The presence of fault codes suggests the 12-volt feed circuits to the Engine Computer are okay, but it concerns me that something appears to be changing when you wiggle the wires. Lets approach this as the typical crank / no-start problem.

The first step is to determine if the automatic shutdown, (ASD) relay is turning on. This is checked best with a test light because most digital voltmeters don't respond fast enough. Look for the dark green / orange wire at the ignition coil pack or at any injector. Back-probe that wire at any of those places. If you need it, here's articles that show how to use a test light and voltmeter:

https://www.2carpros.com/articles/how-to-use-a-test-light-circuit-tester

https://www.2carpros.com/articles/how-to-use-a-voltmeter

You should see the test light turn on full brightness for just one second when you turn on the ignition switch, then it will go off. What is important is it must turn on again when you're cranking the engine. If it turns on nice and steady during cranking, we have either a fuel supply problem or an ignition system problem, but not both. Those are relatively uncommon. Most commonly the light will not turn back on during cranking. That results in no spark, no injector pulses, and no fuel pump, all at the same time. That is almost always caused by a problem with the crankshaft position sensor or the camshaft position sensor. The Engine Computer needs to see those two signals to know when to turn the ASD relay on.

There's one more thing to be aware of. It is not uncommon for the dowel pin between the camshaft and the sprocket to shear off, then the sprocket will rotate a little on the camshaft. That makes the camshaft timing late, simulating a jumped timing belt, but the belt and timing marks will look perfect. The camshaft position sensor is on the other end of the camshaft, so it sees the late valve timing, and that will shut the engine down, just like the jumped timing belt would do.
Was this
answer
helpful?
Yes
No
Thursday, April 1st, 2021 AT 1:51 PM (Merged)
Tiny
CARADIODOC
  • MECHANIC
  • 34,489 POSTS
Something important just occurred to me. I had a crank/no-start on my minivan last summer caused by a sticking throttle position sensor, so it stands to reason the same thing could happen with your fault code 123. Use a voltmeter to measure the voltage on the center wire in the connector for the throttle position sensor. If you're not sure which one that is, just check all three of them. The ignition switch must be in the "run" position. The ground wire will have 0.2 volts and the feed wire will have 5.0 volts. The signal wire should have around 0.5 volts. If the ground circuit has a break, all three terminals will be at 5.0 volts, and a high voltage on the signal wire when engine speed is at 0 rpm is the "clear-flood" signal for the computer to turn the injectors off. That will result in a crank/no-start.
Was this
answer
helpful?
Yes
No
Thursday, April 1st, 2021 AT 1:51 PM (Merged)
Tiny
TAMMY MAY PERRETT
  • MEMBER
  • 6 POSTS
Okay finally got the car to start but wont stay running. Got 2 codes p0123 and p0118.
Was this
answer
helpful?
Yes
No
Thursday, April 1st, 2021 AT 1:51 PM (Merged)
Tiny
CARADIODOC
  • MECHANIC
  • 34,489 POSTS
P0118 - Engine Coolant Temperature Circuit High Input
P0123 - Throttle/Pedal Position Sensor/Switch A Circuit High Input

The first fault code will set if the coolant temperature sensor is unplugged while the ignition switch is on. Same with the second code for the throttle position sensor. Now that we have those codes recorded, disconnect the battery's negative cable for about a minute, then reconnect it. If those codes don't set again, they were in memory from before. If they do set again, we'll need to take some voltage readings in those circuits. If you don't have a digital voltmeter, Harbor Freight Tools has a perfectly fine one for less than $7.00. You can also find them at Walmart or any hardware store. Here's a link to an article that shows how to use one, if you need it:

https://www.2carpros.com/articles/how-to-use-a-voltmeter

but they're using an "auto-ranging" meter. That's an expensive feature you don't need. I can help with setting your meter, if necessary.

The issue after reconnecting the battery is idle speed is going to be too low. This can cause the engine to crank but not start unless you hold the accelerator pedal down 1/4". If it does start, you won't get the normal "idle flare-up" to 1500 rpm at start-up, and it will tend to stall at stop signs. Everything else related to sensor personalities and fuel trim data will be relearned without you even noticing, except for "minimum throttle" That has to be relearned so the Engine Computer will know when it must be in control of idle speed. It takes a very specific set of conditions for that relearn to take place. To meet those conditions, drive at highway speed with the engine warmed up, then coast for at least seven seconds without touching the pedals.
Was this
answer
helpful?
Yes
No
Thursday, April 1st, 2021 AT 1:52 PM (Merged)
Tiny
SANDMAN7474
  • MEMBER
  • 2 POSTS
  • 2000 DODGE NEON
My car died at 60 mph and will not start now. I have lights and all but not hearing starter click or fuel pump prime. What could it be?
Was this
answer
helpful?
Yes
No
Thursday, April 1st, 2021 AT 1:52 PM (Merged)

Please login or register to post a reply.