The intake air flow control valve.
Baffles and shaft moved properly checked it before I reinstalled it.
The lightning bolt indicator light came
On last week and car would barely run.
So I replaced the parts mentioned.
Upon starting the engine after repair
It still runs rough. My diagnostics test
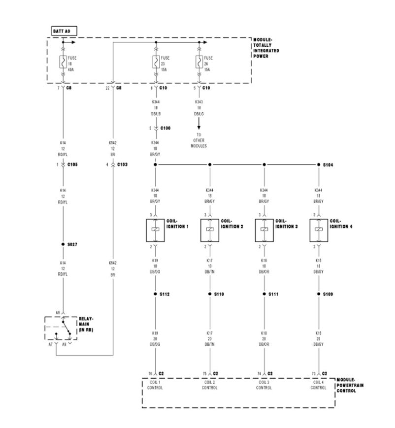
Shows this code. P2311 ignition coil D. Secondary circuit. I'm not sure what that means. I just replaced all the coils couple of months ago. Because of a misfire code on different cylinder. I also replaced All fuel injectors. The car ran very good until one morning few weeks ago upon starting the car it made a popping noise in and shut off. After doing a scan I came up with codes leading me to make the repairs I just made. I'm not sure what to do next. This is a cheap diagnostics OBD11 and EOBD code reader. Ancel AD310. Would appreciate your professional opinion. Thanks, JC
Sunday, August 8th, 2021 AT 9:29 AM





























