Battery will not charge

Tiny
MARK MARIDUENA JR
  • MEMBER
  • 1 POST
  • 1996 FORD F-150
  • 4.9L
  • 6 CYL
  • 156,000 MILES
I bought a new alternator about two months ago and a new battery at the same time. The alternator still was not charging the new battery. So then I ordered the voltage regulator plug in the ten plug that goes on the other side of the alternator and I drove it to O'Reilly's because it still was not charging correctly. So then they put the tester that they have on it had and said it was a alternator but then when I took it off they tested it inside and said it was not the alternator that it could have been the wiring. So they did not sell the wire for the alternator so I had it jumped off and I tried to head home with it, but I ended up stranded across the road beside a convenience store. Is there a fusible inline fuse or something that I am missing is that what could be what the problem is?
Was this
answer
helpful?
Yes
No
Friday, January 22nd, 2021 AT 11:38 AM (Merged)
Tiny
HMAC300
  • MECHANIC
  • 48,601 POSTS
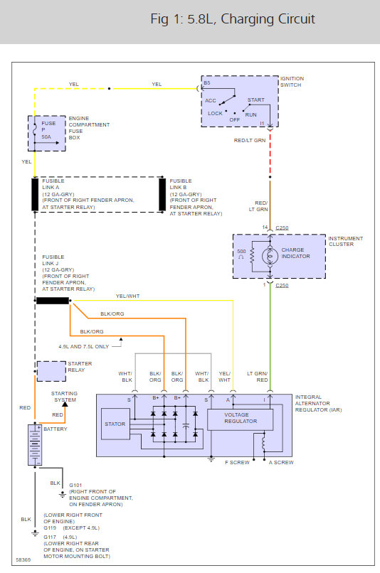
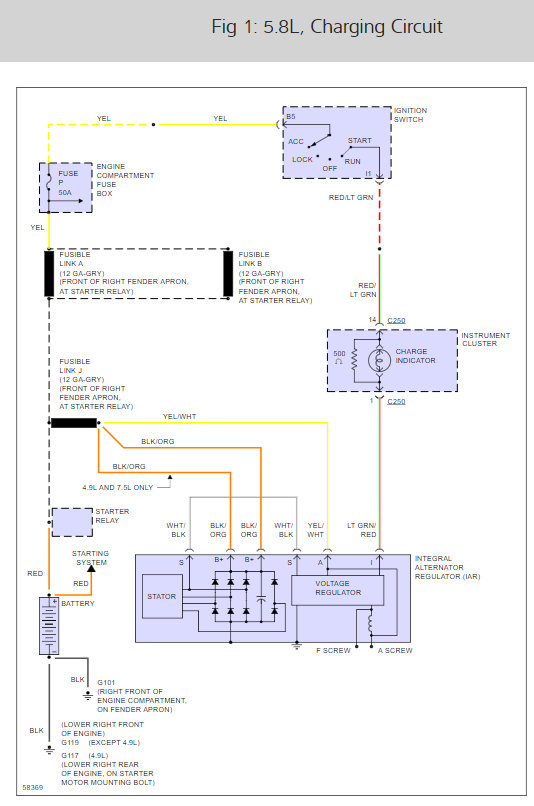
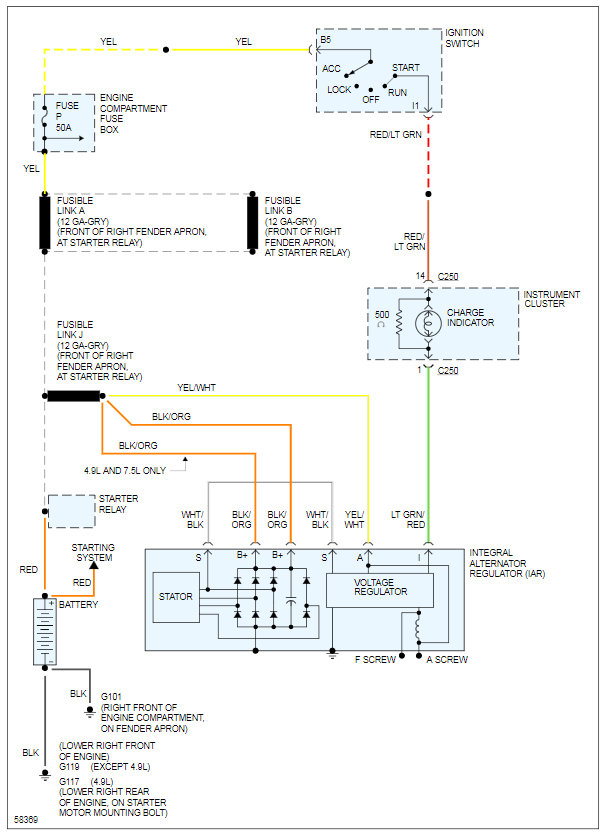
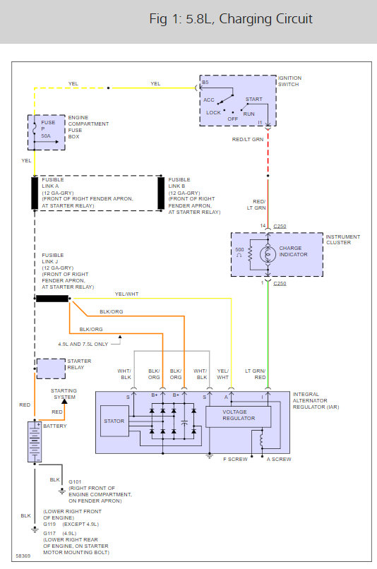
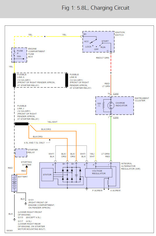
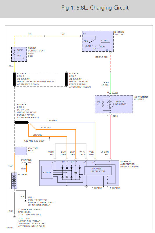
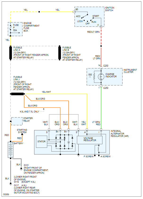
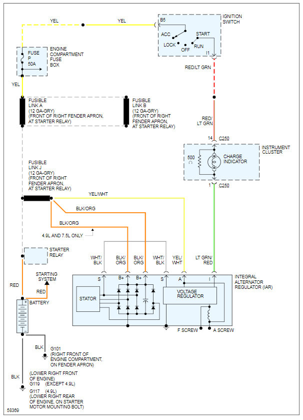
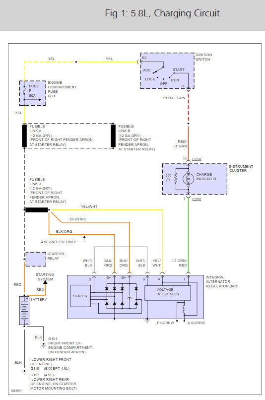
I do not know why auto parts guys think they know everything about a vehicle they only sell parts nothing else. There are three fusible links and a fuse which any of them could be bad see picture to check them. They should have 12 volts on each side wiggle them as they may only have one or two strands connecting.
Was this
answer
helpful?
Yes
No
Friday, January 22nd, 2021 AT 11:38 AM (Merged)
Tiny
JIS001
  • MECHANIC
  • 3,412 POSTS
You need to take it in to a shop to have it checked out unless you know how to do a voltage drop test on the battery cables. Had a customer throw 4 alternators on his car until he decided to come see me. When doing a voltage drop on the ground cable I found just a little over 4 volts still on the cable. Found the ground cable bolted at block was corroded. Cleaned the terminal and block and all was good. And if you want to know the voltage dropped down to.02 volts. If you have a decent volt meter I can guide you through the steps.
Was this
answer
helpful?
Yes
No
Friday, January 22nd, 2021 AT 11:38 AM (Merged)
Tiny
FIRE3397
  • MEMBER
  • 1 POST
  • 1994 FORD F-150
  • 6 CYL
  • 4WD
  • AUTOMATIC
  • 131,500 MILES
How do I teel if my alternator is bad or if its my voltage regulator. The trouble light is on and the battery charge gauge is reading in the discharge area. The truck still started and ran for about a week and a half. The battery is about 8 mounths old. I am no great mechanic but need to try to fix myself. Thank You.
Was this
answer
helpful?
Yes
No
Friday, January 22nd, 2021 AT 11:39 AM (Merged)
Tiny
BILLYMAC
  • MECHANIC
  • 2,204 POSTS
It sounds like the voltage regulator might be loose. Here is a guide to help you see how to test the connection and the alternator wiring diagrams so you can see how the system works.

https://www.2carpros.com/articles/how-to-check-wiring

Please run down these guides and report back

Cheers
Was this
answer
helpful?
Yes
No
Friday, January 22nd, 2021 AT 11:39 AM (Merged)
Tiny
GEEGEE
  • MEMBER
  • 1 POST
I had this problem it was the fusible link was blown, FYI.
Was this
answer
helpful?
Yes
No
Friday, January 22nd, 2021 AT 11:39 AM (Merged)
Tiny
NICKVAL82
  • MEMBER
  • 1 POST
  • 1994 FORD F-150
  • V8
  • 2WD
  • AUTOMATIC
  • 160,000 MILES
I all of a sudden started losing lights, stereo, and all electrical components my a/c quit blowing cold air and even on hi was blowing slowly then the truck died completely I
had somoeone jump me and started up drove a few blocks and it died again got a second jump and allowed to charge a little longer drove a few more blocks than before and it died again. I figured it was the alternator not charging the battery next morning replaced alternator and fully charged battery before cranking up the truck, it started right up but when I put my volt meter on battery it only read about 12.5 volts and was slowly but steadily dropping voltage
Was this
answer
helpful?
Yes
No
Friday, January 22nd, 2021 AT 11:39 AM (Merged)
Tiny
BMRFIXIT
  • MECHANIC
  • 19,053 POSTS
What kind of alternator do you have ?
with internal or external voltage regulator?


https://www.2carpros.com/forum/automotive_pictures/99387_Graphic1_425.jpg



https://www.2carpros.com/forum/automotive_pictures/99387_Graphic2_212.jpg



check fuses
check wiring
check for battery power at the B terminal
Was this
answer
helpful?
Yes
No
Friday, January 22nd, 2021 AT 11:39 AM (Merged)
Tiny
MATTHEW SHAWN
  • MEMBER
  • 1 POST
  • 1994 FORD F-150
  • 5.0L
  • V8
  • 2WD
  • AUTOMATIC
  • 146,000 MILES
Two days ago driving down the road all lights dimmed really quick. Realizing that I believed the alternator just fried got to a safe place that I could work on it took both battery and alternator and had them tested both were bad. Come to find out it has a 1989 alternator with external voltage regulator in it. Changed alternator and battery, but not voltage regulator. Last night it sat for maybe an hour and a half (nothing was left on) tried to start it and all I heard was a loud pop (one click) noise coming from the voltage regulator and nothing. Tried to jump it and did same thing one click nothing. Tapped on starter solenoid, test diode fuses and every other fuse. Battery is completely drained. What could be the issue or how can I fix this?

I managed to get it figured out the screw that allows it to engage was not positioned correctly. Now that I have it set I am going to find something to keep it from moving and call it a day.
Was this
answer
helpful?
Yes
No
Friday, January 22nd, 2021 AT 11:39 AM (Merged)
Tiny
KASEKENNY
  • MECHANIC
  • 18,907 POSTS
Thanks for the update. That is great that you got it figured out. I am attaching the wiring diagram for not only your future use but also, for others that may have this issue. While you figured out that your vehicle was installed with the wrong alternator the voltage regulator was external. This vehicle should have a voltage regulator as part of the alternator.

Here is a guide on how to test the alternator:

https://www.2carpros.com/articles/how-to-check-a-car-alternator

Please view the wiring diagram below for more info. Thanks and let us know if you have other questions. Thanks
Was this
answer
helpful?
Yes
No
Friday, January 22nd, 2021 AT 11:39 AM (Merged)
Tiny
SARAHNWHITE1987
  • MEMBER
  • 1 POST
  • 1994 FORD F-150
  • 4.9L
  • FWD
  • AUTOMATIC
  • 200 MILES
I cannot make it ten miles down the road before it shuts off. I have replaced alternator and the battery is brand new. It is also not shifting right, it just revs up and I have to put it into drive. Please help me.
Was this
answer
helpful?
Yes
No
Friday, January 22nd, 2021 AT 11:39 AM (Merged)
Tiny
MHPAUTOS
  • MECHANIC
  • 31,937 POSTS
Can you do a current draw test? Do you have a multi meter with at least a 10 amp current draw setting? A open circuit that is drawing the battery down, remove battery positive (+) terminal and attach to one lead of multi-meter attach other lead of
multi-meter to positive (+) battery post, with gauge set on Amps and with key off and all doors closed read current draw. If above say.05 Amps something will be on, there will be some draw down on any system that has memory, clocks and radios etc, and causing the battery to drain down. If you have a high reading, start pulling fuses one at a time and see if you can isolate the circuit that is drawing current, start here.
Was this
answer
helpful?
Yes
No
Friday, January 22nd, 2021 AT 11:39 AM (Merged)
Tiny
K G
  • MEMBER
  • 1 POST
  • 1994 FORD F-150
  • 4.9L
  • 6 CYL
  • 2WD
  • AUTOMATIC
  • 160,000 MILES
New alternator not charging.
Was this
answer
helpful?
Yes
No
Friday, January 22nd, 2021 AT 11:39 AM (Merged)
Tiny
F4I_GUY
  • MECHANIC
  • 3,302 POSTS
Do you mind giving us some more information please?
Is it a brand new alternator? OE or aftermarket? How do you know that the alternator is not working and what diagnostic procedures did you use?
Have you checked the alternator power cable? I would do a voltage drop test across the cable, anything above 0.4 volts would be concerning.

Here is a link below that should help you out:
https://www.2carpros.com/articles/how-to-check-a-car-alternator
Was this
answer
helpful?
Yes
No
Friday, January 22nd, 2021 AT 11:39 AM (Merged)

Please login or register to post a reply.