Alternator not charging

Tiny
LARIATCREW04
  • MEMBER
  • 2004 FORD F-150
  • V8
  • 4WD
  • AUTOMATIC
  • 75,000 MILES
I have a 2004 F150 with 75k and today when I tried to start it in the cold it just clicked and the horn started going off. Everytime I closed the door the horn would start going off. I got a jump took it to Wal-Mart and changed the batter but it would not start and it would continue to honk. It was a blizzard and I was trying to get it going for 2 hours. I finally got it but on the way home, it said to check battery and it said it was not recharging. I would say it was the alternator but it did not do this earlier and I did change it while it was snowing because I had no other choice. Please let me know if you have any answers.
Wednesday, December 9th, 2009 AT 12:16 AM

27 Replies

Tiny
JACOBANDNICKOLAS
  • MECHANIC
  • 110,192 POSTS
It sounds like you have the same type of luck that I do. Have you had any other problems since you replaced the alt?

This guide can help

https://www.2carpros.com/articles/how-to-check-a-car-alternator

and

https://www.2carpros.com/articles/how-to-replace-an-alternator

Please run down this guide and report back.

Was this
answer
helpful?
Yes
No
Thursday, December 10th, 2009 AT 10:49 AM
Tiny
ROBERT GREEN2
  • MEMBER
  • 2 POSTS
  • 2002 FORD F-150
  • 5.4L
  • V8
  • 4WD
  • AUTOMATIC
  • 156,000 MILES
What finally corrected your not charging problem. Thanks
Was this
answer
helpful?
Yes
No
Friday, January 22nd, 2021 AT 11:35 AM (Merged)
Tiny
CARADIODOC
  • MECHANIC
  • 34,448 POSTS
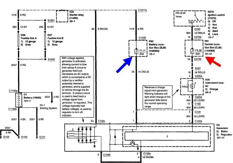
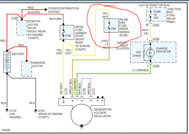
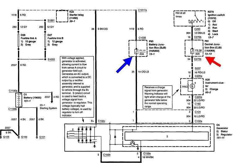
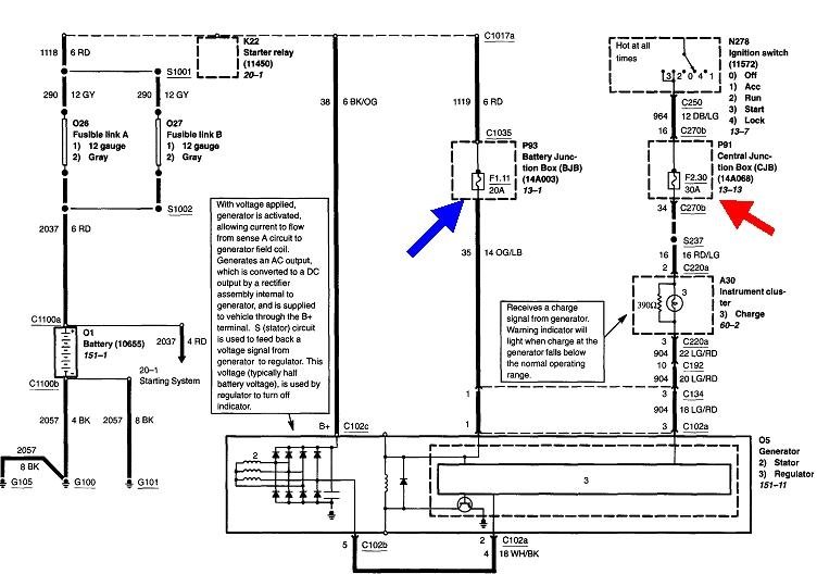
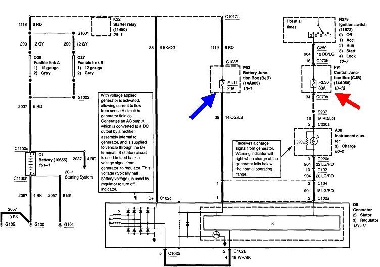
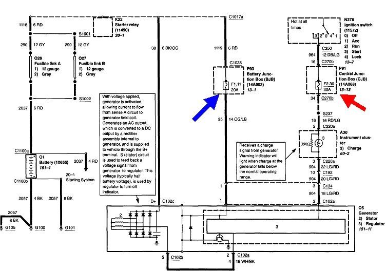
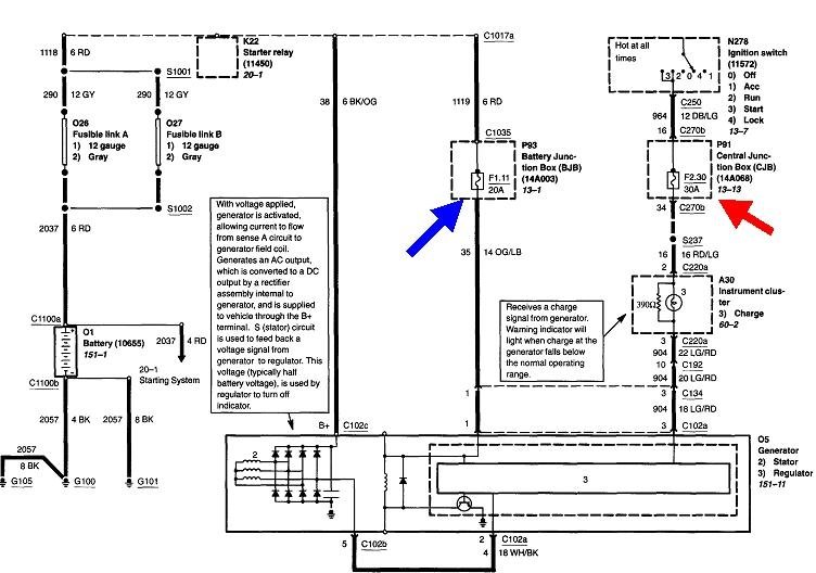
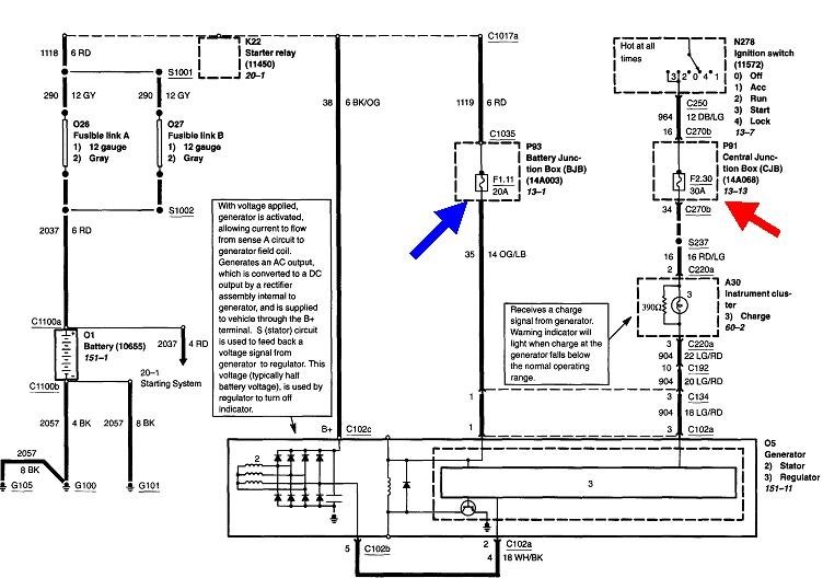
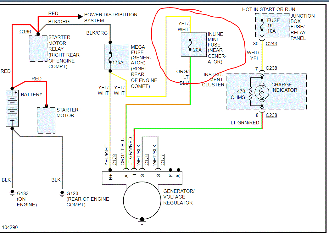
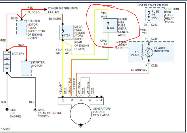
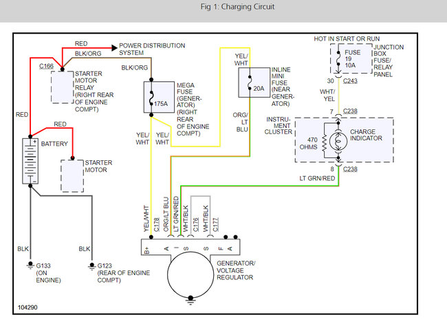
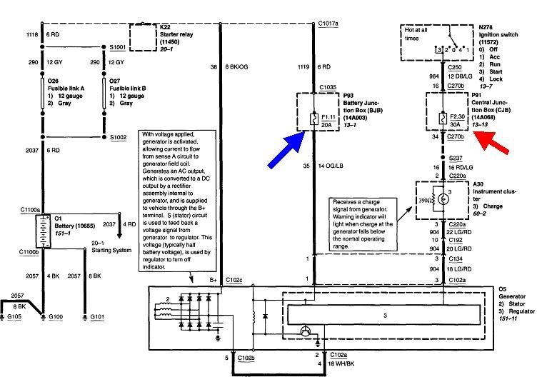
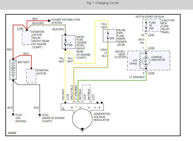
This first diagram is of the entire charging system. The red arrow is pointing to the fuse to suspect if the "Battery" light never turns on. The next three diagrams are for the first version of the fuse box inside the truck. The next three are for the second version, but I can't tell which fuse to point out for you. The fastest approach is to use a test light to check them. They'll have two tiny holes on top for test points. Check on both points with the ignition switch in the "run" position. If you find 12 volts on both test points, that fuse is okay. If you find 0 volts on both sides, that circuit is turned off. You're looking for a fuse that has 12 volts on one test point and 0 volts on the other one.

I suspect you know how to use a test light, but if you don't, here's links to articles that will help:

https://www.2carpros.com/articles/how-to-use-a-test-light-circuit-tester

https://www.2carpros.com/articles/how-to-use-a-voltmeter

To help keep this straight, I'll continue with the next steps in another reply.
Was this
answer
helpful?
Yes
No
+2
Friday, January 22nd, 2021 AT 11:36 AM (Merged)
Tiny
CARADIODOC
  • MECHANIC
  • 34,448 POSTS
That fuse is shown as a 30-amp fuse, so it will be green.

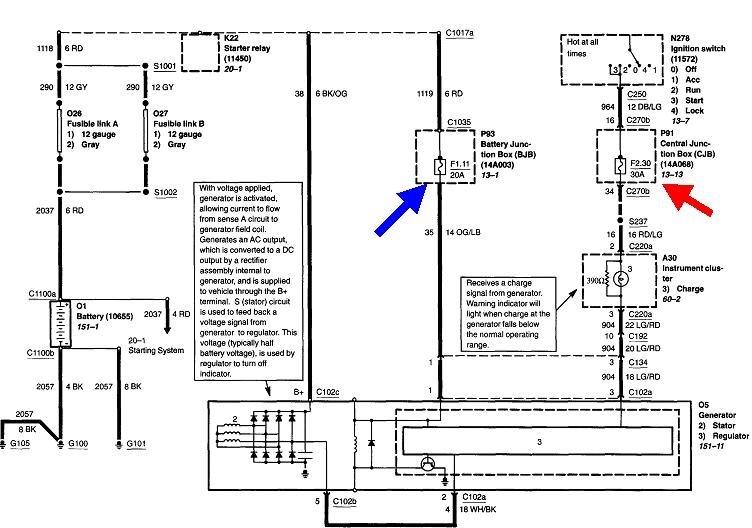
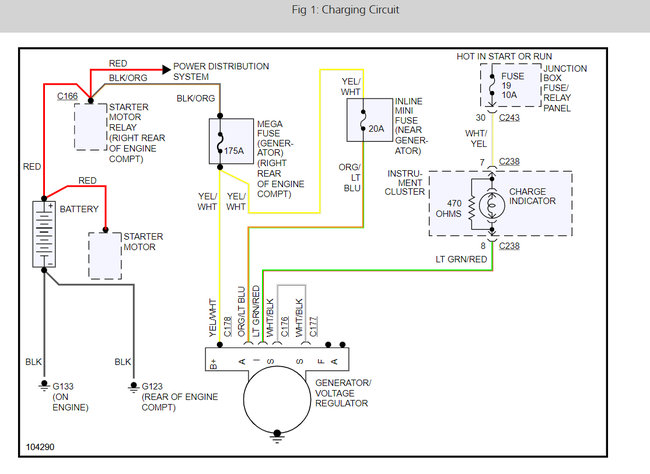
The next step is to check for 12 volts at the plug on the back/side of the generator. For the best accuracy with this type of problem, that reading should be taken with the connector plugged in. Back-probe through the back of the connector on the orange / light blue wire. You must find full battery voltage there all the time. If it's missing, check fuse F1.11 under the hood. That is a yellow 20-amp fuse. Typically that fuse blows when the voltage regulator is shorted. We used to replace them separately, but if it's too difficult to get to, replace the entire generator.

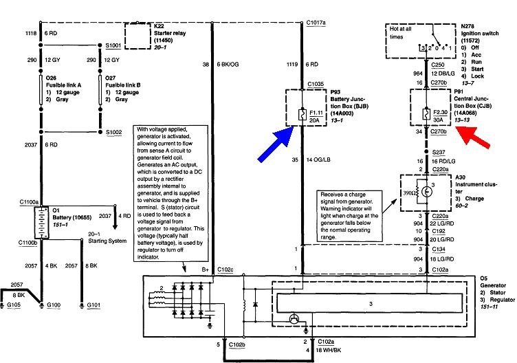
The blue arrow in the second drawing is pointing to that fuse. Drawings 2, 3, and 4 are for the first version of the "Battery Junction Box, (BJB) under the hood. The last three drawings are for the second version. I didn't add an arrow, but it's fuse # 11.

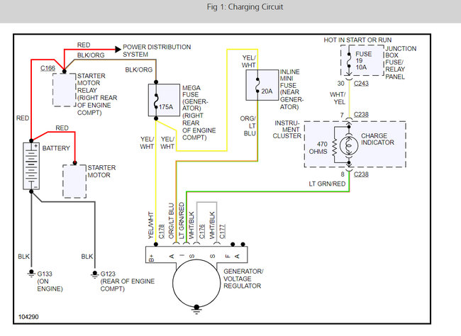
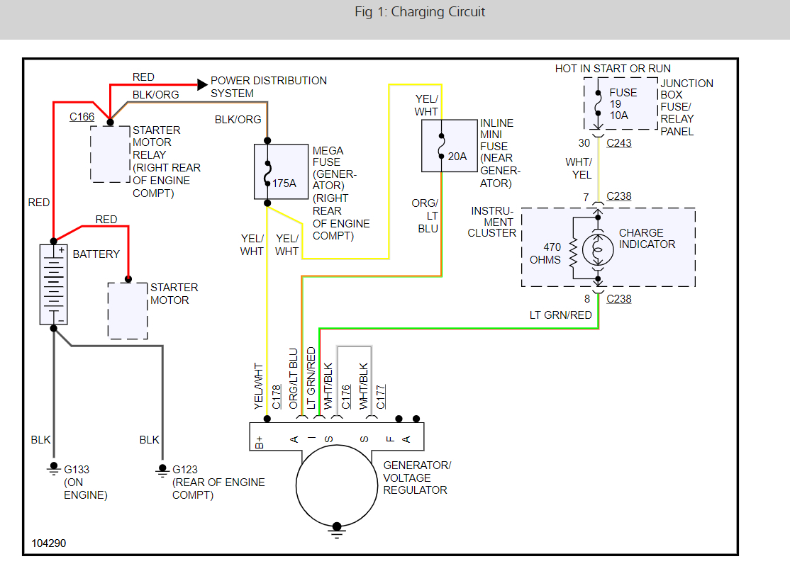
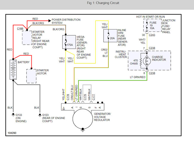
The next voltage reading is at the large output wire bolted to the back of the generator. That one must also have full battery voltage all the time and it must always be the same as what you find right at the battery. If you find 0 volts there with the engine not running, and possibly real high voltage, in the order of 15 volts or more when the engine is running, the fusible links are burned open. Those are wires spliced into the circuit, with special dull-colored insulation that is designed to not burn or melt. I doubt you're going to find a problem with them because they also feed the starter relay. If they were burned open, you'd be diagnosing a failure to crank, not a charging problem.

The last voltage reading is on the white / black wire shown way down at the very bottom of the first diagram. Back-probe that one with the engine running. When the generator is working, you'll find very close to half of system voltage, or 7 volts. It's that voltage that tells the voltage regulator the system is working, and to put 14 volts back out on the light green / red wire. With the same system voltage now on both sides of the dash light, the light turns off.

We also need to know what symptoms or observations led you to believe the charging system is not working. The best way to do this is to measure the battery's voltage with the engine running. If the system is working, you will find between 13.75 and 14.75 volts. If you find that, but the "Battery" warning light is on, and that is the only symptom, there is likely one failed diode of the six main diodes. Eight are used in your generator to bump up the maximum output current a little, but if one of the six is defective, you will lose exactly two thirds of the generator's maximum capacity. Common generators for this time period had maximum current ratings of around 90 amps. With one failed diode, 30 amps is not enough to run the entire electrical system under all conditions. The battery has to make up the difference until it slowly runs down over days or weeks.

These generators develop three-phase output. One phase is missing when a diode has failed. That shows up on the white / black wire, and that is what tells the voltage regulator to turn on the dash warning light. Charging voltage will usually look okay, and on some systems the regulator responds to the dip in voltage during the time that missing phase shows up, and that results in system voltage actually being a little high. This was common on '86 and older GM vehicles that used the world's second best generator design.

If you suspect a failed diode, that can quickly be verified with an output current load test, but that has to be done by your mechanic with a professional load tester. Besides the most output current you can get is only one third of what it should be, the tester will measure "ripple" voltage. That will simply be shown on a relative bar chart as "high" or "acceptable". A few testers actually measure the amount of ripple voltage and those can make a printout, but few of us know how to interpret the voltage. We normally just look for the "high" indication along with the low maximum output current.

Let me know what you find with the voltage tests. If they all look okay, except output voltage doesn't increase to at least 13.75 volts, the generator itself is the best suspect.
Was this
answer
helpful?
Yes
No
+3
Friday, January 22nd, 2021 AT 11:36 AM (Merged)
Tiny
ROBERT GREEN2
  • MEMBER
  • 2 POSTS
Following your steps above I was able to narrow the problem to the voltage regulator. Since it is attached to the alternator, I just replaced both and my problem is solved. Thanks so much for your straight forward trouble shooting help.
Was this
answer
helpful?
Yes
No
+1
Friday, January 22nd, 2021 AT 11:36 AM (Merged)
Tiny
CARADIODOC
  • MECHANIC
  • 34,448 POSTS
Dandy. One in a row. Happy to hear you solved it. Please come back to see us again.
Was this
answer
helpful?
Yes
No
+1
Friday, January 22nd, 2021 AT 11:36 AM (Merged)
Tiny
RM316
  • MEMBER
  • 2 POSTS
  • 1998 FORD F-150
  • 4.2L
  • V6
  • 2WD
  • MANUAL
  • 186,000 MILES
While trying to install speaker in dash drivers side grinder hit wiring harnesses unknown at the time I started truck in the morning and only a few blocks the cluster gauges all went out the Smart Start interlock system keeps rebooting every two minutes to tell me to blow like I’m initially starting the truck and the truck is already running. I then immediately fix the wires checked fuses found one blown fuse at 5 AM but it’s still keeps having the issue with the Smart Start interlock and then a day later it actually died because the battery ran out of juice I did find a fuse and a wire I’m sorry that was not connected right which got all the gauges working except for the temperature gauge still reads hot when you turn the key on it slams it hop in the oil indicator light comes on for some reason by itself but the gas the voltage and oil are working fine no speedometer. I’ve looked online and checked every fuse that I can find including the one fusible link one that’s a 20 amp by the firewall and the main battery charging box there the 175 amp fuses are good there’s a relay on the outside of that it looks like powers going in one side but I’m not getting up and coming out of the other side I don’t know when it supposed to kick on or off I’m not sure also wondering if I may have shorted out something in my instrument cluster that is causing it to not charge and/or AutoZone told me my voltage regulator was bad on the alternator but I put a new alternator on it after the fact that I shorted it so I don’t know how the voltage regulator could be bad on the new alternator because it wasn’t in the truck when I shorted the system I actually have two alternators that are new and neither one of them will charge over 12 V something is holding it back from charging more than 12 V also thinking I could’ve possibly ran a screw possibly through a wire somewhere in the vehicle when I was putting in the stereo system is possible Because I was running screws the same day the grinder incident happened. And as far as the radio or stereo that has not been installed yet so the reason I have two alternators is because the original was a 95 amp alternator And my stereo system is kind a beefy so I want to head and upgraded to 130 amp alternator hoping to help keep my battery charged and stuff like that as well I added a second battery in the back for the radio as well so I kept my 95 amp alternator I wasn’t going to turn it in for a $40 core when it was a good alternator I kept it for an emergency which when initially I did this I thought maybe I did something to the alternator and burned it up or burned up something in it so I took it back AutoZone or I’m sorry Advance auto honor the warranty just gave me another old mayor but I put my 95 amp back in the truck to test in the 95 amp won’t put out more than 12.3 and it was a good home later before I took it out and put in the 130 amp so again something is holding it back from getting full charge and or maybe charge it all it shows that it’s putting it out but I don’t know if it’s reaching the battery because why would a battery die I mean if I run the air conditioner you can watch the gauge drop slowly now from what I understand they’re supposed to be just three wires and a fusible link that’s only between my alternator in my battery other than that it should charge I haven’t quite Had the time off work yet to find I think it’s the ignition wires one of them I think a wire going to the small wire for the alternator is one of them and then something with your coil packs or something with the wire I think more than three I read online it is not a fusible link are those three than that things should be getting a charge if the alternator is good from what I understand thanks again for your help and your time I hated to go on anon but I just wanted to be as thorough as I could thanks again I look forward to some help.
Was this
answer
helpful?
Yes
No
Friday, January 22nd, 2021 AT 11:36 AM (Merged)
Tiny
KEN L
  • MASTER CERTIFIED MECHANIC
  • 55,065 POSTS
Hello,

Yep, it sounds like wiring issues for sure. lets look at all wiring diagrams for the system in question; alternator, cluster and radio to see if we can find some common ground. here is a guide to help and the wiring diagrams below.:

https://www.2carpros.com/articles/how-to-check-wiring

Check out the diagrams (below). Please let us know what you find. We are interested to see what it is.

Was this
answer
helpful?
Yes
No
Friday, January 22nd, 2021 AT 11:36 AM (Merged)
Tiny
RM316
  • MEMBER
  • 2 POSTS
Hello Ken,

First off I’d like to thank you for responding to my question and trying to give me help. I must apologize to can I’m a superintendent of construction and I get pretty darn busy and I get slammed with emails but trust me this is very important. I’ve been chasing it down late in the evenings and I kind a lost you on that last part that you were testing just before you said it could possibly be a fuse if that part tested bad. I couldn’t figure out where you were in the in the video was that the voltage regulator off the alternator? But I do look forward for me hearing back from you my Smart Start system interlock system is still on the malfunction it actually give me a violation because it’s something is tripping it into constantly required me to meet. I’ll blow blow blow blow and now I got a false violation but it to them it looks like I’m tampering with the system whatever is going on with the with the failure. So it’s really important that I get this thing fixed $82.00 every time. Today I’m going to try the junkyard and get a new cluster because my other one in the vehicle one since I shorted things up. Half the lights in the cluster hard or darn are gone and then again the temperature gauge is still sticking on hot and the oil light is still staying on but everything else works. The mileage in a speedometer and oil pressure and voltage work, but somethings got to be real you know. We were blown or something in there because all of the stuff is out and it is cheap enough it’s $15.00 or $20.00. So I’m going to give that a shot. I did notice you saying if something was that or if I track things already could be that I just have a bad fuse? I’ve checked every fuse that I know over that I can find him and I haven’t seen any bad fuses except one bad fuse the five amp fuse and that was it. If you can lead me to another fuse. I’ve checked the 20 amp fuse the in-line fuse arm anyone that I could look up online and find out I found, but I am I may I’m not I thought I seen one online but I didn’t find it. Anyways I’m stumped I am now. I appreciate all your.
Was this
answer
helpful?
Yes
No
Friday, January 22nd, 2021 AT 11:36 AM (Merged)
Tiny
KEN L
  • MASTER CERTIFIED MECHANIC
  • 55,065 POSTS
I have seen the clusters cause all kinds of problem. here are instructions to help you remove the cluster with a video that shows the job being done on a similar car:

https://youtu.be/_HEC44xENxw

Check out the diagrams (below). Please let us know what happens.
Was this
answer
helpful?
Yes
No
Friday, January 22nd, 2021 AT 11:36 AM (Merged)
Tiny
JAMESBURROW
  • MEMBER
  • 46 POSTS
  • 1998 FORD F-150
  • 5.4L
  • V8
  • 4WD
  • AUTOMATIC
  • 377,000 MILES
Okay, so I have a short in my wiring in my truck. I've checked the engine wiring harness and fix the spot that might of been the problem and I have checked the wiring harness for my transmission. It seems like when I turn on my headlights that's when it starts messing up or when my truck engine gets warm. Use to when I left on my headlights and opened my door it would ding letting me know my headlights were still on now it dings every time I open the door with the headlights on or off.
Was this
answer
helpful?
Yes
No
Friday, January 22nd, 2021 AT 11:36 AM (Merged)
Tiny
JACOBANDNICKOLAS
  • MECHANIC
  • 110,192 POSTS
Hi,

When you say messing up, what happens? I understand the idea of the indicator going off, but I'm not sure what happens to the vehicle when the lights are turned on.

Let me know what is happening and if there is anything you can think of that may help diagnose the issue.

Take care,
Joe
Was this
answer
helpful?
Yes
No
+1
Friday, January 22nd, 2021 AT 11:36 AM (Merged)
Tiny
JAMESBURROW
  • MEMBER
  • 46 POSTS
I think I figured out the problem; my plug on my alternator was broke. I'm getting a new one today. I'll let you know if it fix it or not.
Was this
answer
helpful?
Yes
No
Friday, January 22nd, 2021 AT 11:36 AM (Merged)
Tiny
JAMESBURROW
  • MEMBER
  • 46 POSTS
Okay, so I changed out the regulator on the alternator and all the light on the dash is still real dim and it acts like it wants to shut off. I wonder if my alternator burned up from when the regulator was broke.
Was this
answer
helpful?
Yes
No
Friday, January 22nd, 2021 AT 11:36 AM (Merged)
Tiny
JACOBANDNICKOLAS
  • MECHANIC
  • 110,192 POSTS
Hi,

It is possible. Here is a link that explains how to test an alternator. It's really easy to do and only requires either a volt meter or multi-meter.

https://www.2carpros.com/articles/how-to-check-a-car-alternator

Let me know what you find or if you have other questions.

Take care,
Joe
Was this
answer
helpful?
Yes
No
+1
Friday, January 22nd, 2021 AT 11:36 AM (Merged)
Tiny
JAMESBURROW
  • MEMBER
  • 46 POSTS
Okay, so I changed my alternator and my battery now when the battery gauge is at normal then my truck runs really rough but when my gauge goes down my truck starts running really good.
Was this
answer
helpful?
Yes
No
Friday, January 22nd, 2021 AT 11:36 AM (Merged)
Tiny
JACOBANDNICKOLAS
  • MECHANIC
  • 110,192 POSTS
When the gauge goes down, is it falling into a "no charge" zone? Do me a favor (if you haven't already done this) see what the voltage is at the battery when the gauge in the vehicle says normal and then when it is low.

Joe
Was this
answer
helpful?
Yes
No
+1
Friday, January 22nd, 2021 AT 11:36 AM (Merged)
Tiny
JAMESBURROW
  • MEMBER
  • 46 POSTS
It's at 12.1 when the gauge is right here.
Was this
answer
helpful?
Yes
No
Friday, January 22nd, 2021 AT 11:36 AM (Merged)
Tiny
JAMESBURROW
  • MEMBER
  • 46 POSTS
And it's at 11.6 when the gauge is right here.
Was this
answer
helpful?
Yes
No
Friday, January 22nd, 2021 AT 11:36 AM (Merged)
Tiny
ANTHONYMIRANDA
  • MEMBER
  • 1 POST
  • 1998 FORD F-150
  • V8
  • 4WD
  • AUTOMATIC
  • 176,000 MILES
My battery is not charging. I have replaced the battery, alternator and battery fuse. What else could I check?
Was this
answer
helpful?
Yes
No
Friday, January 22nd, 2021 AT 11:36 AM (Merged)

Please login or register to post a reply.