Testing of the circuits would involve use of test lamps, DVOM and removal of switches , panels etc. If the above items are available andyour are comfortable with wire circuit testing, we are set to go.
From the symptoms described, it could be power is not getting to the other windows from the driver door.
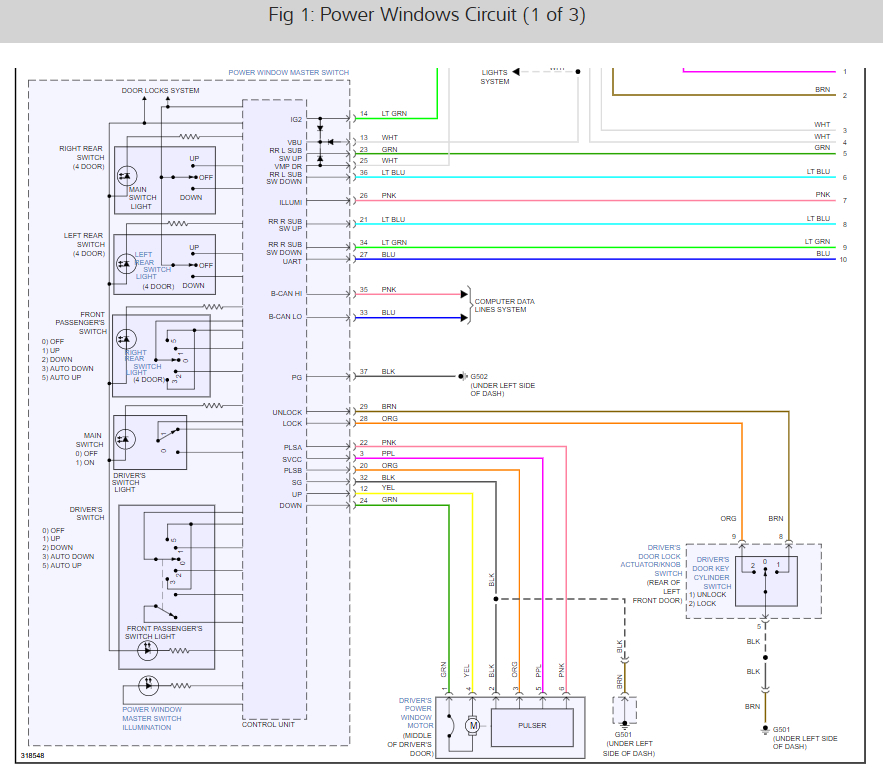
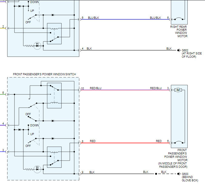
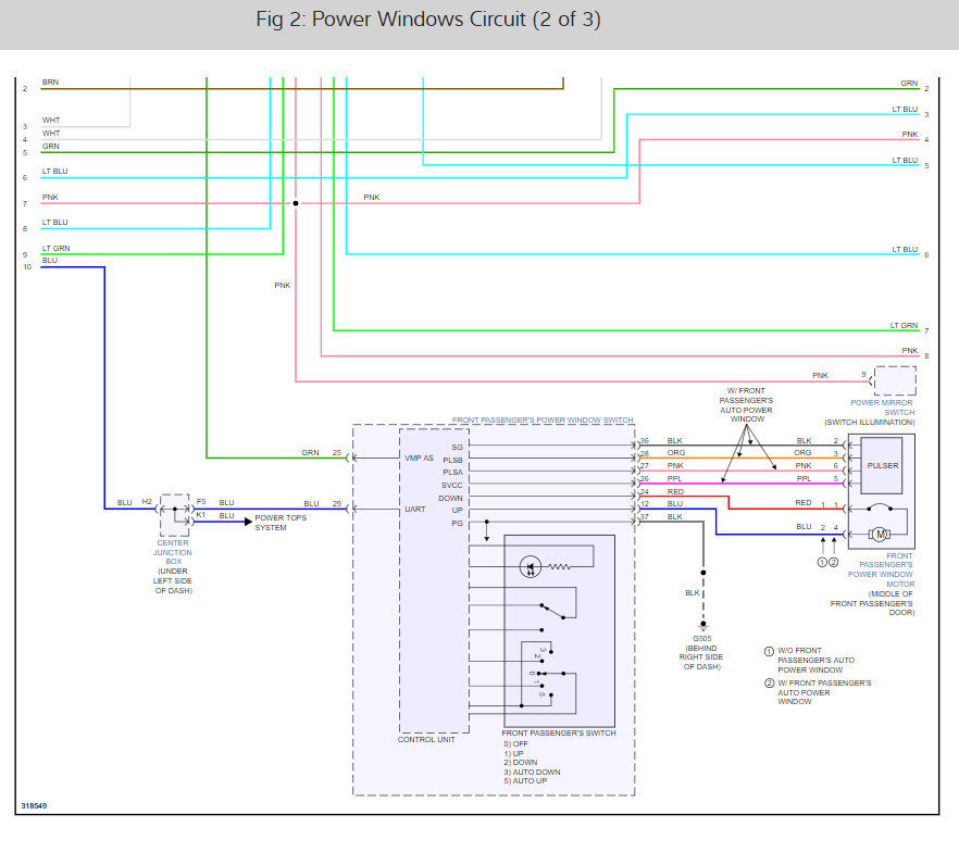
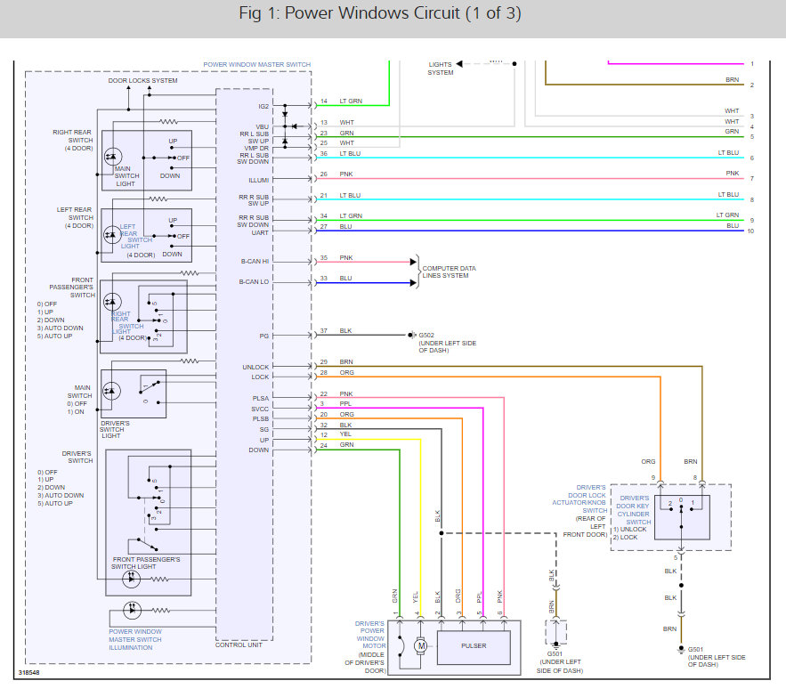
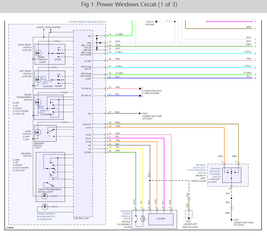
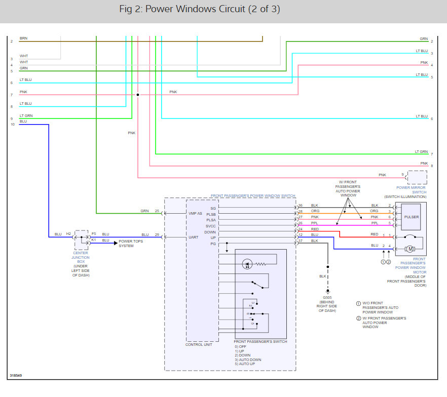
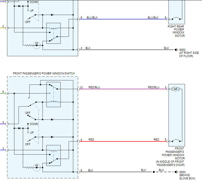
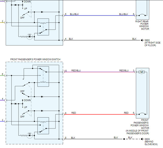
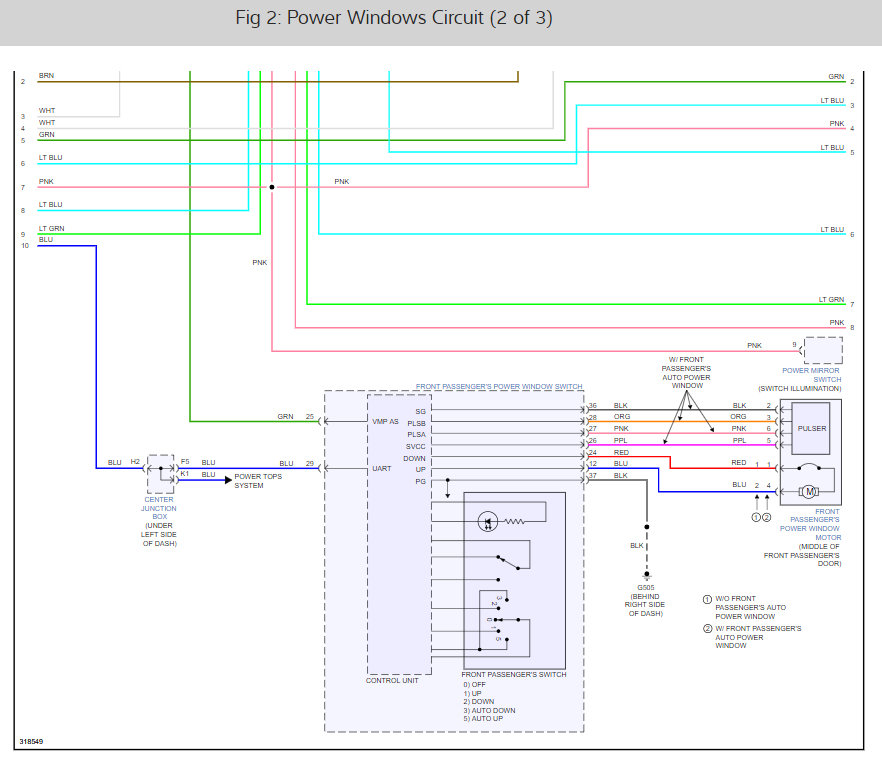
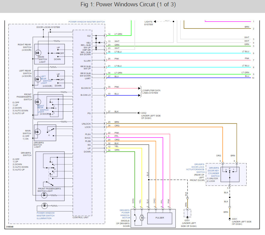
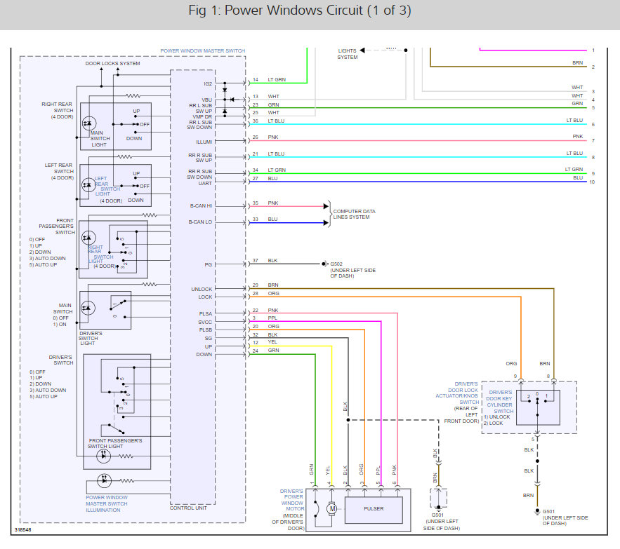
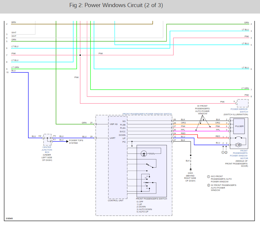
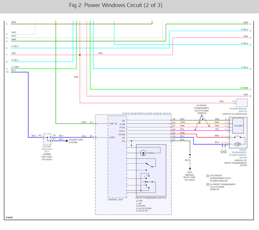
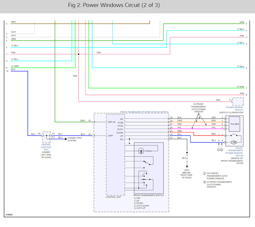
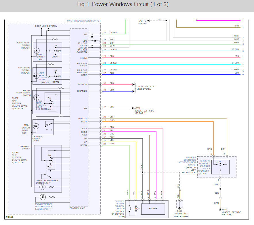
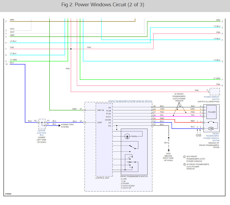
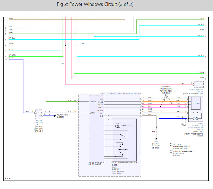
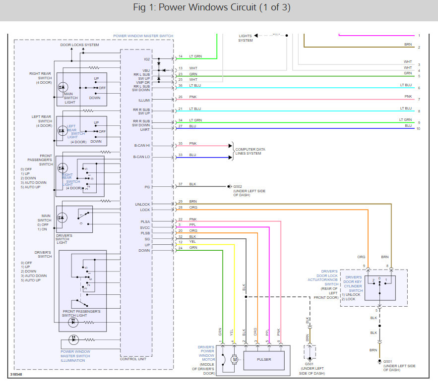
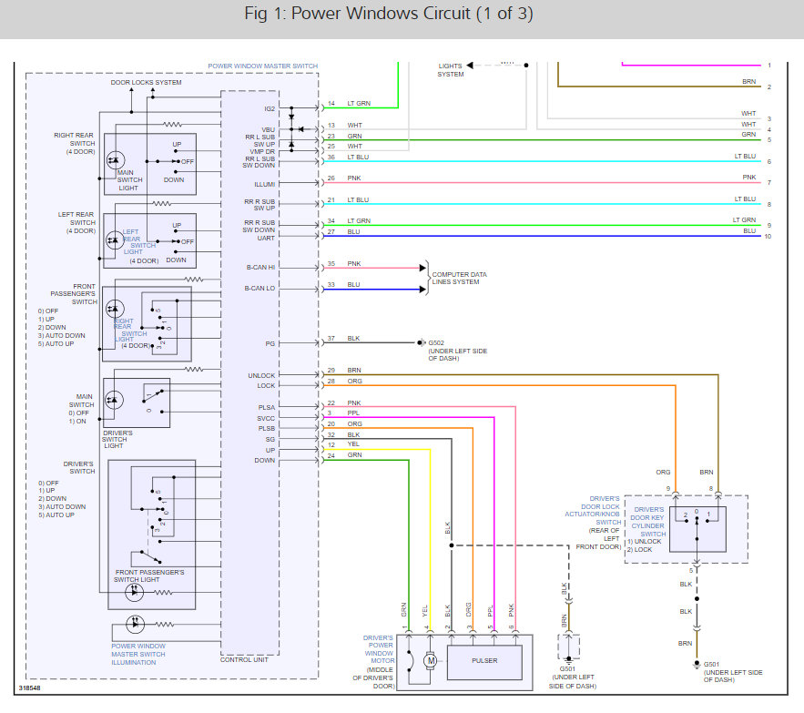
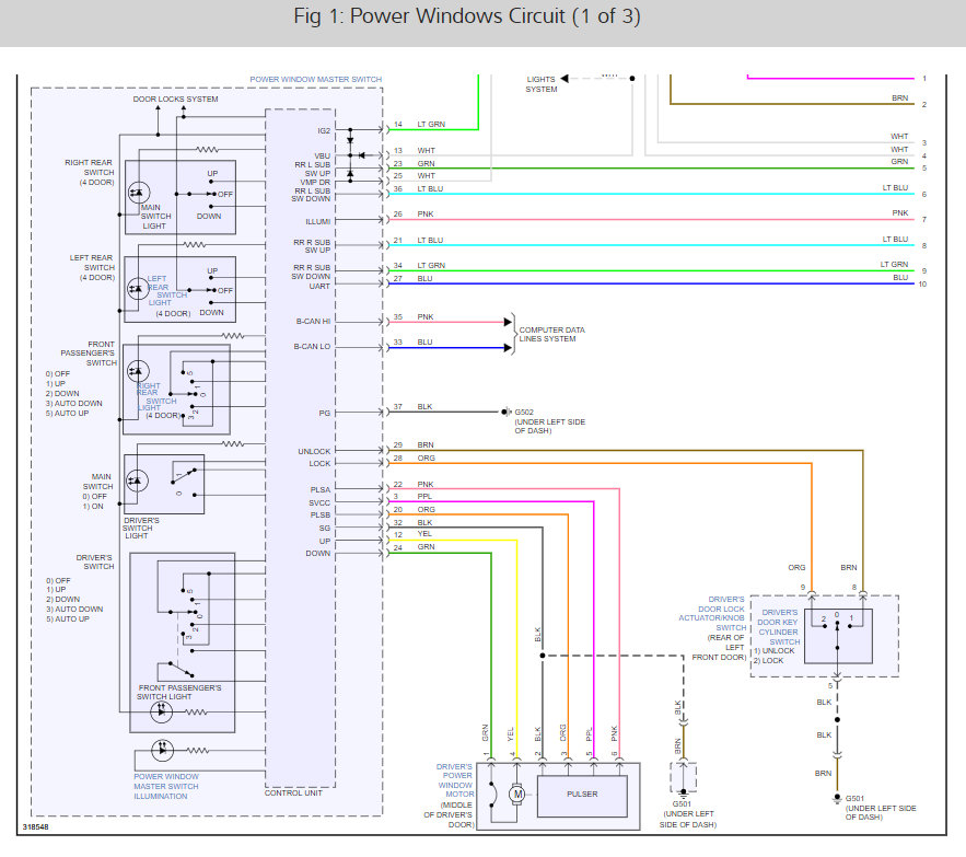
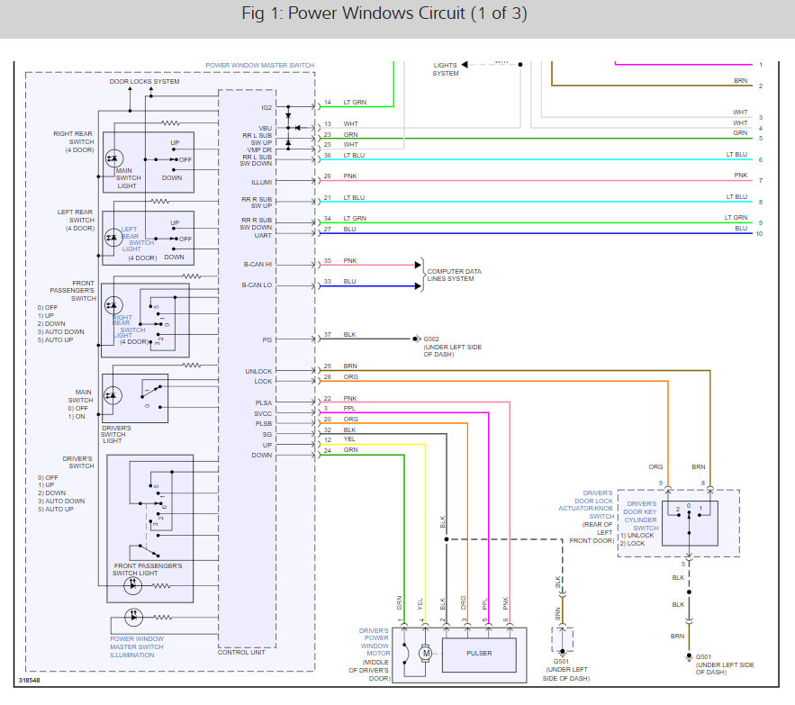
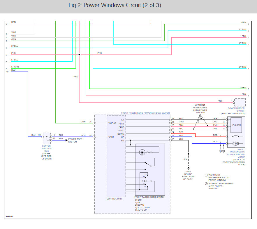
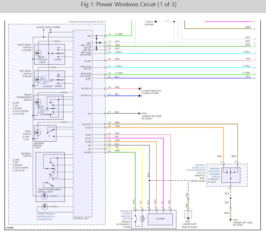
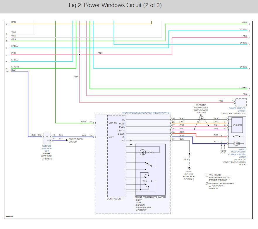
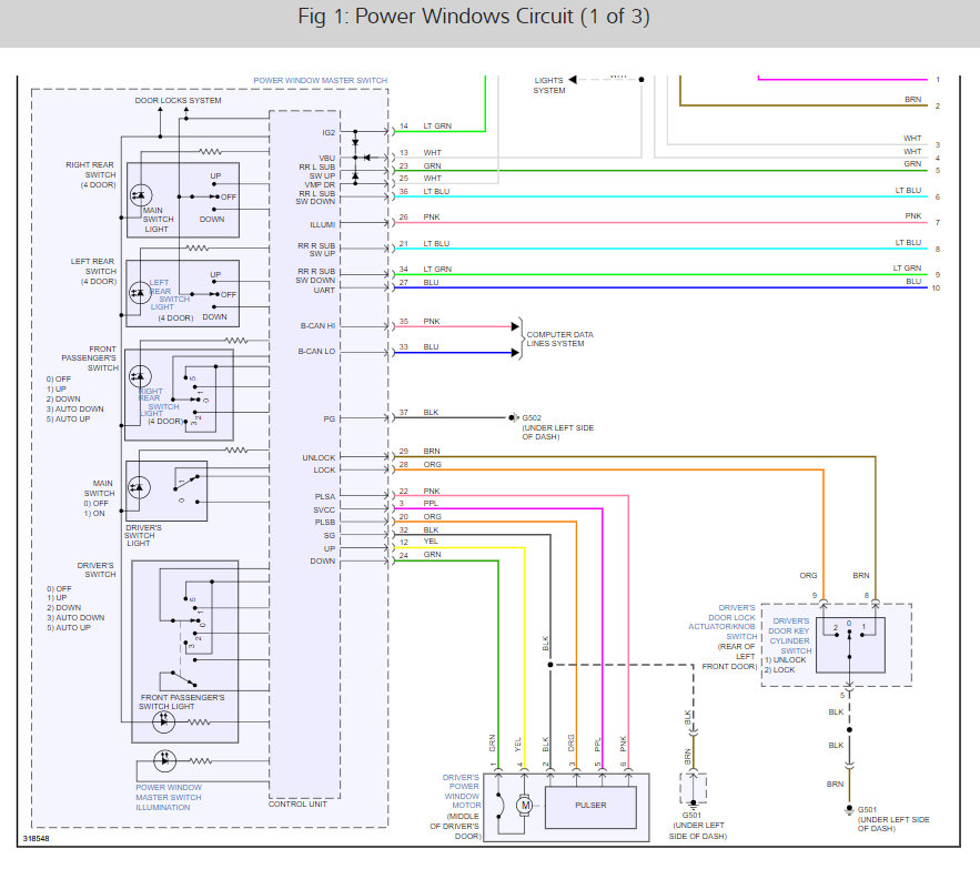
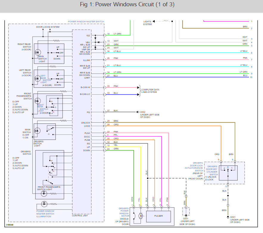
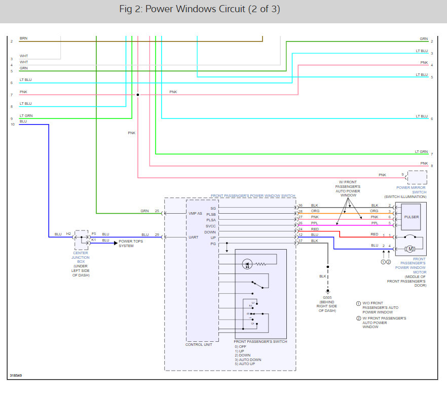
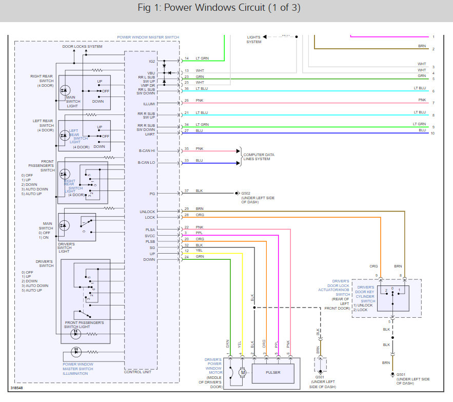
I have the circuit diagram here. Go thhrough them to get an understanding of the system and check the fuses and wire socket connectors, especially between doors, and see if you have ant new discovery. Any other questions, just reply to question and I will get back to you.




The power windows are connected to the driver door multiplex control unit and this unit seems to be the cause of the problem.
Try resetting to see if it works.
RESETTING THE POWER WINDOW
1. Turn the ignition switch ON (II).
2. Move the driver's window all the way down by using the driver's window DOWN switch.
3. Open the driver's door.
NOTE: steps 4 - 7 must be done within 5 seconds of each other.
4. Turn the ignition switch OFF.
5. Push and hold the driver's window DOWN switch.
6. Turn the ignition switch ON (II).
7. Release the driver's window DOWN switch.
8. Repeat steps 4 - 7 three more times.
9. Wait 1 second.
10. Confirm that AUTO UP and AUTO DOWN do not work. If AUTO UP and DOWN work, go back to step 1.
11. Move the driver's window all the way down by holding the driver's window DOWN switch to the AUTO DOWN position.
12. Pull up and hold the driver's window UP switch to the AUTO UP position until the window reaches the fully closed position, then continue to hold the switch for 1 second.
13. Confirm that the power window master switch is reset by using the driver's window AUTO UP and DOWN function.
If the window still does not work in AUTO, repeat the procedure several times, paying close attention to the 5 second time limit between steps. If it still does not work, go to B-CAN System Diagnosis Test Mode A.
Friday, October 16th, 2020 AT 10:22 AM
(Merged)