Alarm reset, vehicle will not start

Tiny
GAYLENE 1722
  • MEMBER
  • 1996 ISUZU RODEO
  • 3.2L
  • 6 CYL
  • 4WD
  • AUTOMATIC
  • 223,000 MILES
Replaced battery and alternator. No owners manual, no fob. How do I reset the alarm so it will start?
Saturday, June 8th, 2019 AT 2:12 PM

3 Replies

Tiny
JACOBANDNICKOLAS
  • MECHANIC
  • 110,194 POSTS
Welcome to 2CarPros.

I just went through two service manuals and there is no relearn process indicated. Can you tell me what is happening? For example, the starter engages and turns the engine but it won't start. Or, when I turn the key, nothing happens.

Let me know.
Joe
Was this
answer
helpful?
Yes
No
Sunday, June 9th, 2019 AT 8:05 PM
Tiny
GAYLENE 1722
  • MEMBER
  • 2 POSTS
When I exited to a stop sigh it just shut off. Tried to jump it nothing no crank towed it home took alternator off replaced it with a new one replaced the battery. Same thing got all systems and the idiot security working but still no crank.
Was this
answer
helpful?
Yes
No
-1
Sunday, June 9th, 2019 AT 10:53 PM
Tiny
JACOBANDNICKOLAS
  • MECHANIC
  • 110,194 POSTS
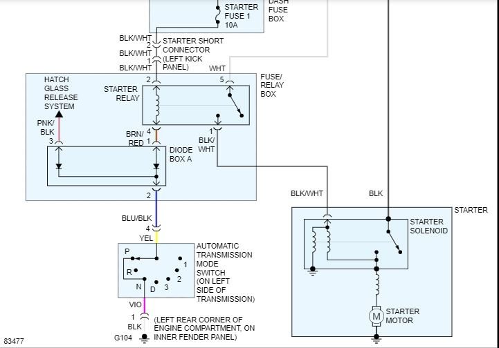
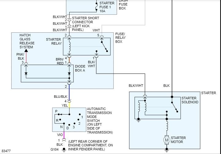
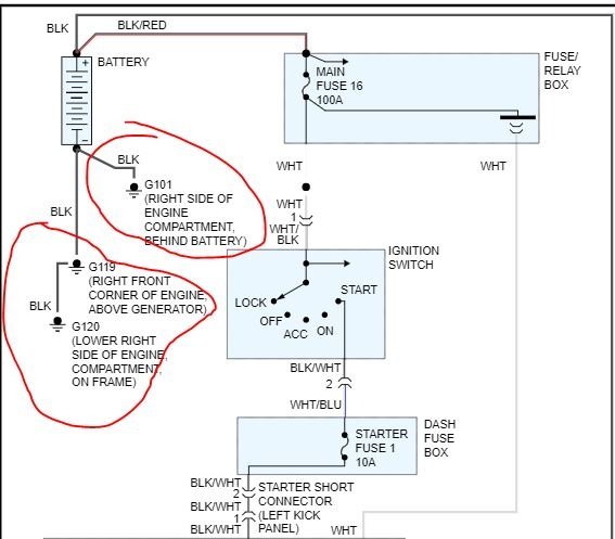
Okay, I am going to attach pictures of the starting system and work through them with you. First, I need you to confirm that two fuses are good. One is a main fuse, which if everything other is working, it should be good. However, there is a starter fuse under the dash I need checked. See pics 1 and 2.

Pic 1 shows the fuse in the vehicle that I'm questioning. Pic 2 is the main fuse and the white wire I so poorly drew an arrow on goes to the starter relay.

From the relay, power is supplied to the smaller wire on the starter solenoid. Check to see if you have power there when someone turns the key to the start position. See Pic 3 Also, here is a link that explains how to check a starter. You may find it helpful.

https://www.2carpros.com/articles/starter-not-working-repair

Additionally, check the starter relay. Simply switch it with another relay in the box with the same part number. If there isn't one, here is a link that explains how to check a relay. Pic 6 shows the starter relay location.

https://www.2carpros.com/articles/how-to-check-an-electrical-relay-and-wiring-control-circuit

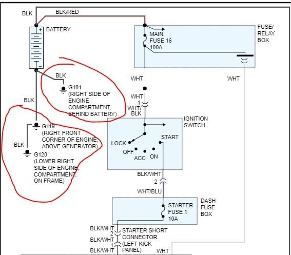
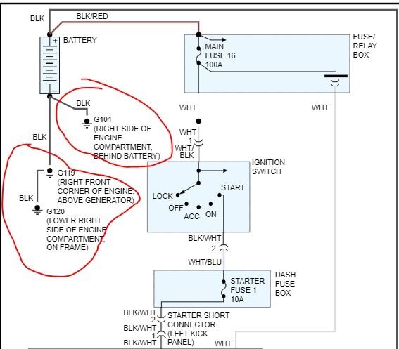
I would really like you to recheck the ground between the battery and the engine block to make sure nothing is loose, corroded, or damaged. And, do a visual inspection of the main wire between the battery positive and the starter to make sure it isn't loose. One more thought, see if it starts in neutral.

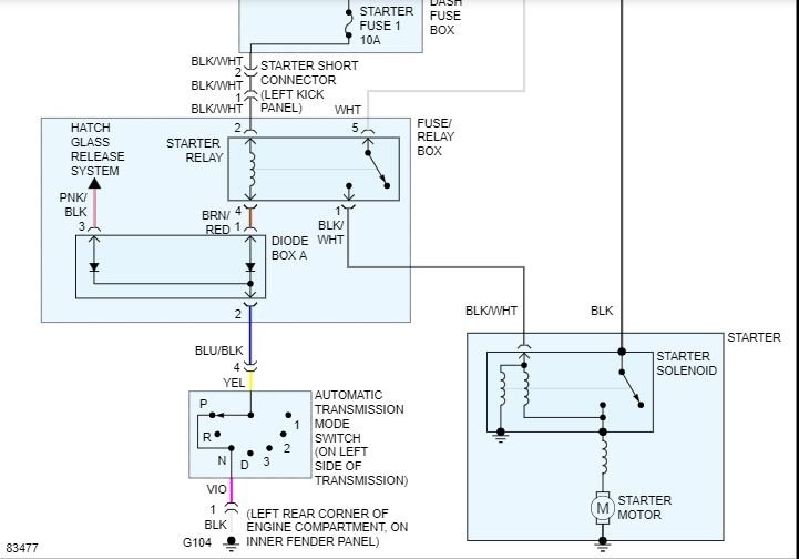
Pictures 4 and 5 are schematics of the entire starting system. I had to cut it in two so it would fit. I did overlap it so you can follow it. Please recheck the grounds I circled in the pic.

I don't know if you need it, but here are a few links to help with checking fuses for power, fuses, wiring and other general electrical issues.

https://www.2carpros.com/articles/how-a-car-fuse-works

https://www.2carpros.com/articles/how-to-check-a-car-fuse

https://www.2carpros.com/articles/how-to-use-a-test-light-circuit-tester

https://www.2carpros.com/articles/how-to-use-a-voltmeter

https://www.2carpros.com/articles/how-to-check-wiring

_____________________________________________________________________________________

Let me know what you find or if you have other questions. This could be something really simple. The idea that it just stalled and wouldn't restart since leads me to think it has something to do with a faulty ground, but that is to be determined.

Take care.
Was this
answer
helpful?
Yes
No
Monday, June 10th, 2019 AT 7:39 PM

Please login or register to post a reply.