Air conditioning not blowing cold unless the lights come on

Tiny
JENIQA MISZNEEK HOLMAN
  • MEMBER
  • 2000 HONDA ACCORD
  • 201,044 MILES
Air will not blow cold unless the lights come on they come on some times, but sometimes they do not. What is the problem?
Sunday, July 17th, 2016 AT 8:45 PM

2 Replies

Tiny
HMAC300
  • MECHANIC
  • 48,601 POSTS
This usually happens when the compressor clutch coil shorts out intermittently. Here is a guide to help you change out the compressor, but I would test the compressor relay as well.

https://www.2carpros.com/articles/replace-air-conditioner-compressor

and

https://www.2carpros.com/articles/how-to-check-an-electrical-relay-and-wiring-control-circuit

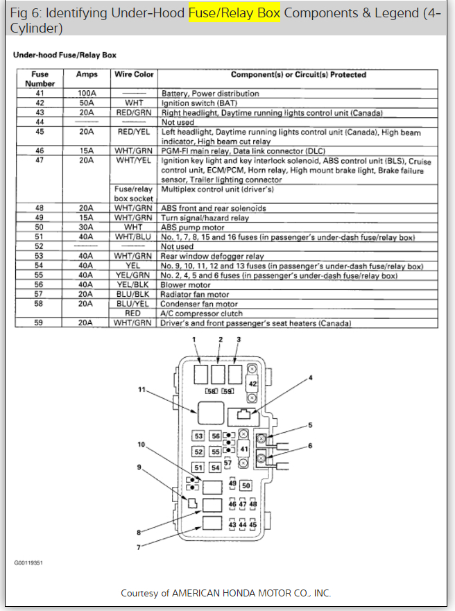
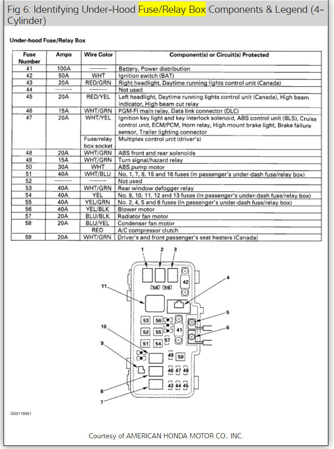
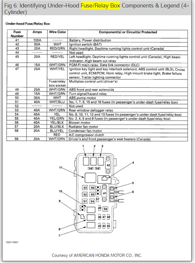
Check out the diagrams (below). Please let us know what you find.

Cheers
Was this
answer
helpful?
Yes
No
+2
Monday, July 18th, 2016 AT 7:12 AM
Tiny
ZOOM-ZOOM
  • MEMBER
  • 1 POST
Thanks for the guides and diagrams I checked my car out and I think I got lucky because I changed the relay and everything worked.
Was this
answer
helpful?
Yes
No
Friday, August 3rd, 2018 AT 7:35 PM

Please login or register to post a reply.