Stuck on defrost why?

Tiny
DOMENIC FRANCONI
  • MEMBER
  • 2014 CHEVROLET SILVERADO
  • 0.5L
  • V8
  • 4WD
  • AUTOMATIC
  • 118,500 MILES
My truck will not switch from defrost. Do I need to replace the actuator? If so, where is it and what is the part number?
Monday, September 30th, 2019 AT 7:11 PM

61 Replies

Tiny
KASEKENNY
  • MECHANIC
  • 18,907 POSTS
Yes. This is a default position for when the mode door fails. This happens because it could be a safety issue if you can't get the defrost on so if this actuator fails there is a spring that will bring it back to the defrost position so that you always have that so the windows fog up.

https://www.2carpros.com/articles/air-vents-stay-in-the-defrost-position

I attached the process for replacement plus the re-calibration process. Let us know what questions you have. Thanks
Was this
answer
helpful?
Yes
No
+1
Monday, November 30th, 2020 AT 6:59 PM
Tiny
RICK81
  • MEMBER
  • 1 POST
  • 2007 CHEVROLET SILVERADO
  • 5.8L
  • V8
  • 2WD
  • AUTOMATIC
  • 175,000 MILES
Well my A/C is stuck on defrost. The high and low are working, the cold and hot is working. But the mode doesn't work. It's stuck on defrost. So I try resetting the fuses and still nothing. So I replaced the mode actuator under the driver's steering wheel. And its still not working. So I left the new one in. I ran some errand and all of a sudden it started to work. Air came out good for the rest of the day. So I woke up the next morning to go to work and it's not working anymore. It's stuck on defrost. Do you think I might have a short? Or is it the climate control?
Was this
answer
helpful?
Yes
No
+1
Friday, April 30th, 2021 AT 11:22 AM (Merged)
Tiny
KEN L
  • MASTER CERTIFIED MECHANIC
  • 55,302 POSTS
Hello,

It sounds like the HVAC controller is out. Here are instructions in the diagrams below to help you replace the unit:

Without Rear Defrost Without ATC Dash Control Unit 25869947 $303.70.

HVAC Control Module Programming and Setup

Each of the following service procedures may require programming or setup procedures to be performed on the HVAC control module or HVAC actuators.

HVAC Control Module Replacement

If the HVAC control module is replaced it must be programmed with the latest operating software and vehicle calibrations. Refer to Service Programming System (SPS). See: Vehicle > Programming and Relearning

HVAC Control Module Reprogramming

Do not reprogram the HVAC control module, unless directed by a service procedure, or a service bulletin.

Reprogram HVAC Control Module-Refer to Service Programming System (SPS). See: Vehicle > Programming and Relearning
Actuator Replacement

If an actuator is replaced, the following procedure must be performed:

* Re-Calibrating Actuators-Refer to Actuator Re-calibration for the manual system. See: Vehicle > Programming and Relearning
* Re-Calibrating Actuators-Refer to Actuator Re-calibration for the automatic system. See: Vehicle > Programming and Relearning

Check out the diagrams (below). Please let us know what happens.
Was this
answer
helpful?
Yes
No
-1
Friday, April 30th, 2021 AT 11:22 AM (Merged)
Tiny
BENNY CRIPPEN
  • MEMBER
  • 1 POST
  • 2005 CHEVROLET SILVERADO
  • 206,000 MILES
Changed the blend door actuator under the glove box, but the air will still only blow out the defrost. What else would cause this?
Was this
answer
helpful?
Yes
No
Friday, April 30th, 2021 AT 11:23 AM (Merged)
Tiny
STEVE W.
  • MECHANIC
  • 15,679 POSTS
Blend door actuator controls air temperature. The mode doors control where the air goes. To get to the mode door actuator you need to remove the drivers side floor duct, the center console, then the center console duct and now you should be able to see the mode door actuator up on the side of the duct box. Remove the electrical connector and the screws, pay attention to the large cam and its position, then remove it.
Install the mode actuator with the actuator cam. Be sure to line up the heater/defroster door and the AC door levers with the slot in the actuator cam as well. This guide can help

https://www.2carpros.com/articles/replace-blend-door-motor

Check out the diagrams (Below). Please let us know if you need anything else to get the problem fixed.
Was this
answer
helpful?
Yes
No
-2
Friday, April 30th, 2021 AT 11:23 AM (Merged)
Tiny
CHARLES EAKRIGHT
  • MEMBER
  • 1 POST
  • 2004 CHEVROLET SILVERADO
  • 5.3L
  • V8
  • 4WD
  • AUTOMATIC
  • 132,800 MILES
I have the truck listed above 1500 LS. On my heat/AC control switch it will not switch out of defrost to any other mode. It is stuck in defrost. I just replaced that whole module for $150.00 so I know it's not the module. Any advice would help. Thanks!
Was this
answer
helpful?
Yes
No
Friday, April 30th, 2021 AT 11:24 AM (Merged)
Tiny
ASEMASTER6371
  • MECHANIC
  • 52,796 POSTS
Good afternoon,

I attached the procedure for the mode door actuator for you. That is the most common failure for this issue.

https://www.2carpros.com/articles/replace-blend-door-motor

Roy

Mode actuator replacement (w/ d07)

Removal procedure

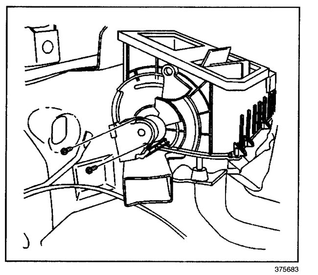
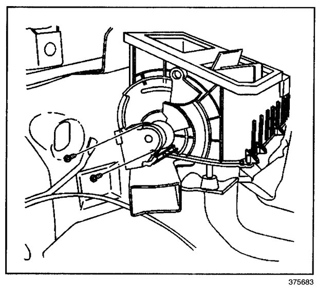
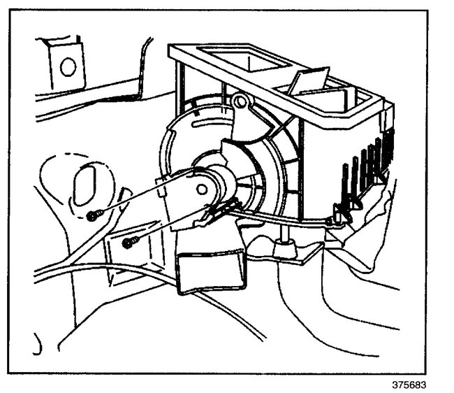
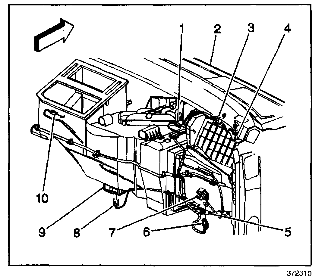
imageOpen In New TabZoom/Print

1. Remove the floor air outlet duct extension (1) from the floor duct (2).
2. Remove the center console.
3. Remove the screws from the center console duct.
4. Remove the center console duct.

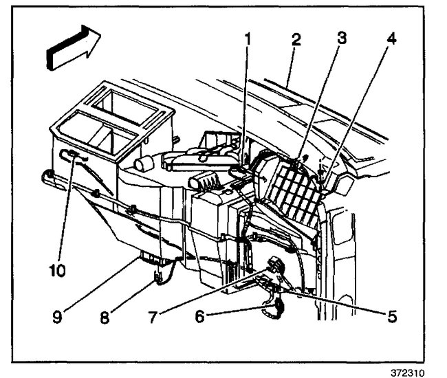
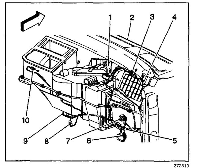
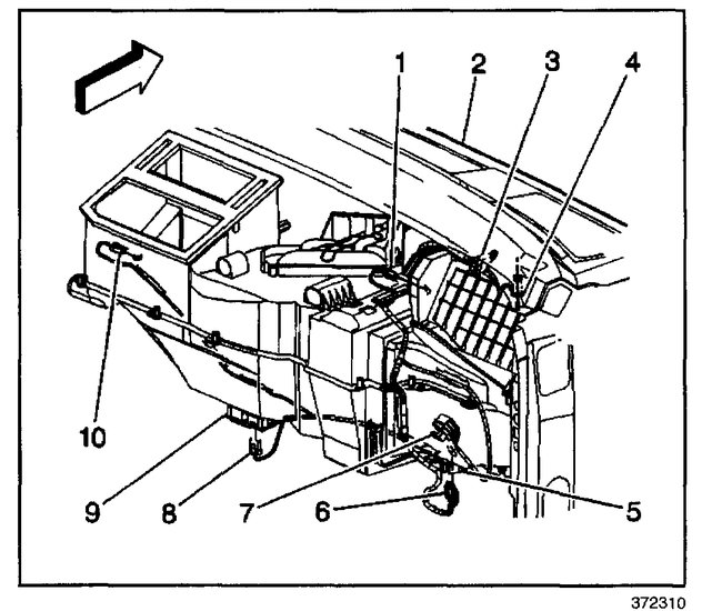
imageOpen In New TabZoom/Print

5. Disconnect the electrical connection from the mode actuator (10).

imageOpen In New TabZoom/Print

6. Remove the mode actuator mounting screws from the HVAC module.
7. Remove the mode actuator as an assembly with the actuator cam.
Was this
answer
helpful?
Yes
No
-1
Friday, April 30th, 2021 AT 11:24 AM (Merged)
Tiny
MATOEMIS
  • MEMBER
  • 5 POSTS
  • 2002 CHEVROLET SILVERADO
  • 4.8L
  • 4WD
  • AUTOMATIC
  • 270,000 MILES
New actuator new control unit truck still stuck on defrost.
Was this
answer
helpful?
Yes
No
Friday, April 30th, 2021 AT 11:25 AM (Merged)
Tiny
JACOBANDNICKOLAS
  • MECHANIC
  • 110,192 POSTS
Welcome to 2CarPros.

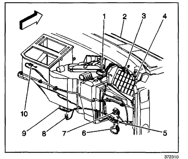
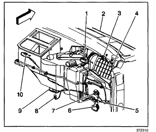
Was it the mode door actuator that was replaced? Now, often times people end up in error replacing the blend air door actuator or even the recirculation door actuator. I attached a picture of the mode actuator which is where the problem lies. Please confirm this is the part you replaced. It is part 10 in picture 1.

I will also need to know if this has automatic climate control or manual.

If you replaced the correct one, I need you to look at pic 2. Check the pins indicated in the picture to confirm there is power and ground. Pin allocations are common for both manual and automatic climate control.

If there is no power, next confirm that fuse 2 is good in the left instrument panel fuse box. See picture 3.

I don't know if you need them, but here are a few links you may find helpful:

https://www.2carpros.com/articles/how-to-check-a-car-fuse

Check out the diagrams (Below). Please let us know what happens.

Was this
answer
helpful?
Yes
No
-1
Friday, April 30th, 2021 AT 11:25 AM (Merged)
Tiny
MATOEMIS
  • MEMBER
  • 5 POSTS
Replaced #10 driver side. It has power and ground. Manual climate controls. A while back It started working fine again for about a week then went back to defrost.
Was this
answer
helpful?
Yes
No
Friday, April 30th, 2021 AT 11:25 AM (Merged)
Tiny
MATOEMIS
  • MEMBER
  • 5 POSTS
Pluging my test light in to the ground on that clip I can get it to light on one other wire.
Was this
answer
helpful?
Yes
No
Friday, April 30th, 2021 AT 11:25 AM (Merged)
Tiny
JACOBANDNICKOLAS
  • MECHANIC
  • 110,192 POSTS
Welcome back:

It sounds like a connection issue. Which wire does it light on? You should see low voltage from a few wires.

Joe
Was this
answer
helpful?
Yes
No
Friday, April 30th, 2021 AT 11:25 AM (Merged)
Tiny
CHRISTINE BROOKS
  • MEMBER
  • 2 POSTS
  • 2002 CHEVROLET SILVERADO
  • 2WD
  • AUTOMATIC
  • 294,935 MILES
Heat and cold air only coming out of defrost only no matter what setting it’s on.
Was this
answer
helpful?
Yes
No
Friday, April 30th, 2021 AT 11:25 AM (Merged)
Tiny
SCGRANTURISMO
  • MECHANIC
  • 4,897 POSTS
Hello,

This sounds like it could be an actuator that has gone bad. I have included a link for you down below to go to.

https://www.2carpros.com/articles/air-vents-stay-in-the-defrost-position

Please go through this guide to fix your vehicle's problem and get back to us with what you find out.

Thanks,
Alex
2CarPros
Was this
answer
helpful?
Yes
No
-2
Friday, April 30th, 2021 AT 11:25 AM (Merged)
Tiny
DERRTYD33
  • MEMBER
  • 1 POST
  • 2002 CHEVROLET SILVERADO
  • V8
  • 4WD
  • AUTOMATIC
  • 98,000 MILES
Hello, I replaced the compressor. The A/C turns on but only blows out of the defrost area not out of the vents. Can you help me with this problem?
Was this
answer
helpful?
Yes
No
+2
Friday, April 30th, 2021 AT 11:26 AM (Merged)
Tiny
KASEKENNY
  • MECHANIC
  • 18,907 POSTS
This is a different issue then the compressor. This is due to the mode door actuator not operating. The defrost is a safety default so that the windows don't fog up and you can't see.

Here is a guide that covers this issue in more detail:

https://www.2carpros.com/articles/air-vents-stay-in-the-defrost-position

Here is a video on how to replace the blend door actuator on your truck. It is a difference actuator then the mode door but the process is the same.

https://www.youtube.com/watch?v=tY6M92fA2ug

Lastly I attached the location of the mode door actuator for your review so that you can replace it. Let us know if you need more info. Thanks
Was this
answer
helpful?
Yes
No
+1
Friday, April 30th, 2021 AT 11:26 AM (Merged)
Tiny
JOSEPHRAM5
  • MEMBER
  • 1 POST
  • 2002 CHEVROLET SILVERADO
  • 4.8L
  • V8
  • 2WD
  • AUTOMATIC
  • 170,000 MILES
When you turn the A/C on and switch it to blow towards you it does not work, but when you put it to blow for the windshield it works.
Was this
answer
helpful?
Yes
No
Friday, April 30th, 2021 AT 11:26 AM (Merged)
Tiny
JACOBANDNICKOLAS
  • MECHANIC
  • 110,192 POSTS
Welcome to 2CarPros.

It sounds like the mode door actuator is bad. Take a look through this link:

https://www.2carpros.com/articles/air-vents-stay-in-the-defrost-position

Here are the directions specific to your vehicle. Picture 1 shows the location of the actuator. I circled it in the pic. Yes, it's up under the dash.

_______________________________________

MODE ACTUATOR REPLACEMENT (W/ D07)
REMOVAL PROCEDURE

pic 2

1. Remove the floor air outlet duct extension (1) from the floor duct (2).
2. Remove the center console.
3. Remove the screws from the center console duct.
4. Remove the center console duct.

pic 3

5. Disconnect the electrical connection from the mode actuator (10).

pic 4

6. Remove the mode actuator mounting screws from the HVAC module.
7. Remove the mode actuator as an assembly with the actuator cam.

INSTALLATION PROCEDURE

pic 5

1. Install the mode actuator as an assembly with the actuator cam.
- Line up the heater/defroster valve lever with the mode actuator cam slot.
- Line up the A/C valve lever with the mode actuator cam.

NOTE: Refer to Fastener Notice in Service Precautions.

2. Install the mode actuator mounting screw to the HVAC module.

Tighten
Tighten the screw to 1.6 N.m (14 lb in).

pic 6

3. Connect the electrical connection at the mode actuator (10).

4. Install the center console duct.
5. Install the screws from the center console duct.

Tighten
Tighten the screw to 1.6 Nm (14 lb in).

6. Install the center console.
7. Install the floor air outlet dud extension (1) to the floor air duct (2).

_________________________________________________

Let me know if this helps or if you have other questions.

Take care,
Joe

Was this
answer
helpful?
Yes
No
Friday, April 30th, 2021 AT 11:26 AM (Merged)
Tiny
BARLYPOP65
  • MEMBER
  • 3 POSTS
  • 2002 CHEVROLET SILVERADO
  • 6.0L
  • V8
  • 2WD
  • AUTOMATIC
  • 190,025 MILES
My A/C only blows out of defrost vents.
Was this
answer
helpful?
Yes
No
Friday, April 30th, 2021 AT 11:26 AM (Merged)
Tiny
HMAC300
  • MECHANIC
  • 48,601 POSTS
You may have to pull a panel to see it, but look above gas pedal as it is on the heater. See picture item 1 is the floor duct, but try pulling HVAC fuse inside truck first like I said in first reply.
Was this
answer
helpful?
Yes
No
+8
Friday, April 30th, 2021 AT 11:26 AM (Merged)

Please login or register to post a reply.