Stuck on defrost why?

Tiny
BARLYPOP65
  • MEMBER
  • 3 POSTS
I tried pulling the fuse as you stated but A/C continues to blow from A/C defrost vents.
Was this
answer
helpful?
Yes
No
+3
Friday, April 30th, 2021 AT 11:26 AM (Merged)
Tiny
HMAC300
  • MECHANIC
  • 48,601 POSTS
Then the actuator is not getting power or the control head has gone bad.
Was this
answer
helpful?
Yes
No
+1
Friday, April 30th, 2021 AT 11:26 AM (Merged)
Tiny
BARLYPOP65
  • MEMBER
  • 3 POSTS
Are you talking about the A/C heater control panel?
Was this
answer
helpful?
Yes
No
Friday, April 30th, 2021 AT 11:26 AM (Merged)
Tiny
HMAC300
  • MECHANIC
  • 48,601 POSTS
Yes, but it will need to be scanned to see if it is that and giving a code. An auto parts scanner will not get these codes so a mechanic needs to do it.
Was this
answer
helpful?
Yes
No
+1
Friday, April 30th, 2021 AT 11:26 AM (Merged)
Tiny
JOSEPH N
  • MEMBER
  • 1 POST
  • 2001 CHEVROLET SILVERADO
  • 4WD
  • AUTOMATIC
My windshield will not defrost at the top 3- 4 inches despite having the fan on high, however if I crack the window open, it will then defrost. Why?
Was this
answer
helpful?
Yes
No
Friday, April 30th, 2021 AT 11:26 AM (Merged)
Tiny
FIXITMR
  • MECHANIC
  • 9,990 POSTS
It sounds like the mode actuator is not working but to be sure check out this guide.

https://www.2carpros.com/articles/replace-blend-door-motor

Please run down this guide and report back.
Was this
answer
helpful?
Yes
No
Friday, April 30th, 2021 AT 11:26 AM (Merged)
Tiny
ALEXANDERKERN
  • MEMBER
  • 0 POST
My actuator was stuck on defrost I had to get a new one and it was a little weird to replace but the guide helped. Thanks
Was this
answer
helpful?
Yes
No
Friday, April 30th, 2021 AT 11:26 AM (Merged)
Tiny
SRUIZ11
  • MEMBER
  • 1 POST
  • 2001 CHEVROLET SILVERADO
  • 4.3L
  • 6 CYL
  • 2WD
  • AUTOMATIC
  • 154,000 MILES
My truck blows air (cold and hot) thought the defroster only
Was this
answer
helpful?
Yes
No
Friday, April 30th, 2021 AT 11:26 AM (Merged)
Tiny
WRENCHTECH
  • MECHANIC
  • 20,761 POSTS
There is a series of doors that control air direction. The doors are operated by and electronic actuator that can be bad or the doors can be jammed. You can usually access the actuator and mechanism from under the dash on the driver;s side.

http://i1198.photobucket.com/albums/aa448/Wrenchtech/89331532.gif

https://www.2carpros.com/images/external/91360057.gif
Was this
answer
helpful?
Yes
No
Friday, April 30th, 2021 AT 11:26 AM (Merged)
Tiny
TIM LIPP
  • MEMBER
  • 1 POST
  • 2000 CHEVROLET SILVERADO
  • 5.3L
  • V8
  • 4WD
  • AUTOMATIC
  • 228,000 MILES
No mater what position I put selector in the heat only comes out of defrost vents. When I switch selector I can hear it trying to switch but air still only comes out of defrost vents.
Was this
answer
helpful?
Yes
No
Friday, April 30th, 2021 AT 11:26 AM (Merged)
Tiny
STEVE W.
  • MECHANIC
  • 15,679 POSTS
Welcome to 2CarPros.

Your description sounds like you have either a bad mode cam or the door itself has failed. If you can hear it most likely the actuator itself is working, it just isn't moving the door.
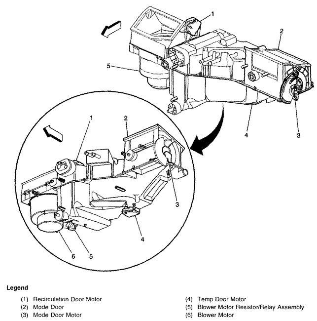
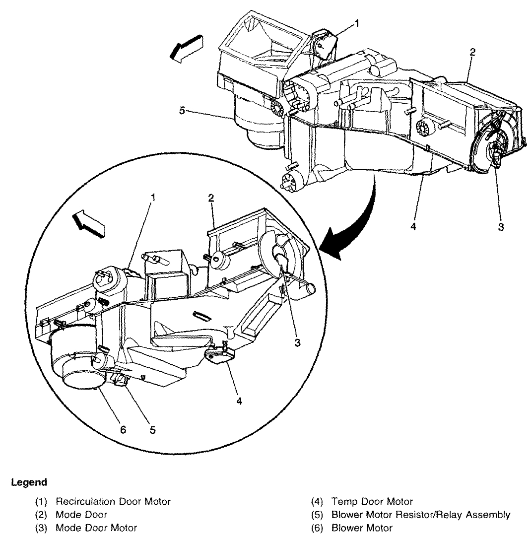
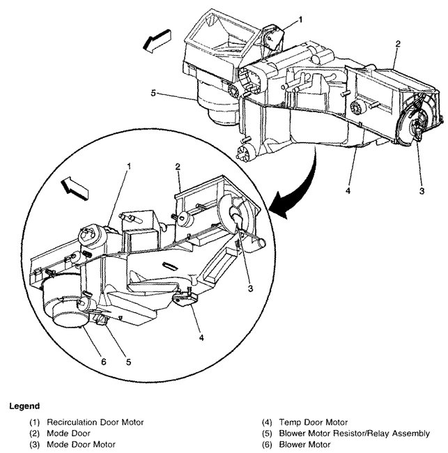
The mode door actuator is on the end of the HVAC unit on the drivers side right above the transmission tunnel. Item 3 in the image. To get to it you remove the floor air duct that blows into the drivers foot well, then look above the outlet for that duct and you will see the actuator and the cams and linkage that move the mode doors for defrost/vent/floor. There is an electrical connector and two screws that secure it. Reach up and change through the modes and see which parts are not moving. The plastic parts get brittle and fail or simply fall apart loose. You can get the complete assembly as shown in the last picture from Rock Auto or a dealer. It includes the cam that tends to break. Sometimes you can glue them back together as well.
Was this
answer
helpful?
Yes
No
Friday, April 30th, 2021 AT 11:26 AM (Merged)
Tiny
LISA SCHEY
  • MEMBER
  • 2 POSTS
  • 2000 CHEVROLET SILVERADO
  • 0.5L
  • V8
  • 4WD
  • AUTOMATIC
  • 9,000 MILES
The defrost is not working. When it is on defrost it blows out the dash vents. I just replaced the blower resister. So all settings are working.
Was this
answer
helpful?
Yes
No
Friday, April 30th, 2021 AT 11:27 AM (Merged)
Tiny
STEVE W.
  • MECHANIC
  • 15,679 POSTS
That sounds like a bad mode actuator and cam. The mode actuator is on the drivers end of the HVAC case just above the plastic floor duct over your feet. You remove the duct and the actuator is there. Be sure to line up the heater/defroster valve lever with the mode actuator cam slot and to line up the A/C lever with the mode actuator cam. When you install the replacement part. The plastic piece you see on the last picture is the cam. When the motor moves that moves the various doors to send air to the floor, dash, defrost. I have seen them break open and the door pins come loose from the cam.
Was this
answer
helpful?
Yes
No
+2
Friday, April 30th, 2021 AT 11:27 AM (Merged)
Tiny
LISA SCHEY
  • MEMBER
  • 2 POSTS
So I need the cam and the mode actuator both. So is it called a blend door actuator? Are both the same? The one on the drivers side and the one under the glove box? Finally someone who knows what is wrong. Thank you. Your answer makes perfect sense.
Was this
answer
helpful?
Yes
No
+1
Friday, April 30th, 2021 AT 11:27 AM (Merged)
Tiny
STEVE W.
  • MECHANIC
  • 15,679 POSTS
The mode door actuator will have the cam on it like the last picture.

The blend door controls the temperature of the air by controlling how much goes through the heater core and is a different part in a different spot.

The part you need to look at is # 3 in the first picture. It is very possible the actuator itself is OK but the levers that connect to the cams are unhooked. If you use a light and look up above the drivers foot well you should be able to see it and watch it move.
Was this
answer
helpful?
Yes
No
Friday, April 30th, 2021 AT 11:27 AM (Merged)
Tiny
DEBBIE ELSEN
  • MEMBER
  • 3 POSTS
  • 2000 CHEVROLET SILVERADO
  • 0.6L
  • 6 CYL
  • 2WD
  • MANUAL
  • 136,000 MILES
The vent control fails to change direction of air flow. It is stuck in the defrost vents. Until yesterday the air was ice cold but now blows only hot air no matter where the thermostat is set. Also it started leaking the condensation from the condenser onto the passenger side floorboard as of yesterday. From what I have been reading it says it could be caused by a malfunctioning blend door actuator. How do I know which actuator is malfunctioning and where would it be located? I have found the one on the passenger side by the compressor but have failed to find any others. Not sure where to go from here. Please help! Thank you, Debbie
Was this
answer
helpful?
Yes
No
Friday, April 30th, 2021 AT 11:27 AM (Merged)
Tiny
HMAC300
  • MECHANIC
  • 48,601 POSTS
Try pulling fuse for HVAC inside truck for sixty seconds with key on that resets actuators. The wet floor board can be a plugged drain which is under truck and can be cleaned by using a coat hanger into it to clear it. I am assuming A/C pipe gets cold under hood. The mode controls direction and blend controls temperature. See picture.
Was this
answer
helpful?
Yes
No
Friday, April 30th, 2021 AT 11:27 AM (Merged)
Tiny
DEBBIE ELSEN
  • MEMBER
  • 3 POSTS
I pulled the fuse and the air was still warm but not nearly as warm as it was blowing. After about ten minutes it went back to the same hot air and still has not moved from the defrost vent.
Was this
answer
helpful?
Yes
No
Friday, April 30th, 2021 AT 11:27 AM (Merged)
Tiny
HMAC300
  • MECHANIC
  • 48,601 POSTS
Then the mode actuator in picture that I sent earlier is probably bad. It can be reached from drivers side by gas pedal. Also, when you run the A/C feel the large pipe and it should be cool/cold to the touch and maybe dripping water if not then the A/C should be checked for pressure as it may have a leak or low.
Was this
answer
helpful?
Yes
No
-1
Friday, April 30th, 2021 AT 11:27 AM (Merged)
Tiny
DEBBIE ELSEN
  • MEMBER
  • 3 POSTS
Okay, thank you very much.
Was this
answer
helpful?
Yes
No
Friday, April 30th, 2021 AT 11:27 AM (Merged)

Please login or register to post a reply.