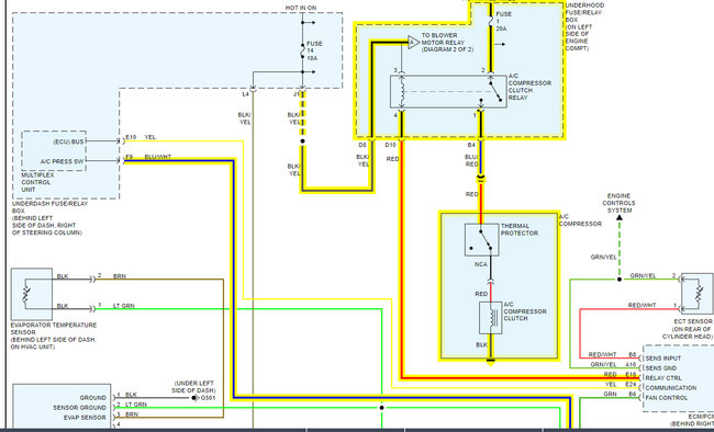
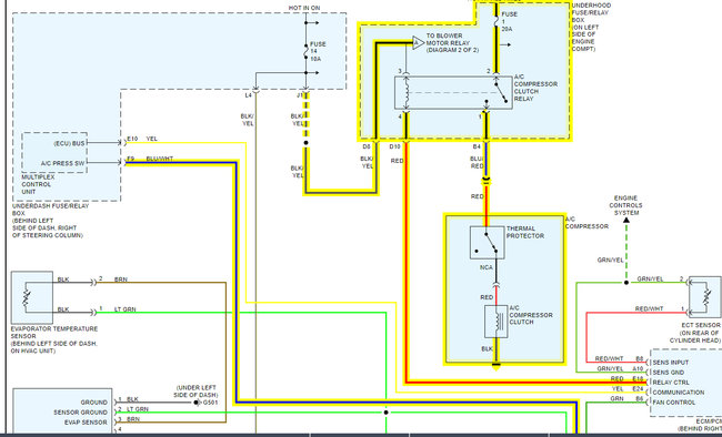
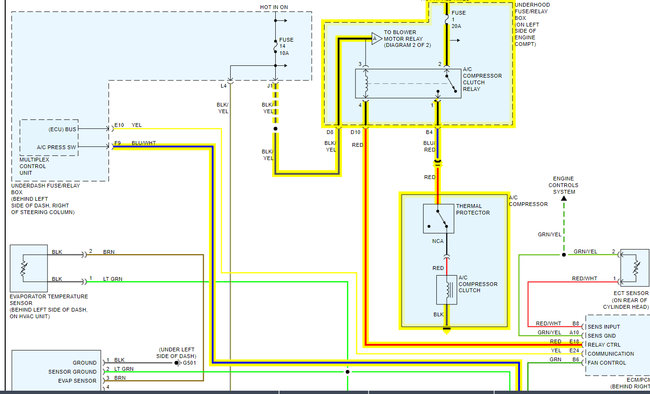
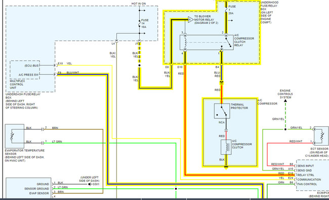
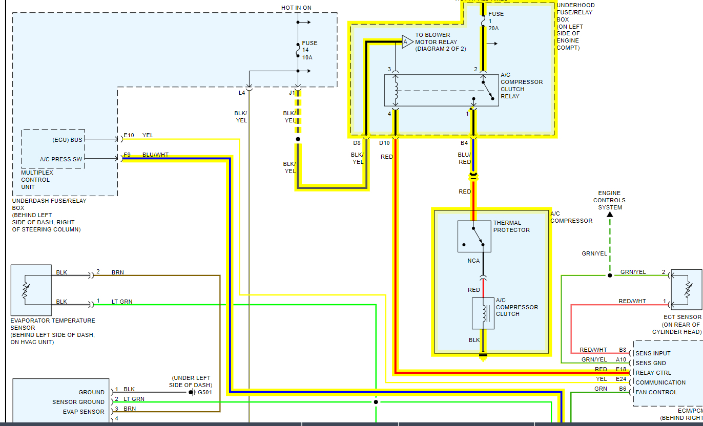
The compressor clutch is not engaging. When I took out the compressor relay and linked it out it the clutch did engage with the engine running and the light on calling for A/C.
The temperature in the car did not change.
Would the lack of R143 gas in the system inhibit the compressor clutch engaging?
Any help I would appreciate.
Regards, Richard
Tuesday, February 2nd, 2021 AT 3:27 AM






