A/C not working?

Tiny
MIAMI HOT
  • MEMBER
  • 21 POSTS
Hello.

I am a bit busy these days, so I won't be able to do anything to the car until Thursday or Friday, just to let you know.

But while I wait, I have been thinking a lot about this whole AC system and how it works.
By asking myself what controls the AC system? I came across a link:
https://axleaddict.com/auto-repair/Variable-Displacement-Compressors

where it explains a lot about it. Talks of ICVC and ECVC, basically internally or externally controlled variable displacement compressor. (I wonder what is in my car or how to know).
So, my main question is with external controlled system the ECU is in charge of the compressor sing data from a few sensors, the internally seems to be controlled more by the refrigerant pressure so I assumed the ECU does not have total control here. I am off?

So, if ECU is not communicating with AC system, that means it's not receiving data from the sensors nor sending data to the compressor solenoid or control valve. Is this right?

So, maybe the compressor and other parts are fine? wondering in my head.

anyways. I re-read your responses and saw the links. I think I will buy the vacuum pump you linked in your response.
I have a friend that works Acs but for house Acs, he had the gauges, when we talked about replacing the compressor, he said he could pass the refrigerant to his car and then put if back when the job was done. is this a crazy idea? in your video you put the refrigerant back but added not oil, I thought there was some oil that need it to be added when refilling a system, is that wrong?

anyways, just sharing some internal thinking while I wait to keep diagnosing what you recommended .

Thanks, and have a good day.

Was this
answer
helpful?
Yes
No
Tuesday, May 16th, 2023 AT 7:48 PM
Tiny
KEN L
  • MASTER CERTIFIED MECHANIC
  • 55,450 POSTS
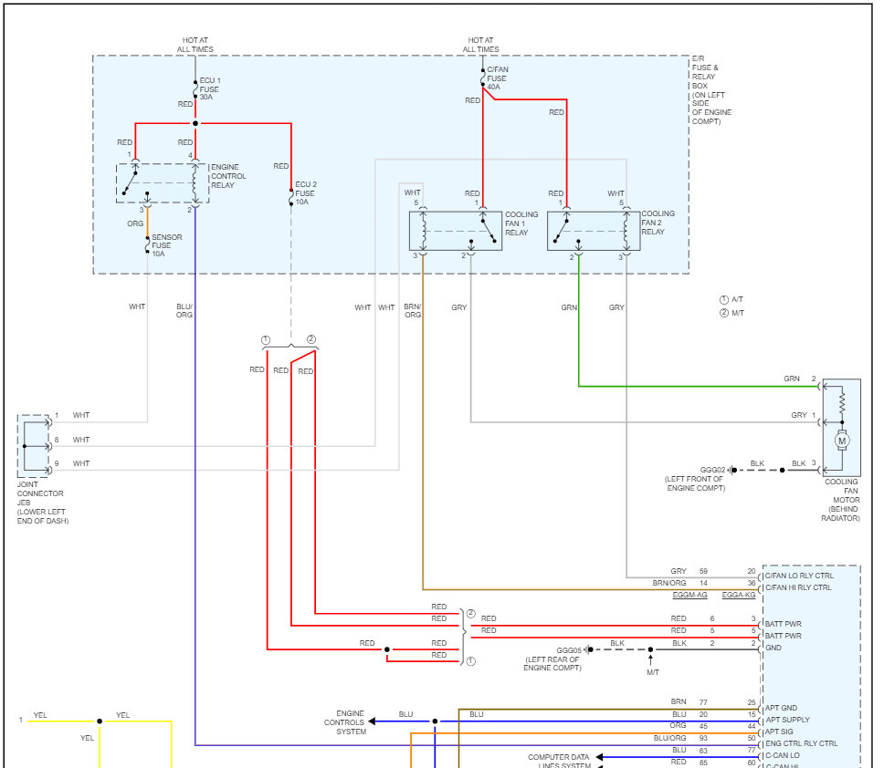
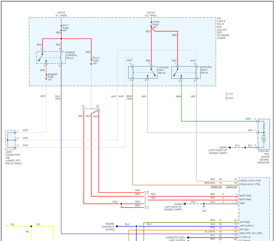
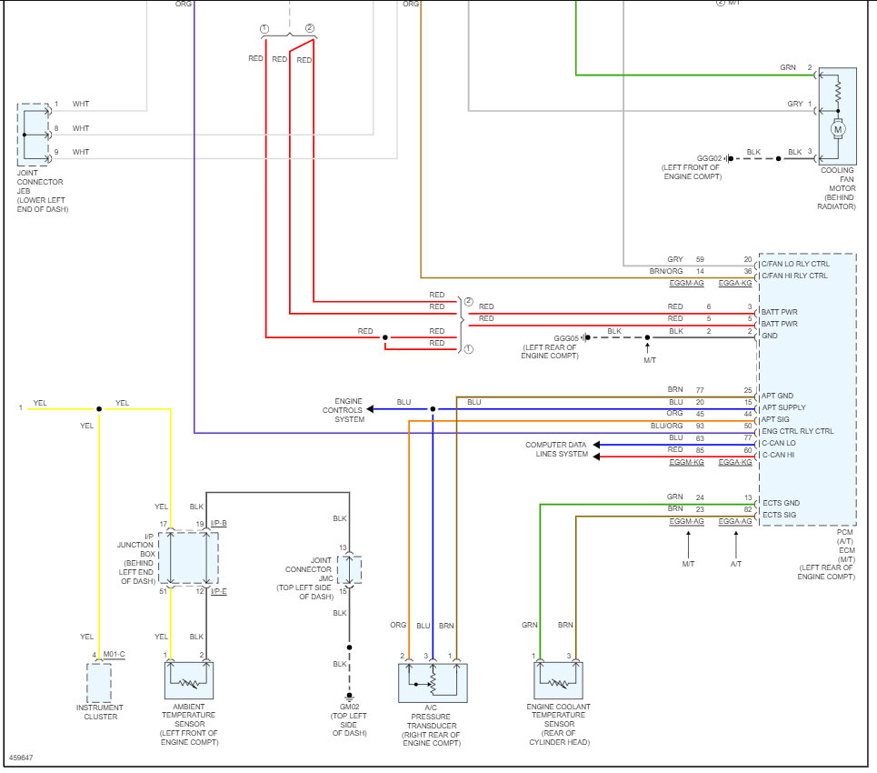
I would first do a CAN scan because it will cover the HVAC system and I would test the voltage at the compressor, if you remove the wiring connector it should show 12 volts at first start up. (Put the voltmeter in place of the compressor). Also, I have included the HVAC wiring diagrams so you can see how the system works. You can get a CAN scanner (Controller Area Network) which will work on most cars from Amazon.

Here is a video to show you how:

https://youtu.be/u-4syLc-ifQ

and

https://www.2carpros.com/articles/can-scan-controller-area-network-easy

Here is one for about $99.00 if you need it:

https://amzn.to/3ZixY4v

Here is a guide to help you double check the pressures:

https://www.2carpros.com/articles/re-charge-an-air-conditioner-system

Check the power and ground of the HVAC control head.

https://www.2carpros.com/articles/how-to-check-wiring

Check out the images (below). Let us know what happens and please upload pictures or videos of the problem so we can see what's going on.
Was this
answer
helpful?
Yes
No
Wednesday, May 17th, 2023 AT 9:54 AM
Tiny
MIAMI HOT
  • MEMBER
  • 21 POSTS
Hello again.

The last reply was a bit strange because it sounded like a new person or maybe I forgot the previews replies. All good.

Today I did a couple of things.

Tested the compressor switch plug.

So, I did it two ways, connecting the negative of the meter to the ground and the positive of the meter to the live pin and also, I did it putting the negative of the meter to the negative of the battery and the positive of the meter to the live pin of the plug. The volts I got were:

when car is off, I got around 0.14 to 1.8 volts on the live pin.
When car was on but A/C off, I got around 12 to 12, 87 volts on the live pin.
When car was on, and A/C on, I got 12.75 to 12, 80 volts on the live pin.

What does it mean? I thought there should be no volts if the A/C is off. What does this reading mean?

I also tried to get to the JMB connector, it was tough getting to it, but I think I found it. The issue is that to get better access I will have to remove the whole fuse board and it seems very messy and complex, but I did get to it, the issue was that because I unplugged everything that was connected to the front of the fuse box the power of the car was completely off so I could no do any volt test since there was no power in the entire vehicle. So I just looked at it and it looked fine. Not sure I get any deeper into that area, what do you think? I attached images.

Hope to hear from you
thanks again

I there any other valve or switch I can test?
I tried to look for the compressor control valve but could not see it, I think I have to get under the car. If there is any other test I can do please let me know.

Thanks
Was this
answer
helpful?
Yes
No
Thursday, May 18th, 2023 AT 6:31 PM
Tiny
KEN L
  • MASTER CERTIFIED MECHANIC
  • 55,450 POSTS
Did you do a CAN scan? This will tell us what is wrong with the system instantly. Here is the location of the high-pressure switch in case you need it.
Was this
answer
helpful?
Yes
No
Friday, May 19th, 2023 AT 12:12 PM
Tiny
AL514
  • MECHANIC
  • 5,595 POSTS
That connector with the red and blue wires to it are the canbus high and low communications wires, as long as the connector cover and pins to it are tight, that's good, with it plugged back in do you still have no communication with HVAC module?

If not, then we will check powers and grounds at the back of the module. If you have voltage on the feed pin at the back of the AC compressor connector, that's fine,
Looking through other "Verified Repairs" another Technician ran into this same exact issue with a Manual AC system. He had no communication with the HVAC control module, replaced it and still had no comms, it was verified the correct amount of Freon was in the system, his repair was finally replacing the compressor and that took care of the issue. The ecm seems to be responsible for the AC Pressure transducer and control of the compressor, even though the wiring diagrams show things differently.
This is the procedure for testing the 3 wire AC pressure transducer. You will have to do the voltage calculation highlighted; I believe you had 158psi correct? So (voltage= 0.00878835 x pressure (158) + 0.5= 1.88volts roughly on pin #2(signal pin) and pin# 1 Ground). If you have a voltage signal that correlates to the high pressure reading, then the AC pressure transducer is ok.
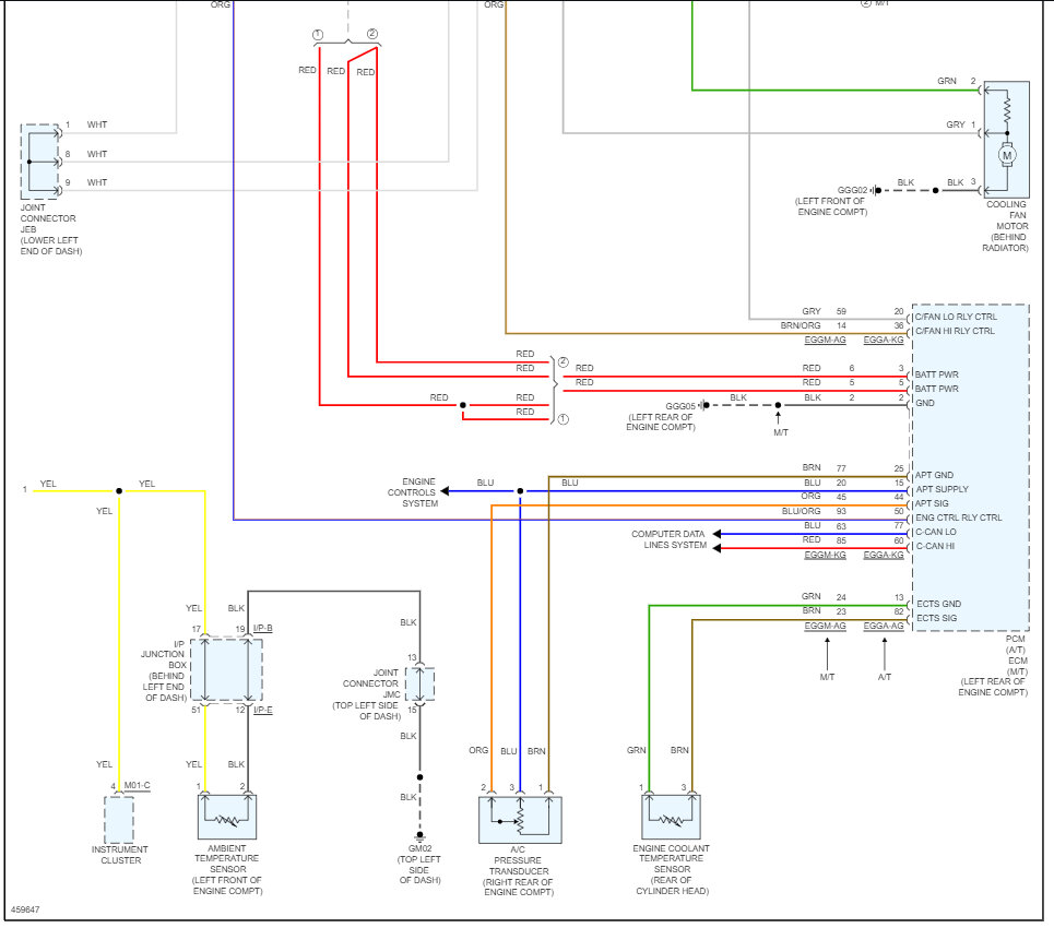
If the pressure is incorrect or the temperature is too high the ECM will shut down the compressor. So, you can do a couple things here. You can take it somewhere and have them evacuate the Freon and measure how much is in there and see if it's correct. (Which I recommend before replacing the compressor). There is also a Technical Service Bulletin on this compressor operation, but it looks to be more for a shop or dealership testing setup, some of these compressors have an external control valve (ECV). Under this TSB though, they are able to get pressure readings with the GDS which is going to be their factory scan tool. You can try looking under the Body Control Module and see if there are any data PIDs for AC pressure under that module. But yours is a clutch-less variable compressor. The TSB requires a special test kit made by Bosch. It might be that the factory scan tool is needed to access the control module, some of the newer systems, manufacturers are limiting access with aftermarket scan tools, I have heard this is becoming an issue, I'm going to post to other technicians and see if the manual A/C system doesn't use communications with scan tools for whatever reasons. In the meantime, diagrams 4 and 5 show how to access the back of the AC Control head unit. We can verify there is power and ground for it and see if there are any canbus (Blue and Red) wires on pins 27 and 28. You should be able to get an average voltage reading if there is network activity on those wires.

There should be an AC Request data PID in the PCM data

Ok I found the problem; the wiring diagrams are incorrect. The Manual AC controller does not have canbus or K line communications at all. Only the Auto A/C Controller does, that's why it's not coming up on your scan tool. Diagrams 6, 7 are the Manual Control Head and the connector pinout, diagrams 8, 9 are the Auto AC Controller, you'll notice in the pinout (Connector B, pins 6-K line, 7 CANbus Low, 8 CANbus High, ) those are the communications pins, the K line is for scan tool communications, I don't know why the correct module and connector diagrams were so difficult to find and why they are so incorrect. But this explains the scan tool issues.
Diagram 10 was the suggested testing process from another tech that knows this system well.
Was this
answer
helpful?
Yes
No
Friday, May 19th, 2023 AT 12:42 PM
Tiny
MIAMI HOT
  • MEMBER
  • 21 POSTS
Hello.

I tried to get to the High-pressure switch, and it was so difficult since it is facing down. I managed to remove the plug after a lot of work trying to get my arm through the small space to get access. But to test the pins that are on the actual switch I will have to get access from below and I am not sure I will be able to.

So, I was thinking I will just buy a compressor and take my chances. But also thought I could buy the high-pressure switch and try to see if that will solve the issue. Do you know if my model car pressure switch has a closing valve? Meaning, do I have to empty the AC to replace, or can I replace without empty system?
Was this
answer
helpful?
Yes
No
Sunday, May 21st, 2023 AT 2:02 PM
Tiny
MIAMI HOT
  • MEMBER
  • 21 POSTS
One more question. Hope is okay.

Is there a way to bypass the high-pressure switch to see if compressor will start? I know I shouldn't but I am thinking as a short time test.
Was this
answer
helpful?
Yes
No
Sunday, May 21st, 2023 AT 2:32 PM
Tiny
AL514
  • MECHANIC
  • 5,595 POSTS
Yes, the refrigerant needs to be recovered from the system to replace the pressure sensor.
Were you not able to find any Pressure Transducer data PID? I was looking over the PCM wiring diagrams and the Pressure transducer's signal wire into the PCM is labelled APT Sig. So that is your AC High pressure line signal. I thought it might be listed under something different and that's why it was difficult to find.
It shares are Reference voltage feed with the Fuel Rail pressure sensor, so that is most likely going to be a 5volt Ref as with other sensors. But at least now you should be able to find it in the list of engine data.
But since you have to recover the refrigerant anyways, have them measure exactly how much comes out, shops that do AC work will have a recovery machine that can do that, and since they are taking the Freon out, you still own that Freon, so if it is full to the proper amount, they should only charge you the 30min or so it takes to recover it and then recharge it after the repair.
A caution, if you do replace the compressor, some come already filled with the correct amount of oil and some do not. The service info explains all this,

And you're sure you have a variable clutch-less compressor? Take look at the 3rd diagram below, its shows a clutch-less compressor with a sheared off torque limiter. The other odd thing here is that in all this TSB information, they constantly say to check the system Status of HVAC system and AC compressor using the GDS. But one wiring connector for the Manual System shows no communications pins.
You mentioned the compressor is spinning continuously, so check that center bolt before going ahead, I have the instructions for replacing the compressor for you already but see if that limiter sheared off. And look for the APT sig in the PCM live data.
Was this
answer
helpful?
Yes
No
Sunday, May 21st, 2023 AT 3:50 PM
Tiny
MIAMI HOT
  • MEMBER
  • 21 POSTS
Hi,

It's been a while since I wrote here. I was super busy with work.

So, I replaced the AC compressor with a new original compressor from Hyundai.

The car started to blow cold air and it felt nice and cold after installation, but a few hours later as I was driving the cold air was not as cold as it needed it to be. Since then, the car has been blowing cold air but very weak, if it is a cool day, you can feel it not so bad but if it's a hot day the cold air is too weak to cool the car at all.

So, it's a Hyundai 2017 accent hatchback. Before I replaced the compressor the low pressure was very high and the high was normal to a bit high. Now with the new compressor the low is good at 45-50 psi (haven't check the high. And at least it blows a little be of cold air, before it was nothing, so this is improved but still haven't solved it.

Do you guys have any ideas of what it could be? What can I work on to see if I fix this issue?

I didn't replace anything else besides the compressor.

Thanks a lot. It has been a hot Summer so far.
Was this
answer
helpful?
Yes
No
Friday, June 23rd, 2023 AT 6:19 AM
Tiny
AL514
  • MECHANIC
  • 5,595 POSTS
Hello, yes it has been awhile, just going over your folder from your last posts, can you get a reading of the high side as well, Just so you know Harbor Freight or AutoZone, Advanced Auto, etc, sells a gauge set that is not too expensive, around 70 dollars the last time I saw one there. It would be good to have a set if you're going to be working on your own vehicle.
That pressure seems to be staying very steady at 45psi. Which is perfect for around 80f. So, after the repair you only had real cold air for a few hours, and you didn't find any other locations that were leaking? No other seals were replaced except for the compressor, and you had the system vacuumed down correctly and it held a vacuum for 30minutes? Or did a shop do the work?
One other thing, you're not having any blower motor issues with air flow, it's just not that cold again, is that what's happening?

Since we had so many issues with finding the correct service info on your vehicle last time, can I get the Vin number? I will use that to look up your vehicle instead of just the year and model like last time. I did post this case on the All Data community where other technicians can give their input on it and one comment stood out. He stated, if it's a manual A/C system there will be no communication with the HVAC controls, (which is something we spent a lot of time trying to figure out.) Next, he said, simply check the ECM data to see if the compressor command is On, (which it would be now since you have a new compressor.) He also did say there should be a data PID for the A/C Pressure reading from the pressure transducer which should be under the ECM data. But knowing what the High side pressure reading is would help, if the High side is lower than 130 on Max A/C at idle, then we know there is something else going on, such as a leak, or bad temperature sensor.

You're also getting good drainage below the vehicle for the Evaporator correct? There should be a drain hose hanging down under the vehicle usually on the passenger side that allows condensation to drain out of the Evap/HVAC case. Make sure it's draining, stick a piece of wire up in the tube if not. If the Evap ices up, the Evaporator Temperature sensor will cause the compressor relay power to be interrupted.
Was this
answer
helpful?
Yes
No
Friday, June 23rd, 2023 AT 10:18 AM
Tiny
MIAMI HOT
  • MEMBER
  • 21 POSTS
Hey, so I found some time and my friend helped me out with gauges. Here are some videos with the readings. I added a bit more Freon but still the same thing. A bit cool but only enough for when it is cloudy or at night.

My VIN is : VIN #: KMHCU5AE3HU356161

So, you have any idea what this could be? The high control valve? That was my next choice. But to be honest I am about to give up and call some A/C shop. Compressor is new, but not yet working. Blower works, just not cold enough.

Thanks for your help as always.
Was this
answer
helpful?
Yes
No
Saturday, July 8th, 2023 AT 7:42 PM
Tiny
AL514
  • MECHANIC
  • 5,595 POSTS
If you did the compressor replacement on your own but didn't pull the system into a vacuum and monitored for a leak, the system could have a leak anywhere, adding refrigerant now is not going to do anything, because there is air already in the system from a leak. You need to have an A/C machine to add the correct amount of ounces of refrigerant to get the system and pressure switches to work correctly. Someone needs to find where the leak is before vacuuming it down and refilling it. Read through this guide on vacuuming and refilling:

https://www.2carpros.com/articles/re-charge-an-air-conditioner-system
Was this
answer
helpful?
Yes
No
Sunday, July 9th, 2023 AT 1:17 PM
Tiny
MIAMI HOT
  • MEMBER
  • 21 POSTS
Hi,

I am not sure I understand your message. Do you think there is a leak? What makes you think there is a leak? Can you explain a bit please?

I changed the compressor and di a vacuum, not for 30 min though. Wondering why you think there is a leak. The pressures seem fine right? I looked everywhere under the engine and saw no signs of a leak. I was just assuming that because the readings are normal that amount of freon was good.

I am so confused.
Was this
answer
helpful?
Yes
No
Sunday, July 9th, 2023 AT 4:12 PM
Tiny
AL514
  • MECHANIC
  • 5,595 POSTS
Sorry I didn't know you pulled the system into a vacuum, the pressures according to the gauge and temperature do seem correct, did you add refrigerant by the can, or did you use an A/C machine to add the correct amount of ounces? That would be my only concern. I actually have a refill can with me right here, and it holds 12 ounces. Now my truck holds a total of 30 ounces, so you can see it is by weight that the calculated amount is added.
Your car takes 14.8 ounces of R134A refrigerant +/- 0.88. Do you know how many cans you added? I'm going to look up the HVAC temperature mix door info as well.
It's difficult to tell with these new compressors, because you can't see them cycling on and off now.
Was this
answer
helpful?
Yes
No
Sunday, July 9th, 2023 AT 7:19 PM
Tiny
MIAMI HOT
  • MEMBER
  • 21 POSTS
Ah okay. Yes, I added a can and a bit more from a second can. Until low pressure hit around 50 PSI. Before the yellow mark.
Was this
answer
helpful?
Yes
No
Sunday, July 9th, 2023 AT 7:23 PM
Tiny
AL514
  • MECHANIC
  • 5,595 POSTS
What size can did you add? It should say on the bottom of the can Net WT. 12OZ or somewhere around there. The pressure looks a little low for the 83.5 degrees, you can see on the R134 chart below it should be up around 45-55psi.
This was the vehicle with the Manual A/C system that we couldn't communicate with the HVAC control module, correct?
Was this
answer
helpful?
Yes
No
Sunday, July 9th, 2023 AT 7:33 PM
Tiny
MIAMI HOT
  • MEMBER
  • 21 POSTS
Yes, manual A/C.

I used AC Pro 20oz. The video above where is a bit low, I added a bit more R134 after just to get it to the right pressure.

So, if both pressures are good, that means the car has the right amount of Freon, right?
The cold from A/C is very mild. What could be the issue here?

Thanks
Was this
answer
helpful?
Yes
No
Monday, July 10th, 2023 AT 6:00 AM
Tiny
AL514
  • MECHANIC
  • 5,595 POSTS
Does the pressures on each side equal out pretty quick once the vehicle is turned off? Not that the pressures are really showing a restriction though, does your compressor have an electrical plug located on the rear of the compressor? Just looking through service info here, there looks to be an External A/C compressor Solenoid (electrical control valve) and a Mechanical Control Valve that is internal to the compressor. Both change the swash plate angle which is what controls the pressure. Service info states that the electrical control valve is a pulse width modulated solenoid, at the driver side front of the engine. I assume that is working ok because you have around 250 psi on the high side.
Unless there is something going on with the temperature mix door, it is not fully moving open when on the full cold setting. Which is something we can't monitor with a scan too either because we can't communicate with the Manual system.
I did find the temperature mix door actuator which is on the side of the HVAC system box under the dash. It has a potentiometer just like a throttle position sensor, where it has a 5volt reference, signal wire and ground. And when switching the temperature control knob from hot to cold, there should be a change in voltage from that actuator. It should range from 0.5v to around 4.5v roughly as the door travels.
You brought up the control valves at the top of the page in your post, the electrical control valve is supposed to be controlled by the HVAC control module. I'm looking on All Data and on now for service info and they are both the same. Both have the Manual A/C system showing can bus network wires, which yours isn't supposed to have. I believe the compressor works on both of those controls. The internal one is mechanical and moves the swash plate by pressure.
I've found the voltages for the Temp Control Actuator, it's pretty easy to test, granted you can get to the actuator. You just have to monitor the 0 to 5v signal while changing the temperature control. I think it's something to check, just to rule it out.

Below you can see its location, it should be on the passenger side under the dash, where the passengers left foot will be. It's a 5 wires connector to the actuator. I'm getting the testing diagrams for you to check that the mix door is moving fully to the hot position and the full cold position. Disregard the replacement section, we're just going to test the signal wire to the ground wire. See if you can locate the actuator. And I'll post the testing diagrams in a couple minutes.

The 8th diagram is the testing to see if the temperature door is moving to its full position. Hopefully you can find the actuator pretty easily. This service information on this vehicle has been difficult from the start.
Was this
answer
helpful?
Yes
No
Monday, July 10th, 2023 AT 2:52 PM

Please login or register to post a reply.