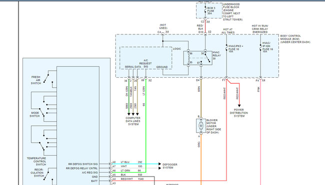
Saturday, May 8th, 2021 AT 12:04 PM
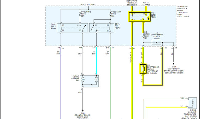
Driver is cool, passenger is flat, fan running, compressor turning. I see both high and low at 90, I suspect a weak compressor. Does that sound right?






