Tuesday, January 22nd, 2019 AT 6:09 AM
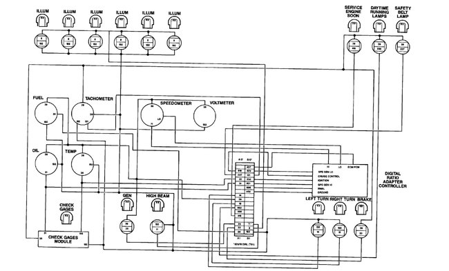
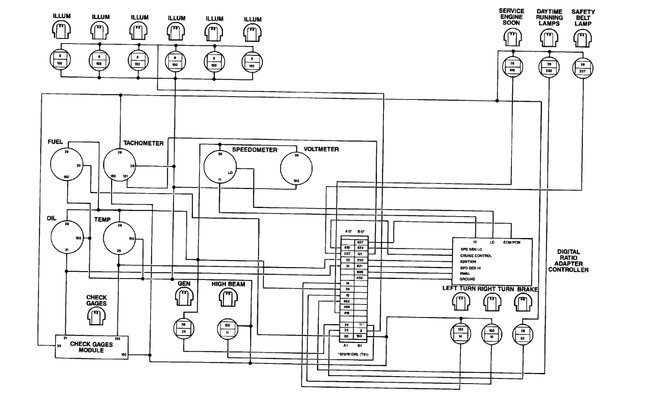
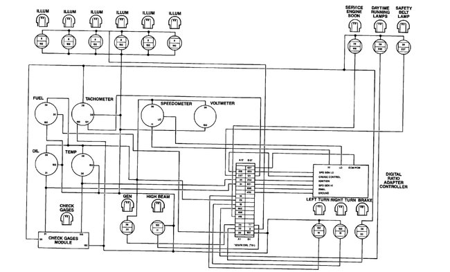
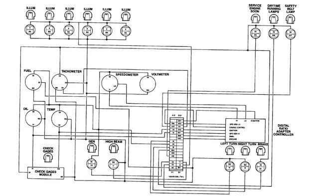
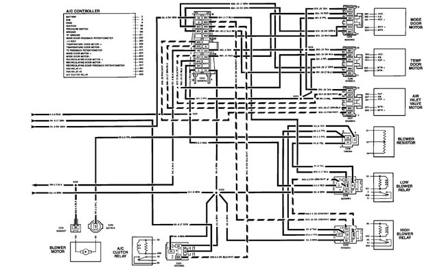
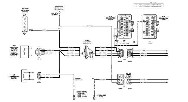
We have two panels available to try. Both are black and don’t light up. We checked fuses, they look fine. We jiggled the wires under the hood that go to the panel, but inside it did not flicker on and off at all. We can not locate the LPS fuse to try it. Here is a picture of our fuse box. Where is the LPS located so we can try that?




