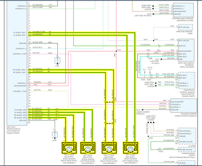
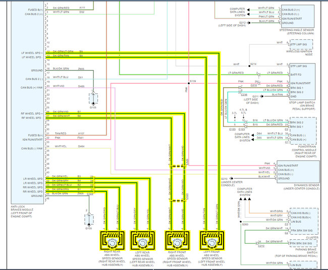
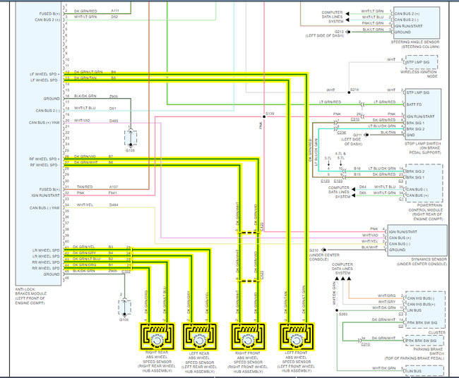
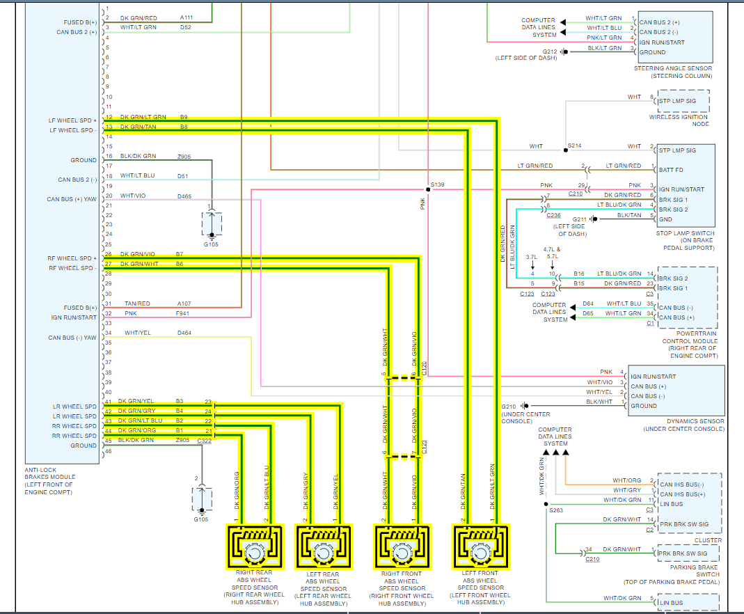
Saturday, October 16th, 2021 AT 5:46 AM
Replaced the wheel speed sensor twice, replaced the wheel hub assembly twice, replaced the computer module and had the wiring repaired and the lights come on and off intermittently. I am at a loss. Help!





