A/C cuts off after car running for a while

Tiny
NEIGHBORHELPER
  • MEMBER
  • 1996 CHEVROLET CAMARO
  • V8
  • 2WD
  • MANUAL
  • 98,000 MILES
A/C compressor will work while at idle and a short time while driving and the clutch disengages and will not start again. Replaced compressor, evacuated and refilled and verified good pressure while compressor is running. Good engine vacuum verified. If cooling relay is removed and reinserted and car restarted, compressor starts again but repeates the issue.
Not sure where to go from here.
Friday, August 17th, 2018 AT 5:58 PM

3 Replies

Tiny
KEN L
  • MASTER CERTIFIED MECHANIC
  • 55,488 POSTS
It sounds like the compressor relay is weak and giving out when hot. Here is a guide to confirm the issue and the location of the relay:

https://www.2carpros.com/articles/how-to-check-an-electrical-relay-and-wiring-control-circuit

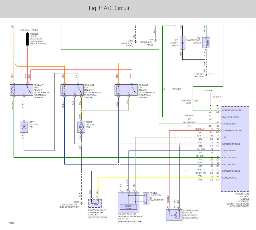
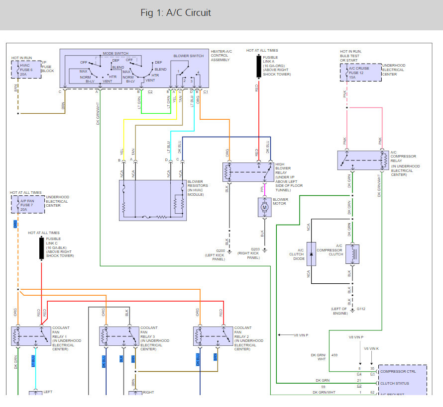
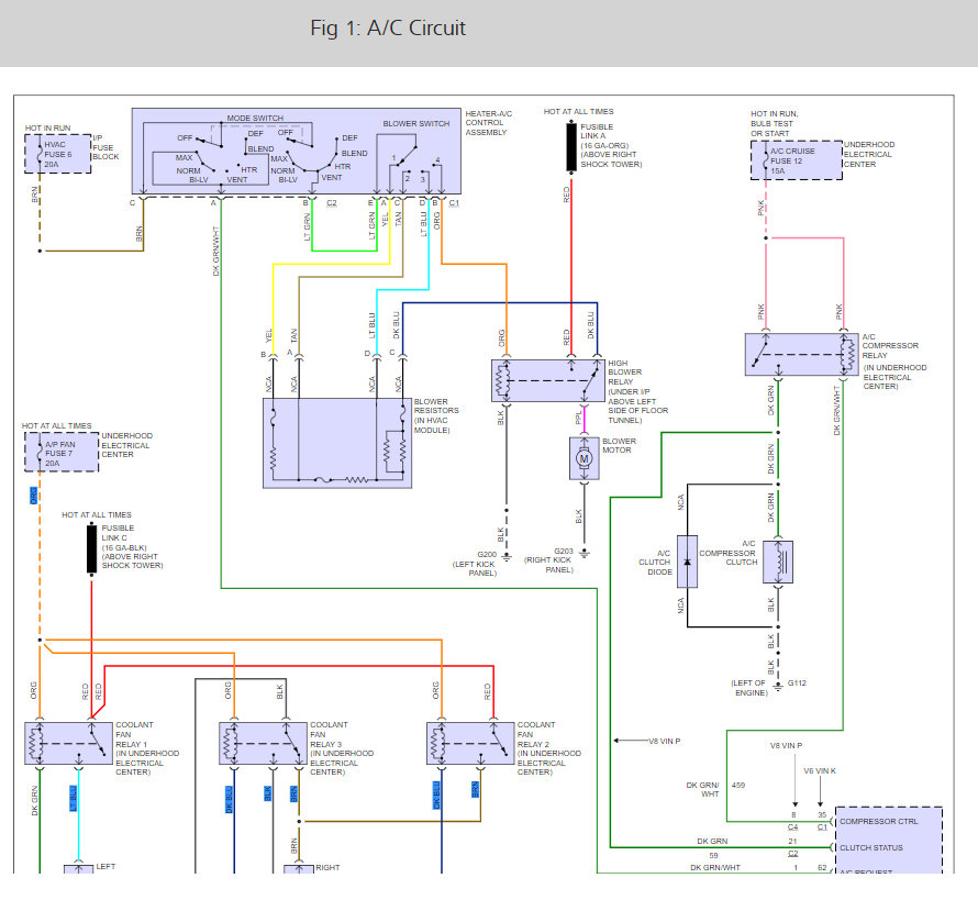
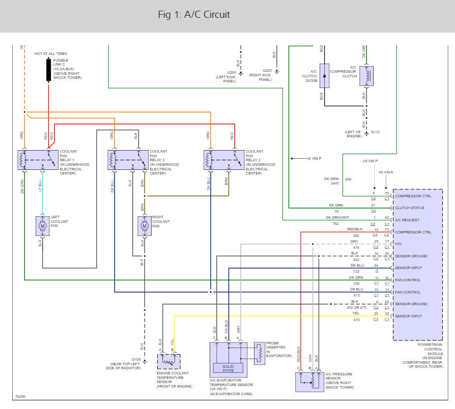
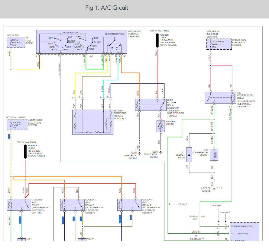
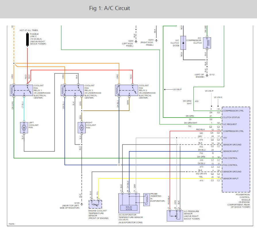
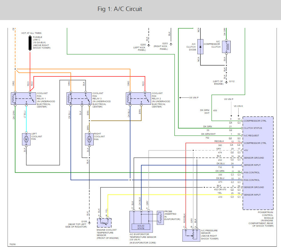
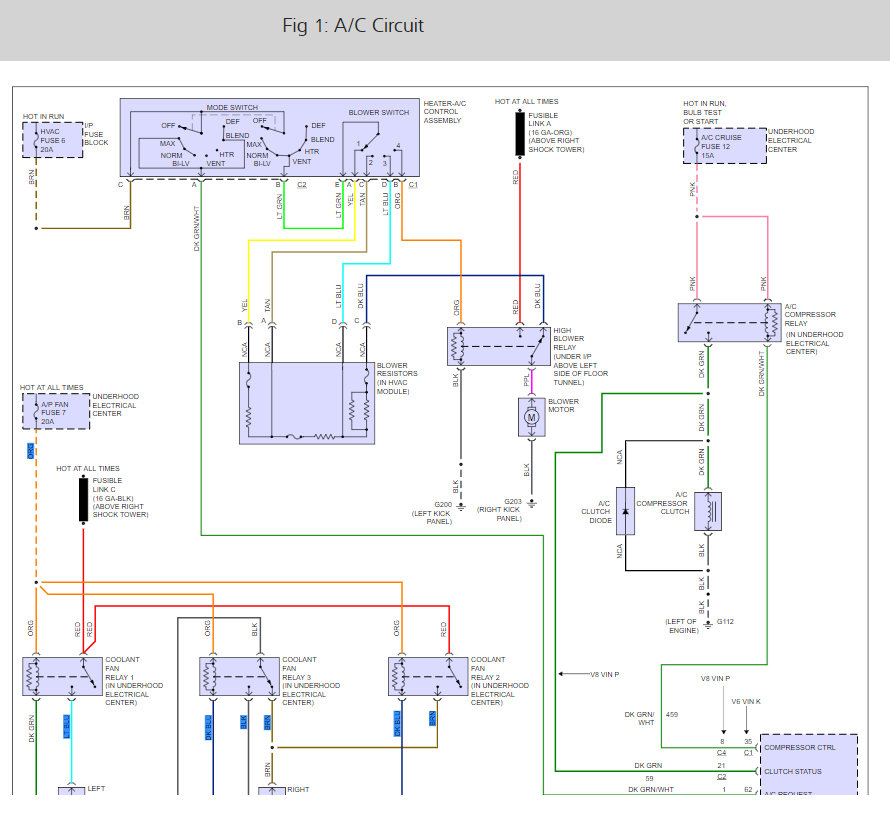
Check out the diagrams (below). Please let us know what happens.

Cheers, Ken
Was this
answer
helpful?
Yes
No
Tuesday, August 21st, 2018 AT 11:31 AM
Tiny
NEIGHBORHELPER
  • MEMBER
  • 1 POST
Thank you for your help. We have replaced all the relays in the fuse block, put in a new A/C pressure switch with same symptoms. The car has had the main compressor replaced and recharged by a professional A/C shop. What else do you suggest? Thank you for your help.
Was this
answer
helpful?
Yes
No
Monday, September 3rd, 2018 AT 12:57 PM
Tiny
KEN L
  • MASTER CERTIFIED MECHANIC
  • 55,488 POSTS
This sounds like a connection is heating up and shutting off the compressor. When the AC stops can you see if the clutch is still going? Here is a guide to help you test the wiring and the AC wiring diagrams so we can see how the system works:

https://www.2carpros.com/articles/how-to-check-wiring

If the compressor is still going can you grab a hold of the large AC tube coming out of the firewall to see if it is cold please?

This guide can help as well.

https://www.2carpros.com/articles/car-air-conditioner-not-working-or-is-weak

Check out the diagrams (below). Please run this test and get back to us.

Cheers, Ken
Was this
answer
helpful?
Yes
No
Monday, September 3rd, 2018 AT 1:03 PM

Please login or register to post a reply.