A/C Compressor not engaging?

Tiny
JON.KUMP
  • MEMBER
  • 2015 CHEVROLET TRAX
  • 1.4L
  • 4 CYL
  • TURBO
  • 2WD
  • AUTOMATIC
  • 103,854 MILES
It worked fine on the first leg of the trip and then stopped working on the way back.

Checked to make sure the compressor turns when the vehicle is off. It turns with no issues and no sounds have ever come from the compressor.

Checked power to the compressor when engaging the A/C and no power is going to the compressor.

Have replaced the Pressure sensor.

Is there an A/C Relay or does the PCM control the compressor?

Where would the most likely place be for a wire to be rubbing on this vehicle?

Thanks
Monday, August 22nd, 2022 AT 8:01 AM

3 Replies

Tiny
BORIS K
  • MECHANIC
  • 836 POSTS
Hello,

Have you checked that there is sufficient refrigerant in the system? Not enough refrigerant will cause the compressor not to switch on.

https://www.2carpros.com/articles/car-air-conditioner-not-working-or-is-weak

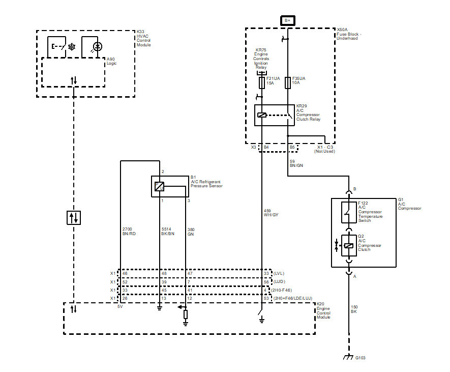
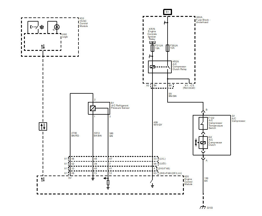
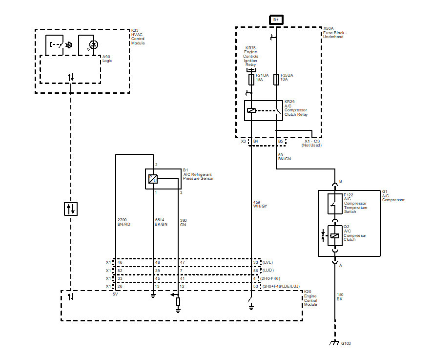
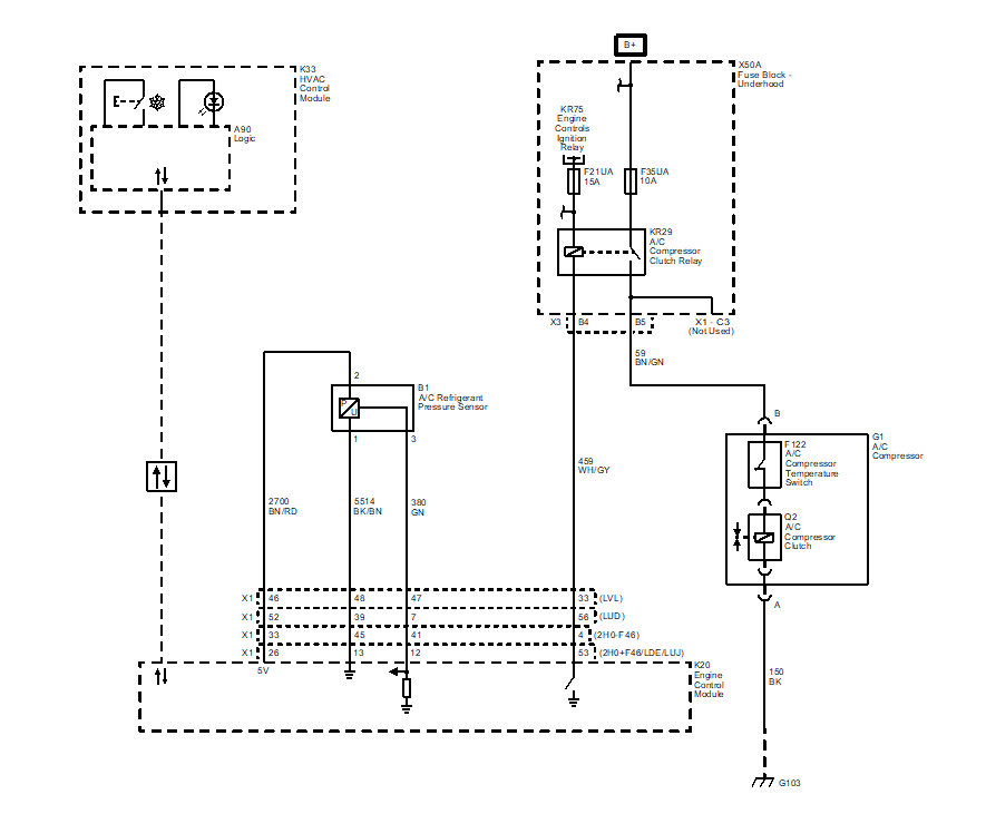
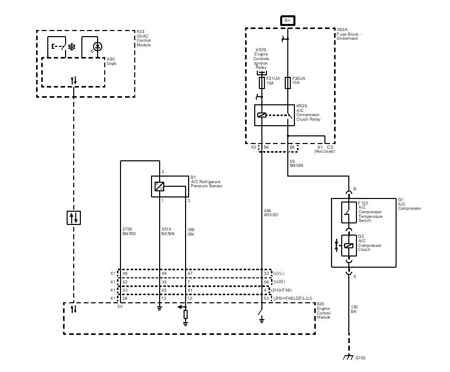
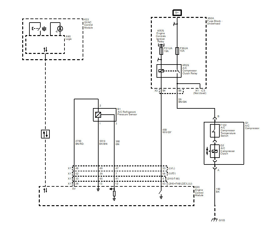
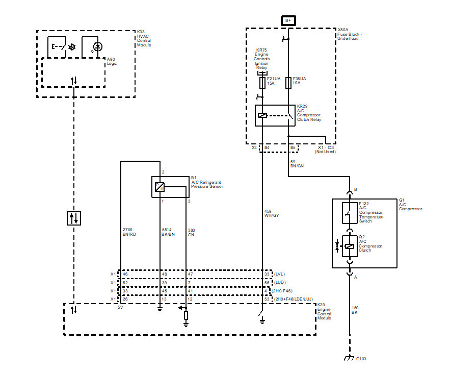
There are two fuses which supply the A/C compressor clutch relay, fuse F21, 15A, and fuse F35, 10A. Both the fuses and the relay is located in the engine fuse block, next to battery.

See image below.

Fuse F21 will supply ignition and fuse F35 has constant 12V

How to check fuse:
https://www.2carpros.com/articles/how-to-check-a-car-fuse

The A/C compressor relay is switched on via ground from the white/grey wire from the ECM pin 53 on connector X1, 56 pin.
The AC relay, KR29, is built into the engine fuse block, so it cannot be replaced on its own.
The easy way to check if the relay is working is to apply a ground to the white/grey wire at connector X3 pin B4 at the fuse block connector, switch on ignition and listen if the relay clicks. Also check if 12V is being transmitted out of pin B5, brown/green wire.
See image 2 for fuse block connector layout

How to check for 12V using test light or voltmeter:

https://www.2carpros.com/articles/how-to-use-a-voltmeter
and
https://www.2carpros.com/articles/how-to-use-a-test-light-circuit-tester

How to test wiring:
https://www.2carpros.com/articles/how-to-check-wiring

Hope this helps.

Cheers, Boris
Was this
answer
helpful?
Yes
No
Monday, August 22nd, 2022 AT 8:55 AM
Tiny
JON.KUMP
  • MEMBER
  • 2 POSTS
I've replaced the fuse panel in the engine bay with the updated part. It did not help. I will check the fuses located under the dash and see if they are working or not.
Was this
answer
helpful?
Yes
No
+1
Monday, August 22nd, 2022 AT 9:22 AM
Tiny
BORIS K
  • MECHANIC
  • 836 POSTS
Hello,

There are no fuses on the dash panel fuse block which controls the A/C compressor.

I would suggest conducting a CAN scan to check if any relevant fault codes are stored in either ECM or HVAC system

How to carry out scan:
https://www.2carpros.com/articles/can-scan-controller-area-network-easy

Cheers, Boris
Was this
answer
helpful?
Yes
No
+1
Monday, August 22nd, 2022 AT 9:27 AM

Please login or register to post a reply.