Wednesday, October 19th, 2016 AT 1:04 AM
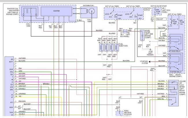
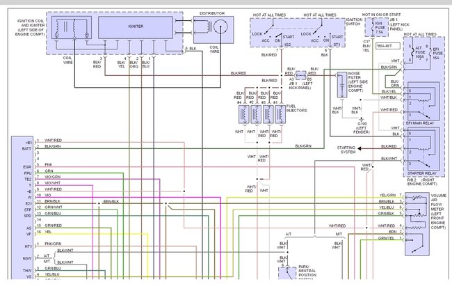
Manufactured 10/1994 pickup truck. Cranks but will not start. I checked for spark on one spark plug. It does have spark. When I pulled that plug it was not fouled with fuel so I suspect engine is not getting fuel. I have jumper-ed the diagnose connector under hood and there are no codes. I have checked all fuses under the hood and also under dash by drivers left foot kick panel. They are good. I am wanting to know how to approach this for checking for fuel to the engine probably the fuel pump and its associated relays which I think probably I should focus on? I am just looking for next step on what to do and possibly verify the fuel pump operation/ circuit in my opinion might be a problem.







