4X4 not working?

Tiny
CARPENTER1
  • MEMBER
  • 2005 DODGE DAKOTA
  • 3.7L
  • V6
  • 4WD
  • AUTOMATIC
  • 201,000 MILES
4x4 hi blinks, changed moto, speedometer not working, changed output sensor, ABS not working. Changed rear sensor and brake light on.
Saturday, December 3rd, 2022 AT 3:33 PM

1 Reply

Tiny
JACOBANDNICKOLAS
  • MECHANIC
  • 110,194 POSTS
Hi,

This could be the result of a few things. In my mind, there is an issue within the integrated power module (IPM) under the hood.

The IPM is what powers the shift motor. Because there are so many pins in each connector at the IPM, they are prone to corrode and break or have a bad connection.

By the way, have you checked to see if there are any diagnostic trouble codes stored?

If you have a live data scan tool, it would make things easy. What you would need to do is monitor the Front Control Module to see if the request is being received from the Transfer Case Selector (4WD) Switch. If it does, then the IPM is likely not commanding the changes to the shift motor.

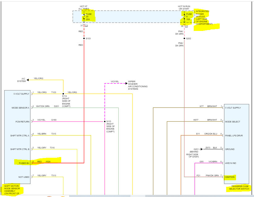
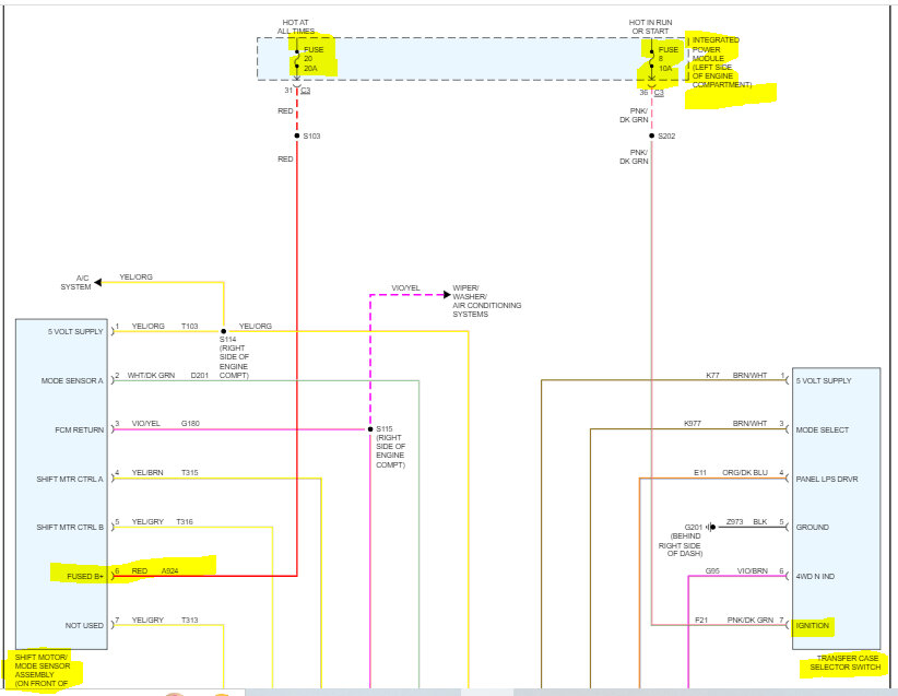
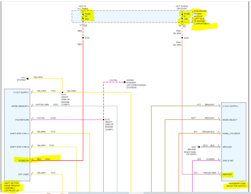
If that isn't an option, then we need to check for power first. If you look below, I attached the wiring schematic for the transfer case circuit. First, check fuses 7 and 20 in the IPM under the hood. In addition to checking the fuse, confirm there is power to and from them.

Here is a link you may find helpful:

https://www.2carpros.com/articles/how-to-check-a-car-fuse

If that checks good, there is a red wire at the transfer case mode sensor. That wire should have 12v at all times. Check that. If there is power, go to the shift switch in the vehicle and locate the pink wire with a dark green tracer. That wire should provide battery voltage with the key in the run position only. Confirm that is good as well.

If all checks good, go to the shift motor on the transfer case and check for power to the yellow wire with a brown tracer for power when shifting to 4WD high, and the yellow wire with a gray tracer when shifting to 4wd low. You will need a helper for this.

If there is no power, we will need to go to the IPM and start checking for connector failure.

Here is a link you may find helpful:

https://www.2carpros.com/articles/how-to-check-wiring

Let me know what you find or if you have questions.

Take care,

Joe

See pics below. Note: pic 3 is a larger view of the shift motor.

Was this
answer
helpful?
Yes
No
Sunday, December 4th, 2022 AT 7:58 PM

Please login or register to post a reply.