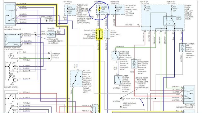
Saturday, April 25th, 2015 AT 2:56 PM
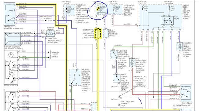
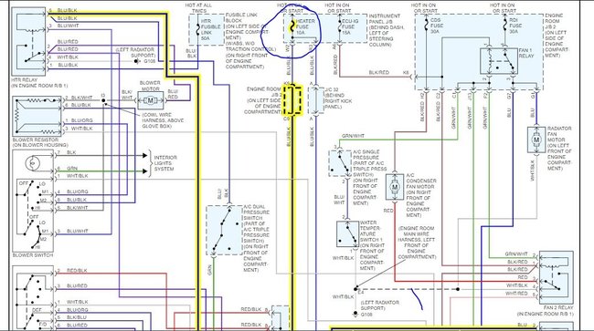
Replaced ac compressor but the new one has an extra wiring plug on it that wasn't on the old one. How to replace the compressor and vacuum the system down?















